ZV10H 236-02Z
| Produkttypebetegnelse: (1)(2) 2(3)6-(4)Z(5)-(6)-(7)-(8)-(9) |
| (1) | |
| Z | Spring kontakt |
| T | Glidekontakt (ikke til AF/S) |
| (2) | |
| S | Stødstang S |
| R | Rulletrykstang R |
| 4S | Stødstang 4S |
| 4R | Rullearm 4R |
| 1R | Rulle arm udadvendt 1R |
| K | Rullearm udadvent K |
| 3K | Vinkel rulle på arm 3K |
| 4K | Vinkel rulle på arm 4K |
| K4 | Vinkel rulle på arm K4 |
| 1H | Rullearm 1H |
| 7H | Rullearm 7H |
| 10H | Stangarm 10H |
| 12H | Rullearm 12H |
| 14H | Rullearm 14H |
| AF | Fjederarm AF |
| RMS | Messing rulle |
| (3) | |
| 3 | slankt design |
| 215 | bredt design |
| (4) | |
| 02 | 2 brydekontakter (NC) |
| 11 | 1 sluttekontakt (NO)/1 brydekontakt (NC) |
| 20 | 2 sluttekontakter (NO) (Afbryder med 2 NO-kontakter er ikke til sikkerhedsopgaver) |
| (5) | |
| H | Trykkontakt med kontakter i lag |
| UE | Klide kontakt kobling med overlappende kontakter |
| (6) | |
| uden | Kabelindgang M20 |
| ID | Skæreklemmer |
| NPT | 1/2" NPT kabelindgang |
| ST | M12 forbindelsesklemme med A-klassifikation |
| ST-2310 | M12 forbindelsesklemme med B-klassifikation |
| (7) | |
| 1297 | Kapsling med tværgående huller |
| (8) | |
| 2138 | Rullearm 7H til positionsafbrydere med sikkerhedsfunktion |
| (9) | |
| 1637 | guldbelagte kontakter |
- Springkontakt med konstant kontakttryk op til koblingspunkt
- 1 kabel indgang M 20 x 1.5
- Kunstof hus
- God modstand overfor olie og petroleumssprit
- Omfattende udvalg af alternative aktuatorer
- 30 mm x 58,5 mm x 30 mm
- Dobbelt isoleret
- Monteringsdetaljer til EN 50047
- Aktuatorhoveder kan omplaceres med 4 x 90°
- kun til placeringsopgaver
- Armvinkel justerbar i trin på 10° Lever angle
Bestillings data
| Produkttypebetegnelse |
ZV10H 236-02Z |
| Artikenummer (Bestillingsnummer) |
151120108 |
| eCl@ss number, version 12.0 |
27-27-06-01 |
| eCl@ss number, version 11.0 |
27-27-06-01 |
| eCl@ss Nummer, Version 9.0 |
27-27-06-01 |
| ETIM number, version 7.0 |
EC000030 |
| ETIM number, version 6.0 |
EC000030 |
Godkendelser - Forskrifter
| Godkendelser |
cULus CCC |
Globale egenskaber
| Forskrifter |
BG-GS-ET-15 EN ISO 13849-1 EN IEC 60947-5-1 |
| Konstruktionsform på hus |
Norm konstruktionsdesign |
| Materiale til kapsling |
Plastik, glasfiberforstærket |
| Armmateriale |
Metal |
| Materiale til stangen |
Plastik |
| Bruttovægt |
100 g |
Generelle data - egenskaber
| Antal sikkerhedskontakter |
2 |
Klassifikation
| At standardisere, Forskrifter |
EN ISO 13849-1 |
| Brugstid |
20 År |
Mekaniske data
| Aktuator |
Stangarm |
| Mekanisk levetid, minimum |
20.000.000 koblinger |
| Aktiveringshastighed, minimum |
687 mm/min |
| Aktiveringshastighed, maksimum |
1 m/s |
| Bemærk (aktiveringshastighed) |
Aktuatorfart med aktuatorvinkel på 30° for at ændre akse |
| Aktuatormoment, minimum |
0,2 Nm |
Mekaniske data - Tilslutning
| Kabelføring |
1 x M20 x 1,5 |
| Tilslutningskvadrat, minimum |
0,75 mm² |
| Tilslutningskvadrat , maksimum |
2,5 mm² |
| Bemærk (tilslutningstværsnit) |
Alle oplysninger om tilslutningskabler er inkluderet kabelmuffer. |
| Forbindelse (mekanisk) |
Screw terminals |
Mekaniske data - afmåling
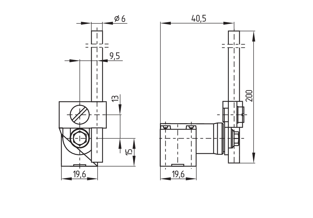
| Længde x Bredde x Højde |
Højde af føler: 96.5 mm (uden Stang) |
| Længde på føler |
43,5 mm |
| Bredde på føler |
30 mm |
Omgivende forhold
| Beskyttelses klasse |
IP65 IP67 |
| Ambient temperature |
-30 ... +80 °C |
Omgivende forhold - Isolationsparametre
| Isolations spænding |
500 V |
| Fastsat impulsmodstandsspænding |
6 kV |
Elektrisk data
| Termisk prøvestrøm |
10 A |
| Betinget kortslutningsstrøm iht. EN 60947-5-1 {A} |
1.000 A |
| Brugskategori AC-15 |
230 VAC |
| Brugskategori AC-15 |
4 A |
| Brugskategori DC-13 |
24 VDC |
| Brugskategori DC-13 |
1 A |
| Koblingselement |
2 brydekontakter (NC) |
| Koblingsprincip |
Spring kontakt |
| Preltid, maksimum |
3 ms |
| Koblingsfrekvens |
5.000 /h |
| Skiftetid, maksimum {ms} |
5,5 ms |
| Materiale til kontakterne, elektrisk |
Sølv |
Sprog filter
Datablad
Driftsvejledning - (tillæg/kort vejledning)
UL-certifikat
CCC-certificering
SISTEMA-VDMA bibliotek/library
Hent sidste version af Adobe Reader
Produktbillede (katalogenkeltfoto)
ID: k236hf03
| 969,9 kB | .jpg | 352.778 x 1275.2920000000001 mm - 1000 x 3615 px - 72 dpi
| 136,3 kB | .png | 74.083 x 267.75800000000004 mm - 210 x 759 px - 72 dpi
| 13,8 kB | .png | 74.083 x 74.083 mm - 210 x 210 px - 72 dpi
| 12,4 MB | .png | 169.333 x 612.14 mm - 2000 x 7230 px - 300 dpi
| 14,1 kB | .jpg | 34.219 x 123.47200000000001 mm - 97 x 350 px - 72 dpi
Dimensionstegning, grundlæggende komponent
Dimensionstegning, aktuator
Diagram over afbrydervandring
| EU-overensstemmelseserklæring | ![]() |
| Original | SCHMERSAL Industrial Switchgear (Shanghai) Co., Ltd. Cao Ying Road 3336 201712 Shanghai / Qingpu P.R. CHINA Internet: www.schmersal.com.cn |
| Forklaring: | Hermed erklærer vi, at de nedenfor anførte komponenter svarer til de nedenfor anførte europæiske direktiver på basis af deres udførelse og konstruktionstype. |
| Komponentens betegnelse: | Z/T 235, Z/T 236, Z/T 255, Z/T 256, Z/T 335, Z/T 336, Z/T 355, Z 332 |
| Type: | se typenøgle |
| Komponentens beskrivelse: | Positionsafbryder |
| Relevante direktiver: | Lavspændingsdirektiv | 2014/35/EU |
| RoHS-direktivet | 2011/65/EU |
| Anvendte standarder: | EN 60947-5-1:2017 |
| Befuldmægtiget til sammenstilling af den tekniske dokumentation: | Oliver Wacker Möddinghofe 30 42279 Wuppertal |
| Sted og dato for udstedelsen: | Shanghai, 5. maj 2021 |
![]() |
| Forpligtende underskrift Michele Seassaro Direktør |
| UK Declaration of Conformity | ![]() |
| Company: | SCHMERSAL Industrial Switchgear (Shanghai) Co., Ltd. Cao Ying Road 3336 201712 Shanghai / Qingpu P.R. CHINA www.schmersal.com.cn |
| Declaration: | We hereby, under sole responsibility, certify that the hereafter described components both in their basic design and construction conform to the relevant statutory requirements, regulations and designated standards of the United Kingdom. |
| Name of the component: | Z/T 235, Z/T 236, Z/T 255, Z/T 256, Z/T 335, Z/T 336, Z/T 355, Z 332 |
| Type: | See ordering code |
| Description of the component: | Position switch |
| Relevant legislation: | Electrical Equipment (Safety) Regulations | 2016 |
| The Restriction of the Use of Certain Hazardous Substances in Electrical and Electronic Equipment Regulations | 2012 |
| Designated standards: | EN 60947-5-1:2017 |
| UK-Importer / Person authorised for the compilation of the technical documentation: | Schmersal UK Ltd. Paul Kenney Unit 1, Sparrowhawk Close Enigma Business Park Malvern, Worcestershire, WR14 1GL |
| Place and date of issue: | Shanghai, November 23, 2021 |
![]() |
| Authorised signature Michele Seassaro Managing Director |
Schmersal Danmark A/S, Arnold Nielsens Boulevard 72-74, 2650 Hvidovre
De nævnte data og angivelser er blevet checket omhyggeligt. Billeder kan afvige fra originalen. Der kan findes flere tekniske data i manualen. Der tages forbehold for tekniske ændringer og fejl.
Generated at: 19.04.2026 07.50


