TESF/CC/0
| 产品描述: TESF (1)/(2)/(3)/(4)/(5) |
| (1) | |
| 无 | 无对齐辅助 |
| A | 带对齐辅助 |
| (2) | |
| 无 | 有附加铰链 |
| S | 无附加铰链 |
| (3) | |
| 无 | 螺丝端子 |
| CC | 张紧弹簧连接 |
| ST24 | 24V连接器 |
| (4) | |
| .1 | 底部连接器 |
| .2 | 顶部连接器 |
| (5) | |
| 0 | 正面安装 |
| 180 | 内部安装 |
| U | 客户设置 |
- 2 电缆进口 M 16 x 1.5
- 开关角度固定
- 金属外壳
- 耐油和石油产品
- 为左或右门铰链
- 141 mm x 115 mm x 21,5 mm
- 简单安装, 适合所有常规型材 (30 … 60 mm)
订货数据
| 型号 |
TESF/CC/0 |
| 商品编号(订购编号) |
101182695 |
| EAN(欧洲商品编号) |
4030661604718 |
| eCl@aa number,版本:12.0 |
27-27-06-09 |
| eCl@aa number,版本:11.0 |
27-27-06-09 |
| eCl@aa number,版本:9.0 |
27-27-06-09 |
| ETIM 编号,7.0 版 |
EC002591 |
| ETIM 编号,6.0 版 |
EC002591 |
许可 - 标准
| 证书 |
cULus CCC |
总体数据
| 标准型 |
BG-GS-ET-15 EN IEC 60947-5-1 |
| 外壳材料 |
金属,压铸锌 |
| 外壳颜色 |
黑色 |
| 毛重 |
840 g |
总体数据 - 产品特性
| 外部安装 |
是 |
| 附加铰链 |
是 |
| 辅助触点数量 |
2 |
| 安全触点数量 |
2 |
安全评估
| 标准型 |
EN ISO 13849-1 |
| 任务时间 |
20 年 |
安全评估 - 安全输出
| B10D 常闭触点 (NC) |
2,000,000 操作 |
| B10D 常开触点(NO) |
1,000,000 操作 |
机械参数
| 机械寿命,最少 |
1,000,000 操作 |
| 强制断开角度 |
10 ° |
| 打开角度 |
180° |
机械参数 - 连接技术
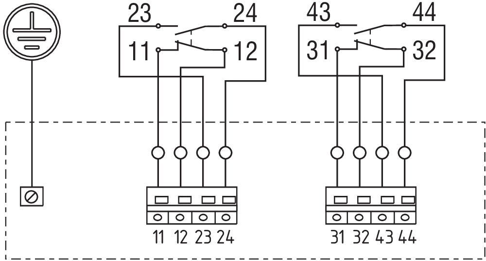
| Type of electrical connection |
2 x Screw terminals M16 x 1.5 |
| 连接器 |
弹簧滑轮连接 |
| 线缆截面,最小 |
.5 mm² |
| 电缆截面,最大 |
1 mm² |
| 注(电缆截面) |
包括导体套管在内的所有指标。 |
机械参数 - 尺寸
| 传感器长度 |
21.5 mm |
| 传感器宽度 |
141 mm |
| 传感器高度 |
115 mm |
环境条件
| 防护等级 |
IP65 |
| 工作环境温度 |
-25 ... +65 °C |
环境条件 - 绝缘值
| 额定绝缘电压 Ui |
250 VAC |
| 额定冲击耐受电压 Uimp |
2.5 kV |
电气参数
| 热测试电流 |
2.5 A |
| 应用类别 AC-15 |
230 VAC |
| 应用类别 AC-15 |
2 A |
| 应用类别 DC-13 |
24 VDC |
| 应用类别 DC-13 |
1 A |
| 开关元件 |
NO触点,NC触点 |
| 开关原理 |
缓动 |
| 开关频率 |
1,200 /h |
| 触点材料,电气 |
银镍合金 10 |
发货范围
| 发货范围 |
附加铰链 |
注意
| 注(通用) |
关闭的防护设备=0°,在接触开关行程图中。 出厂设置的开关角为3° 在普通磨损情况下,当达到寿命极限时,此角度可以上升至8°。 肯定断开角度为10° |
语言条件
数据表
操作指南及符合性声明
SISTEMA-VDMA 数据库
下载最新版本的Adobe Reader
产品图片(单独目录照片)
ID: ktesff04
| 285,2 kB | .jpg | 352.778 x 219.428 mm - 1000 x 622 px - 72 dpi
| 43,3 kB | .png | 74.083 x 46.214000000000006 mm - 210 x 131 px - 72 dpi
| 41,9 kB | .png | 74.083 x 74.083 mm - 210 x 210 px - 72 dpi
| 3,3 MB | .png | 145.143 x 90.206 mm - 2000 x 1243 px - 350 dpi
| 40,3 kB | .jpg | 123.47200000000001 x 76.906 mm - 350 x 218 px - 72 dpi
产品图片(单独目录照片)
ID: ktesff05
| 290,9 kB | .jpg | 352.778 x 235.303 mm - 1000 x 667 px - 72 dpi
| 27,4 kB | .png | 74.083 x 49.389 mm - 210 x 140 px - 72 dpi
| 42,4 kB | .jpg | 123.47200000000001 x 82.197 mm - 350 x 233 px - 72 dpi
| 44,2 kB | .png | 74.083 x 74.083 mm - 210 x 210 px - 72 dpi
| 2,5 MB | .png | 145.143 x 96.738 mm - 2000 x 1333 px - 350 dpi
尺寸图 基本组件
开关行程图
施迈赛工业开关制造(上海)有限公司, 上海市青浦区漕盈路3336号,
所涉及的详细信息和数据已经过仔细检查。 图像可能与原始图像有所不同。 您可在说明书中进一步获得技术数据。 可能会有技术修改和错误。
Generated at: 2026/4/17 下午1:24