T3K 336-02ZH
- ince tasarım
- 1 Kablo girişi M 20 x 1.5
- EN 50041 e uygun tasarım
- Anahtara paralel alt taraftan uyarılı olduğu için sadece küçük gövdeler için uygun
- Termoplastik muhafaza
- Çift izolasyonlu
- Yağ ve petrol ispirtosuna karşı direnci iyi
- Geniş kapsamlı alternatif aktüatör ler
- aktüatör uçları 4 x 90° açı ile tekrar konumlandırılabilir
Sipariş ayrıntıları
| Ürün tip tanımı |
T3K 336-02ZH |
| Ürün numarası (sipariş numarası) |
101101123 |
| EAN (European Article Number) |
4030661071305 |
| eCl@ass Numara, Sürümü 12.0 |
27-27-26-01 |
| eCl@ass Numara, Sürümü 11.0 |
27-27-26-01 |
| eCl@ass Numara, Sürümü 9.0 |
27-27-26-01 |
| ETIM numarası, sürüm 7.0 |
EC000030 |
| ETIM numarası, sürüm 6.0 |
EC000030 |
Onaylar
| Verileri |
cULus CCC |
Genel veriler
| Gövdenin konstrüksiyon şekli |
Norm yapı tasarımı |
| Gövdelerin malzemesi |
Plastik, cam elyaf takviyeli |
| Brüt ağırlık |
132 g |
Genel veriler - Özellikler
| Güvenlik fonksiyonları |
Evet |
| Emniyet kontaktlarının sayısı |
2 |
Güvenlik sınıflandırması
| Standartlar |
EN IEC 60947-5-1 |
| Görev süresi |
20 Yıl(lar) |
Güvenlik sınıflandırması - Emniyetli çıkışlar
| B10D Normalde kapalı kontakt (NC) |
20.000.000 operasyon sayısı |
Mekanik veriler
| Devreye alma elemanı |
Açılı kollu makara |
| Mekanik ömür, minimum |
30.000.000 operasyon sayısı |
| Güç, devreye alma gücü, minimum {N} |
17 N |
| Kumanda hızı, maximum |
0,5 m/s |
| Not (Kumanda hızı) |
Anahtar eksenine 30° aktüatör açısı ile aktüatör hız |
| Not (değiştirme süresi) |
Değiştirme süresi hareket hızına uygun olarak |
Mekanik veriler - Boyutlar
| kesme |
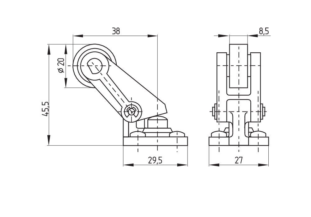
Vida bağlantısı M20 x 1.5 |
| Kablo kesiti, minimum |
0,75 mm² |
| Kablo kesiti, maximum |
2,5 mm² |
| not |
Kablo kısmı hakkındaki bütün göstergeler iletken yüksüklerini dahil ediyor. |
Mekanik veriler - Boyutlar
| Sensörün boyu |
38 mm |
| Sensörün genişliği |
53 mm |
| Sensörün yüksekliği |
121,5 mm |
Ortam koşulları
| Koruma sınıfı |
IP65 IP67 |
| Ortam sıcaklığı |
-30 ... +80 °C |
Ortam koşulları
| Nominal izolasyon gerilimi Ui |
500 V |
| Nominal darbeye dayanma gerilimi Uimp |
6 kV |
Elektriksel veriler
| Termal test akımı |
10 A |
| Talep edilen nominal kısa devre akımı |
1.000 A |
| Kullanım kategorisi AC-15 |
230 VAC |
| Kullanım kategorisi AC-15 |
4 A |
| Kullanım kategorisi DC-13 |
24 VDC |
| Kullanım kategorisi DC-13 |
4 A |
| Anahtarlama elemanı |
2 Açıcı düzen (NC) |
| Anahtarlama prensibi |
Sıralı kontaktlarla yavaş hareket |
| Geri gelme süresi, maximum |
2 ms |
| Maksimum anahtarlama frekansı |
5.000 /h |
| Malzeme, kontaklar, elektrikli |
AgCdO, kendi kendini temizler, pozitif hareket |
Dil filtresi
Veri sayfası
Çalışma talimatları (ek sayfa/hızlı kılavuz)
UL Sertifikası
CCC sertifikasyonu
SISTEMA-VDMA kütüphanesi
Adobe Reader’ın son sürümünü indirin
Ürün resmi (katalog özel fotoğraf)
ID: k336kf02
| 586,2 kB | .jpg | 352.778 x 626.533 mm - 1000 x 1776 px - 72 dpi
| 79,3 kB | .png | 74.083 x 131.586 mm - 210 x 373 px - 72 dpi
| 27,5 kB | .png | 74.083 x 74.083 mm - 210 x 210 px - 72 dpi
| 6,0 MB | .png | 169.333 x 300.821 mm - 2000 x 3553 px - 300 dpi
| 30,4 kB | .jpg | 69.497 x 123.47200000000001 mm - 197 x 350 px - 72 dpi
Boyutsal resim temel bileşeni
Boyutsal resim aktüatörü
Switch hareket şeması
151101123 T3K 336-02ZH
- EN 50041 e uygun tasarım
- Anahtara paralel alt taraftan uyarılı olduğu için sadece küçük gövdeler için uygun
- Termoplastik muhafaza
- Çift izolasyonlu
- Yağ ve petrol ispirtosuna karşı direnci iyi
- Geniş kapsamlı alternatif aktüatör ler
- aktüatör uçları 4 x 90° açı ile tekrar konumlandırılabilir
- 1 Kablo girişi M 20 x 1.5
| EU Declaration of Conformity | ![]() |
| Original | K.A. Schmersal GmbH & Co. KG Möddinghofe 30 42279 Wuppertal Germany Internet: www.schmersal.com |
| Declaration: | We hereby certify that the hereafter described components both in their basic design and construction conform to the applicable European Directives. |
| Name of the component: | Z/T 235, Z/T 236, Z/T 255, Z/T 256, Z/T 335, Z/T 336, Z/T 355, Z 332 |
| Type: | See ordering code |
| Description of the component: | Position switch |
| Relevant Directives: | Low Voltage Directive | 2014/35/EU |
| RoHS-Directive | 2011/65/EU |
| Applied standards: | EN 60947-5-1:2017 |
| Person authorised for the compilation of the technical documentation: | Oliver Wacker Möddinghofe 30 42279 Wuppertal |
| Place and date of issue: | Wuppertal, April 20, 2021 |
![]() |
| Authorised signature Philip Schmersal Managing Director |
| UK Declaration of Conformity | ![]() |
| Company: | K.A. Schmersal GmbH & Co. KG Möddinghofe 30 42279 Wuppertal Germany Internet: www.schmersal.com |
| Declaration: | We hereby, under sole responsibility, certify that the hereafter described components both in their basic design and construction conform to the relevant statutory requirements, regulations and designated standards of the United Kingdom. |
| Name of the component: | Z/T 235, Z/T 236, Z/T 255, Z/T 256, Z/T 335, Z/T 336, Z/T 355, Z 332 |
| Type: | See ordering code |
| Description of the component: | Position switch |
| Relevant legislation: | Electrical Equipment (Safety) Regulations | 2016 |
| The Restriction of the Use of Certain Hazardous Substances in Electrical and Electronic Equipment Regulations | 2012 |
| Designated standards: | EN 60947-5-1:2017 |
| UK-Importer / Person authorised for the compilation of the technical documentation: | Schmersal UK Ltd. Paul Kenney Unit 1, Sparrowhawk Close Enigma Business Park Malvern, Worcestershire, WR14 1GL |
| Place and date of issue: | Wuppertal, November 23, 2021 |
![]() |
| Authorised signature Philip Schmersal Managing Director |
Schmersal Turkey Otomasyon Ürünleri ve Hizmetleri Ltd. Şti., Atatürk Mah. Ataşehir Bulvarı No:5, 34758 Ataşehir
Veriler ve ayrıntılar dikkatli bir şekilde kontrol edilmişlerdir. Görüntüler orijinalden farklı olabilir. Daha fazla teknik veri kılavuzda bulunabilir. Teknik değişiklikler ve hatalar olabilir.
Generated at: 15.04.2026 03:30

