AZ 16-12ZVK-ST
| Produkttypebetegnelse: AZ 16-(1)ZV(2)K-(3)-(4)-(5) |
| (1) | |
| uden | 1 sluttekontakt (NO)/1 brydekontakt (NC) |
| 02 | 2 brydekontakter (NC) |
| 03 | 3 brydekontakter (NC) |
| 12 | 1 sluttekontakt (NO)/2 brydekontakter (NC) |
| (2) | |
| uden | Udslyngnings kraft |
| R | Holdekraft 30 N |
| (3) | |
| G24 | med LED (kun tilgængelig til versioner med én NO og én NC kontakt.) |
| (4) | |
| M16 | Kabelindgang M16 |
| M20 | Kabelindgang M20 |
| ST | Stik M12, 4-polet, nede |
| STL | Stik M12, 4-polet, venstre |
| STR | Stik M12, 4-polet, højre |
| (5) | |
| 2254 | Holdekraft 5 N |
| 1762 | Forreste montering |
| 1637 | guldbelagte kontakter |
- Tilslutning M12, 8 polet
- Kunstof hus
- Dobbelt isoleret
- 52 mm x 90 mm x 30 mm
- Universelt kodet
- Langt lig
- Høj standard af kontaktpålidelighed med lave spændinger og strømninger
- Upåvirkelig overfor snavs
- Kærvede huller til justering, runde huller til placering
Bestillings data
| Produkttypebetegnelse |
AZ 16-12ZVK-ST |
| Artikenummer (Bestillingsnummer) |
101215979 |
| EAN (European Article Number) |
4030661405049 |
| eCl@ss number, version 12.0 |
27-27-26-02 |
| eCl@ss number, version 11.0 |
27-27-26-02 |
| eCl@ss Nummer, Version 9.0 |
27-27-26-02 |
| ETIM number, version 7.0 |
EC002592 |
| ETIM number, version 6.0 |
EC002592 |
Godkendelser - Forskrifter
| Godkendelser |
cULus CCC |
Globale egenskaber
| Forskrifter |
EN ISO 13849-1 EN ISO 14119 EN IEC 60947-5-1 |
| Kodningstrin ifølge EN ISO 14119 |
lav |
| Aktivt princip |
mekanisk |
| Materiale til kapsling |
Plastik, glasfiberforstærket termoplast, selvslukkende |
| Bruttovægt |
160 g |
Generelle data - egenskaber
| Udslyngningskraft |
Ja |
| Antal aktiverende retninger |
3 |
| Antal sikkerhedskontakter |
2 |
| Antal kabelgennemføringer |
3 |
Klassifikation
| At standardisere, Forskrifter |
EN ISO 13849-1 |
| Performance Level, til |
c |
| Kategori iht. EN ISO 13849 |
1 |
| B10D Normally-closed contact (NC) |
2.000.000 koblinger |
| Note |
Electrical life on request. |
| B10D Normally-open contact (NO) |
1.000.000 koblinger |
| Note |
at 10% Ie and ohmic load |
| Brugstid |
20 År |
Klassifikation - fejludlukkelse
| OBS: |
Kan anvendes hvis udelukkelse af fejl for farlig beskadigelse af 1-kanalsmekanismen er tilladt og en tilstrækkelig manipulationsbeskyttelse kan garanteres. |
| Performance Level, til |
d |
| Kategori iht. EN ISO 13849 |
3 |
| Note |
for 2-channel use and with suitable logic unit. |
| Brugstid |
20 År |
Mekaniske data
| Mekanisk levetid, minimum |
1.000.000 koblinger |
| Tvangsåbningsstrækning |
8 mm |
| Positive break force per NC contact, minimum |
10 N |
| Tvangsåbnings kraft, minimum |
20 N |
| Aktiveringshastighed, maksimum |
2 m/s |
| Fastgørelse |
Skruer |
| Version af monteringsskruer |
2x M6 |
Mekaniske data - Tilslutning
| Typeudførelse |
Nederst |
| Kabelføring |
3 x M16 x 1,5 |
| Tilslutning, Stik |
Indbygningsstik M12, 8-polet, A-kodet |
Mekaniske data - afmåling
| Længde på føler |
30 mm |
| Bredde på føler |
52 mm |
| Højde på føler |
90 mm |
Omgivende forhold
| Beskyttelses klasse |
IP67 |
| Ambient temperature |
-30 ... +80 °C |
| Storage and transport temperature |
-40 ... +85 °C |
| Tilladt opstillingshøjde over NN, maksimum |
2.000 m |
Omgivende forhold - Isolationsparametre
| Isolations spænding |
500 V |
| Fastsat impulsmodstandsspænding |
6 kV |
| Overspændingskategori |
III |
| Grad af forurening iht. IEC/EN 60664-1 |
3 |
| Rated impulse withstand voltage, connector 8-pole |
0.8 kV |
Elektrisk data
| Termisk prøvestrøm |
10 A |
| Betinget kortslutningsstrøm iht. EN 60947-5-1 {A} |
1.000 A |
| Koblingselement |
1 Sluttekontakt (NO), 2 Brydekontakt (NC) |
| Koblingsprincip |
slow action, positive break NC contact |
| Koblingsfrekvens |
4.000 /h |
| Materiale til kontakterne, elektrisk |
Sølv |
Elektrisk data - sikkerhedskontakter
| Spænding, brugskategori AC-15 |
230 VAC |
| Strøm, brugskategori AC-15 |
2 A |
| Spænding, brugskategori DC-13 |
24 VDC |
| Strøm, brugskategori DC-13 |
2 A |
| Bemærk, brugskategori DC-13 |
Connector 8-pole |
Elektrisk data - hjælpekontakterne
| Spænding, brugskategori AC-15 |
230 VAC |
| Spænding, brugskategori DC-13 |
24 VDC |
| Strøm, brugskategori DC-13 |
2 A |
| Bemærk, brugskategori DC-13 |
Connector 8-pin |
Inkluderet
| Inkluderet |
Actuator must be ordered separately. |
Sprog filter
Datablad
Driftsvejledning og EU-overensstemmelseserklæring (Short)
UL-certifikat
CCC-certificering
SISTEMA-VDMA bibliotek/library
Hent sidste version af Adobe Reader
Produktbillede (katalogenkeltfoto)
ID: kaz16f02
| 636,2 kB | .jpg | 352.778 x 589.844 mm - 1000 x 1672 px - 72 dpi
| 110,1 kB | .png | 74.083 x 123.825 mm - 210 x 351 px - 72 dpi
| 40,0 kB | .png | 74.083 x 74.083 mm - 210 x 210 px - 72 dpi
| 7,1 MB | .png | 166.55700000000002 x 278.567 mm - 2000 x 3345 px - 305 dpi
| 47,8 kB | .jpg | 73.73100000000001 x 123.47200000000001 mm - 209 x 350 px - 72 dpi
Dimensionstegning, grundlæggende komponent
Diagram
Indholdsfortegnelse
- 1 Om dette dokument
- 1.1 Funktion
- 1.2 Driftsvejledningens målgruppe: autoriseret fagpersonale
- 1.3 Anvendte symboler
- 1.4 Tilsigtet anvendelse
- 1.5 Generelle sikkerhedshenvisninger
- 2 Produktbeskrivelse
- 2.1 Typenøgle
- 2.2 Specialudførelser
- 2.3 Bestemmelse og brug
- 2.4 Advarsel mod forkert brug
- 2.5 Fritagelse for ansvar
- 2.6 Tekniske data
- 3 Montering
- 3.1 Generel montageanvisning
- 3.2 Montering af aktuatoren
- 3.3 Dimensioner
- 4 Elektrisk tilslutning
- 4.1 Generelle informationer til den elektriske tilslutning
- 4.2 Kontaktvarianter
- 5 Idriftsættelse og service
- 6 Demontage og bortskaffelse
- 6.1 Demontage
- 6.2 Bortskaffelse
1 Om dette dokument
1.1 Funktion
Det foreliggende dokument indeholder de nødvendige informationer om montering, idriftsættelse, sikker drift og afmontering af sikkerhedsafbryderen. Driftsvejledningen, der følger med apparatet, skal altid være tilgængelig og læselig.
1.2 Driftsvejledningens målgruppe: autoriseret fagpersonale
Alle arbejdsskridt, der beskrives i denne driftsvejledning, må kun udføres af uddannet fagpersonale der er autoriseret af systemoperatøren.
Du må kun installere udstyret og tage det i brug når du har læst og forstået betjeningsvejledningen og er bekendt med de gældende forskrifter vedrørende arbejdssikkerhed og forebyggelse af ulykker.
Valg og montering af udstyret samt den styringstekniske integrering forudsætter kvalificeret kendskab til de relevante love og maskinproducentens krav i henhold til standarder.
Uden ansvar for oplysningernes rigtighed. Vi forbeholder os ret til ændringer der tjener tekniske fremskridt.
1.3 Anvendte symboler
- Information, Tip, Anvisning: Dette symbol markerer nyttige supplerende informationer.
- Forsigtig: Hvis denne advarsel ikke overholdes, kan det medføre forstyrrelser eller fejlfunktioner.
Advarsel: Hvis denne advarsel ikke overholdes, kan det medføre en personskade og/eller skade på maskinen.
1.4 Tilsigtet anvendelse
Schmersals produktsortiment er ikke beregnet til private forbrugere.
De produkter der beskrives i nærværende vejledning, er udviklet til at overtage sikkerhedsmæssige funktioner som del af et samlet anlæg eller en samlet maskine. Producenten af et anlæg eller en maskine har ansvaret for at sikre funktionen i sin helhed.
Sikkerhedsafbryderen må udelukkende bruges i henhold til følgende forklaringer eller til de formål den er godkendt til af producenten. Du kan finde detaljerede oplysninger om anvendelsesområdet i kapitlet "Produktbeskrivelse".
1.5 Generelle sikkerhedshenvisninger
Sikkerhedsanvisningerne i betjeningsvejledningen samt nationale installations- og sikkerhedsregler samt forskrifter til forebyggelse af ulykker skal overholdes.
- Du kan finde yderligere tekniske informationer i Schmersal katalogerne eller i online-kataloget på internettet på products.schmersal.com.
2 Produktbeskrivelse
2.1 Typenøgle
| Produkttypebetegnelse: AZ 16-(1)ZV(2)K-(3)-(4)-(5) |
| (1) | |
| uden | 1 sluttekontakt (NO)/1 brydekontakt (NC) |
| 02 | 2 brydekontakter (NC) |
| 03 | 3 brydekontakter (NC) |
| 12 | 1 sluttekontakt (NO)/2 brydekontakter (NC) |
| (2) | |
| uden | Udslyngnings kraft |
| R | Holdekraft 30 N |
| (3) | |
| G24 | med LED (kun tilgængelig til versioner med én NO og én NC kontakt.) |
| (4) | |
| M16 | Kabelindgang M16 |
| M20 | Kabelindgang M20 |
| ST | Stik M12, 4-polet, nede |
| STL | Stik M12, 4-polet, venstre |
| STR | Stik M12, 4-polet, højre |
| (5) | |
| 2254 | Holdekraft 5 N |
| 1762 | Forreste montering |
| 1637 | guldbelagte kontakter |
2.2 Specialudførelser
For specialudførelser der ikke er angivet i typenøglen, gælder de ovenfor og nedenfor anførte angivelser på tilsvarende vis i det omfang de stemmer overens med den standardmæssige udførelse.
2.3 Bestemmelse og brug
Sikkerhedsafbryderne med separat aktuator egner sig til beskyttelsesanordninger der kan skubbes til siden, drejes og tages af og som skal være lukkede for at garantere den nødvendige driftssikkerhed.
Sikkerhedskontakterne anvendes i apparater, i hvilke den farlige tilstand afsluttes uden forsinkelse, så snart beskyttelsesanordningen åbnes.
Når beskyttelsesanordningen åbnes, åbnes bryderne tvungent og slutterne lukkes.
- Sikkerhedskontaktanordningerne er klassificeret i henhold til EN ISO 14119 som type 2-koblingsmekanismer.
- Bedømmelse og dimensionering af sikkerhedskæden skal udføres af brugeren i henhold til de relevante standarder og forskrifter og afhængigt af det krævede sikkerhedsniveau.
- Den overordnede styring, som sikkerhedskomponenterne er forbundet med, valideres iht. relevante normer.
2.4 Advarsel mod forkert brug
- Ved usagkyndig brug eller anvendelse til andet end den tilsigtede anvendelse samt manipulationer kan der ved brug af sikkerhedsafbryderen ikke udelukkes farer for personer eller skader på maskin- eller anlægsdele. Når sikkerhedsanvisningerne samt anvisningerne vedrørende montage, idriftsættelse, drift og service overholdes, forekommer der så vidt vides ingen restrisici.
2.5 Fritagelse for ansvar
Vi påtager os intet ansvar for skader og driftsforstyrrelser, der opstår som følge af montagefejl eller tilsidesættelse af denne betjeningsvejledning. Producenten hæfter ikke ved skader, der opstår som følge af, at der benyttes reserve- eller tilbehørsdele, der ikke er godkendt af producenten.
Enhver form for reparationer, ombygninger og forandringer på egen hånd er ikke tilladt af sikkerhedsmæssige grunde og medfører, at producenten fralægger sig ansvaret for eventuelle skader, der opstår som følge heraf.
2.6 Tekniske data
Godkendelser - Forskrifter
| Godkendelser |
cULus CCC |
Globale egenskaber
| Forskrifter |
EN ISO 13849-1 EN ISO 14119 EN IEC 60947-5-1 |
| Kodningstrin ifølge EN ISO 14119 |
lav |
| Aktivt princip |
mekanisk |
| Materiale til kapsling |
Plastik, glasfiberforstærket termoplast, selvslukkende |
| Bruttovægt |
160 g |
Generelle data - egenskaber
| Udslyngningskraft |
Ja |
| Antal aktiverende retninger |
3 |
| Antal sikkerhedskontakter |
2 |
| Antal kabelgennemføringer |
3 |
Klassifikation
| At standardisere, Forskrifter |
EN ISO 13849-1 |
| Performance Level, til |
c |
| Kategori iht. EN ISO 13849 |
1 |
| B10D Normally-closed contact (NC) |
2.000.000 koblinger |
| Note |
Electrical life on request. |
| B10D Normally-open contact (NO) |
1.000.000 koblinger |
| Note |
at 10% Ie and ohmic load |
| Brugstid |
20 År |
Klassifikation - fejludlukkelse
| OBS: |
Kan anvendes hvis udelukkelse af fejl for farlig beskadigelse af 1-kanalsmekanismen er tilladt og en tilstrækkelig manipulationsbeskyttelse kan garanteres. |
| Performance Level, til |
d |
| Kategori iht. EN ISO 13849 |
3 |
| Note |
for 2-channel use and with suitable logic unit. |
| Brugstid |
20 År |
Mekaniske data
| Mekanisk levetid, minimum |
1.000.000 koblinger |
| Tvangsåbningsstrækning |
8 mm |
| Positive break force per NC contact, minimum |
10 N |
| Tvangsåbnings kraft, minimum |
20 N |
| Aktiveringshastighed, maksimum |
2 m/s |
| Fastgørelse |
Skruer |
| Version af monteringsskruer |
2x M6 |
Mekaniske data - Tilslutning
| Typeudførelse |
Nederst |
| Kabelføring |
3 x M16 x 1,5 |
| Tilslutning, Stik |
Indbygningsstik M12, 8-polet, A-kodet |
Mekaniske data - afmåling
| Længde på føler |
30 mm |
| Bredde på føler |
52 mm |
| Højde på føler |
90 mm |
Omgivende forhold
| Beskyttelses klasse |
IP67 |
| Ambient temperature |
-30 ... +80 °C |
| Storage and transport temperature |
-40 ... +85 °C |
| Tilladt opstillingshøjde over NN, maksimum |
2.000 m |
Omgivende forhold - Isolationsparametre
| Isolations spænding |
500 V |
| Fastsat impulsmodstandsspænding |
6 kV |
| Overspændingskategori |
III |
| Grad af forurening iht. IEC/EN 60664-1 |
3 |
| Rated impulse withstand voltage, connector 8-pole |
0.8 kV |
Elektrisk data
| Termisk prøvestrøm |
10 A |
| Betinget kortslutningsstrøm iht. EN 60947-5-1 {A} |
1.000 A |
| Koblingselement |
1 Sluttekontakt (NO), 2 Brydekontakt (NC) |
| Koblingsprincip |
slow action, positive break NC contact |
| Koblingsfrekvens |
4.000 /h |
| Materiale til kontakterne, elektrisk |
Sølv |
Elektrisk data - sikkerhedskontakter
| Spænding, brugskategori AC-15 |
230 VAC |
| Strøm, brugskategori AC-15 |
2 A |
| Spænding, brugskategori DC-13 |
24 VDC |
| Strøm, brugskategori DC-13 |
2 A |
| Bemærk, brugskategori DC-13 |
Connector 8-pole |
Elektrisk data - hjælpekontakterne
| Spænding, brugskategori AC-15 |
230 VAC |
| Spænding, brugskategori DC-13 |
24 VDC |
| Strøm, brugskategori DC-13 |
2 A |
| Bemærk, brugskategori DC-13 |
Connector 8-pin |
Hinweise zur Sicherheitsbetrachtung
Principielt anvendelig op til kat. 1 / PL c.<br />Ved 2-kanals-anvendelse med fejludelukkelsesmekanik (såfremt fejludelukkelse er tilladt for 1-kanals-mekanikken) og egnet logik anvendelig op til kat. 3 / PL d.

(Konstaterede værdier kan variere, afhængigt af de applikationsspecifikke parametre hop, dop og t cycle samt belastningen).
Hvis flere sikkerhedskomponenter er forbundet i serie, er Performance Level i henhold til EN ISO 13849-1 reduceret på grund af reduceret fejlsøgning.
3 Montering
3.1 Generel montageanvisning
- Overhold anvisningerne i standarderne ISO 12100, ISO 14119 og ISO 14120.
Fastgørelsesmålene er angivet på bagsiden af apparatet. Huset må ikke anvendes som anslag.
Monteringspositionen kan frit vælges. Der bør dog vælges en stilling, der ikke tillader, at groft snavs trænger ind i den benyttede åbning. Efter montagen skal de ubenyttede åbninger lukkes med tætningspalerne (AZ 15/16-1476-1 fås som tilbehør).
3.2 Montering af aktuatoren
Siehe Betriebsanleitung Betätiger.
- Aktuatoren skal monteres, så den ikke kan tages af, under overholdelse af korrekte foranstaltninger (anvendelse af engangsskruer, fastklæbning, udboring af skruehoveder, sikring med stift), på afskærmningen og sikres mod at forsyde sig.
| Driftsradius [mm] | ![]() | ![]() | ||
|---|---|---|---|---|
| over aktuatorens smalle side | over aktuatorens brede side | |||
| Rmin | d | Rmin | d | |
| AZ 15/16-B2 | - | - | 45 | 11 |
| AZ 15/16-B2-1747 | - | - | 45 | 11 |
| AZ 15/16-B3 | 32 | 11 | - | - |
| AZ 15/16-B3-1747 | 32 | 11 | - | - |
| AZ 15/16-B6 | 25 | 11 | 38 | 11 |
3.3 Dimensioner
Alle mål i mm.


4 Elektrisk tilslutning
4.1 Generelle informationer til den elektriske tilslutning
- Den elektriske tilslutning må kun udføres i spændingsfri tilstand og af uddannet fagpersonale. Der
Kontaktbetegnelserne er angivet inden i afbryderen. Der skal anvendes egnede kabelforskruninger med tilstrækkelig beskyttelsesklasse til kabelindgangen.
Afsætningslængde x for stigen: 6 mm


Efter en korrekt udført tilslutning inden i afbryderen, skal snavs fjernes. Sikkerhedsafbryderen er dobbelt isoleret. Der kræves derfor ingen jordledning.
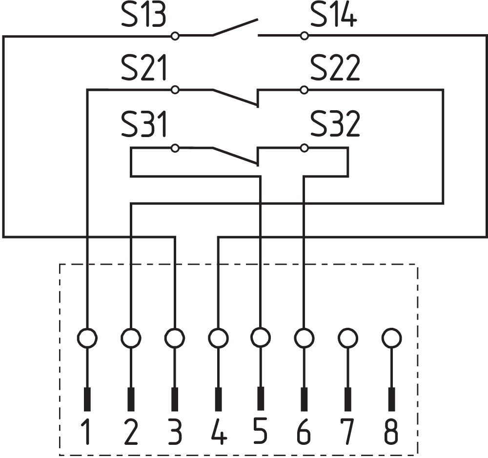
4.2 Kontaktvarianter
Kontakterne er vist med sikkerhedsafskærmningen lukket. Alle brydere tvangsåbnende B.
| AZ 16ZV.K | AZ 16-02ZV.K | AZ 16-12ZV.K |
|---|---|---|
![]() | ![]() | ![]() |
| AZ 16-03ZV.K | AZ 16ZV.K-ST | AZ 16-02ZV.K-ST |
|---|---|---|
![]() | ![]() | ![]() |
| AZ 16-12ZV.K-ST | LED | LED |
|---|---|---|
![]() | ![]() | ![]() |
| Tegnforklaring | |
|---|---|
| B | tvangsåbnende bryder |
![]() | Normal-åben kontakt |
![]() | Normal-lukket kontakt |
5 Idriftsættelse og service
Sikkerhedsafbryderens sikkerhedsfunktion skal testes. Ved korrekt installation og tilsigtet anvendelse arbejder sikkerhedsrelæet servicefrit. Vi anbefaler en regelmæssig syns- og funktionskontrol med følgende trin:
- Kontrol af om aktiveringsorganet er letløbende
- Kabelindgangen og -tilslutningerne er kontrolleret
- Kontrollér, om kontakthuset er beskadiget
- Snavsrester er fjernet
- Der skal sørges for konstruktionsmæssige og organisatoriske foranstaltninger i samtlige faser af sikkerhedsafbryderens levetid for at beskytte mod manipulationer samt for at sikre, at sikkerhedsanordningen ikke kan omgås, f.eks. ved at anvende en ekstra aktuator.
- Beskadigede eller defekte dele skal udskiftes.
6 Demontage og bortskaffelse
6.1 Demontage
Sikkerhedsafbryderen må kun demonteres i spændingsfri tilstand.
6.2 Bortskaffelse
- Sikkerhedsafbryderen skal bortskaffes fagligt korrekt i henhold til de nationale forskrifter og love.
| EU-overensstemmelseserklæring | ![]() |
| Original | K.A. Schmersal GmbH & Co. KG Möddinghofe 30 42279 Wuppertal Germany Internet: www.schmersal.com |
| Forklaring: | Hermed erklærer vi, at de nedenfor anførte komponenter svarer til de nedenfor anførte europæiske direktiver på basis af deres udførelse og konstruktionstype. |
| Komponentens betegnelse: | AZ 15 AZ 16 |
| Type: | se typenøgle |
| Komponentens beskrivelse: | Tvangsbrydende positionsafbryder med separat aktuator til sikkerhedsfunktioner |
| Befuldmægtiget til sammenstilling af den tekniske dokumentation: | Oliver Wacker Möddinghofe 30 42279 Wuppertal |
| Sted og dato for udstedelsen: | Wuppertal, 3. august 2020 |
![]() |
| Forpligtende underskrift Philip Schmersal Direktør |
| UK Declaration of Conformity | ![]() |
| Company: | K.A. Schmersal GmbH & Co. KG Möddinghofe 30 42279 Wuppertal Germany Internet: www.schmersal.com |
| Declaration: | We hereby, under sole responsibility, certify that the hereafter described components both in their basic design and construction conform to the relevant statutory requirements, regulations and designated standards of the United Kingdom. |
| Name of the component: | AZ 15 AZ 16 |
| Type: | See ordering code |
| Description of the component: | Positive break position switch with separate actuator for safety functions |
| Relevant legislation: | Supply of Machinery (Safety) Regulations The Restriction of the Use of Certain Hazardous Substances in Electrical and Electronic Equipment Regulations | 2008 2012 |
| Designated standards: | EN 60947-5-1: 2017 ISO 14119: 2013 |
| UK-Importer / Person authorised for the compilation of the technical documentation: | Schmersal UK Ltd. Paul Kenney Unit 1, Sparrowhawk Close Enigma Business Park Malvern, Worcestershire, WR14 1GL |
| Place and date of issue: | Wuppertal, October 28, 2022 |
![]() |
| Authorised signature Philip Schmersal Managing Director |
Schmersal Danmark A/S, Arnold Nielsens Boulevard 72-74, 2650 Hvidovre
De nævnte data og angivelser er blevet checket omhyggeligt. Billeder kan afvige fra originalen. Der kan findes flere tekniske data i manualen. Der tages forbehold for tekniske ændringer og fejl.
Generated at: 15.04.2026 03.14














