EX-AZM 170-02ZK-P-3GD
EX-AZM 170-02ZK-P-3GD
| Typebenaming van het product: EX-AZM 170-(1)Z(2)K(3)-24VAC/DC-(4)-3G/D |
| (1) | |
| 11 | 1 maakcontact (NO) / 1 verbreekcontact (NC) |
| 02 | 2 verbreekcontacten (NC) |
| (2) | |
| zonder | Arrêteerkracht 5 N |
| R | Arrêteerkracht 30 N |
| (3) | |
| zonder | ruststroomprincipe |
| A | arbeidsstroomprincipe |
| (4) | |
| zonder | hulpontgrendeling |
| 1637 | vergulde contacten |
- Snijklemtechniek
- hulpontgrendeling
- Explosiebeveiliging voor ATEX zones 2 en 22
- 1 kabelingang M 20 x 1.5
- Vergrendeling met sluitbeveiliging
- Hoge vasthoudkracht
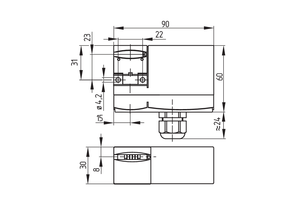
- 90 mm x 84 mm x 30 mm
Bestelvoorbeeld
| Typebenaming van het product |
EX-AZM 170-02ZK-P-3GD |
| Artikelnummer (bestelnummer) |
103049499 |
| EAN (Europees Artikel Nummer) |
4030661624808 |
Certificeringen - Voorschriften
| Certificaten |
ATEX (conformiteitsverklaring) |
Explosiebeveiliging
| Explosiebeveiliging: voorschriften |
EN IEC 60079-0 EN IEC 60079-15 EN 60079-31 |
| Explosiebeveiligingszones |
2 22 |
| Explosiebeveiligingscategorie |
3G 3D |
| Explosiebeveiligingsmarkering |
D II 3G Ex nC IIB T5 Gc X D II 3D Ex tc IIIC T80°C Dc X |
| Verklaring van de fabricant |
ATEX Zone 2 en 22 |
Algemene gegevens
| Voorschriften |
EN IEC 60947-5-1 |
| Codeerniveau volgens EN ISO 14119 |
gering |
| Werkingsprincipe |
elektromechanisch |
| Materiaal van de behuizing |
Kunststof, glasvezelversterkte thermoplast, zelfdovend |
| Brutogewicht |
10 g |
Algemene gegevens - Eigenschappen
| ruststroomprincipe |
Ja |
| hulpontgrendeling |
Ja |
| Aantal veiligheidscontacten |
2 |
Classificatie
| Voorschriften |
EN ISO 13849-1 |
| Performance Level, tot |
c |
| Sturingscategorie |
1 |
| B10D verbreekcontact (NC) |
2.000.000 schakelingen |
| Opmerking |
Elektrische levensduur op aanvraag. |
| B10D Maakcontact (NO) |
1.000.000 schakelingen |
| Gebruiksduur |
20 Jaar (Jaren) |
Classificatie - Foutuitsluiting
| Performance Level, tot |
d |
| Sturingscategorie |
3 |
| Opmerking |
voor 2-kanaals gebruik en met geschikte logische eenheid. |
| Gebruiksduur |
20 Jaar (Jaren) |
Veiligheidsclassificatie - Vergrendelfunctie
| Performance Level, tot |
e |
| Opmerking (prestatieniveau) |
Informatie voor de veiligheidsbeoordeling van de vergrendelingsfunctie van de afscherming is gedocumenteerd in de bedieningsinstructies of in de instructies voor "bediening en installatie". |
Mechanische gegevens
| Mechanische levensduurduur, minimum |
1.000.000 schakelingen |
| Slagenergie, maximum |
7 J |
| Blokkeerkracht |
1.000 N |
| Arrêteerkracht |
5 N |
| gedwongen verbrekingsweg |
11 mm |
| Gedwongen verbrekingskracht, minimum |
17 N |
| Max. bedieningssnelheid |
1 m/s |
| Bevestiging |
Schroeven |
| Ontwerp van de schroefkop |
Platkopschroef |
| Aandraaimoment voor de bevestigingsschroeven van het toesteldeksel, minimum |
0,4 Nm |
| Aandraaimoment voor de bevestigingsschroeven van het toesteldeksel, maximum |
0,5 Nm |
| Aandraaimoment van de kabelschroefverbinding |
4,5 Nm |
Mechanische gegevens - Aansluittechniek
| aansluitwijze |
Snijklemtechniek |
| Klembereik van de kabelwartel, minimum |
6,5 mm |
| Klembereik van de kabelwartel, maximum |
12 mm |
| Draaddoorsnede, minimum |
1 x 0,75 mm², flexibel |
| Kabeldoorsnede, maximum |
1 x 1 mm², flexibel |
| Toegelaten kabeltype |
Stijve massieve draad Flexibel |
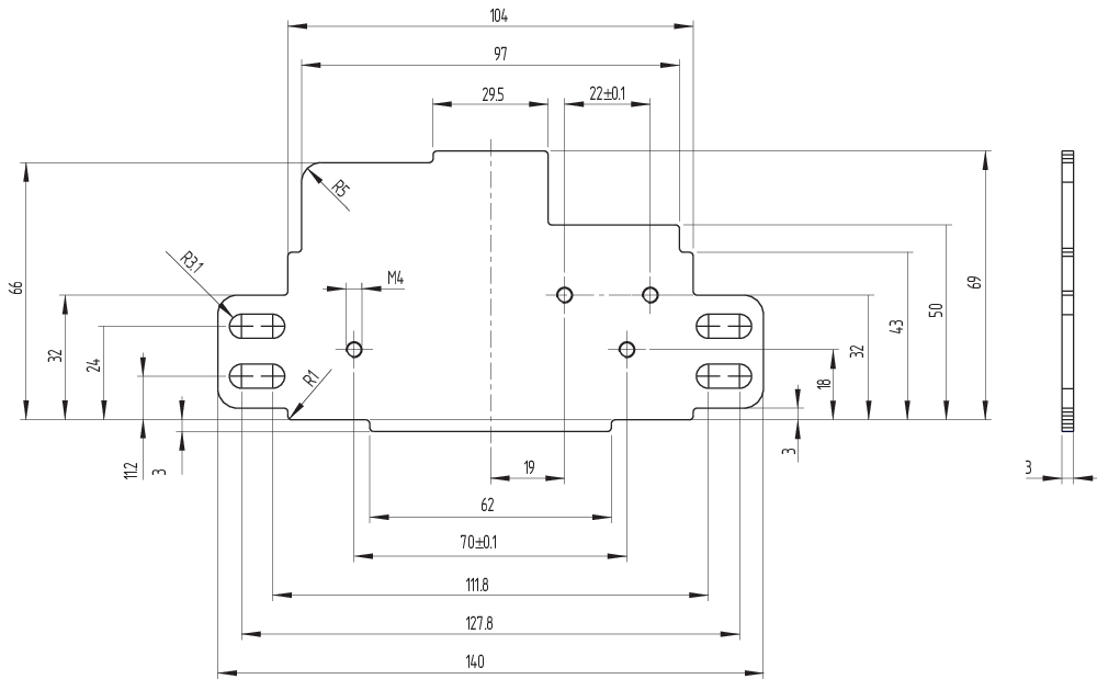
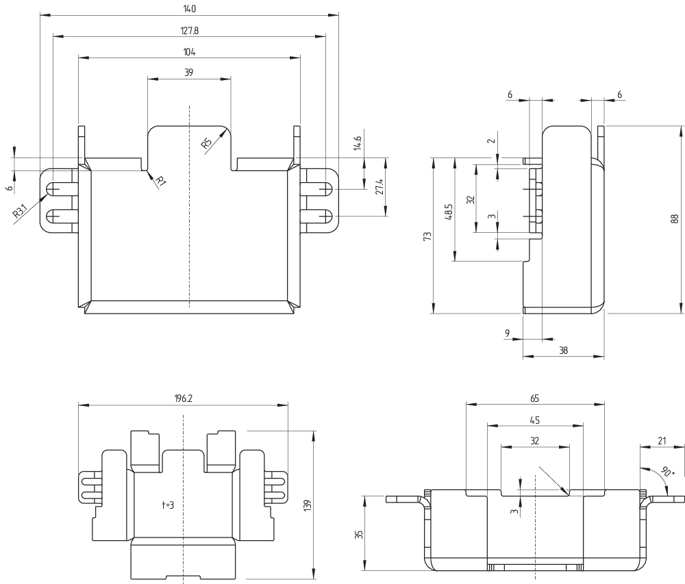
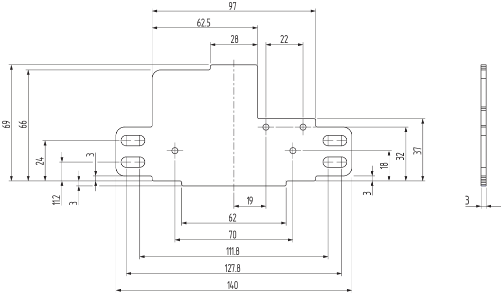
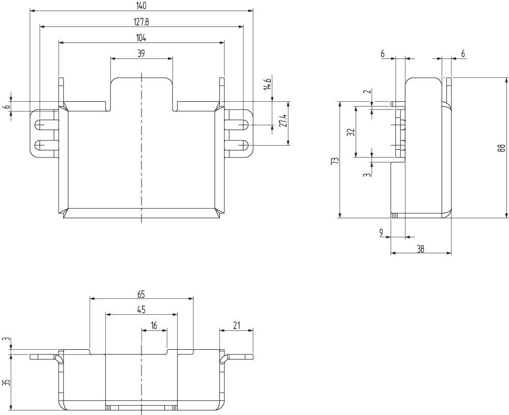
Mechanische gegevens - Afmetingen
| Lengte |
38 mm |
| Breedte |
140 mm |
| Hoogte |
88 mm |
Omgevingsvoorwaarden
| Afdichtingsgraad |
IP67 |
| Omgevingstemperatuur |
-15 ... +45 °C |
| Opmerking (relatieve vochtigheid) |
niet-condenserend geen berijping |
Omgevingsvoorwaarden - Isolatieparameters
| Nominale isolatiespanning Ui |
250 VAC |
| Nominale impulsspanningsvastheid Uimp |
4 kV |
Elektrische gegevens
| Thermische stroom |
2 A |
| Nominale voedingsspanning |
24 VAC |
| Nominale voedingsspanning |
24 VDC |
| Gebruikscategorie AC-15 |
230 VAC |
| Gebruikscategorie AC-15 |
2 A |
| Gebruikscategorie DC-13 |
24 VDC |
| Gebruikscategorie DC-13 |
2 A |
| Stroomverbruik, maximum |
10 W |
| Schakelelement |
Verbreekcontact (NG) |
| Schakelprincipe |
Tastschakeling |
| Maximale schakelfrequentie |
1.000 /h |
| Materiaal van de contacten, elektrisch |
Zilver |
Elektrische gegevens - magneetaansturing IN
| Inschakelduur magneet |
100 % |
| Testimpulsduur, maximum |
5 ms |
| Testimpulsinterval, minimum |
50 ms |
Leveringsomvang
| Leveringsomvang |
De actuator wordt niet meegeleverd. Inclusief EX kabelwartel en sluitschroef De beschermende behuizing wordt meegeleverd. |
Opmerking
| Opmerking (algemeen) |
De snijklemtechniek maakt een gemakkelijke aansluiting van flexibele kabels zonder gebruik van adereindhulzen mogelijk. |
| Opmerking (hulpontgrendeling) |
onder Voor manuele ontgrendeling met driekantsleutel M5, als toebehoren verkrijgbaar |
Taalfilter
Datasheet
Bedieningshandleiding en conformiteitsverklaring
SISTEMA-VDMA-bibliotheek/library
Download de nieuwste versie van Adobe Reader
Foto van het product (individuele catalogusfoto)
ID: kxazm1f10
| 307,6 kB | .jpg | 352.778 x 242.006 mm - 1000 x 686 px - 72 dpi
| 34,7 kB | .png | 74.083 x 50.8 mm - 210 x 144 px - 72 dpi
| 281,3 kB | .jpg | 352.778 x 242.006 mm - 1000 x 686 px - 72 dpi
| 33,8 kB | .png | 74.083 x 50.800000000000004 mm - 210 x 144 px - 72 dpi
| 33,8 kB | .png | 74.083 x 50.8 mm - 210 x 144 px - 72 dpi
| 31,9 kB | .png | 74.083 x 74.083 mm - 210 x 210 px - 72 dpi
| 2,7 MB | .png | 169.333 x 116.16300000000001 mm - 2000 x 1372 px - 300 dpi
| 39,3 kB | .jpg | 123.47200000000001 x 84.667 mm - 350 x 240 px - 72 dpi
Maatschets basistoestel
Maatschets basistoestel
Maatschets basistoestel
Maatschets basistoestel
Schakelwegdiagram
Contactschema
Montagevoorbeeld
ID: kazm1m06
Werkwijze, werkingsprincipe
| EU-conformiteitsverklaring | ![]() |
| Original | K.A. Schmersal GmbH & Co. KG Möddinghofe 30 42279 Wuppertal Germany Internet: www.schmersal.com |
| Verklaring: | Hiermee verklaren wij dat de hieronder beschreven producten op grond van hun ontwerp en constructie beantwoorden aan de relevante Europese Richtlijnen. |
| Benaming van de component: | EX-AZM170 EX-AZM170 I |
| Type: | zie bestelsleutel |
| Markering: | D II 3G Ex nC IIB T5 Gc D II 3D Ex tc IIIC T80°C Dc |
| Beschrijving van de component: | Vergrendelvoorziening met elektromagnetische vergrendeling voor veiligheidsfuncties |
| Geharmoniseerde Richtlijnen: | Machinerichtlijn | 2006/42/EG |
| EMC-Richtlijn | 2014/30/EU | |
| Explosiebeveiligingsrichtlijn (ATEX) | 2014/34/EU | |
| RoHS-Richtlijn | 2011/65/EU |
| Toegepaste normen: | EN 60947-5-1:2017 + AC:2020 EN ISO 14119:2014 EN IEC 60079-0:2018 + AC:2020 EN IEC 60079-15:2019 EN 60079-31:2014 |
| Gemachtigde voor het samenstellen van de technische documentatie: | Oliver Wacker Möddinghofe 30 42279 Wuppertal |
| Plaats en datum van opstelling: | Wuppertal, 23. april 2025 |
![]() |
| Rechtsgeldige handtekening Philip Schmersal Directeur |
Schmersal Nederland B.V., Lorentzstraat 31, 3846 AV Harderwijk
De genoemde gegevens en informatie zijn zorgvuldig gecontroleerd. Afbeeldingen kunnen afwijken van het origineel. Verdere technische gegevens zijn te vinden in de handleiding. Technische wijzigingen en fouten voorbehouden.
Generated at: 15-04-2026 08:22

