AZM 161CC-12/12KAT-024
AZM 161CC-12/12KAT-024
- großer Anschlussraum
- Fluchtentriegelung
- 4 Leitungseinführungen M 16 x 1.5
- Kunststoffgehäuse
- schutzisoliert
- Fehlschließsichere Zuhaltung
- 130 mm x 90 mm x 30 mm
- 6 Kontakte
- hohe Lebensdauer
Bestelldaten
| Produkt-Typbezeichnung |
AZM 161CC-12/12KAT-024 |
| Artikelnummer (Bestellnummer) |
101195730 |
| EAN (European Article Number) |
4030661362342 |
| eCl@ss Nummer, Version 12.0 |
27-27-26-03 |
| eCl@ss Nummer, Version 11.0 |
27-27-26-03 |
| eCl@ss Nummer, Version 9.0 |
27-27-26-03 |
| ETIM Nummer, Version 7.0 |
EC002593 |
| ETIM Nummer, Version 6.0 |
EC002593 |
Zulassungen - Vorschriften
| Zertifikate |
IFA cULus CCC |
Allgemeine Daten
| Vorschriften |
EN ISO 13849-1 EN ISO 14119 EN IEC 60947-5-1 |
| Codierstufe gemäß EN ISO 14119 |
gering |
| Wirkprinzip |
elektromechanisch |
| Werkstoff des Gehäuses |
Kunststoff, glasfaserverstärkter Thermoplast, selbstverlöschend |
| Bruttogewicht |
425 g |
Allgemeine Daten - Eigenschaften
| Arbeitsstromprinzip |
Ja |
| Fluchtentriegelung |
Ja |
| Anzahl der Anfahrrichtungen |
3 |
| Anzahl der Hilfskontakte |
2 |
| Anzahl der Sicherheitskontakte |
4 |
Sicherheitsbetrachtung
| Vorschriften |
EN ISO 13849-1 |
| Performance Level, bis |
c |
| Kategorie |
1 |
| B10D Öffner (NC) |
2.000.000 Schaltspiele |
| Hinweis |
Elektrische Lebensdauer auf Anfrage. |
| B10D Schließer (NO) |
1.000.000 Schaltspiele |
| Hinweis |
bei 10% Ie und ohmscher Last |
| Gebrauchsdauer |
20 Jahre |
Sicherheitsbetrachtung - Fehlerausschluss
| Bitte beachten: |
Einsetzbar wenn ein Fehlerausschluss für eine gefahrbringende Beschädigung der 1-kanaligen Mechanik zulässig ist und ein ausreichender Manipulationsschutz gewährleistet ist. |
| Performance Level, bis |
d |
| Kategorie |
3 |
| Hinweis |
bei 2-kanaligen Einsatz und mit geeignter Logik-Einheit. |
| Gebrauchsdauer |
20 Jahre |
Mechanische Daten
| Mechanische Lebensdauer, minimum |
1.000.000 Schaltspiele |
| Betätigerspiel in Betätigungsrichtung |
5,5 mm |
| Zuhaltekraft FZh gemäß EN ISO 14119 |
2.000 N |
| Zuhaltekraft Fmax, maximum |
2.600 N |
| Rastkraft |
5 N |
| Zwangsöffnungsweg |
10 mm |
| Zwangsöffnungskraft je Öffnerkontakt, minimum |
10 N |
| Zwangsöffnungskraft, minimum |
20 N |
| Betätigungsgeschwindigkeit, maximum |
2 m/s |
| Befestigung |
Schrauben |
| Ausführung der Befestigungsschrauben |
3x M5 |
| Ausführung des Schraubenkopfes |
Flachkopfschraube |
| Anzugsdrehmoment der Befestigungsschrauben für den Gehäusedeckel |
0,6 Nm |
| Hinweis |
Die Anzugsreihenfolge der Deckelschrauben ist zu beachten. Diese ist der angehängten Zeichnung in dem Reiter „Abbildungen“ zu entnehmen. |
Mechanische Daten - Anschlusstechnik
| Leitungseinführung |
4 x M16 x 1,5 |
| Anschlussart |
Federkraftklemmen |
| Anschlussquerschnitt, minimum |
0,25 mm² |
| Anschlussquerschnitt, maximum |
1,5 mm² |
| Hinweis |
Alle Angaben einschließlich Aderendhülsen. |
| Zulässige Art der Leitung |
Starr eindrähtig Starr mehrdrähtig Flexibel |
Mechanische Daten - Abmessungen
| Länge des Sensors |
30 mm |
| Breite des Sensors |
130 mm |
| Höhe des Sensors |
90 mm |
Umgebungsbedingungen
| Schutzart |
IP67 |
| Umgebungstemperatur |
-30 ... +60 °C |
| Lager- und Transporttemperatur |
-30 ... +85 °C |
| Hinweis (Relative Feuchtigkeit) |
nicht kondensierend nicht vereisend |
| Schutzklasse |
II |
| Zulässige Aufstellhöhe über NN, maximum |
2.000 m |
Umgebungsbedingungen - Isolationskennwerte
| Bemessungsisolationsspannung Ui |
250 VAC |
| Bemessungsstoßspannungsfestigkeit Uimp |
4 kV |
Elektrische Daten
| Thermischer Dauerstrom |
6 A |
| Bemessungssteuerspeisespannung |
24 VAC/DC |
| Bedingter Bemessungskurzschlussstrom |
1.000 A |
| Elektrische Leistungsaufnahme, maximum |
10 W |
| Schaltelement |
Schließer (NO), Öffner (NC) |
| Schaltprinzip |
Schleichschaltung, zwangsöffnender Öffner |
| Maximale Schalthäufigkeit |
1.000 /h |
| Werkstoff der Kontakte, elektrisch |
Silber |
Elektrische Daten - Magnetansteuerung
| Einschaltdauer Magnet |
100 % |
| Testpulsdauer, maximum |
5 ms |
| Testpulsintervall, minimum |
50 ms |
Elektrische Daten - Sicherheitskontakte
| Spannung, Gebrauchskategorie AC-15 |
230 VAC |
| Strom, Gebrauchskategorie AC-15 |
4 A |
| Spannung, Gebrauchskategorie DC-13 |
24 VDC |
| Strom, Gebrauchskategorie DC-13 |
4 A |
Elektrische Daten - Hilfskontakte
| Spannung, Gebrauchskategorie AC-15 |
230 VAC |
| Strom, Gebrauchskategorie AC-15 |
4 A |
| Spannung, Gebrauchskategorie DC-13 |
24 VDC |
| Strom, Gebrauchskategorie DC-13 |
4 A |
Sonstige Daten
| Hinweis (Applikationsanwendungen) |
verschiebbare Schutzeinrichtung abnehmbare Schutzeinrichtung drehbare Schutzeinrichtung |
Lieferumfang
| Lieferumfang |
Der Betätiger ist nicht im Lieferumfang enthalten. |
Hinweis
| Hinweis (Allgemein) |
Da bei Spannungsausfall bzw. Betätigen des Hauptschalters die Schutzeinrichtung unmittelbar geöffnet werden kann, dürfen die Sicherheitszuhaltungen mit Arbeitsstromprinzip nur in Sonderfällen nach strengen Bewertung des Unfallrisikos verwendet werden. |
| Hinweis (Fluchtentriegelung) |
Im Notfall Betätigung innerhalb des Gefahrenbereiches |
Sprachfilter
Datenblatt
Betriebsanleitung und Konformitätserklärung (Short)
UL-Zertifikat
DGUV-Zertifikat
CCC-Zertifikat
Kunden-Info
SISTEMA-VDMA Bibliothek/Library
Download der aktuellen Version von Adobe Reader
Produktbild (Katalogeinzelphoto )
ID: kazm1f95
| 271,9 kB | .jpg | 352.778 x 257.528 mm - 1000 x 730 Pixel - 72 dpi
| 33,3 kB | .png | 74.083 x 53.975 mm - 210 x 153 Pixel - 72 dpi
| 31,8 kB | .png | 74.083 x 74.083 mm - 210 x 210 Pixel - 72 dpi
| 2,7 MB | .png | 169.333 x 123.613 mm - 2000 x 1460 Pixel - 300 dpi
| 36,3 kB | .jpg | 123.47200000000001 x 90.311 mm - 350 x 256 Pixel - 72 dpi
Maßzeichnung Grundgerät
Maßzeichnung Grundgerät
Schaltwegdiagramm
Kontaktbild
Inhaltsverzeichnis
- 1 Zu diesem Dokument
- 1.1 Funktion
- 1.2 Zielgruppe der Betriebsanleitung: autorisiertes Fachpersonal
- 1.3 Verwendete Symbolik
- 1.4 Bestimmungsgemäßer Gebrauch
- 1.5 Allgemeine Sicherheitshinweise
- 2 Produktbeschreibung
- 2.1 Typenschlüssel
- 2.2 Sonderausführungen
- 2.3 Bestimmung und Gebrauch
- 2.4 Warnung vor Fehlgebrauch
- 2.5 Haftungsausschluss
- 2.6 Technische Daten
- 3 Montage
- 3.1 Allgemeine Montagehinweise
- 3.2 Abmessungen
- 3.3 Hilfsentriegelung
- 3.4 Notentsperrung (Bestellindex -N)
- 3.5 Fluchtentriegelung
- 4 Elektrischer Anschluss
- 4.1 Allgemeine Hinweise zum elektrischen Anschluss
- 4.2 Kontaktvarianten
- 5 Inbetriebnahme und Wartung
- 6 Demontage und Entsorgung
- 6.1 Demontage
- 6.2 Entsorgung
1 Zu diesem Dokument
1.1 Funktion
Das vorliegende Dokument liefert die erforderlichen Informationen für die Montage, die Inbetriebnahme, den sicheren Betrieb sowie die Demontage des Sicherheitsschaltgerätes. Die dem Gerät beiliegende Betriebsanleitung ist stets in einem leserlichen Zustand und zugänglich aufzubewahren.
1.2 Zielgruppe der Betriebsanleitung: autorisiertes Fachpersonal
Sämtliche in der Betriebsanleitung beschriebenen Handhabungen dürfen nur durch ausgebildetes und vom Anlagenbetreiber autorisiertes Fachpersonal durchgeführt werden.
Installieren und nehmen Sie das Gerät nur dann in Betrieb, wenn Sie die Betriebsanleitung gelesen und verstanden haben und Sie mit den geltenden Vorschriften über Arbeitssicherheit und Unfallverhütung vertraut sind.
Auswahl und Einbau der Geräte sowie ihre steuerungstechnische Einbindung sind an eine qualifizierte Kenntnis der einschlägigen Gesetze und normativen Anforderungen durch den Maschinenhersteller geknüpft.
Alle Angaben ohne Gewähr. Änderungen, die dem technischen Fortschritt dienen, vorbehalten.
1.3 Verwendete Symbolik
- Information, Tipp, Hinweis: Dieses Symbol kennzeichnet hilfreiche Zusatzinformationen.
- Vorsicht: Bei Nichtbeachten dieses Warnhinweises können Störungen oder Fehlfunktionen die Folge sein.
Warnung: Bei Nichtbeachten dieses Warnhinweises kann ein Personenschaden und/oder ein Schaden an der Maschine die Folge sein.
1.4 Bestimmungsgemäßer Gebrauch
Das Schmersal-Lieferprogramm ist nicht für den privaten Verbraucher bestimmt.
Die hier beschriebenen Produkte wurden entwickelt, um als Teil einer Gesamtanlage oder Maschine sicherheitsgerichtete Funktionen zu übernehmen. Es liegt im Verantwortungsbereich des Herstellers einer Anlage oder Maschine, die korrekte Gesamtfunktion sicherzustellen.
Das Sicherheitsschaltgerät darf ausschließlich entsprechend der folgenden Ausführungen oder für durch den Hersteller zugelassene Anwendungen eingesetzt werden. Detaillierte Angaben zum Einsatzbereich finden Sie im Kapitel „Produktbeschreibung".
1.5 Allgemeine Sicherheitshinweise
Die Sicherheitshinweise der Betriebsanleitung sowie landesspezifische Installations-, Sicherheits- und Unfallverhütungsvorschriften sind zu beachten.
- Weitere technische Informationen entnehmen Sie bitte den Schmersal Katalogen bzw. dem Online-Katalog im Internet unter products.schmersal.com.
2 Produktbeschreibung
2.1 Typenschlüssel
| Produkt-Typbezeichnung: AZM161 (1)-(2)(3)K(4)-(5)/(6)-(7)(8) |
| (1) | |
| SK | Schraubklemmen |
| CC | Federkraftklemmen |
| ST | Einbaustecker M12 |
| (2) | |
| 11/03 | Magnet: 1 Schließer (NO), 1 Öffner (NC) / Betätiger: 3 Öffner (NC) mit Einbaustecker |
| 12/03 | Magnet: 1 Schließer (NO), 2 Öffner (NC) / Betätiger: 3 Öffner (NC) |
| 12/11 | Magnet: 1 Schließer (NO), 2 Öffner (NC) / Betätiger: 1 Schließer (NO), 1 Öffner (NC) mit Einbaustecker |
| 11/12 | Magnet: 1 Schließer (NO), 1 Öffner (NC) / Betätiger: 1 Schließer (NO), 2 Öffner (NC) mit Einbaustecker |
| 12/12 | Magnet: 1 Schließer (NO), 2 Öffner (NC) / Betätiger: 1 Schließer (NO), 2 Öffner (NC) |
| (3) | |
| ohne | Rastkraft 5 N |
| R | Rastkraft 30 N |
| (4) | |
| ohne | Ruhestromprinzip |
| A | Arbeitsstromprinzip |
| (5) | |
| ohne | Hilfsentriegelung seitlich |
| ED | Hilfsentriegelung deckelseitig |
| EU | Hilfsentriegelung rückseitig |
| (6) | |
| T | Fluchtentriegelung seitlich |
| TD | Fluchtentriegelung deckelseitig |
| TU | Fluchtentriegelung rückseitig |
| N | Notentsperrung |
| (7) | |
| 024 | Us: 24 VAC/DC |
| 110/230 | Us: 110/230 VAC |
| (8) | |
| ohne | ohne LED |
| G | mit LED (Nur für Us: 24 VAC/DC) |
2.2 Sonderausführungen
Für Sonderausführungen, die nicht im Typenschlüssel aufgeführt sind, gelten die vor- und nachgenannten Angaben sinngemäß, soweit diese mit der serienmäßigen Ausführung übereinstimmen.
2.3 Bestimmung und Gebrauch
Die Sicherheitszuhaltung stellt im Zusammenwirken mit dem steuerungstechnischen Teil der Maschine sicher, dass eine bewegliche Schutzeinrichtung nicht geöffnet werden kann, bis gefahrbringende Zustände beendet sind.
- Sicherheitszuhaltungen mit Arbeitsstromprinzip dürfen nur in Sonderfällen nach einer strengen Bewertung des Unfallrisikos verwendet werde, da bei Spannungsausfall bzw. Betätigen des Hauptschalters die Schutzeinrichtung unmittelbar geöffnet werden kann.
- Die Sicherheitsschaltgeräte sind gemäß EN ISO 14119 als Bauart 2-Verriegelungseinrichtungen klassifiziert.
- Die Bewertung und Auslegung der Sicherheitskette ist vom Anwender entsprechend der relevanten Normen und Vorschriften und in Abhängigkeit vom erforderlichen Sicherheitsniveau vorzunehmen.
- Das Gesamtkonzept der Steuerung, in welche die Sicherheitskomponente eingebunden wird, ist nach den relevanten Normen zu validieren.
2.4 Warnung vor Fehlgebrauch
- Bei nicht sachgerechter oder nicht bestimmungsgemäßer Verwendung oder Manipulationen können durch den Einsatz des Sicherheitsschaltgerätes Gefahren für Personen oder Schäden an Maschinen- bzw. Anlagenteilen nicht ausgeschlossen werden. Restrisiken sind bei Beachtung der Hinweise zur Sicherheit sowie der Anweisungen bezüglich Montage, Inbetriebnahme, Betrieb und Wartung nicht bekannt.
2.5 Haftungsausschluss
Für Schäden und Betriebsstörungen, die durch Montagefehler oder Nichtbeachtung der Betriebsanleitung entstehen, wird keine Haftung übernommen. Für Schäden, die aus der Verwendung von nicht durch den Hersteller freigegebenen Ersatz- oder Zubehörteilen resultieren, ist jede weitere Haftung des Herstellers ausgeschlossen.
Jegliche eigenmächtige Reparaturen, Umbauten und Veränderungen sind aus Sicherheitsgründen nicht gestattet und schließen eine Haftung des Herstellers für daraus resultierende Schäden aus.
2.6 Technische Daten
Zulassungen - Vorschriften
| Zertifikate |
IFA cULus CCC |
Allgemeine Daten
| Vorschriften |
EN ISO 13849-1 EN ISO 14119 EN IEC 60947-5-1 |
| Codierstufe gemäß EN ISO 14119 |
gering |
| Wirkprinzip |
elektromechanisch |
| Werkstoff des Gehäuses |
Kunststoff, glasfaserverstärkter Thermoplast, selbstverlöschend |
| Bruttogewicht |
425 g |
Allgemeine Daten - Eigenschaften
| Arbeitsstromprinzip |
Ja |
| Fluchtentriegelung |
Ja |
| Anzahl der Anfahrrichtungen |
3 |
| Anzahl der Hilfskontakte |
2 |
| Anzahl der Sicherheitskontakte |
4 |
Sicherheitsbetrachtung
| Vorschriften |
EN ISO 13849-1 |
| Performance Level, bis |
c |
| Kategorie |
1 |
| B10D Öffner (NC) |
2.000.000 Schaltspiele |
| Hinweis |
Elektrische Lebensdauer auf Anfrage. |
| B10D Schließer (NO) |
1.000.000 Schaltspiele |
| Hinweis |
bei 10% Ie und ohmscher Last |
| Gebrauchsdauer |
20 Jahre |
Sicherheitsbetrachtung - Fehlerausschluss
| Bitte beachten: |
Einsetzbar wenn ein Fehlerausschluss für eine gefahrbringende Beschädigung der 1-kanaligen Mechanik zulässig ist und ein ausreichender Manipulationsschutz gewährleistet ist. |
| Performance Level, bis |
d |
| Kategorie |
3 |
| Hinweis |
bei 2-kanaligen Einsatz und mit geeignter Logik-Einheit. |
| Gebrauchsdauer |
20 Jahre |
Mechanische Daten
| Mechanische Lebensdauer, minimum |
1.000.000 Schaltspiele |
| Betätigerspiel in Betätigungsrichtung |
5,5 mm |
| Zuhaltekraft FZh gemäß EN ISO 14119 |
2.000 N |
| Zuhaltekraft Fmax, maximum |
2.600 N |
| Rastkraft |
5 N |
| Zwangsöffnungsweg |
10 mm |
| Zwangsöffnungskraft je Öffnerkontakt, minimum |
10 N |
| Zwangsöffnungskraft, minimum |
20 N |
| Betätigungsgeschwindigkeit, maximum |
2 m/s |
| Befestigung |
Schrauben |
| Ausführung der Befestigungsschrauben |
3x M5 |
| Ausführung des Schraubenkopfes |
Flachkopfschraube |
| Anzugsdrehmoment der Befestigungsschrauben für den Gehäusedeckel |
0,6 Nm |
| Hinweis |
Die Anzugsreihenfolge der Deckelschrauben ist zu beachten. Diese ist der angehängten Zeichnung in dem Reiter „Abbildungen“ zu entnehmen. |
Mechanische Daten - Anschlusstechnik
| Leitungseinführung |
4 x M16 x 1,5 |
| Anschlussart |
Federkraftklemmen |
| Anschlussquerschnitt, minimum |
0,25 mm² |
| Anschlussquerschnitt, maximum |
1,5 mm² |
| Hinweis |
Alle Angaben einschließlich Aderendhülsen. |
| Zulässige Art der Leitung |
Starr eindrähtig Starr mehrdrähtig Flexibel |
Mechanische Daten - Abmessungen
| Länge des Sensors |
30 mm |
| Breite des Sensors |
130 mm |
| Höhe des Sensors |
90 mm |
Umgebungsbedingungen
| Schutzart |
IP67 |
| Umgebungstemperatur |
-30 ... +60 °C |
| Lager- und Transporttemperatur |
-30 ... +85 °C |
| Hinweis (Relative Feuchtigkeit) |
nicht kondensierend nicht vereisend |
| Schutzklasse |
II |
| Zulässige Aufstellhöhe über NN, maximum |
2.000 m |
Umgebungsbedingungen - Isolationskennwerte
| Bemessungsisolationsspannung Ui |
250 VAC |
| Bemessungsstoßspannungsfestigkeit Uimp |
4 kV |
Elektrische Daten
| Thermischer Dauerstrom |
6 A |
| Bemessungssteuerspeisespannung |
24 VAC/DC |
| Bedingter Bemessungskurzschlussstrom |
1.000 A |
| Elektrische Leistungsaufnahme, maximum |
10 W |
| Schaltelement |
Schließer (NO), Öffner (NC) |
| Schaltprinzip |
Schleichschaltung, zwangsöffnender Öffner |
| Maximale Schalthäufigkeit |
1.000 /h |
| Werkstoff der Kontakte, elektrisch |
Silber |
Elektrische Daten - Magnetansteuerung
| Einschaltdauer Magnet |
100 % |
| Testpulsdauer, maximum |
5 ms |
| Testpulsintervall, minimum |
50 ms |
Elektrische Daten - Sicherheitskontakte
| Spannung, Gebrauchskategorie AC-15 |
230 VAC |
| Strom, Gebrauchskategorie AC-15 |
4 A |
| Spannung, Gebrauchskategorie DC-13 |
24 VDC |
| Strom, Gebrauchskategorie DC-13 |
4 A |
Elektrische Daten - Hilfskontakte
| Spannung, Gebrauchskategorie AC-15 |
230 VAC |
| Strom, Gebrauchskategorie AC-15 |
4 A |
| Spannung, Gebrauchskategorie DC-13 |
24 VDC |
| Strom, Gebrauchskategorie DC-13 |
4 A |
Sonstige Daten
| Hinweis (Applikationsanwendungen) |
verschiebbare Schutzeinrichtung abnehmbare Schutzeinrichtung drehbare Schutzeinrichtung |
Hinweise zur Sicherheitsbetrachtung
- Sicherheitsbetrachtung der Verriegelungsfunktion
Grundsätzlich einsetzbar bis Kat. 1 / PL c.
Bei 2-kanaligem Einsatz mit Fehlerausschluss Mechanik (wenn ein Fehlerausschluss für die 1-kanalige Mechanik zulässig ist) und geeigneter Logik einsetzbar bis Kat. 3 / PL d.

(Ermittelte Werte können in Abhängigkeit der applikationsspezifischen Parameter hop, dop und tcycle sowie der Last variieren.)
Werden mehrere Sicherheitskomponenten in Reihe geschaltet, wird der Performance Level nach EN ISO 13849-1 aufgrund verringerter Fehlererkennung unter Umständen reduziert.
- Sicherheitsbetrachtung der Zuhaltefunktion
Bei Einsatz des Gerätes als Zuhaltung für den Personenschutz ist eine Sicherheitsbetrachtung der Zuhaltefunktion erforderlich. Bei der Sicherheitsbetrachtung der Zuhaltefunktion ist zwischen der Überwachung der Verriegelungsfunktion und der Ansteuerung der Entsperrfunktion zu unterscheiden. Die nachfolgende Sicherheitsbetrachtung der Entsperrfunktion basiert auf der Anwendung des Prinzips der sicheren Energietrennung für die Magnetversorgung.
- Die Sicherheitsbetrachtung der Entsperrfunktion ist nur gültig für Geräte mit überwachter Zuhaltefunktion in Ruhestromausführung (vgl. Typenschlüssel).
Durch eine sichere Energietrennung von außen kann ein Fehlerausschluss für die Sperrvorrichtung der Zuhaltung angenommen werden. Die Sperrvorrichtung der Zuhaltung trägt in diesem Fall nicht zur Ausfallwahrscheinlichkeit der Entsperrfunktion bei. Das Sicherheitsniveau der Entsperrfunktion wird somit ausschließlich von der externen sicheren Energieabschaltung bestimmt.

| Legende | |
|---|---|
| ¢ | Sichere Energieabschaltung |
| ƒ | Sicherheitszuhaltung |
| ¥ | Zuhaltefunktion |
- Die Fehlerausschlüsse für die Leitungsverlegung sind zu beachten.
- Falls in einer Anwendung die Ruhestromausführung einer Sicherheitszuhaltung nicht eingesetzt werden kann, so ist für diesen Ausnahmefall eine Zuhaltung mit Arbeitsstromprinzip verwendbar, wenn zusätzliche Sicherheitsmaßnahmen realisiert werden, welche ein gleichwertiges Sicherheitsniveau herstellen.
UL-Hinweis
- Verwenden Sie Verbindungsstücke des Typs 4X (für Innenräume) und 12. Anzugsdrehmoment: 4,4 lb in.
3 Montage
3.1 Allgemeine Montagehinweise
- Bitte beachten Sie die Hinweise der Normen EN ISO 12100, EN ISO 14119 und EN ISO 14120.
Zur Befestigung des Gehäuses sind drei Bohrungen vorhanden. Die Sicherheitszuhaltung ist schutzisoliert. Ein Schutzleiter ist nicht zulässig. Die Sicherheitszuhaltung darf nicht als Anschlag benutzt werden. Die Gebrauchslage ist beliebig. Sie sollte jedoch so gewählt werden, dass kein grober Schmutz in die benutzten Öffnungen eindringen kann. Nicht benutzte Betätigeröffnungen sind mit Schlitzverschlüssen zu verschließen.
- Der Betätiger ist durch geeignete Maßnahmen (Verwendung von Einwegschrauben, Verkleben, Aufbohren von Schraubenköpfen, Verstiften) an der Schutzeinrichtung unlösbar zu befestigen und gegen Verschieben zu sichern.
- Die Sicherheitszuhaltung und der Betätiger sind zueinander so auszurichten, dass der Betätiger über die gesamte Lebensdauer der Schutzeinrichtung stressfrei in die Sicherheitszuhaltung einfahren kann. Um zu verhindern, dass eine mechanische Belastung der Sicherheitszuhaltung oder des Betätigers auftritt, kann z.B. ein Türfang eingesetzt werden.
3.2 Abmessungen
Alle Maße in mm.

3.3 Hilfsentriegelung
(bei Einrichtung, Wartung usw.)
Die manuelle Entriegelung erfolgt durch Drehen des Dreikants um 180° (Dreikantschlüssel M5 als Zubehör erhältlich), wodurch der Riegelbolzen in Entriegelungsstellung gezogen wird. Hierbei ist darauf zu achten, dass durch äußere Einwirkung über den Betätiger kein Verklemmen stattfindet. Erst nach Zurückdrehen des Dreikants in die Ausgangslage ist die normale Riegelfunktion wieder gegeben. Die Hilfsentriegelung ist nach erfolgter Inbetriebnahme durch Aufdrücken der beigefügten Kunststoffkappe zu sichern.
| Hilfsentriegelung seitlich | Hilfsentriegelung deckelseitig bzw. rückseitig (Bestellindex -ED/-EU) |
![]() | ![]() |
Der Dreikantschlüssel TK-M5 (101100887) ist als Zubehör erhältlich.
3.4 Notentsperrung (Bestellindex -N)
(Anbau und Betätigung nur außerhalb des Gefahrenbereiches)
- Die Notentsperrung ist nur im Notfall zu benutzen. Die Sicherheitszuhaltung ist so anzubringen und/oder zu schützen, dass ein unbeabsichtigtes Öffnen der Zuhaltung durch die Notentsperrung vermieden wird. Die Notentsperrung muss deutlich mit dem Hinweis gekennzeichnet sein, dass sie nur im Notfall zu benutzen ist. Hierfür kann der beiliegende Aufkleber verwendet werden.
Zur Notentsperrung den roten Hebel in Pfeilrichtung bis zum Anschlag drehen. Die Schutzeinrichtung lässt sich in dieser Stellung öffnen. Der Hebel ist verrastet und lässt sich nicht zurückdrehen. Zum Aufheben der Sperrstellung muss die zentrale Befestigungsschraube nur soweit herausgedreht werden, bis die Sperrstellung aufgehoben ist. Hebel in die Ausgangsdrehung zurückdrehen und Schraube wieder fest anziehen.

3.5 Fluchtentriegelung
(Anbau und Betätigung nur innerhalb des Gefahrenbereiches)
Zur Fluchtentriegelung der Ausführung T den roten Hebel in Pfeilrichtung bis zum Anschlag drehen. Die Fluchtentriegelung für die Ausführungen TD und TU erfolgt durch Drücken des roten Schlagtasters. Die Schutzeinrichtung lässt sich in dieser Stellung öffnen. Die Sperrstellung wird durch Zurückdrehen des Hebels in Gegenrichtung bzw. Zurückziehen des Schlagtasters aufgehoben. In entriegelter Stellung ist die Schutzeinrichtung gegen ungewolltes Schließen gesichert.
| Fluchtentriegelung seitlich (Bestellindex -T) | Fluchtentriegelung deckelseitig bzw. rückseitig (Bestellindex -TD/-TU) |
![]() | ![]() |
4 Elektrischer Anschluss
4.1 Allgemeine Hinweise zum elektrischen Anschluss
- Der elektrische Anschluss darf nur im spannungslosen Zustand und von autorisiertem Fachpersonal durchgeführt werden.
- Wenn durch die Risikoanalyse eine sicher überwachte Zuhaltung gefordert ist, sind die mit dem Symbol > gekennzeichneten Kontakte in den Sicherheitskreis einzubinden.
Zur Leitungseinführung sind geeignete Kabelverschraubungen mit entsprechender Schutzart zu verwenden. Durch Eindrehen der Kabelverschraubung die Wände der Bohrungen herausbrechen. Alle Kunststoffreste sind aus dem Gerät zu entfernen.

- Das Durchstoßen der Bohrungswände mit Hilfswerkzeugen (bspw. Schraubendreher) kann zu Beschädigungen führen.
Absetzlänge x des Leiters:
- an Federkraftklemmen (CC) des Typs s oder f: 5 ... 6 mm
- an Schraubklemmen (SK): 7 mm
![]() | ![]() |

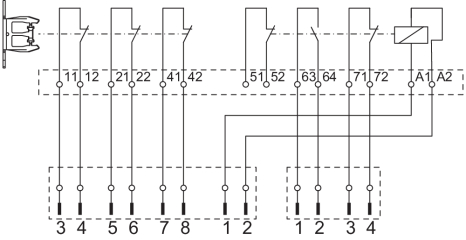
4.2 Kontaktvarianten
Darstellung der Kontakte im stromlosen Zustand und bei eingeschobenen Betätiger.
| Ruhestromprinzip | Arbeitsstromprinzip |
|---|---|
| AZM 161SK-12/12... und AZM 161CC-12/12... | |
![]() | ![]() |
| AZM 161SK-12/03... und AZM 161CC-12/03.. | |
![]() | ![]() |
| Legende | |
|---|---|
| B | Zwangsöffnender Öffnerkontakt |
| > | Überwachung der Zuhaltung gem. EN ISO 14119 |
| H | Betätigt |
| I | Unbetätigt |
| AZM 161ST-../.. mit Stecker AZM 161ST-12/11... | AZM 161ST-11/12... |
![]() | ![]() |
| AZM 161ST-11/03... | |
![]() |
AZM 161...-G mit LED

Kontaktsatz 12/12 G (mit LED)

Die 24 V werden intern auf die Kontakte 13 und 63 geführt. Die zugehö-rigen Signale der LED-Anzeige können zusätzlich an den Klemmen 14 bzw. 64 abgegriffen werden.
Kontaktsatz 12/03 G (mit LED)

Die 24 V werden intern auf die Kontakte 11 und 63 geführt. Die zugehö-rigen Signale der LED-Anzeige können zusätzlich an den Klemmen 12 bzw. 64 abgegriffen werden.
| Legende | |
|---|---|
| ¢ | Tür geschlossen |
| ƒ | Magnet ein |
| ¥ | Tür gesperrt |
| Ruhestromprinzip | ||||
|---|---|---|---|---|
| Systemzustand | Magnetansteuerung | LED | ||
| Ruhestrom | gelb ¢ | grün ƒ | gelb ¥ | |
| Tür auf | 24 V (0 V) | aus | an | aus |
| Tür geschlossen, Betätiger eingeführt, nicht gesperrt | 24 V | an | an | aus |
| Tür geschlossen, Betätiger eingeführt,und gesperrt | 0 V | an | aus | an |
| Arbeitsstromprinzip | ||||
|---|---|---|---|---|
| Systemzustand | Magnetansteuerung | LED | ||
| Arbeitsstrom | gelb ¢ | grün ƒ | gelb ¥ | |
| Tür auf | 0 V (24 V) | aus | aus | aus |
| Tür geschlossen, Betätiger eingeführt, nicht gesperrt | 0 V | an | aus | aus |
| Tür geschlossen, Betätiger eingeführt,und gesperrt | 24 V | an | an | an |
5 Inbetriebnahme und Wartung
Das Sicherheitsschaltgerät ist hinsichtlich seiner Sicherheitsfunktion zu testen. Bei ordnungsgemäßer Installation und bestimmungsgemäßer Verwendung arbeitet das Sicherheitsschaltgerät wartungsfrei. In regelmäßigen Abständen empfehlen wir eine Sicht- und Funktionsprüfung mit folgenden Schritten:
- Sicherheitsschaltgerät und Betätiger auf festen Sitz prüfen.
- Unversehrtheit der Leitungsanschlüsse prüfen.
- Entfernen von Schmutzresten.
- In allen betriebsmäßigen Lebensphasen des Sicherheitsschaltgerätes sind konstruktiv und organisatorisch geeignete Maßnahmen zum Manipulationsschutz beziehungsweise gegen das Umgehen der Sicherheitseinrichtung, beispielsweise durch Einsatz eines Ersatzbetätigers, zu treffen.
- Beschädigte oder defekte Geräte sind auszutauschen.
6 Demontage und Entsorgung
6.1 Demontage
Das Sicherheitsschaltgerät ist nur in spannungslosem Zustand zu demontieren.
6.2 Entsorgung
- Das Sicherheitsschaltgerät ist entsprechend der nationalen Vorschriften und Gesetze fachgerecht zu entsorgen.
| UK Declaration of Conformity | ![]() |
| Company: | K.A. Schmersal GmbH & Co. KG Möddinghofe 30 42279 Wuppertal Germany Internet: www.schmersal.com |
| Declaration: | We hereby, under sole responsibility, certify that the hereafter described components both in their basic design and construction conform to the relevant statutory requirements, regulations and designated standards of the United Kingdom. |
| Name of the component: | AZM 161 |
| Type: | See ordering code |
| Description of the component: | Interlocking device with electromagnetic interlock for safety functions |
| Relevant legislation: | Supply of Machinery (Safety) Regulations | 2008 |
| Electromagnetic Compatibility Regulations | 2016 | |
| The Restriction of the Use of Certain Hazardous Substances in Electrical and Electronic Equipment Regulations | 2012 |
| Designated standards: | EN 60947-5-1:2017 + AC:2020 EN ISO 14119:2013 |
| UK-Importer / Person authorised for the compilation of the technical documentation: | Schmersal UK Ltd. Paul Kenney Unit 1, Sparrowhawk Close Enigma Business Park Malvern, Worcestershire, WR14 1GL |
| Place and date of issue: | Wuppertal, August 23, 2023 |
![]() |
| Authorised signature Philip Schmersal Managing Director |
| EU-Konformitätserklärung | ![]() |
| Original | K.A. Schmersal GmbH & Co. KG Möddinghofe 30 42279 Wuppertal Germany Internet: www.schmersal.com |
| Erklärung: | Hiermit erklären wir, dass die nachfolgend aufgeführten Bauteile aufgrund der Konzipierung und Bauart den Anforderungen der unten angeführten Europäischen Richtlinien entsprechen. |
| Bezeichnung des Bauteils: | AZM 161 |
| Typ: | siehe Typenschlüssel |
| Beschreibung des Bauteils: | Verriegelung mit elektromagnetischer Zuhaltung für Sicherheitsfunktionen |
| Einschlägige Richtlinien: | Maschinenrichtlinie | 2006/42/EG |
| EMV-Richtlinie | 2014/30/EU | |
| RoHS-Richtlinie | 2011/65/EU |
| Angewandte Normen: | EN 60947-5-1:2017 + AC:2020 EN ISO 14119:2013 |
| Bevollmächtigter für die Zusammenstellung der technischen Unterlagen: | Oliver Wacker Möddinghofe 30 42279 Wuppertal |
| Ort und Datum der Ausstellung: | Wuppertal, 23. August 2023 |
![]() |
| Rechtsverbindliche Unterschrift Philip Schmersal Geschäftsführer |
AVS Schmersal Vertriebs GmbH, Biróstraße 17, A-1230 Wien
Die genannten Daten und Angaben wurden sorgfältig geprüft. Abbildungen können vom Original abweichen. Weitere technische Daten finden Sie in der Betriebsanleitung. Technische Änderungen und Irrtümer vorbehalten.
Generiert am: 15.04.2026, 02:03














