IFL 8-18-10ST
- Invólucro metálico
- AC 2-fio
- Isolamento protegido
- Conector M18
- Forma de construção M 18 x 1
Código para encomenda
| Revisão (capacidade de entregar) |
Excluído do programa de fornecimento! |
| Descrição do tipo de produtos |
IFL 8-18-10ST |
| Número de artigo (Número de encomenda) |
101141539 |
| EAN (European Article Number) |
4030661122397 |
| Número eCl@ss, versão 12.0 |
27-27-40-01 |
| Número eCl@ss, versão 11.0 |
27-27-01-01 |
| Número eCl@ss, versão 9.0 |
27-27-01-01 |
| Número ETIM, versão 7.0 |
EC002714 |
| Número ETIM, versão 6.0 |
EC002714 |
Homologações - Instruções
| Certificados |
CCC |
Propriedades globais
| Instruções |
DIN VDE 0660-208 EN IEC 60947-5-2 |
| Forma construtiva do compartimento |
cilindro, rosca |
| Condição de instalação (mecânico) |
não nivelado |
| Material do invólucro |
Latão |
| Material do revestimento do compartimento |
niquelado |
| Área ativa |
Plástico |
| Material das porcas |
Latão |
| Peso bruto |
55 g |
Propriedades globais - Características
| Indicação integrada, estado |
Sim |
| Revestimento de cabo |
Não |
| Número dos fios condutores |
2 |
Dados mecânicos
| Binário de aperto das porcas, máximo |
18 Nm |
Mechanical data - Switching distances
| Distância do interruptor |
8 mm |
| Nota (distância do interruptor) |
All switching distances in accordance EN IEC 60947-5-2 |
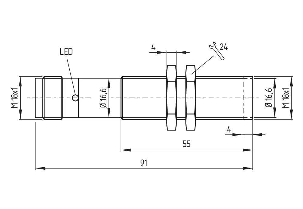
Dados mecânicos - dimensões
| Comprimento do cabo |
2 m |
| Conexão, conector |
Conector M18 |
Dados mecânicos - dimensões
| Rosca ISO do sensor |
M18 |
| abertura da chave |
24 SW |
| Comprimento do sensor |
91 mm |
Ambiente
| Tipo de proteção |
IP67 |
| Temperatura ambiente |
-25 ... +70 °C |
| Resistência a vibrações conforme EN 60068-2-6: |
10 … 55 Hz, amplitude 1 mm |
| Resistência a impactos |
30 g / 11 ms |
| Classe de proteção |
II |
Ambiente - Parâmetros de isolamento
| Medição da rigidez dielétrica da tensão máxima |
4 kV |
Dados elétricos
| Frequência nominal de alimentação, mínimo |
45 Hz |
| Frequência nominal de alimentação, máximo |
65 Hz |
| Tensão de operação |
15 ... 250 VAC |
| Tipo de intervalo de tensão |
AC |
| Corrente mínima de operação |
10 mA |
| Medição da tensão de operação |
15 ... 250 VAC |
| Corrente operacional nominal |
500 mA |
| Elemento de comutação |
Contato normalmente aberto (NA) |
| Circuito de proteção, integrado |
proteção contra interferência indutiva |
| Frequência de comutação, aprox. |
10 Hz |
Dados elétricos, Saída digital
| Queda de tensão Ud, máximo |
4,5 V |
| Potência para uma queda de tensão U d |
0,5 A |
| Versão |
Fio duplo |
| Corrente residual |
1 mA |
Indicação de Estado
| Orientação (Indicação integrada, estado) |
LED amarela indica |
Orientação
| Orientação (geral) |
Em vez de porcas, pode ser fornecido um engante previamente montado |
Filtro de idioma
Ficha técnica
Manual de instruções (anexo/manual breve)
Declaração de conformidade CE
Certificação CCC
Faça download da versão mais recente do Adobe Reader
Foto do produto (foto individual do catálogo )
ID: kifl8f03
| 331,5 kB | .jpg | 352.778 x 529.167 mm - 1000 x 1500 px - 72 dpi
| 56,9 kB | .png | 74.083 x 111.125 mm - 210 x 315 px - 72 dpi
| 25,3 kB | .png | 74.083 x 74.083 mm - 210 x 210 px - 72 dpi
| 4,1 MB | .png | 169.249 x 254 mm - 1999 x 3000 px - 300 dpi
| 25,8 kB | .jpg | 82.197 x 123.47200000000001 mm - 233 x 350 px - 72 dpi
Desenho dimensional componente básico
ACE Schmersal Eletroeletrônica Ind. Ltda, Av. Brasil, nº 815, Jardim Esplanada – CEP 18557-646 Boituva/SP
Os dados e informações fornecidas foram cuidadosamente verificados. No entanto as imagens podem divergir do original. Informações técnicas adicionais podem ser encontradas no manual. Alterações técnicas e erros são possíveis.
Generated at: 30/04/2026 16:48