SSW303HV
- Czas wykrycia postoju 7s
- Moduły kontroli bezruchu
- 3 zestyki bezpieczeństwa
- 3 zestyki sygnalizacyjne
- Bezczujnikowe wykrywanie bezczynności przez monitorowanie siły elektromotorycznej
- Bezpośrednie podłączenie do silników trójfazowych
- Zakres napięcia silnika 0 ... 690 V
Klucz zamówieniowy
| Oznaczenie typu produktu |
SSW303HV |
| Numer artykułu (Numer katalogowy) |
103034847 |
| EAN (European Article Number) |
4030661546421 |
| eCl@ss number, version 12.0 |
27-37-18-19 |
| eCl@ss number, version 11.0 |
27-37-18-19 |
| Numer eCl@ss, wersja 9.0 |
27-37-18-19 |
| ETIM number, version 7.0 |
EC001449 |
| ETIM number, version 6.0 |
EC001449 |
Certyfikaty - Normy
| Certyfikaty |
cULus CCC |
Właściwości ogólne
| Normy |
EN IEC 62061 EN ISO 13849-1 EN IEC 60947-5-1 EN IEC 60947-5-3 EN IEC 60947-5-5 EN IEC 61508 EN IEC 60204-1 EN IEC 60947-1 |
| Niesprzyjające warunki klimatyczne |
EN 60068-2-78 |
| Materiał obudowy |
Tworzywo, Tworzywo termoplastyczne wzmocnione włóknem szklanym |
| Ciężar brutto |
400 g |
Dane ogólne - właściwości
| Wykrywanie zerwania przewodu |
Tak |
| Obwód sprzężenia zwrotnego |
Tak |
| Funkcja automatycznego resetu |
Tak |
| Wykrywanie zwarcia doziemnego |
Tak |
| Zintegrowany wskaźnik, status |
Tak |
| Liczba zestyków pomocniczych |
3 |
| Liczba diod LED |
5 |
| Liczba zestyków bezpieczeństwa |
3 |
Klasyfikacja
| Normy, przepisy |
EN ISO 13849-1 EN IEC 61508 |
| Żywotność |
20 Rok(lata) |
| Common Cause Failure (CCF), minimum |
65 |
| Kategoria zatrzymania |
0 |
Klasyfikacja - wyjścia przekaźnikowe
| Performance Level, stop 0, up to |
e |
| Kategoria, Stop 0 |
4 |
| Diagnostic Coverage (DC) Level, Stop 0 |
≥ 99 % |
| Wartość PFH, Stop 0 |
2,00 x 10⁻⁸ /h |
| Safety Integrity Level (SIL), Stop 0 |
3 |
Dane mechaniczne
| Żywotność mechaniczna, najmniejszy |
10.000.000 operacji |
| Montaż |
montaż na standardowej szynie DIN wg EN 60715 |
Mechanical data - Connection technique
| Oznaczenia przyłączy |
IEC/EN 60947-1 |
| Konektor |
sztywny lub elastyczny Połączenie śrubowe, podłączony |
| Przekrój kabla, minimalne |
0,25 mm² |
| Przekrój kabla, maksimum |
2,5 mm² |
| Moment dokręcania zacisków |
0,6 Nm |
Dane mechaniczne - Wymiary
| Szerokość |
45 mm |
| Wysokość |
120 mm |
| Głębokość |
121 mm |
Warunki otoczenia
| Stopień ochrony obudowy |
IP40 |
| Stopień ochrony miejsca instalacji |
IP54 |
| Stopień ochrony zacisków lub przyłączy |
IP20 |
| Ambient temperature |
-25 ... +55 °C |
| Storage and transport temperature |
-40 ... +85 °C |
| Wytrzymałość zmęczeniowa wg EN 60068-2-6 |
5 ... 9 Hz, amplituda 3,5 mm |
| odporność na uderzenie |
30 g / 11 ms |
Ambient conditions - Insulation values
| Znamionowe napięcie udarowe wytrzymywane |
8 kV |
| Znamionowe napięcie udarowe wytrzymywane, wyjście przekaźnikowe |
6 kV |
| Stopień zanieczyszczenia zgodnie z IEC/EN 60664-1 |
2 |
Dane elektryczne
| Operating voltage |
24 VDC -10 % / +20 % |
| Operating voltage |
24 ... 230 VAC |
| Ripple voltage |
10 % |
| Type of voltage range |
AC |
| Rated operating voltage |
24 VDC |
| Rated operating voltage |
24 ... 230 VAC |
| Znamionowe napięcie AC dla sterowników, 50 Hz, minimalne |
21.6 VAC |
| Znamionowe napięcie AC dla sterowników, 50 Hz, maksimum |
253 VAC |
| Znamionowe napięcie AC dla sterowników, 60 Hz, minimalne |
21.6 VAC |
| Znamionowe napięcie AC dla sterowników, 60 Hz, maksimum |
253 VAC |
| Elektryczny pobór mocy, maksimum |
4 W |
| Elektryczny pobór mocy, maksimum |
8,5 VA |
| Rezystancja zestyków, maksimum |
0,1 Ω |
| Uwaga (Rezystancja nowych zestyków) |
w nowym stanie |
| Opóźnienie zwolnienia przekaźnika w przypadku stopu awaryjnego, maksimum |
15 ms |
| Opóźnienie włączenia przy automatycznym uruchomieniu (po wykryciu bezruchu), ok. |
7.000 ms |
| Materiał zestyków, elektrycznych |
AgSn0. + Au, samoczyszczący, wymuszone prowadzenie |
Dane elektryczne - bezpieczne wyjścia przekaźnikowe
| Napięcie, kategoria użytkowania AC-15 |
230 VAC |
| Prąd, kategoria użytkowania AC-15 |
6 A |
| Napięcie, kategoria użytkowania DC-13 |
24 VDC |
| Prąd, kategoria użytkowania DC-13 |
6 A |
| Zdolność przełączania, minimum |
10 VDC |
| Zdolność przełączania, minimum |
10 mA |
| Zdolność przełączania, maksimum |
250 VAC |
| Zdolność przełączania, maksimum |
6 A |
Dane elektryczne - wejścia cyfrowe
| Rezystancja, maksimum |
40 Ω |
Dane elektryczne - wyjścia przekaźnikowe (Piny pomocnicze)
| Zdolność przełączania, maksimum |
24 VDC |
| Zdolność przełączania, maksimum |
2 A |
Dane elektryczne - Kompatybilność elektromagnetyczna (EMC)
| Klasa kompatybilnosci elektromagnetycznej |
Dyrektywa o kompatybilności elektromagnetycznej |
Wskaźnik stanu
| Wskazane stany działania |
OUT, zielony: aktywacja warunek przełączenia UB: Występuje napięcie zasilające ERR: Błąd awaria funkcjonalna |
Pozostałe dane
| Uwaga (zastosowania aplikacyjne) |
Bezpieczna kontrola bezruchu |
Note
| Uwaga (informacje ogólne) |
Obciążenia indukcyjne (np. styczniki, przekaźniki itp.) należy wytłumić przy pomocy odpowiedniego obwodu. |
Filtr językowy
Karta katalogowa
Instrukcja obsługi i deklaracja zgodności
Certyfikat UL
Certyfikat CCC
pobierz najnowszą wersję Adobe Reader
Zdjęcie produktu (pojedyncze zdjęcie katalogowe)
ID: kssw3f01
| 1,2 MB | .jpg | 352.425 x 608.894 mm - 999 x 1726 px - 72 dpi
| 76,7 kB | .png | 74.083 x 127.706 mm - 210 x 362 px - 72 dpi
| 53,4 kB | .jpg | 71.614 x 123.47200000000001 mm - 203 x 350 px - 72 dpi
| 39,7 kB | .png | 74.083 x 74.083 mm - 210 x 210 px - 72 dpi
| 10,0 MB | .png | 169.333 x 292.35400000000004 mm - 2000 x 3453 px - 300 dpi
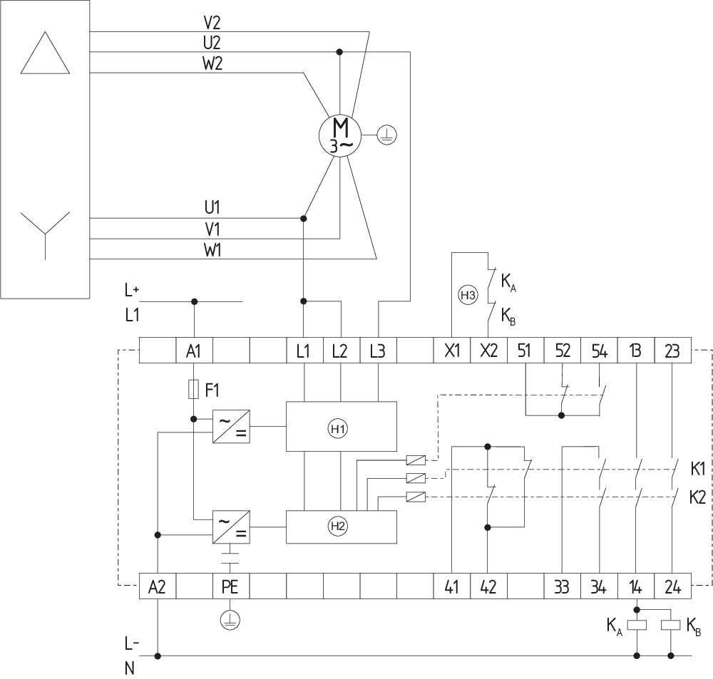
Przykład okablowania
Schmersal-Polska Sp.j., ul. Baletowa 29, 02-867 Warszawa
Dane zostały starannie sprawdzone. Zdjęcia mogą odbiegać od rzeczywistości. Dalsze dane techniczne znajdują się w instrukcji obsługi. Możliwe są zmiany i błędy techniczne.
Generated at: 15.04.2026, 07:12