SRB201ZHX3 24VDC
SRB201ZHX3 24VDC
Downloads
- Monitorowanie pulpitów sterowania oburęcznego wg EN ISO 13851
- 2 zestyki bezpieczeństwa, STOP 0
- 1 Wyjście sygnalizacyjne
Klucz zamówieniowy
| Oznaczenie typu produktu |
SRB201ZHX3 24VDC |
| Numer artykułu (Numer katalogowy) |
101182968 |
| EAN (European Article Number) |
4250116202485 |
| eCl@ss number, version 12.0 |
27-37-18-19 |
| eCl@ss number, version 11.0 |
27-37-18-19 |
| Numer eCl@ss, wersja 9.0 |
27-37-18-19 |
| ETIM number, version 7.0 |
EC001449 |
| ETIM number, version 6.0 |
EC001449 |
| Uwaga |
Discontinued product |
Certyfikaty - Normy
| Certyfikaty |
cULus TILVA |
Właściwości ogólne
| Normy |
EN IEC 62061 EN ISO 13849-1 EN IEC 60947-5-1 EN IEC 60947-5-3 EN IEC 60947-5-5 EN IEC 61508 EN IEC 60204-1 EN IEC 60947-1 |
| Niesprzyjające warunki klimatyczne |
EN 60068-2-78 |
| Materiał obudowy |
Tworzywo, Tworzywo termoplastyczne wzmocnione włóknem szklanym, obudowa wentylowana |
| Ciężar brutto |
220 g |
Dane ogólne - właściwości
| Bezpiecznik elektroniczny |
Tak |
| Wykrywanie zerwania przewodu |
Tak |
| Wykrywanie zwarcia |
Tak |
| Obwód sprzężenia zwrotnego |
Tak |
| Funkcja automatycznego resetu |
Tak |
| Wykrywanie zwarcia doziemnego |
Tak |
| Zintegrowany wskaźnik, status |
Tak |
| Liczba zestyków pomocniczych |
1 |
| Liczba diod LED |
3 |
| Liczba zestyków NC |
2 |
| Liczba zestyków NO |
2 |
| Liczba zestyków bezpieczeństwa |
2 |
Klasyfikacja
| Normy, przepisy |
EN IEC 60947-5-1 EN ISO 13851 EN IEC 61508 |
| Kategoria zatrzymania |
0 |
Klasyfikacja - wyjścia przekaźnikowe
| Performance Level, stop 0, up to |
e |
| Kategoria, Stop 0 |
4 |
| Diagnostic Coverage (DC) Level, Stop 0 |
≥ 99 % |
| Wartość PFH, Stop 0 |
2,00 x 10⁻⁸ /h |
| Safety Integrity Level (SIL), Stop 0 |
3 |
| Żywotność |
20 Rok(lata) |
| Common Cause Failure (CCF), minimum |
65 |
Dane mechaniczne
| Żywotność mechaniczna, najmniejszy |
10.000.000 operacji |
| Montaż |
montaż na standardowej szynie DIN wg EN 60715 |
Mechanical data - Connection technique
| Oznaczenia przyłączy |
IEC/EN 60947-1 |
| Przekrój kabla, minimalne |
0,25 mm² |
| Przekrój kabla, maksimum |
2,5 mm² |
| Moment dokręcania zacisków |
0,6 Nm |
| Allowed type of cable |
solid single-wire flexible |
| Przyłącze (mechaniczne) |
Screw terminals |
Dane mechaniczne - Wymiary
| Szerokość |
22,5 mm |
| Wysokość |
100 mm |
| Głębokość |
121 mm |
Warunki otoczenia
| Stopień ochrony obudowy |
IP40 |
| Stopień ochrony miejsca instalacji |
IP54 |
| Stopień ochrony zacisków lub przyłączy |
IP20 |
| Ambient temperature |
-25 ... +60 °C |
| Storage and transport temperature |
-40 ... +85 °C |
| Wytrzymałość zmęczeniowa wg EN 60068-2-6 |
10...55 Hz, amplituda 0,35 mm, ± 15 % |
| odporność na uderzenie |
30 g / 11 ms |
Ambient conditions - Insulation values
| Znamionowe napięcie udarowe wytrzymywane |
4 kV |
| Kategoria przepięcia |
III |
| Stopień zanieczyszczenia zgodnie z IEC/EN 60664-1 |
2 |
Dane elektryczne
| Zakres częstotliwości |
50 Hz 60 Hz |
| Operating voltage |
24 VAC -15 % / +10 % |
| Ripple voltage |
10 % |
| Rated operating voltage |
24 VAC |
| Rated operating voltage |
24 VDC |
| Znamionowe napięcie AC dla sterowników, 50 Hz, minimalne |
20.4 VAC |
| Znamionowe napięcie AC dla sterowników, 50 Hz, maksimum |
26.4 VAC |
| Znamionowe napięcie AC dla sterowników, 60 Hz, minimalne |
20.4 VAC |
| Znamionowe napięcie AC dla sterowników, 60 Hz, maksimum |
26.4 VAC |
| Znamionowe napięcie zasilające sterowania dla DC, minimum |
20,4 VDC |
| Znamionowe napięcie zasilające sterowania dla DC, maksimum |
28,8 VDC |
| Elektryczny pobór mocy |
1,5 W |
| Rezystancja zestyków, maksimum |
0,1 Ω |
| Uwaga (Rezystancja nowych zestyków) |
w nowym stanie |
| Opóźnienie wyłączania w przypadku awarii zasilania, typowe |
80 ms |
| Opóźnienie wyłączania w przypadku zatrzymania awaryjnego, typ. |
20 ms |
| Opóźnienie włączenia przy automatycznym uruchomieniu, typowe |
100 ms |
| Opóźnienie włączenia w przypadku RESETU, typowe |
20 ms |
| Materiał zestyków, elektrycznych |
AgSn0. samoczyszczący, wymuszone prowadzenie |
Dane elektryczne - bezpieczne wyjścia przekaźnikowe
| Napięcie, kategoria użytkowania AC-15 |
230 VAC |
| Prąd, kategoria użytkowania AC-15 |
6 A |
| Napięcie, kategoria użytkowania DC-13 |
24 VDC |
| Prąd, kategoria użytkowania DC-13 |
6 A |
| Zdolność przełączania, minimum |
10 VDC |
| Zdolność przełączania, minimum |
10 mA |
| Zdolność przełączania, maksimum |
250 VAC |
| Zdolność przełączania, maksimum |
8 A |
Dane elektryczne - wejścia cyfrowe
| Rezystancja, maksimum |
40 Ω |
Dane elektryczne - wyjścia przekaźnikowe (Piny pomocnicze)
| Zdolność przełączania, maksimum |
24 VDC |
| Zdolność przełączania, maksimum |
2 A |
Dane elektryczne - Kompatybilność elektromagnetyczna (EMC)
| Klasa kompatybilnosci elektromagnetycznej |
Dyrektywa o kompatybilności elektromagnetycznej |
Wskaźnik stanu
| Wskazane stany działania |
Przekaźnik pozycyjny K2 Przekaźnik pozycyjny K1 |
Pozostałe dane
| Uwaga (zastosowania aplikacyjne) |
Panele sterowania oburęcznego |
Note
| Uwaga (informacje ogólne) |
Obciążenia indukcyjne (np. styczniki, przekaźniki itp.) należy wytłumić przy pomocy odpowiedniego obwodu. |
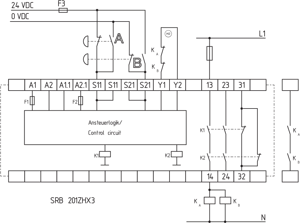
Przykład połączeń
| Uwaga (przykład połączeń) |
Wyjścia przekaźnikowe: odpowiednie dla sterowania 2-kanałowego, dla zwiększenia pojemności lub liczby zestyków za pomocą styczników lub przekaźników o zestykach lustrzanych. Schemat okablowania jest pokazany dla stanu z wyłączonym zasilaniem. Sterownik rozpoznaje zwarcie międzykanałowe, przerwanie kabla lub upływ doziemny w obwodzie monitorowania. Przycisk A i B: 1 zestyk NC / 1 zestyk NO (uwaga: zestyk NC przycisków A i B musi być otwarty przed zamknięciem zestyku NO. Zestyki w układzie zakładkowym nie są dopuszczalne, ponieważ w przeciwnym wypadku zadziałałby bezpiecznik F1/F2 .) (H2) = Obwód sprzężenia zwrotnego Kontrola równoczesności 0,5 sekund |
Filtr językowy
Karta katalogowa
Instrukcja obsługi i deklaracja zgodności
Certyfikat UL
Certyfikat TILVA
Przykład połączeń (okablowanie elektryczne)
pobierz najnowszą wersję Adobe Reader
Zdjęcie produktu (pojedyncze zdjęcie katalogowe)
ID: ksrb2f08
| 744,0 kB | .jpg | 265.642 x 529.167 mm - 753 x 1500 px - 72 dpi
| 89,2 kB | .png | 74.083 x 147.461 mm - 210 x 418 px - 72 dpi
| 46,8 kB | .jpg | 62.089000000000006 x 123.47200000000001 mm - 176 x 350 px - 72 dpi
| 34,1 kB | .png | 74.083 x 74.083 mm - 210 x 210 px - 72 dpi
| 7,8 MB | .png | 169.333 x 337.312 mm - 2000 x 3984 px - 300 dpi
Przykład okablowania
Symbol (norma techniczna)
103008067 SRB-E-201ST
- Wtykowe zaciski śrubowe z kodowaniem
- STOP 0 Funkcja
- kontrola 1 oder 2-kanałowa
- Przycisk start / Auto-start
- 2 Wyjścia bezpieczeństwa 5,5 A
- 1 Wyjście sygnalizacyjne
- Monitorowanie pulpitów sterowania oburęcznego wg EN ISO 13851
103007221 SRB-E-402ST
- Dwufunkcyjny moduł bezpieczeństwa (podwójna analiza), 2 x STOP 0
- 2 x kontrola 1 oder 2-kanałowa
- 2 x Przycisk start / Auto-start
- 1 x Monitorowanie pulpitów sterowania oburęcznego wg ISO 13851
- 2 zestyki bezpieczeństwa
- 2 Wyjścia bezpieczeństwa
| Deklaracja zgodności UE | ![]() |
| Oryginał | K.A. Schmersal GmbH & Co. KG Möddinghofe 30 42279 Wuppertal Niemcy Internet: www.schmersal.com |
| Wyjaśnienie: | Niniejszym oświadczamy, że niżej wymienione elementy konstrukcyjne spełniają wymagania podanych niżej Europejskich Dyrektyw w zakresie koncepcji i konstrukcji. |
| Oznaczenie elementu konstrukcyjnego: | SRB201ZH X3 |
| Opis elementu konstrukcyjnego: | Urządzenie bezpieczeństwa do kontroli oburęczności |
| Odnośne dyrektywy: | Dyrektywa maszynowa | 2006/42/EG |
| Dyrektywa o kompatybilności elektromagnetycznej | 2014/30/EU | |
| Dyrektywa RoHS | 2011/65/EU |
| Zastosowane normy: | EN 574:1996 + A1:2008 EN ISO 13851:2019 EN 50178:1997 EN ISO 13849-1:2015 IEC 61508 części 1-7:2010 |
| Jednostka notyfikowana do badania typu: | TÜV Rheinland Industrie Service GmbH Am Grauen Stein, 51105 Köln Nr ident.: 0035 |
| Certyfikat badania typu WE: | 01/205/5020.02/20 |
| Osoba upoważniona do sporządzenia dokumentacji technicznej: | Oliver Wacker Möddinghofe 30 42279 Wuppertal |
| Miejscowość i data wystawienia: | Wuppertal, 21. lipca 2020 |
![]() |
| Prawnie wiążący podpis Philip Schmersal Dyrektor |
Schmersal-Polska Sp.j., ul. Baletowa 29, 02-867 Warszawa
Dane zostały starannie sprawdzone. Zdjęcia mogą odbiegać od rzeczywistości. Dalsze dane techniczne znajdują się w instrukcji obsługi. Możliwe są zmiany i błędy techniczne.
Generated at: 18.04.2026, 07:17

