IFL 8-18-10
| 製品タイプの説明: IFL (1)-(2)(3)-(4)(5)(6)(7)-(8) |
| (1) | |
| 5 | 動作距離 5 mm |
| 8 | 動作距離 8 mm |
| 10 | 動作距離 10 mm |
| (2) | |
| 18 | シリンダー型、ネジ式 M18, 金属製 |
| 180 | シリンダー型、ネジ式 M18, プラスティック製 |
| (3) | |
| 1 | 標準型 |
| M | 小型 |
| L | 長い形状 |
| (4) | |
| 01 | NC接点 |
| 10 | NO接点 |
| 10/01 | 配線スペース付きNO接点 / NC接点 |
| 11 | 相反する1 NO 接点 / 1 NC 接点 |
| (5) | |
| 1 | ケーブル |
| ST | 雄コネクター |
| T | ストレインリリーフ付き導体 |
| A | 交流/直流 AC/DC |
| D | DC 2-ワイヤー |
| (6) | |
| 1 | 標準型コネクターバージョン |
| 2 | 代替コネクターバージョン |
| (7) | |
| N | NPNタイプ |
| P | PNPタイプ |
| (8) | |
| 2033 | ステンレススチール製ハウジング |
| 2130 | 最大+130°Cまで使用できます、開閉状態表示LEDなし |
- 金属製エンクロージャ
- AC2ケーブル
- 二重絶縁
- 設計 M 18 x 1
注文データ
| 製品タイプの説明 |
IFL 8-18-10 |
| 部品番号(注文番号) |
101141531 |
| EAN(欧州部品番号) |
4030661122311 |
| eCl@ss番号、バージョン12.0 |
27-27-40-01 |
| eCl@ss番号、バージョン11.0 |
27-27-01-01 |
| eCl@ss番号、バージョン9.0 |
27-27-01-01 |
| ETIM番号、バージョン7.0 |
EC002714 |
| ETIM番号、バージョン6.0 |
EC002714 |
認証
| 証明書 |
CCC |
一般データ
| 規格 |
DIN VDE 0660-208 EN IEC 60947-5-2 |
| ハウジング形状 |
シリンダー型、ネジ式 |
| 取り付け条件(機械式) |
不適切な |
| ハウジング 材質 |
真鍮 |
| ハウジング材質コーティング材 |
ニッケルめっき |
| 作動範囲 |
樹脂 |
| ナットの材質 |
真鍮 |
| 総重量 |
125 g |
一般データ - 仕様
| 一体型システム診断、状態 |
Yes |
| ケーブルスリーブ |
No |
| ケーブルワイヤーの数 |
2 |
機械的データ
| ナットの締付トルク、最大 |
18 Nm |
Mechanical data - Switching distances
| 公称切替距離 Sn |
8 mm |
| 注記 (動作距離) |
All switching distances in accordance EN IEC 60947-5-2 |
機械的データ - 電気機械式
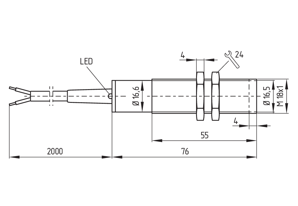
| ケーブルの長さ |
2 m |
| 接続 |
ケーブル H03VV-F |
| ケーブルワイヤーの数 |
2 |
| ワイヤー断面積 |
0.5 mm2 |
| ケーブルマントルの材質 |
PVC |
機械的データ - 寸法
| センサーのISOネジ |
M18 |
| 二面幅 |
24 黒 |
| センサー長 |
76 mm |
環境条件
| 保護等級 |
IP67 |
| 使用周囲温度 |
-25 ... +70 °C |
| 耐振動 |
10 ~ 55 Hz, 振幅 1 mm |
| 耐衝撃 |
30 g / 11 ms |
| 保護等級 |
II |
環境条件 - 絶縁値
| 定格インパルス耐電圧 Uimp |
4 kV |
電気的データ
| 定格供給周波数、最小 |
45 Hz |
| 定格供給周波数、最大 |
65 Hz |
| 動作電圧 |
15 ... 250 VAC |
| 電圧範囲のタイプ |
AC |
| 動作電流、最小 |
10 mA |
| 定格動作電圧 |
15 ... 250 VAC |
| 動作電流 |
500 mA |
| スイッチエレメント |
NO接点 |
| 内蔵式保護回路 |
誘導型干渉保護 |
| 開閉頻度、約 |
10 Hz |
電気的データ - デジタル出力
| 電圧降下 Ud、最大 |
4.5 V |
| 電圧降下時の電流 Ud |
0.5 A |
| 制御エレメントのデザイン |
2線式 |
| 漏電 lr, 最大 |
1 mA |
状態表示
| 注記 (統合システム診断、状態) |
yellow LED |
Note
| 注記 (一般) |
Instead of nuts, a mounting clamp can be provided. |
言語フィルター
データシート
Operating instructions (supplementary sheet/quick guide)
EC Declaration of conformity
CCC certification
Adobe Readerの最新版をダウンロードしてください
Product picture (catalogue individual photo)
ID: kifl8f01
| 244,9 kB | .jpg | 352.778 x 529.167 mm - 1000 x 1500 px - 72 dpi
| 39,7 kB | .png | 74.083 x 111.125 mm - 210 x 315 px - 72 dpi
| 17,7 kB | .png | 74.083 x 74.083 mm - 210 x 210 px - 72 dpi
| 2,9 MB | .png | 169.249 x 254 mm - 1999 x 3000 px - 300 dpi
| 19,4 kB | .jpg | 82.197 x 123.47200000000001 mm - 233 x 350 px - 72 dpi
Dimensional drawing basic component
| UK Declaration of Conformity | ![]() |
| Company: | K.A. Schmersal GmbH & Co. KG Möddinghofe 30 42279 Wuppertal Germany Internet: www.schmersal.com |
| Declaration: | We hereby, under sole responsibility, certify that the hereafter described components both in their basic design and construction conform to the relevant statutory requirements, regulations and designated standards of the United Kingdom. |
| Name of the component: | IFL Design: Ø 4, Ø 6,5, Ø 20, Ø 40, M8, M12, M18, M30, 2.., 3.., 6.., R.. |
| Type: | See ordering code |
| Description of the component: | Inductive proximity switch |
| Relevant legislation: | Electrical Equipment (Safety) Regulations | 2016 |
| Electromagnetic Compatibility Regulations | 2016 | |
| The Restriction of the Use of Certain Hazardous Substances in Electrical and Electronic Equipment Regulations | 2012 |
| Designated standards: | EN IEC 60947-5-2:2020 |
| UK-Importer / Person authorised for the compilation of the technical documentation: | Schmersal UK Ltd. Paul Kenney Unit 1, Sparrowhawk Close Enigma Business Park Malvern, Worcestershire, WR14 1GL |
| Place and date of issue: | Wuppertal, January 16, 2023 |
![]() |
| Authorised signature Philip Schmersal Managing Director |
シュメアザー株式会社, 〒222-0033 横浜市港北区新横浜3-9-5, 新横浜第3東昇ビル
データと詳細は完全にチェックされました。画像は元の画像と異なる場合があります。技術的なデータはマニュアルで見られます。技術的に変更されたり、エラーの可能性があります。
Generated at: 2026/04/15 2:07

