TZMW4Ö24VDC
| Descripción del tipo de producto: TZ(1)(2)(3)(4)(5)24VCD-(6) |
| (1) | |
| M | Principio de bloqueo por tensión |
| F | Principio de desbloqueo por tensión |
| (2) | |
| Variantes de contactos (véase también 4.3) | |
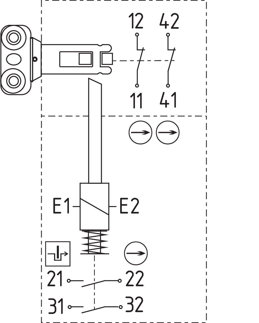
| Imán: 1 contacto normalmente cerrado (NC); Actuadores: 1 contacto normalmente cerrado (NC) / 1 contacto normalmente abierto (NA) | |
| W | Imán: 1 contacto normalmente cerrado (NC); Actuadores: 1 contacto normalmente cerrado (NC) / 1 contacto normalmente abierto (NA) |
| C | Imán: 1 contacto normalmente cerrado (NC) / 1 contacto normalmente abierto (NA); Actuadores: 1 contacto normalmente cerrado (NC) / 1 contacto normalmente abierto (NA) |
| CW | Imán: 1 contacto normalmente cerrado (NC) / 1 contacto normalmente abierto (NA); Actuadores: 1 contacto normalmente cerrado (NC) / 1 contacto normalmente abierto (NA) |
| 3OE/1S | Imán: 1 contacto normalmente cerrado (NC); Actuadores: 2 contactos normalmente cerrados (NC) / 1 contacto normalmente abierto (NA) |
| W3OE | Imán: 1 contacto normalmente cerrado (NC); Actuadores: 2 contactos normalmente cerrados (NC) / 1 contacto normalmente abierto (NA) |
| 4OE | Imán: 2 contactos normalmente cerrados (NC); Actuadores: 2 contactos normalmente cerrados (NC) |
| W2MOE | Imán: 2 contactos normalmente cerrados (NC); Actuadores: 1 contacto normalmente cerrado (NC) / 1 Contacto normalmente abierto (NA) |
| (3) | |
| N | Desbloqueo de emergencia N |
| S | Rearme manual con llave triangular |
| (4) | |
| L | con indicador LED |
| (5) | |
| .CHI | Cabezal elevado y girado en 180º |
| (6) | |
| 3053 | Variante de contactos específica para el cliente |
- Caja de termoplástico
- Fuerza de bloqueo 1500 N
Detalles de Pedidos
| Descripción del tipo de producto |
TZMW4Ö24VDC |
| Número de artículo (Nº artículo) |
131165063 |
| EAN (European Article Number) |
8905236103179 |
| eCl@ss number, version 12.0 |
27-27-26-03 |
| eCl@ss number, version 11.0 |
27-27-26-03 |
| Número eCl@ss, versión 9.0 |
27-27-26-03 |
| ETIM number, version 7.0 |
EC002593 |
| ETIM number, version 6.0 |
EC002593 |
Aprobaciones - Normas
| Certificados |
CCC |
Propiedades Globales
| Normas |
BG-GS-ET-19 EN IEC 60947-5-1 |
| Nivel de codificación según EN ISO 14119 |
baja |
| Principio activo |
electro-mecánico |
| Material de la caja |
Plástico reforzado con fibra de vidrio |
| Peso bruto |
480 g |
Datos generales - Características
| Principio de bloqueo por tensión |
Sí |
| Nº de direcciones de actuación |
4 |
| Cantidad de contactos auxiliares |
0 |
| Cantidad de contactos de seguridad |
4 |
Certificación de seguridad
| Normas |
EN ISO 13849-1 |
| Nivel de prestaciones (PL) hasta |
c |
| Categoría |
1 |
| B10D contacto (NC) |
2.000.000 Maniobras |
| Indicación |
Electrical life on request. |
| B10D Contacto normalmente abierto (NO) |
1.000.000 Maniobras |
| Indicación |
at 10% Ie and ohmic load |
| Vida útil |
20 Año(s) |
Certificación de seguridad - Exclusión de errores
| Notas importantes: |
Se utiliza cuando una exclusión de errores de daño peligroso en un sistema de 1 canal esta autorizada y se asegura una protección adecuada contra manipulación. |
| Nivel de prestaciones (PL) hasta |
d |
| Categoría |
3 |
| Indicación |
for 2-channel use and with suitable logic unit. |
| Vida útil |
20 Año(s) |
Datos mecánicos
| Vida mecánica, mínima |
1.000.000 Maniobras |
| Fuerza de bloqueo FZh según EN ISO 14119 |
1.500 N |
| Fuerza de retención |
20 N |
| Recorrido de apertura forzada |
3,5 mm |
| Positive break force per NC contact, minimum |
20 N |
| Fuerza de apertura forzada, mínima |
20 N |
| Velocidad de accionamiento, máxima |
0,3 m/s |
| Montaje |
Tornillos |
| Ejecución de los tornillos de fijación |
3x M6 |
| Par de apriete de los tornillos de sujeción para la tapa de la caja, mínima |
0,8 Nm |
| Par de apriete de los tornillos de sujeción para la tapa de la caja, máxima |
0,8 Nm |
Datos mecánicos - Conexionado
| Conexión conector |
Conexionado por tornillos |
| Sección del cable, mínima |
1 x 0,5 mm² |
| Sección del cable, máxima |
1 x 1,5 mm² |
| Indicación |
Todas las especificaciones con terminales grimpados incluidos. |
Datos mecánicos - Dimensiones
| Longitud del sensor |
41 mm |
| Anchura del sensor |
129 mm |
| Altura del sensor |
92,5 mm |
Condiciones ambientales
| Protección |
IP65 IP67 |
| Temperatura ambiente |
+0 ... +50 °C |
| Nota (humedad relativa) |
sin condensación sin escarcha |
Condiciones ambientales - Valores de aislamiento
| Tensión de aislamiento nominal Ui |
250 VAC |
| Resistencia al impulso de sobretensión Uimp |
2,5 kV |
Datos eléctricos
| Corriente continua térmica |
4 A |
| Tensión nominal de alimentación |
24 VDC |
| Corriente de cortocircuito |
1.000 A |
| Consumo de potencia eléctrica, máxima |
8,5 W |
| Principio de conmutación |
Acción lenta |
| Frecuencia máxima de conmutación |
1.200 /h |
| Material de los contactos, eléctricos |
Plata |
Datos eléctricos - Control del solenoide IN
| Magnet switch-on time |
100 % |
| Test pulse duration, maximum |
5 ms |
| Test pulse interval, minimum |
50 ms |
Datos eléctricos - Contactos de seguridad
| Tensión, categoría de utilización AC-15 |
230 VAC |
| Corriente, categoría de utilización AC-15 |
4 A |
| Tensión, categoría de utilización DC-13 |
24 VDC |
| Corriente, categoría de utilización DC-13 |
4 A |
Datos eléctricos - Contactos auxiliares
| Tensión, categoría de utilización AC-15 |
230 VAC |
| Corriente, categoría de utilización AC-15 |
4 A |
| Tensión, categoría de utilización DC-13 |
24 VDC |
| Corriente, categoría de utilización DC-13 |
4 A |
Otros datos
| Nota (aplicaciones) |
Resguardo de seguridad, corredera Resguardo de seguridad, desmontable Resguardo de seguridad, pivotante |
Incluido en el suministro
| Incluido en el suministro |
The actuator TZ/CO is included in delivery. |
Nota
| Nota (en general) |
Elektromagnetyczne blokady bezpieczeństwa ryglowane napięciem wolno stosować wyłącznie w przypadkach specjalnych po wnikliwej ocenie ryzyka wypadku, ponieważ przy zaniku napięcia lub uruchomieniu wyłącznika głównego istnieje możliwość otwarcia osłony. |
Filtro de idiomas
Ficha técnica
Manual de instrucciones y declaración de conformidad
Certificado CCC
Descargar la versión actual de Adobe Reader
Foto de producto (foto individual de catálogo)
ID: ktzf-f14
| 308,6 kB | .jpg | 352.778 x 254 mm - 1000 x 720 px - 72 dpi
| 37,1 kB | .png | 74.083 x 53.269000000000005 mm - 210 x 151 px - 72 dpi
| 35,2 kB | .png | 74.083 x 74.083 mm - 210 x 210 px - 72 dpi
| 3,5 MB | .png | 169.333 x 121.92 mm - 2000 x 1440 px - 300 dpi
| 38,3 kB | .jpg | 123.47200000000001 x 88.9 mm - 350 x 252 px - 72 dpi
Dibujo dimensional Componente básico
| Declaración de conformidad CE | ![]() |
| Original | Schmersal India Private Limited G-7/1, MIDC, Ranjangaon Tal. Shirur, Dist. Pune – 412 220 Maharashtra India Internet: www.schmersal.in |
| Declaración: | Por el presente documento declaramos que debido a su concepción y tipo de construcción, las piezas relacionadas cumplen con los requisitos de las Directivas Europeas que se indican a continuación. |
| Denominación del producto: | TZM / TZF |
| Modelo: | ver código de pedidos |
| Descripción de la pieza: | Enclavamiento con bloqueo por solenoide para funciones de seguridad |
| Directivas aplicables: | Directiva de Máquinas | 2006/42/CE |
| Directiva RoHS | 2011/65/UE |
| Normas aplicadas: | EN IEC 60947-5-1:2025 EN ISO 14119:2025 |
| Responsable de la recopilación de la documentación técnica: | Oliver Wacker Möddinghofe 30 42279 Wuppertal |
| Lugar y fecha de emisión: | Pune, 26. de enero de 2026 |
![]() |
| Firma legal Ramji Singh Director General |
| UK Declaration of Conformity | ![]() |
| Company: | Schmersal India Private Limited G-7/1, MIDC, Ranjangaon Tal. Shirur, Dist. Pune - 412 220 Maharashtra India Internet: www.schmersal.in |
| Declaration: | We hereby, under sole responsibility, certify that the hereafter described components both in their basic design and construction conform to the relevant statutory requirements, regulations and designated standards of the United Kingdom. |
| Name of the component: | TZM / TZF |
| Type: | See ordering code |
| Description of the component: | Interlocking device with electromagnetic interlock for safety functions |
| Relevant legislation: | Supply of Machinery (Safety) Regulations | 2008 |
| The Restriction of the Use of Certain Hazardous Substances in Electrical and Electronic Equipment Regulations | 2012 |
| Designated standards: | EN IEC 60947-5-1:2025 EN ISO 14119:2025 |
| UK-Importer / Person authorised for the compilation of the technical documentation: | Schmersal UK Ltd. Paul Kenney Unit 1, Sparrowhawk Close Enigma Business Park Malvern, Worcestershire, WR14 1GL |
| Place and date of issue: | Pune, January 26, 2026 |
![]() |
| Authorised signature Ramji Singh Managing Director |
Schmersal Ibérica, S.L., Rambla P. Catalanes, Nº 12, 08800 Vilanova i la Geltrú
Los datos e información anteriores se han verificado cuidadosamente. Las imágenes pueden diferir del original. Se pueden encontrar más datos técnicos en los manuales de instrucciones. Sujeto a cambios técnicos y errores.
Generated at: 19/4/2026 8:54


