AV 20LX30U
- Linksausführung
- Kunststoffgehäuse
- Fehlschließsicherung
- für 1-flügelige Türen
- für den Einsatz in Personenaufzügen zugelassen
- Hilfsentriegelung durch Dreikantschlüssel M5
Bestelldaten
| Produkt-Typbezeichnung |
AV 20LX30U |
| Artikelnummer (Bestellnummer) |
101133920 |
| EAN (European Article Number) |
4030661279756 |
| eCl@ss Nummer, Version 12.0 |
27-27-26-03 |
| eCl@ss Nummer, Version 11.0 |
27-27-26-03 |
| eCl@ss Nummer, Version 9.0 |
27-27-26-03 |
| ETIM Nummer, Version 7.0 |
EC002593 |
| ETIM Nummer, Version 6.0 |
EC002593 |
Zulassungen - Vorschriften
| Zertifikate |
TÜV CCC |
Allgemeine Daten
| Vorschriften |
EN 81-20 EN 81-50 |
| Werkstoff des Gehäuses |
Kunststoff, glasfaserverstärkter Thermoplast, selbstverlöschend |
| Werkstoff des Riegelbolzens |
Messing |
| Bruttogewicht |
550 g |
Allgemeine Daten - Eigenschaften
| Hilfsentriegelung |
Ja |
| Fehlschließsicherung vorhanden |
Ja |
| Sicherheitsfunktionen |
Ja |
| Anzahl der Hilfskontakte |
1 |
| Anzahl der Türflügel |
1 |
| Anzahl der Sicherheitskontakte |
1 |
Mechanische Daten
| Betätigungselement |
Zuglasche |
| Ausrichtung |
Linksausführung |
| Befestigung |
rückseitige Befestigungslöcher |
| Permanentmagnet |
Keramik-Oxidmagnete mit hoher Koerzitivfeldstärke |
Mechanische Daten - Anschlusstechnik
| Leitungseinführung |
ohne Kabelverschraubung |
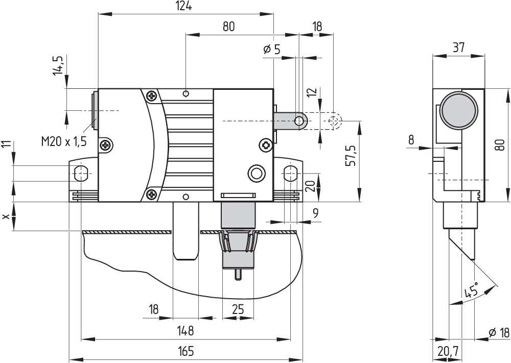
Mechanische Daten - Abmessungen
| Breite |
165 mm |
| Höhe |
80 mm |
| Tiefe |
37 mm |
| Durchmesser des Riegelbolzens |
18 mm |
| X-Maß des Riegelbolzen |
30 mm |
| Hinweis (X-Maß des Riegelbolzen) |
Die gesamte Riegelbolzenlänge ergibt sich aus der vorgeschriebenen Eintauchtiefe des Riegelbolzens in das Türblatt von 21 mm und dem X-Maß. Mit dem X-Maß bezeichnet man den Abstand zwischen der Gehäuseunterseite der Türverriegelung und der Türoberkante. |
| Ausführung des Riegelbolzen |
45° Anschrägung, von unten |
Umgebungsbedingungen
| Schutzart |
IP54 |
| Umgebungstemperatur |
-15 ... +70 °C |
Umgebungsbedingungen - Isolationskennwerte
| Bemessungsisolationsspannung Ui |
500 VAC |
| Bemessungsstoßspannungsfestigkeit Uimp |
6 kV |
Elektrische Daten
| Thermischer Dauerstrom |
10 A |
| Spannung, Gebrauchskategorie AC-15 |
230 VAC |
| Strom, Gebrauchskategorie AC-15 |
2 A |
| Spannung, Gebrauchskategorie DC-13 |
200 VDC |
| Strom, Gebrauchskategorie DC-13 |
2 A |
| Schaltelement |
Öffner (NC), Schließer (NO) |
| Schaltprinzip |
Schleichschaltung |
| Werkstoff der Kontakte, elektrisch |
Silber |
Hinweis
| Hinweis (Hilfsentriegelung) |
Zur manuellen Entriegelung mit Dreikantschlüssel M5, als Zubehör erhältlich |
Sprachfilter
Datenblatt
Betriebsanleitung (EU)
Baumusterprüfbescheinigung
CCC-Zertifikat
Info
SISTEMA-VDMA Bibliothek/Library
Download der aktuellen Version von Adobe Reader
Produktbild (Katalogeinzelphoto )
ID: kav20f05
| 336,6 kB | .jpg | 352.778 x 304.8 mm - 1000 x 864 Pixel - 72 dpi
| 47,4 kB | .jpg | 123.47200000000001 x 106.89200000000001 mm - 350 x 303 Pixel - 72 dpi
| 47,9 kB | .png | 74.083 x 74.083 mm - 210 x 210 Pixel - 72 dpi
| 50,5 kB | .png | 74.083 x 64.206 mm - 210 x 182 Pixel - 72 dpi
| 4,0 MB | .png | 169.333 x 146.389 mm - 2000 x 1729 Pixel - 300 dpi
Maßzeichnung Grundgerät
Bilder (Sonstige)
Montagebeispiel
ID: kav--m03
| EU-Konformitätserklärung | ![]() |
| Original | K.A. Schmersal GmbH & Co. KG Möddinghofe 30 42279 Wuppertal Germany Internet: www.schmersal.com |
| Erklärung: | Hiermit erklären wir, dass die nachfolgend aufgeführten Bauteile aufgrund der Konzipierung und Bauart den Anforderungen der unten angeführten Europäischen Richtlinien entsprechen. |
| Bezeichnung des Bauteils: | AV15, AV18, AV20, AV21, AV25, AV28 |
| Typ: | siehe Typenschlüssel |
| Baujahr: | siehe Typenschild |
| Beschreibung des Bauteils: | Türverriegelung |
| Einschlägige Richtlinien: | Niederspannungsrichtlinie | 2014/35/EU |
| Aufzugsrichtlinie | 2014/33/EU | |
| RoHS-Richtlinie | 2011/65/EU |
| Angewandte Normen: | EN 81-20:2020 EN 81-50:2020 |
| Benannte Stelle der Baumusterprüfung: | TÜV SÜD Industrie Service GmbH Westendstr. 199 80686 München Deutschland Kenn-Nr. 0036 |
| EU-Baumusterprüfbescheinigung: | EU-DL 059 (AV15), EU-DL 076 (AV18), EU-DL 528 (AV20), EU-DL 529 (AV21), EU-DL 060 (AV25), EU-DL 075 (AV28) |
| Ort und Datum der Ausstellung: | Wuppertal, 4. Juli 2025 |
![]() |
| Rechtsverbindliche Unterschrift Philip Schmersal Geschäftsführer |
AVS Schmersal Vertriebs GmbH, Biróstraße 17, A-1230 Wien
Die genannten Daten und Angaben wurden sorgfältig geprüft. Abbildungen können vom Original abweichen. Weitere technische Daten finden Sie in der Betriebsanleitung. Technische Änderungen und Irrtümer vorbehalten.
Generiert am: 15.04.2026, 07:01

