IFL 50-385-10/01D
| Ürün tip tanımı: IFL (1)-(2)-(3)(4)(5)(6)(7) |
| (1) | |
| 50 | Anahtarlama mesafesi 50 mm |
| (2) | |
| 385 | Blok yapı şekli, 135 x 80 x 40 mm |
| (3) | |
| 01 | Açıcı düzen (NC) |
| 10 | Normalde açık kontakt (NO) |
| 10/01 | Normalde açık kontakt (NO) / açıcı düzen (NC) ile kablolama kompartımanı |
| 11 | Normalde açık kontakt/Normalde kapalı kontakt (NO/NC) zıt anahtarlamalı |
| (4) | |
| yok | veya makine |
| D | DC 2-tel |
| (5) | |
| Z | Koruma sınıfı IP67 |
| (6) | |
| N | n-tipi |
| P | p-tipi |
| (7) | |
| 2130 | max. +130 °C, olmadan LED anahtarlama koşulları göstergesi |
- 3 Kablo girişi M 20 x 1.5
- Termoplastik muhafaza
- DC 2-tel
- Çift izolasyonlu
- Kablolama kompartımanı
- Tasarım 385
Sipariş ayrıntıları
| Ürün tip tanımı |
IFL 50-385-10/01D |
| Ürün numarası (sipariş numarası) |
101126029 |
| EAN (European Article Number) |
4030661277691 |
| eCl@ass Numara, Sürümü 12.0 |
27-27-40-01 |
| eCl@ass Numara, Sürümü 11.0 |
27-27-01-01 |
| eCl@ass Numara, Sürümü 9.0 |
27-27-01-01 |
| ETIM numarası, sürüm 7.0 |
EC002714 |
| ETIM numarası, sürüm 6.0 |
EC002714 |
Onaylar
| Verileri |
CCC |
Genel veriler
| Normlar, talimatlar |
DIN VDE 0660-208 EN IEC 60947-5-2 |
| Gövdenin konstrüksiyon şekli |
Blok |
| Yerleştirme koşulları (mekanik) |
bir hizada değil |
| Gövdelerin malzemesi |
Plastik |
| Brüt ağırlık |
378 g |
Genel veriler - Özellikler
| Entegre gösterge, durum |
Evet |
| Hat tellerinin sayısı |
2 |
Mechanical data - Switching distances
| Nominal çalışma mesafesi Sn |
50 mm |
| Not (anahtarlama mesafesi) |
All switching distances in accordance EN IEC 60947-5-2 |
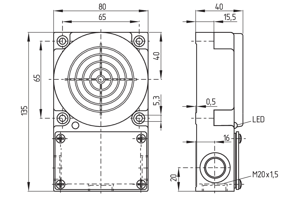
Mekanik veriler - Boyutlar
| Uzunluk veya makine |
2 m |
| kesme |
Vida bağlantısı M20 x 1.5 |
| Kablo kesiti, maximum |
2 x 1,5 mm² |
Mekanik veriler - Boyutlar
| Sensörün boyu |
40 mm |
| Sensörün genişliği |
80 mm |
| Sensörün yüksekliği |
135 mm |
Ortam koşulları
| Koruma sınıfı |
IP67 |
| Ortam sıcaklığı |
-25 ... +70 °C |
| Titreşim direnci |
10 … 55 Hz, Genlik 1 mm |
| şoka karşı direnç |
30 g / 11 ms |
| Koruma oranı |
II |
Ortam koşulları
| Nominal darbeye dayanma gerilimi Uimp |
4 kV |
Elektriksel veriler
| Nominal besleme frekansı, minimum |
45 Hz |
| Nominal besleme frekansı, maximum |
65 Hz |
| İşletim voltajı |
15 ... 250 VAC 15 ... 250 VAC |
| Gerilim aralığı tipi |
AC DC |
| Çalışma akımı, minimum |
10 mA |
| Nominal çalışma gerilimi |
15 ... 250 VAC |
| Çalışma akımı |
200 mA 500 mA |
| Anahtarlama elemanı |
Normalde açık kontakt (NO) veya açıcı düzen (NC) |
| Koruma devresi entegre edilmiş |
Endüktif girişim koruması ters kutuplamaya karşı koruma Aşırı yük koruması Nominal max. sigorta değeri |
| Anahtarlama frekansı, yaklaşık |
10 Hz |
Elektriksel veriler - Dijital çıkış
| Gerilim düşümü Ud, maksimum |
4,5 V |
| Ud gerilim düşüşünde akım Ud |
0,5 A |
| Anahtarlama elemanlarının tasarımı |
İki telli |
| Kalıcı akım lr, maximum |
1 mA |
Durum göstergesi
| Not (Entegre gösterge, durum) |
sarı LED |
Note
| Not (genel) |
Programmable by repositioning the plug-in jumper at the terminal screws Mounting angle HW 385-1 to simplify mounting available |
Dil filtresi
Veri sayfası
Montaj ve kablolama talimatları
Çalışma talimatları (ek sayfa/hızlı kılavuz)
AB Uygunluk Beyanı
CCC sertifikasyonu
Adobe Reader’ın son sürümünü indirin
Ürün resmi (katalog özel fotoğraf)
ID: kifl5f07
| 844,1 kB | .jpg | 352.778 x 529.167 mm - 1000 x 1500 px - 72 dpi
| 116,7 kB | .png | 74.083 x 111.125 mm - 210 x 315 px - 72 dpi
| 53,3 kB | .png | 74.083 x 74.083 mm - 210 x 210 px - 72 dpi
| 9,4 MB | .png | 169.249 x 254 mm - 1999 x 3000 px - 300 dpi
| 63,5 kB | .jpg | 82.197 x 123.47200000000001 mm - 233 x 350 px - 72 dpi
Boyutsal resim temel bileşeni
Diyagram
| UK Declaration of Conformity | ![]() |
| Company: | K.A. Schmersal GmbH & Co. KG Möddinghofe 30 42279 Wuppertal Germany Internet: www.schmersal.com |
| Declaration: | We hereby, under sole responsibility, certify that the hereafter described components both in their basic design and construction conform to the relevant statutory requirements, regulations and designated standards of the United Kingdom. |
| Name of the component: | IFL Design: Ø 4, Ø 6,5, Ø 20, Ø 40, M8, M12, M18, M30, 2.., 3.., 6.., R.. |
| Type: | See ordering code |
| Description of the component: | Inductive proximity switch |
| Relevant legislation: | Electrical Equipment (Safety) Regulations | 2016 |
| Electromagnetic Compatibility Regulations | 2016 | |
| The Restriction of the Use of Certain Hazardous Substances in Electrical and Electronic Equipment Regulations | 2012 |
| Designated standards: | EN IEC 60947-5-2:2020 |
| UK-Importer / Person authorised for the compilation of the technical documentation: | Schmersal UK Ltd. Paul Kenney Unit 1, Sparrowhawk Close Enigma Business Park Malvern, Worcestershire, WR14 1GL |
| Place and date of issue: | Wuppertal, January 16, 2023 |
![]() |
| Authorised signature Philip Schmersal Managing Director |
Schmersal Turkey Otomasyon Ürünleri ve Hizmetleri Ltd. Şti., Atatürk Mah. Ataşehir Bulvarı No:5, 34758 Ataşehir
Veriler ve ayrıntılar dikkatli bir şekilde kontrol edilmişlerdir. Görüntüler orijinalden farklı olabilir. Daha fazla teknik veri kılavuzda bulunabilir. Teknik değişiklikler ve hatalar olabilir.
Generated at: 17.04.2026 13:55

