AZM 170ST-12/11ZRKA 24VAC/DC
AZM 170ST-12/11ZRKA 24VAC/DC
| Typebenaming van het product: AZM 170(1)-(2)Z(3)K(4)-(5)-(6)-(7)-(8) |
| (1) | |
| Snijklemmen | |
| SK | Schroefaansluitklemmen |
| (2) | |
| 11 | 1 maakcontact (NO) / 1 verbreekcontact (NC) |
| 02 | 2 verbreekcontacten (NC) |
| (3) | |
| Arrêteerkracht 5 N | |
| R | Arrêteerkracht 30 N |
| (4) | |
| ruststroomprincipe | |
| A | arbeidsstroomprincipe |
| (5) | |
| Wartelinvoer M20 | |
| ST | 2 stekkers M12, 4-polig |
| ST-2431 | zoals ST, Individuele bewaking van de magneet-spoel |
| ST8 | Stekker M12 8-polig |
| (6) | |
| 24 VAC/DC | Us 24 VAC/DC |
| 110 VAC | Us 110 VAC |
| 230 VAC | Us 230 VAC |
| (7) | |
| 1637 | vergulde contacten |
| (8) | |
| hulpontgrendeling | |
| 2197 | zijdelingse hulpontgrendeling (standaard voor versie met gesloten circuit) |
| 2405 | Zijdelingse paniekontgrendeling |
- Stekkeraansluiting, draaibaar
- arbeidsstroomprincipe
- Kunststofbehuizing
- Dubbel geïsoleerd
- Compacte bouwvorm
- Vergrendeling met sluitbeveiliging
- Lange levensduur
- Hoge vasthoudkracht
Bestelvoorbeeld
| Typebenaming van het product |
AZM 170ST-12/11ZRKA 24VAC/DC |
| Artikelnummer (bestelnummer) |
101186198 |
| EAN (Europees Artikel Nummer) |
4030661333465 |
| eCl@ss nummer, versie 12.0 |
27-27-26-03 |
| eCl@ss nummer, versie 11.0 |
27-27-26-03 |
| eCl@ss nummer, versie 9.0 |
27-27-26-03 |
| ETIM-nummer, versie 7.0 |
EC002593 |
| ETIM-nummer, versie 6.0 |
EC002593 |
Certificeringen - Voorschriften
| Certificaten |
cULus CCC |
Algemene gegevens
| Voorschriften |
EN ISO 13849-1 EN ISO 14119 EN IEC 60947-5-1 |
| Codeerniveau volgens EN ISO 14119 |
gering |
| Werkingsprincipe |
elektromechanisch |
| Materiaal van de behuizing |
Kunststof, glasvezelversterkte thermoplast, zelfdovend |
| Brutogewicht |
301 g |
Algemene gegevens - Eigenschappen
| arbeidsstroomprincipe |
Ja |
| Arrêteerkracht |
Ja |
| Aantal aanlooprichtingen |
2 |
| Aantal hulpcontacten |
2 |
| Aantal veiligheidscontacten |
3 |
Classificatie
| Voorschriften |
EN ISO 13849-1 |
| Performance Level, tot |
c |
| Sturingscategorie |
1 |
| B10D verbreekcontact (NC) |
2.000.000 schakelingen |
| Opmerking |
Elektrische levensduur op aanvraag. |
| B10D Maakcontact (NO) |
1.000.000 schakelingen |
| Opmerking |
bij 10% Ie en weerstandsbelasting |
| Gebruiksduur |
20 Jaar (Jaren) |
Classificatie - Foutuitsluiting
| Opgelet: |
Bruikbaar wanneer een foutuitsluiting voor een gevaarlijke beschadiging van de 1-kanalige mechaniek toegelaten is en voldoende bescherming tegen manipulatie gegarandeerd is. |
| Performance Level, tot |
d |
| Sturingscategorie |
3 |
| Opmerking |
voor 2-kanaals gebruik en met geschikte logische eenheid. |
| Gebruiksduur |
20 Jaar (Jaren) |
Mechanische gegevens
| Mechanische levensduurduur, minimum |
1.000.000 schakelingen |
| Blokkeerkracht FZh volgens IOS14119 |
1.000 N |
| Blokkeerkracht Fmax, maximum |
1.300 N |
| Arrêteerkracht |
30 N |
| gedwongen verbrekingsweg |
11 mm |
| Positieve openingskracht per verbreekcontact, minimaal |
8,5 N |
| Gedwongen verbrekingskracht, minimum |
17 N |
| Max. bedieningssnelheid |
2 m/s |
| Bevestiging |
Schroeven |
| Uitvoering van de bevestigingsschroeven |
2XM4 |
| Aandraaimoment voor de bevestigingsschroeven van het toesteldeksel, minimum |
0,7 Nm |
| Aandraaimoment voor de bevestigingsschroeven van het toesteldeksel, maximum |
1 Nm |
| Opmerking |
Torx T10 |
Mechanische gegevens - Aansluittechniek
| Aansluitingen (mechanisch) |
Inbouwstekker M12, 8-polig, A-codering |
Mechanische gegevens - Afmetingen
| Lengte van de sensor |
30 mm |
| Breedte van de sensor |
90 mm |
| Hoogte van de sensor |
92,5 mm |
Omgevingsvoorwaarden
| Afdichtingsgraad |
IP67 |
| Omgevingstemperatuur |
-25 ... +60 °C |
| Opslag- en transporttemperatuur |
-25 ... +85 °C |
| Opmerking (relatieve vochtigheid) |
niet-condenserend geen berijping |
| Beschermklasse |
II |
| Toegelaten opstelhoogte boven NN, maximum |
2.000 m |
Omgevingsvoorwaarden - Isolatieparameters
| Nominale isolatiespanning Ui |
60 V |
| Nominale impulsspanningsvastheid Uimp |
0,8 kV |
| Overspanningscategorie |
III |
| Vervuilingsgraad |
3 |
Elektrische gegevens
| Thermische stroom |
2 A |
| Nominale voedingsspanning |
24 VDC |
| Nominale bedrijfsspanning |
24 VDC |
| Nominale bedrijfsstroom |
2.000 mA |
| Voorwaardelijke nominale kortsluitstroom |
1.000 A |
| Stroomverbruik, maximum |
12 W |
| Schakelelement |
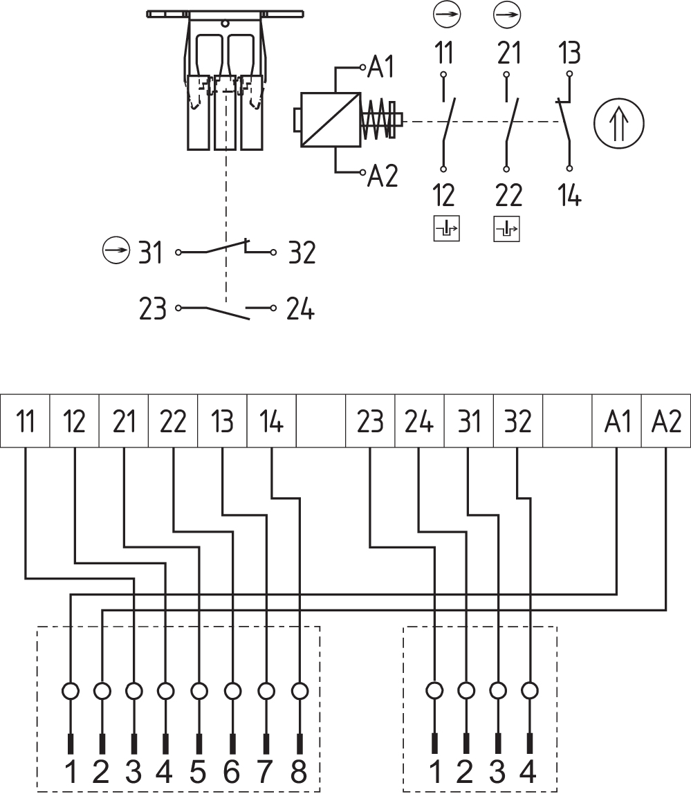
Magneet: 1 maakcontact (NO), 2 verbreekcontacten (NC) / Actuator 1 maakcontact (NO), 1 verbreekcontact (NC) |
| Opmerking (schakelelement) |
Wisselcontact met dubbele verbreking Zb of 2 verbreekcontacten, galvanisch gescheiden contactbruggen |
| Schakelprincipe |
Tastschakeling, gedwongen verbrekend contact |
| Maximale schakelfrequentie |
1.000 /h |
| Materiaal van de contacten, elektrisch |
Zilver |
Elektrische gegevens - magneetaansturing IN
| Inschakelduur magneet |
100 % |
| Testimpulsduur, maximum |
5 ms |
| Testimpulsinterval, minimum |
50 ms |
Elektrische gegevens - Veiligheidscontacten
| Spanning, gebruikscategorie DC-13 |
24 VDC |
| Stroom, gebruikscategorie DC-13 |
2 A |
Elektrische gegevens - Hulpcontacten
| Spanning, gebruikscategorie DC-13 |
24 VDC |
| Stroom, gebruikscategorie DC-13 |
2 A |
Andere gegevens
| Opmerking (toepassingen) |
schuifbare beschermvoorziening afneembare beschermvoorziening scharnierbare beschermvoorziening |
Leveringsomvang
| Leveringsomvang |
De actuator wordt niet meegeleverd. sleufafsluitstrip |
Opmerking
| Opmerking (hulpontgrendeling) |
Voor manuele ontgrendeling met driekantsleutel M5, als toebehoren verkrijgbaar |
Taalfilter
Datasheet
Bedieningshandleiding en conformiteitsverklaring
UL-certificaat
CCC certificaat
SISTEMA-VDMA-bibliotheek/library
Download de nieuwste versie van Adobe Reader
Foto van het product (individuele catalogusfoto)
Maatschets basistoestel
Contactschema
Poolschema
| UK Declaration of Conformity | ![]() |
| Company: | K.A. Schmersal GmbH & Co. KG Möddinghofe 30 42279 Wuppertal Germany Internet: www.schmersal.com |
| Declaration: | We hereby, under sole responsibility, certify that the hereafter described components both in their basic design and construction conform to the relevant statutory requirements, regulations and designated standards of the United Kingdom. |
| Name of the component: | AZM 170 |
| Type: | See ordering code |
| Description of the component: | Interlocking device with electromagnetic interlock for safety functions |
| Relevant legislation: | Supply of Machinery (Safety) Regulations | 2008 |
| Electromagnetic Compatibility Regulations | 2016 | |
| The Restriction of the Use of Certain Hazardous Substances in Electrical and Electronic Equipment Regulations | 2012 |
| Designated standards: | EN 60947-5-1:2017 EN ISO 14119:2013 |
| UK-Importer / Person authorised for the compilation of the technical documentation: | Schmersal UK Ltd. Paul Kenney Unit 1, Sparrowhawk Close Enigma Business Park Malvern, Worcestershire, WR14 1GL |
| Place and date of issue: | Wuppertal, March 30, 2023 |
![]() |
| Authorised signature Philip Schmersal Managing Director |
| EU-conformiteitsverklaring | ![]() |
| Original | K.A. Schmersal GmbH & Co. KG Möddinghofe 30 42279 Wuppertal Germany Internet: www.schmersal.com |
| Verklaring: | Hiermee verklaren wij dat de hieronder beschreven producten op grond van hun ontwerp en constructie beantwoorden aan de relevante Europese Richtlijnen. |
| Benaming van de component: | AZM 170 |
| Type: | zie bestelsleutel |
| Beschrijving van de component: | Vergrendelvoorziening met elektromagnetische vergrendeling voor veiligheidsfuncties |
| Geharmoniseerde Richtlijnen: | Machinerichtlijn | 2006/42/EG |
| EMC-Richtlijn | 2014/30/EU | |
| RoHS-Richtlijn | 2011/65/EU |
| Toegepaste normen: | DIN EN 60947-5-1:2018 EN ISO 14119:2013 |
| Gemachtigde voor het samenstellen van de technische documentatie: | Oliver Wacker Möddinghofe 30 42279 Wuppertal |
| Plaats en datum van opstelling: | Wuppertal, 4 mei 2022 |
![]() |
| Rechtsgeldige handtekening Philip Schmersal Directeur |
Schmersal Belgium, Nieuwlandlaan 73, 3200 Aarschot
De genoemde gegevens en informatie zijn zorgvuldig gecontroleerd. Afbeeldingen kunnen afwijken van het origineel. Verdere technische gegevens zijn te vinden in de handleiding. Technische wijzigingen en fouten voorbehouden.
Generated at: 23/04/2026 17:54

