AZM 170ST-12/11ZRK-2197 24VAC/DC
| 製品タイプの説明: AZM 170(1)-(2)Z(3)K(4)-(5)-(6)-(7)-(8) |
| (1) | |
| カットクランプ式 | |
| SK | ネジ接続 |
| (2) | |
| 11 | 1 NO 接点 / 1 NC 接点 |
| 02 | 2 NC接点 |
| (3) | |
| ラッチ力 5 N | |
| R | ラッチ力 30 N |
| (4) | |
| スプリングロック | |
| A | マグネットロック |
| (5) | |
| ケーブル引込口: M20 | |
| ST | 2コネクター、M12、4芯 |
| ST-2431 | STと同様、ソレノイド個別監視 |
| ST8 | 8芯 M12コネクター |
| (6) | |
| 24 VAC/DC | Us 24 VAC/DC |
| 110 VAC | Us 110 VAC |
| 230 VAC | Us 230 VAC |
| (7) | |
| 1637 | 金メッキ接点 |
| (8) | |
| 手動解除 | |
| 2197 | 側面手動解除 (標準スプリングロックタイプ) |
| 2405 | 側面緊急脱出 |
- サイド・マニュアルリリース
- コネクター接続, ヒンジ式
- スプリングロック
- 熱可塑性樹脂性ケース
- 二重絶縁
- コンパクトな設計
- 空閉じ防止機能
- 長寿命
- 高保持力
注文データ
| 製品タイプの説明 |
AZM 170ST-12/11ZRK-2197 24VAC/DC |
| 部品番号(注文番号) |
101186196 |
| EAN(欧州部品番号) |
4030661333458 |
| eCl@ss番号、バージョン12.0 |
27-27-26-03 |
| eCl@ss番号、バージョン11.0 |
27-27-26-03 |
| eCl@ss番号、バージョン9.0 |
27-27-26-03 |
| ETIM番号、バージョン7.0 |
EC002593 |
| ETIM番号、バージョン6.0 |
EC002593 |
認証
| 証明書 |
cULus CCC |
一般データ
| 規格 |
EN ISO 13849-1 EN ISO 14119 EN IEC 60947-5-1 |
| EN ISO 14119に準拠したコーディングレベル |
Low |
| アクティブ原理 |
電気機械式 |
| ハウジング 材質 |
樹脂、グラスファイバー強化熱可塑性樹脂、自己消火性 |
| 総重量 |
310 g |
一般データ - 仕様
| スプリングロック |
Yes |
| より強いラッチ力 |
Yes |
| 手動解除 |
Yes |
| 動作方向の数 |
2 |
| 補助接点数 |
2 |
| 安全接点数 |
3 |
安全性評価
| 規定 |
EN ISO 13849-1 |
| パフォーマンスレベル、最大 |
c |
| カテゴリー |
1 |
| B10D 常閉接点 (NC) |
2,000,000 操作 |
| 注記 |
電気的寿命要問合せ |
| B10D 常開接点 (NO) |
1,000,000 操作 |
| 注記 |
@10%Ieおよび抵抗負荷 |
| ミッションタイム |
20 年 |
安全性評価 - 障害の除外
| 注意: |
Can be used when fault exclusion for dangerous damage to the 1-channel mechanism is permissible and sufficient protection against manipulation is guaranteed. |
| パフォーマンスレベル、最大 |
d |
| カテゴリー |
3 |
| 注記 |
適切なロジックユニットで、2チャンネル使用する場合 |
| ミッションタイム |
20 年 |
機械的データ
| ロック解除 |
回転式ラッチ解除 |
| 機械的寿命、最小 |
1,000,000 操作 |
| ロック時引抜き強度 FZh EN ISO 14119 に準拠 |
1,000 N |
| ロック時引抜き強度 Fmax, 最大 |
1,300 N |
| ラッチ力 |
30 N |
| 強制開離距離 |
11 mm |
| NC接点あたりの正方向ブレーク力、最小 |
8.5 N |
| 強制開離力、最小 |
17 N |
| 作動速度, 最大 |
2 m/s |
| 取り付け |
ネジ |
| 固定ネジの種類 |
2x M4 |
| ハウジングカバー用固定ネジの締め付けトルク、最小 |
0.7 Nm |
| ハウジングカバー用固定ネジの締め付けトルク、最大 |
1 Nm |
| 注記 |
Torx T10 |
機械的データ - 電気機械式
| 端子(機械) |
Connector plug M12, 8-pole, A-coded |
機械的データ - 寸法
| センサー長 |
30 mm |
| センサーの幅 |
108 mm |
| センサーの高さ |
92.5 mm |
環境条件
| 保護等級 |
IP67 |
| 使用周囲温度 |
-25 ... +60 °C |
| 保管および輸送温度 |
-25 ... +85 °C |
| 注記 (相対湿度) |
non-condensing non-icing |
| 保護等級 |
II |
| 許容される設置高度/標高(海抜), 最大 |
2,000 m |
環境条件 - 絶縁値
| 定格絶縁電圧 Ui |
60 V |
| 定格インパルス耐電圧 Uimp |
0.8 kV |
| 過電圧カテゴリー |
III |
| 汚染度 |
3 |
電気的データ
| 熱試験電流 |
2 A |
| 定格制御電圧 |
24 VDC |
| 定格動作電圧 |
24 VDC |
| 動作電流 |
2,000 mA |
| 要求定格短絡電流 |
1,000 A |
| 消費電力、最大 |
12 W |
| スイッチエレメント |
Magnet: 1 NO contact, 2 NC contacts / Actuator 1 NO contact, 1 NC contact |
| 注記 (スイッチエレメント) |
Change-over contact with double break, type Zb or 2 NC contacts, with galvanically separated contact bridges |
| スイッチ原理 |
slow action, positive break NC contact |
| 最大スイッチング周波数 |
1,000 /h |
| 接点材質、電気的 |
銀 |
電気的データ - ソレノイド制御
| マグネット起動時間 |
100 % |
| テストパルス幅、最大 |
5 ms |
| テストパルス間隔、最小 |
50 ms |
エレクトリカルデータ - 安全接点
| 電圧, 使用カテゴリー DC-13 |
24 VDC |
| 電流、使用カテゴリーDC-13 |
2 A |
エレクトリカルデータ – 補助接点
| 電圧, 使用カテゴリー DC-13 |
24 VDC |
| 電流、使用カテゴリーDC-13 |
2 A |
その他のデータ
| 注意 (アプリケーション) |
スライド式ガード 取り外し可能なガード ヒンジ式ガード |
納入品目
| 納入時同梱 |
Actuator must be ordered separately. スロットシール・プラグ |
Note
| 注記 (手動解除) |
right For manual release using M5 triangular key, available as accessory Additional manual release on side |
言語フィルター
データシート
Operating instructions and Declaration of conformity
UL Certificate
CCC certification
SISTEMA-VDMA library
Adobe Readerの最新版をダウンロードしてください
Product picture (catalogue individual photo)
ID: sazm1f52
| 359,5 kB | .jpg | 352.778 x 288.219 mm - 1000 x 817 px - 72 dpi
| 50,0 kB | .png | 74.083 x 60.678000000000004 mm - 210 x 172 px - 72 dpi
| 55,7 kB | .jpg | 123.47200000000001 x 100.894 mm - 350 x 286 px - 72 dpi
| 48,2 kB | .png | 74.083 x 74.083 mm - 210 x 210 px - 72 dpi
| 3,3 MB | .png | 169.333 x 138.345 mm - 2000 x 1634 px - 300 dpi
Dimensional drawing basic component
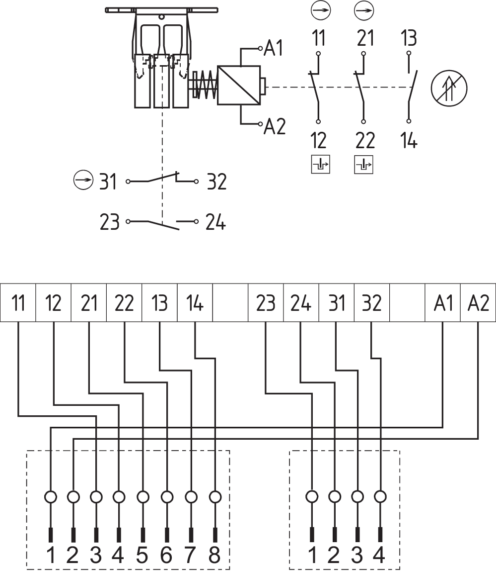
Diagram
Contact arrangement
Contact arrangement
Operating principle
| UK Declaration of Conformity | ![]() |
| Company: | K.A. Schmersal GmbH & Co. KG Möddinghofe 30 42279 Wuppertal Germany Internet: www.schmersal.com |
| Declaration: | We hereby, under sole responsibility, certify that the hereafter described components both in their basic design and construction conform to the relevant statutory requirements, regulations and designated standards of the United Kingdom. |
| Name of the component: | AZM 170 |
| Type: | See ordering code |
| Description of the component: | Interlocking device with electromagnetic interlock for safety functions |
| Relevant legislation: | Supply of Machinery (Safety) Regulations | 2008 |
| Electromagnetic Compatibility Regulations | 2016 | |
| The Restriction of the Use of Certain Hazardous Substances in Electrical and Electronic Equipment Regulations | 2012 |
| Designated standards: | EN 60947-5-1:2017 EN ISO 14119:2013 |
| UK-Importer / Person authorised for the compilation of the technical documentation: | Schmersal UK Ltd. Paul Kenney Unit 1, Sparrowhawk Close Enigma Business Park Malvern, Worcestershire, WR14 1GL |
| Place and date of issue: | Wuppertal, March 30, 2023 |
![]() |
| Authorised signature Philip Schmersal Managing Director |
| EU Declaration of Conformity | ![]() |
| Original | K.A. Schmersal GmbH & Co. KG Möddinghofe 30 42279 Wuppertal Germany Internet: www.schmersal.com |
| Declaration: | We hereby certify that the hereafter described components both in their basic design and construction conform to the applicable European Directives. |
| Name of the component: | AZM 170 |
| Type: | See ordering code |
| Description of the component: | Interlocking device with electromagnetic interlock for safety functions |
| Relevant Directives: | Machinery Directive | 2006/42/EC |
| EMC-Directive | 2014/30/EU | |
| RoHS-Directive | 2011/65/EU |
| Applied standards: | DIN EN 60947-5-1:2018 EN ISO 14119:2013 |
| Person authorised for the compilation of the technical documentation: | Oliver Wacker Möddinghofe 30 42279 Wuppertal |
| Place and date of issue: | Wuppertal, May 4, 2022 |
![]() |
| Authorised signature Philip Schmersal Managing Director |
シュメアザー株式会社, 〒222-0033 横浜市港北区新横浜3-9-5, 新横浜第3東昇ビル
データと詳細は完全にチェックされました。画像は元の画像と異なる場合があります。技術的なデータはマニュアルで見られます。技術的に変更されたり、エラーの可能性があります。
Generated at: 2026/04/23 9:46

