TZFW2MOES24VDC
| Produkt-Typbezeichnung: TZ(1)(2)(3)(4)(5)24VCD-(6) |
| (1) | |
| M | Arbeitsstromprinzip |
| F | Ruhestromprinzip |
| (2) | |
| Kontaktvarianten (vgl. auch 4.3) | |
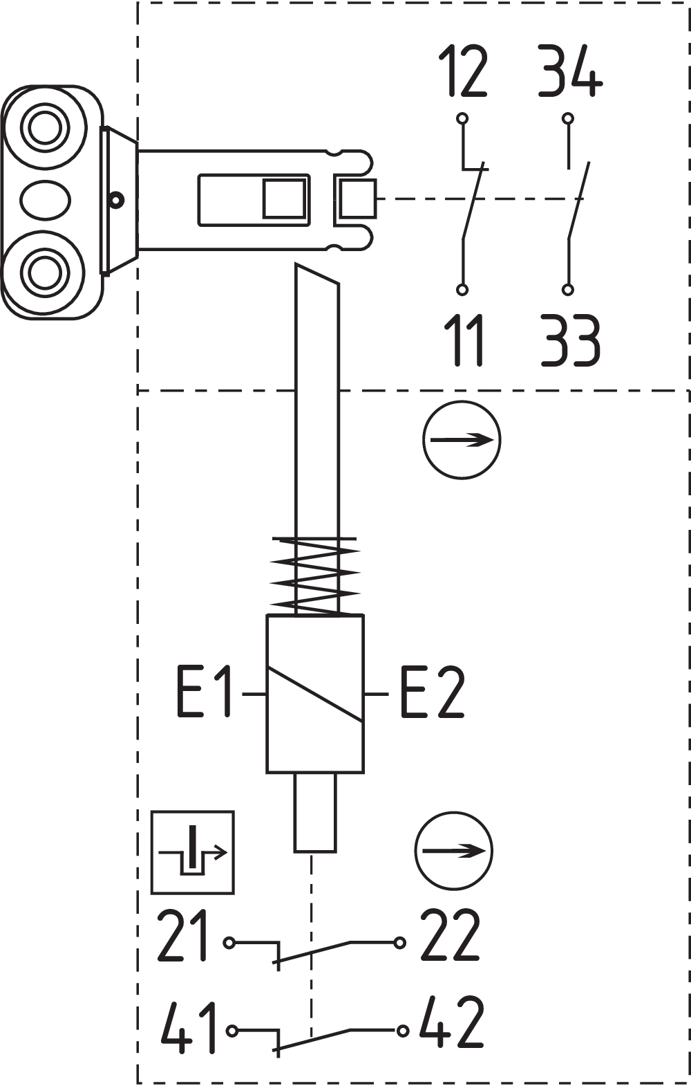
| Magnet: 1 Öffner (NC); Betätiger: 1 Öffner (NC) / 1 Schließer (NO) | |
| W | Magnet: 1 Öffner (NC); Betätiger: 1 Öffner (NC) / 1 Schließer (NO) |
| C | Magnet: 1 Öffner (NC) / 1 Schließer (NO); Betätiger: 1 Öffner (NC) / 1 Schließer (NO) |
| CW | Magnet: 1 Öffner (NC) / 1 Schließer (NO); Betätiger: 1 Öffner (NC) / 1 Schließer (NO) |
| 3OE/1S | Magnet: 1 Öffner (NC); Betätiger: 2 Öffner (NC) / 1 Schließer (NO) |
| W3OE | Magnet: 1 Öffner (NC); Betätiger: 2 Öffner (NC) / 1 Schließer (NO) |
| 4OE | Magnet: 2 Öffner (NC); Betätiger 2 Öffner (NC) |
| W2MOE | Magnet: 2 Öffner (NC); Betätiger: 1 Öffner (NC) / 1 Schließer (NO) |
| (3) | |
| N | Notentsperrung N |
| .NE | Handentsperrung .NE |
| .NEM | Handentsperrung .NEM |
| S | Hilfsentriegelung mit Dreikantschlüssel |
| SP | Hilfsentriegelung mit Dreikantschlüssel und Entriegelungsstange |
| S.NF | Flucht- und Hilfsentriegelung |
| (4) | |
| L | mit LED-Anzeige |
| (5) | |
| .CHI | Anfahrkopf erhöht und 180° gedreht |
| (6) | |
| 3053 | kundenspezifische Kontaktvariante |
- Kunststoffgehäuse
- Zuhaltekraft 1500 N
Bestelldaten
| Produkt-Typbezeichnung |
TZFW2MOES24VDC |
| Artikelnummer (Bestellnummer) |
131170457 |
| EAN (European Article Number) |
8905236102707 |
| eCl@ss Nummer, Version 12.0 |
27-27-26-03 |
| eCl@ss Nummer, Version 11.0 |
27-27-26-03 |
| eCl@ss Nummer, Version 9.0 |
27-27-26-03 |
| ETIM Nummer, Version 7.0 |
EC002593 |
| ETIM Nummer, Version 6.0 |
EC002593 |
Zulassungen - Vorschriften
| Zertifikate |
cULus CCC |
Allgemeine Daten
| Vorschriften |
BG-GS-ET-19 EN IEC 60947-5-1 |
| Codierstufe gemäß EN ISO 14119 |
gering |
| Wirkprinzip |
elektromechanisch |
| Werkstoff des Gehäuses |
Kunststoff, glasfaserverstärkter Thermoplast |
| Bruttogewicht |
600 g |
Allgemeine Daten - Eigenschaften
| Ruhestromprinzip |
Ja |
| Hilfsentriegelung |
Ja |
| Anzahl der Anfahrrichtungen |
4 |
Sicherheitsbetrachtung
| Vorschriften |
EN ISO 13849-1 |
| Performance Level, bis |
c |
| Kategorie |
1 |
| B10D Öffner (NC) |
2.000.000 Schaltspiele |
| Hinweis |
Elektrische Lebensdauer auf Anfrage. |
| B10D Schließer (NO) |
1.000.000 Schaltspiele |
| Hinweis |
bei 10% Ie und ohmscher Last |
| Gebrauchsdauer |
20 Jahre |
Sicherheitsbetrachtung - Fehlerausschluss
| Bitte beachten: |
Einsetzbar wenn ein Fehlerausschluss für eine gefahrbringende Beschädigung der 1-kanaligen Mechanik zulässig ist und ein ausreichender Manipulationsschutz gewährleistet ist. |
| Performance Level, bis |
d |
| Kategorie |
3 |
| Hinweis |
bei 2-kanaligen Einsatz und mit geeignter Logik-Einheit. |
| Gebrauchsdauer |
20 Jahre |
Sicherheitsbetrachtung - Zuhaltefunktion
| Performance Level, bis |
e |
| Hinweis (Performance Level) |
Informationen für die Sicherheitsbetrachtung der Zuhaltefunktion sind in der Betriebsanleitung oder in der Anleitung „Betrieb und Montage“ dokumentiert. |
Mechanische Daten
| Mechanische Lebensdauer, minimum |
1.000.000 Schaltspiele |
| Zuhaltekraft FZh gemäß EN ISO 14119 |
1.500 N |
| Rastkraft |
20 N |
| Zwangsöffnungsweg |
3,5 mm |
| Zwangsöffnungskraft je Öffnerkontakt, minimum |
20 N |
| Zwangsöffnungskraft, minimum |
20 N |
| Betätigungsgeschwindigkeit, maximum |
0,3 m/s |
| Befestigung |
Schrauben |
| Ausführung der Befestigungsschrauben |
3x M6 |
| Anzugsdrehmoment der Befestigungsschrauben für den Gehäusedeckel, minimum |
0,8 Nm |
| Anzugsdrehmoment der Befestigungsschrauben für den Gehäusedeckel, maximum |
0,8 Nm |
Mechanische Daten - Anschlusstechnik
| Leitungseinführung |
1 x M20 x 1,5 |
| Anschlussart |
Schraubklemmen |
| Anschlussquerschnitt, minimum |
1 x 0,5 mm² |
| Anschlussquerschnitt, maximum |
1 x 1,5 mm² |
| Hinweis |
Alle Angaben einschließlich Aderendhülsen. |
Mechanische Daten - Abmessungen
| Länge des Sensors |
41 mm |
| Breite des Sensors |
129 mm |
| Höhe des Sensors |
92,5 mm |
Umgebungsbedingungen
| Schutzart |
IP65 IP67 |
| Umgebungstemperatur |
+0 ... +50 °C |
| Hinweis (Relative Feuchtigkeit) |
nicht kondensierend nicht vereisend |
Umgebungsbedingungen - Isolationskennwerte
| Bemessungsisolationsspannung Ui |
250 VAC |
| Bemessungsstoßspannungsfestigkeit Uimp |
2,5 kV |
Elektrische Daten
| Thermischer Dauerstrom |
4 A |
| Bemessungssteuerspeisespannung |
24 VDC |
| Bedingter Bemessungskurzschlussstrom |
1.000 A |
| Elektrische Leistungsaufnahme, maximum |
8,5 W |
| Schaltprinzip |
Schleichschaltung |
| Maximale Schalthäufigkeit |
1.200 /h |
| Werkstoff der Kontakte, elektrisch |
Silber |
Elektrische Daten - Magnetansteuerung
| Einschaltdauer Magnet |
100 % |
| Testpulsdauer, maximum |
5 ms |
| Testpulsintervall, minimum |
50 ms |
Elektrische Daten - Sicherheitskontakte
| Spannung, Gebrauchskategorie AC-15 |
230 VAC |
| Strom, Gebrauchskategorie AC-15 |
4 A |
| Spannung, Gebrauchskategorie DC-13 |
24 VDC |
| Strom, Gebrauchskategorie DC-13 |
4 A |
Elektrische Daten - Hilfskontakte
| Spannung, Gebrauchskategorie AC-15 |
230 VAC |
| Strom, Gebrauchskategorie AC-15 |
4 A |
| Spannung, Gebrauchskategorie DC-13 |
24 VDC |
| Strom, Gebrauchskategorie DC-13 |
4 A |
Sonstige Daten
| Hinweis (Applikationsanwendungen) |
verschiebbare Schutzeinrichtung abnehmbare Schutzeinrichtung drehbare Schutzeinrichtung |
Lieferumfang
| Lieferumfang |
Betätiger TZ/CO ist im Lieferumfang enthalten. |
Hinweis
| Hinweis (Hilfsentriegelung) |
Zur manuellen Entriegelung mit Dreikantschlüssel M3 (im Lieferumfang enthalten) |
Sprachfilter
Datenblatt
Betriebsanleitung (EU)
UL-Zertifikat
CCC-Zertifikat
Download der aktuellen Version von Adobe Reader
Produktbild (Katalogeinzelphoto )
ID: ktzf-f14
| 308,6 kB | .jpg | 352.778 x 254 mm - 1000 x 720 Pixel - 72 dpi
| 37,1 kB | .png | 74.083 x 53.269000000000005 mm - 210 x 151 Pixel - 72 dpi
| 35,2 kB | .png | 74.083 x 74.083 mm - 210 x 210 Pixel - 72 dpi
| 3,5 MB | .png | 169.333 x 121.92 mm - 2000 x 1440 Pixel - 300 dpi
| 38,3 kB | .jpg | 123.47200000000001 x 88.9 mm - 350 x 252 Pixel - 72 dpi
Maßzeichnung Grundgerät
| EU-Konformitätserklärung | ![]() |
| Original | Schmersal India Private Limited G-7/1, MIDC, Ranjangaon Tal. Shirur, Dist. Pune – 412 220 Maharashtra India Internet: www.schmersal.in |
| Erklärung: | Hiermit erklären wir, dass die nachfolgend aufgeführten Bauteile aufgrund der Konzipierung und Bauart den Anforderungen der unten angeführten Europäischen Richtlinien entsprechen. |
| Bezeichnung des Bauteils: | TZM / TZF |
| Typ: | siehe Typenschlüssel |
| Beschreibung des Bauteils: | Verriegelung mit elektromagnetischer Zuhaltung für Sicherheitsfunktionen |
| Einschlägige Richtlinien: | Maschinenrichtlinie | 2006/42/EG |
| RoHS-Richtlinie | 2011/65/EU |
| Angewandte Normen: | EN IEC 60947-5-1:2025 EN ISO 14119:2025 |
| Bevollmächtigter für die Zusammenstellung der technischen Unterlagen: | Oliver Wacker Möddinghofe 30 42279 Wuppertal |
| Ort und Datum der Ausstellung: | Pune, 26. Januar 2026 |
![]() |
| Rechtsverbindliche Unterschrift Ramji Singh Geschäftsführer |
| UK Declaration of Conformity | ![]() |
| Company: | Schmersal India Private Limited G-7/1, MIDC, Ranjangaon Tal. Shirur, Dist. Pune - 412 220 Maharashtra India Internet: www.schmersal.in |
| Declaration: | We hereby, under sole responsibility, certify that the hereafter described components both in their basic design and construction conform to the relevant statutory requirements, regulations and designated standards of the United Kingdom. |
| Name of the component: | TZM / TZF |
| Type: | See ordering code |
| Description of the component: | Interlocking device with electromagnetic interlock for safety functions |
| Relevant legislation: | Supply of Machinery (Safety) Regulations | 2008 |
| The Restriction of the Use of Certain Hazardous Substances in Electrical and Electronic Equipment Regulations | 2012 |
| Designated standards: | EN IEC 60947-5-1:2025 EN ISO 14119:2025 |
| UK-Importer / Person authorised for the compilation of the technical documentation: | Schmersal UK Ltd. Paul Kenney Unit 1, Sparrowhawk Close Enigma Business Park Malvern, Worcestershire, WR14 1GL |
| Place and date of issue: | Pune, January 26, 2026 |
![]() |
| Authorised signature Ramji Singh Managing Director |
AVS Schmersal Vertriebs GmbH, Biróstraße 17, A-1230 Wien
Die genannten Daten und Angaben wurden sorgfältig geprüft. Abbildungen können vom Original abweichen. Weitere technische Daten finden Sie in der Betriebsanleitung. Technische Änderungen und Irrtümer vorbehalten.
Generiert am: 19.04.2026, 19:56


