SRB301SQ 230V
- 3 Sicherheitskontakte, STOP 0
- 1 Meldeausgang
- Geeignet zur Signalverarbeitung von potenzialfreien Kontakten
Bestelldaten
| Hinweis (Lieferfähigkeit) |
Nicht mehr lieferbar! |
| Ersetzt die Artikelnummer |
101177166 |
| Produkt-Typbezeichnung |
SRB301SQ 230V |
| Artikelnummer (Bestellnummer) |
101170100 |
| EAN (European Article Number) |
4250116201501 |
| eCl@ss Nummer, Version 12.0 |
27-37-18-19 |
| eCl@ss Nummer, Version 11.0 |
27-37-18-19 |
| eCl@ss Nummer, Version 9.0 |
27-37-18-19 |
| ETIM Nummer, Version 7.0 |
EC001449 |
| ETIM Nummer, Version 6.0 |
EC001449 |
Zulassungen - Vorschriften
| Zertifikate |
TÜV cULus CCC |
Allgemeine Daten
| Vorschriften |
EN IEC 62061 EN ISO 13849-1 EN IEC 60947-5-1 EN IEC 60947-5-3 EN IEC 60947-5-5 EN IEC 61508 EN IEC 60204-1 EN IEC 60947-1 |
| Klimabeanspruchung |
EN 60068-2-78 |
| Werkstoff des Gehäuses |
Kunststoff, glasfaserverstärkter Thermoplast, belüftet |
| Bruttogewicht |
250 g |
Allgemeine Daten - Eigenschaften
| elektronische Sicherung |
Ja |
| Drahtbrucherkennung |
Ja |
| Querschlusserkennung |
Ja |
| Abnehmbare Klemmen |
Ja |
| Starteingang |
Ja |
| Rückführkreis |
Ja |
| Automatische Reset-Funktion |
Ja |
| Reset Flankendetektion |
Ja |
| Erdschlusserkennung |
Ja |
| Integrierte Anzeige, Status |
Ja |
| Anzahl der Hilfskontakte |
1 |
| Anzahl der LEDs |
3 |
| Anzahl der Öffner |
2 |
| Anzahl der Sicherheitskontakte |
3 |
Sicherheitsbetrachtung
| Vorschriften |
EN IEC 60947-5-1 EN IEC 61508 |
| Stop-Kategorie |
0 |
Sicherheitsbetrachtung - Relaisausgänge
| Performance Level, bis |
e |
| Kategorie |
4 |
| Diagnostic Coverage (DC) Level |
> 99 % |
| PFH-Wert |
2,00 x 10⁻⁸ /h |
| Safety Integrity Level (SIL), geeignet für Anwendungen in |
3 |
| Gebrauchsdauer |
20 Jahre |
| Common Cause Failure (CCF), minmum |
65 |
Mechanische Daten
| Mechanische Lebensdauer, minimum |
10.000.000 Schaltspiele |
| Befestigung |
Schnellbefestigung für Normschienen nach DIN EN 60715 |
Mechanische Daten - Anschlusstechnik
| Anschlussbezeichnung |
IEC/EN 60947-1 |
| Anschlussquerschnitt, minimum |
0,25 mm² |
| Anschlussquerschnitt, maximum |
2,5 mm² |
| Anzugsdrehmoment der Klemmen |
0,6 Nm |
| Zulässige Art der Leitung |
Starr eindrähtig Flexibel |
| Anschluss (mechanisch) |
Schraubklemmen |
Mechanische Daten - Abmessungen
| Breite |
22,5 mm |
| Höhe |
100 mm |
| Tiefe |
121 mm |
Umgebungsbedingungen
| Schutzart des Gehäuses |
IP40 |
| Schutzart des Einbauraumes |
IP54 |
| Schutzart der Klemmen bzw. Anschlüsse |
IP20 |
| Umgebungstemperatur |
-25 ... +45 °C |
| Lager- und Transporttemperatur |
-40 ... +85 °C |
| Schwingfestigkeit |
10 ... 55 Hz, Amplitude 0,35 mm |
| Schockfestigkeit |
30 g / 11 ms |
Umgebungsbedingungen - Isolationskennwerte
| Bemessungsstoßspannungsfestigkeit Uimp |
4 kV |
| Überspannungskategorie |
II |
| Verschmutzungsgrad |
2 |
Elektrische Daten
| Frequenzbereich |
50 Hz 60 Hz |
| Betriebsspannung |
48 ... 240 VAC |
| Art des Spannungsbereichs |
AC |
| Bemessungsbetriebsspannung |
48 ... 240 VAC |
| Bemessungssteuerspeisespannung bei AC 50 Hz, minimum |
48 VAC |
| Bemessungssteuerspeisespannung bei AC 50 Hz, maximum |
240 VAC |
| Bemessungssteuerspeisespannung bei AC 60 Hz, minimum |
48 VAC |
| Bemessungssteuerspeisespannung bei AC 60 Hz, maximum |
240 VAC |
| Spannung, Gebrauchskategorie AC-15 |
230 VAC |
| Strom, Gebrauchskategorie AC-15 |
6 A |
| Spannung, Gebrauchskategorie DC-13 |
24 VDC |
| Strom, Gebrauchskategorie DC-13 |
6 A |
| Elektrische Leistungsaufnahme |
2,8 VA |
| Kontaktwiderstand, maximum |
0,1 Ω |
| Hinweis (Kontaktwiderstand) |
in Neuzustand |
| Abfallverzögerung bei NOT-HALT, typisch |
20 ms |
| Abfallverzögerung bei NOT-HALT, maximum |
25 ms |
| Anzugsverzögerung bei automatischen Start, typisch |
30 ms |
| Anzugsverzögerung bei automatischen Start, maximum |
35 ms |
| Anzugsverzögerung bei RESET, typisch |
15 ms |
| Schaltfrequenz, maximum |
5 Hz |
| Werkstoff der Kontakte, elektrisch |
AgSnO, selbstreinigend, zwangsgeführt |
Elektrische Daten - Digitale Eingänge
| Leitungswiderstand, maximum |
40 Ω |
Elektrische Daten - Elektromagnetische Verträglichkeit (EMV)
| Störfestigkeit |
EMV-Richtlinie |
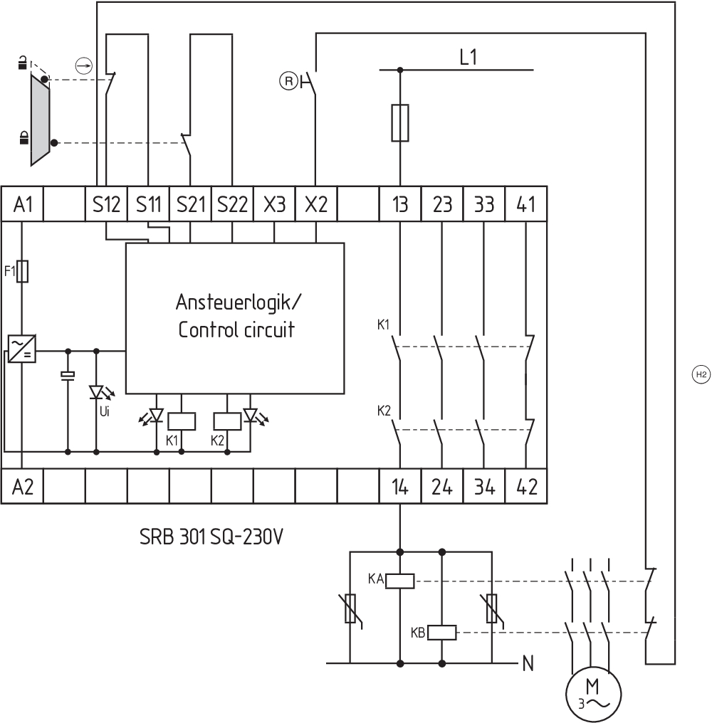
Zustandsanzeige
| Angezeigte Funktionszustände |
Stellung der Relais K2 Stellung der Relais K1 |
Sonstige Daten
| Hinweis (Applikationsanwendungen) |
Schutzeinrichtung NOT-HALT-Taster Seilzug-Notschalter |
Hinweis
| Hinweis (Allgemein) |
Induktive Verbraucher (Schütze, Relais etc.) sind durch eine geeignete Beschaltung zu entstören. |
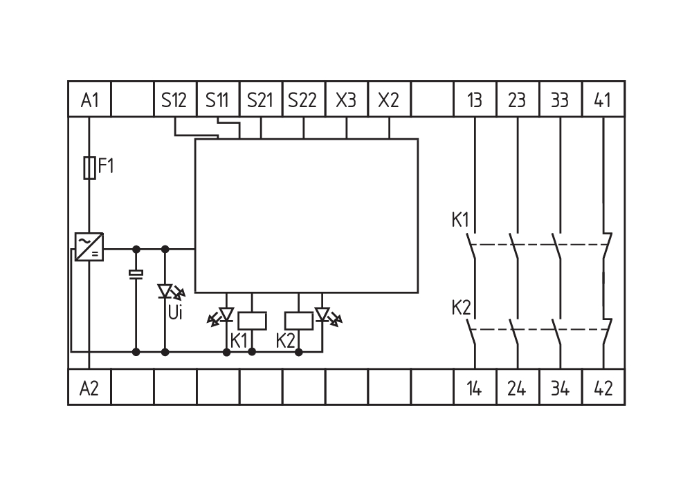
Schaltungsbeispiel
| Hinweis (Schaltungsbeispiel) |
Das Schaltungsbeispiel ist bei geschlossenen Schutzeinrichtungen und im spannungslosen Zustand dargestellt. Leistungsebene: 2-kanalige Ansteuerung geeignet zur Kontaktverstärkung bzw. Kontaktvervielfältigung durch Schütze oder Relais mit zwangsgeführten Kontakten. Die Ansteuerung erkennt Querschlüsse, Drahtbrüche und Erdschlüsse im Überwachungskreis. Eingangsebene: 2-kanalige Ansteuerung, dargestellt am Beispiel einer Schutztürüberwachung mit zwei Positionsschaltern, davon einer zwangsöffnend, externem Reset-Taster (R); Querschlusserkennung und Rückführkreis (H2) Automatischer Start: Die Programmierung auf automatischen Start erfolgt durch die Einbindung des Rückführkreises an die Klemmen S12/X3. Bei nicht benötigtem Rückführkreis ist dieser durch eine Brücke zu ersetzen. |
Sprachfilter
Datenblatt
Betriebsanleitung (EU)
UL-Zertifikat
CCC-Zertifikat
Schaltungsbeispiel (elektr. Verdrahtung)
Download der aktuellen Version von Adobe Reader
Produktbild (Katalogeinzelphoto )
ID: ksrb3f05
| 805,5 kB | .jpg | 265.994 x 625.1220000000001 mm - 754 x 1772 Pixel - 72 dpi
| 100,8 kB | .png | 74.083 x 173.919 mm - 210 x 493 Pixel - 72 dpi
| 39,0 kB | .jpg | 52.564 x 123.47200000000001 mm - 149 x 350 Pixel - 72 dpi
| 29,2 kB | .png | 74.083 x 74.083 mm - 210 x 210 Pixel - 72 dpi
| 8,6 MB | .png | 169.333 x 397.933 mm - 2000 x 4700 Pixel - 300 dpi
Schaltungsbeispiel
Schaltungsbeispiel
Symbol (technischer Standard)
AVS Schmersal Vertriebs GmbH, Biróstraße 17, A-1230 Wien
Die genannten Daten und Angaben wurden sorgfältig geprüft. Abbildungen können vom Original abweichen. Weitere technische Daten finden Sie in der Betriebsanleitung. Technische Änderungen und Irrtümer vorbehalten.
Generiert am: 17.04.2026, 13:05