AES1337
- Überwachung von magnetischen Sicherheits-Sensoren der Reihe BNS
- 3 Sicherheitskontakte, STOP 0
- 1 Meldeausgang
Bestelldaten
| Hinweis (Lieferfähigkeit) |
Auslaufprodukt |
| Produkt-Typbezeichnung |
AES1337 |
| Artikelnummer (Bestellnummer) |
101172210 |
| EAN (European Article Number) |
4250116201839 |
| eCl@ss Nummer, Version 12.0 |
27-37-18-19 |
| eCl@ss Nummer, Version 11.0 |
27-37-18-19 |
| eCl@ss Nummer, Version 9.0 |
27-37-18-19 |
| ETIM Nummer, Version 7.0 |
EC001449 |
| ETIM Nummer, Version 6.0 |
EC001449 |
| Hinweis |
Auslaufprodukt |
Zulassungen - Vorschriften
| Zertifikate |
cULus CCC |
Allgemeine Daten
| Vorschriften |
BG-GS-ET-14 EN IEC 62061 EN ISO 13849-1 EN IEC 60947-5-1 EN IEC 60947-5-3 EN IEC 60947-5-5 EN IEC 61508 EN IEC 60204-1 EN IEC 60947-1 |
| Klimabeanspruchung |
EN 60068-2-78 |
| Werkstoff des Gehäuses |
Kunststoff, glasfaserverstärkter Thermoplast, belüftet |
| Bruttogewicht |
280 g |
Allgemeine Daten - Eigenschaften
| elektronische Sicherung |
Ja |
| Drahtbrucherkennung |
Ja |
| Querschlusserkennung |
Ja |
| Starteingang |
Ja |
| Rückführkreis |
Ja |
| Automatische Reset-Funktion |
Ja |
| Reset Flankendetektion |
Ja |
| Erdschlusserkennung |
Ja |
| Integrierte Anzeige, Status |
Ja |
| Anzahl der Hilfskontakte |
1 |
| Anzahl der LEDs |
4 |
| Anzahl der Öffner |
1 |
| Anzahl der Schließer |
1 |
| Anzahl der Sicherheitskontakte |
3 |
Sicherheitsbetrachtung
| Vorschriften |
EN IEC 60947-5-1 EN IEC 61508 |
| Stop-Kategorie |
0 |
Sicherheitsbetrachtung - Relaisausgänge
| Performance Level, bis |
e |
| Kategorie |
4 |
| Diagnostic Coverage (DC) Level |
≥ 99 % |
| PFH-Wert |
2,00 x 10⁻⁸ /h |
| Safety Integrity Level (SIL), geeignet für Anwendungen in |
3 |
| Gebrauchsdauer |
20 Jahre |
| Common Cause Failure (CCF), minmum |
65 |
Mechanische Daten
| Mechanische Lebensdauer, minimum |
10.000.000 Schaltspiele |
| Befestigung |
Schnellbefestigung für Normschienen nach DIN EN 60715 |
Mechanische Daten - Anschlusstechnik
| Anschlussbezeichnung |
IEC/EN 60947-1 |
| Anschlussquerschnitt, minimum |
0,25 mm² |
| Anschlussquerschnitt, maximum |
2,5 mm² |
| Anzugsdrehmoment der Klemmen |
0,6 Nm |
| Zulässige Art der Leitung |
Starr eindrähtig Flexibel |
| Anschluss (mechanisch) |
Schraubklemmen |
Mechanische Daten - Abmessungen
| Breite |
22,5 mm |
| Höhe |
100 mm |
| Tiefe |
121 mm |
Umgebungsbedingungen
| Schutzart des Gehäuses |
IP40 |
| Schutzart des Einbauraumes |
IP54 |
| Schutzart der Klemmen bzw. Anschlüsse |
IP20 |
| Umgebungstemperatur |
-25 ... +45 °C |
| Lager- und Transporttemperatur |
-40 ... +85 °C |
| Schwingfestigkeit |
10 ... 55 Hz, Amplitude 0,35 mm |
| Schockfestigkeit |
10 g / 11 ms |
Umgebungsbedingungen - Isolationskennwerte
| Überspannungskategorie |
III |
| Verschmutzungsgrad |
2 |
Elektrische Daten
| Frequenzbereich |
50 Hz 60 Hz |
| Thermischer Dauerstrom |
6 A |
| Bemessungssteuerspeisespannung bei AC 50 Hz, minimum |
20.4 VAC |
| Bemessungssteuerspeisespannung bei AC 50 Hz, maximum |
26.4 VAC |
| Bemessungssteuerspeisespannung bei AC 60 Hz, minimum |
20.4 VAC |
| Bemessungssteuerspeisespannung bei AC 60 Hz, maximum |
26.4 VAC |
| Bemessungssteuerspeisespannung bei DC, minimum |
20,4 VDC |
| Bemessungssteuerspeisespannung bei DC, maximum |
28,8 VDC |
| Elektrische Leistungsaufnahme |
2,1 W |
| Elektrische Leistungsaufnahme |
3,5 VA |
| Kontaktwiderstand, maximum |
0,1 Ω |
| Hinweis (Kontaktwiderstand) |
in Neuzustand |
| Abfallverzögerung bei Netzausfall, typisch |
80 ms |
| Abfallverzögerung bei NOT-HALT, typisch |
20 ms |
| Anzugsverzögerung bei automatischen Start, typisch |
100 ms |
| Anzugsverzögerung bei RESET, typisch |
20 ms |
| Werkstoff der Kontakte, elektrisch |
AgSnO, selbstreinigend, zwangsgeführt |
Elektrische Daten - Sichere Relaisausgänge
| Spannung, Gebrauchskategorie AC-15 |
230 VAC |
| Strom, Gebrauchskategorie AC-15 |
6 A |
| Spannung, Gebrauchskategorie DC-13 |
24 VDC |
| Strom, Gebrauchskategorie DC-13 |
6 A |
| Schaltvermögen, minimum |
10 VDC |
| Schaltvermögen, minimum |
10 mA |
| Schaltvermögen, maximum |
250 VAC |
| Schaltvermögen, maximum |
8 A |
Elektrische Daten - Digitale Eingänge
| Leitungswiderstand, maximum |
40 Ω |
Elektrische Daten - Relaisausgänge (Hilfskontakte)
| Schaltvermögen, maximum |
24 VDC |
| Schaltvermögen, maximum |
2 A |
Elektrische Daten - Elektromagnetische Verträglichkeit (EMV)
| Störfestigkeit |
EMV-Richtlinie |
Zustandsanzeige
| Angezeigte Funktionszustände |
Stellung der Relais K2 Stellung der Relais K1 Interne Betriebsspannung Ui |
Sonstige Daten
| Hinweis (Applikationsanwendungen) |
Sicherheits-Sensor Schutzeinrichtung |
Hinweis
| Hinweis (Allgemein) |
Induktive Verbraucher (Schütze, Relais etc.) sind durch eine geeignete Beschaltung zu entstören. |
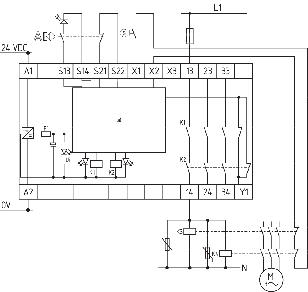
Schaltungsbeispiel
| Hinweis (Schaltungsbeispiel) |
Das Schaltungsbeispiel ist bei geschlossenen Schutzeinrichtungen und im spannungslosen Zustand dargestellt. Überwachung von 1 Schutzeinrichtung(en) mit je einem magnetischen Sicherheits-Sensor der Reihe BNS Der Rückführkreis überwacht die Stellung der Schütze K3 und K4. Zur Absicherung einer Schutzeinrichtung bis zu PL e und Kategorie 4 Automatischer Start: Die Programmierung auf automatischen Start erfolgt durch die Einbindung des Rückführkreises an die Klemmen X1/X3. Bei nicht benötigtem Rückführkreis ist dieser durch eine Brücke zu ersetzen. Start-Taster (S) mit Flankendetektion |
Sprachfilter
Datenblatt
Betriebsanleitung (EU)
UL-Zertifikat
CCC-Zertifikat
Schaltungsbeispiel (elektr. Verdrahtung)
SISTEMA-VDMA Bibliothek/Library
Download der aktuellen Version von Adobe Reader
Produktbild (Katalogeinzelphoto )
ID: kaes1f23
| 831,7 kB | .jpg | 265.994 x 625.1220000000001 mm - 754 x 1772 Pixel - 72 dpi
| 103,5 kB | .png | 74.083 x 173.919 mm - 210 x 493 Pixel - 72 dpi
| 42,7 kB | .jpg | 52.564 x 123.47200000000001 mm - 149 x 350 Pixel - 72 dpi
| 30,3 kB | .png | 74.083 x 74.083 mm - 210 x 210 Pixel - 72 dpi
| 8,8 MB | .png | 169.333 x 397.933 mm - 2000 x 4700 Pixel - 300 dpi
Schaltungsbeispiel
Symbol (technischer Standard)
103007672 SRB-E-301ST
- Steckbare Schraubklemmen mit Codierung
- STOP 0 Funktion
- 1 oder 2-kanalige Ansteuerung
- Starttaster / Auto-Start
- 1 Hilfskontakt
- 3 Sicherheitskontakte
103009970 SRB-E-201LC
- Steckbare Schraubklemmen mit Codierung
- STOP 0 Funktion
- 1 oder 2-kanalige Ansteuerung
- Starttaster / Auto-Start
- 2 Sicherheitsausgänge 2 A
- 1 Meldeausgang
| EU-Konformitätserklärung | ![]() |
| Original | K.A. Schmersal GmbH & Co. KG Möddinghofe 30 42279 Wuppertal Germany Internet: www.schmersal.com |
| Erklärung: | Hiermit erklären wir, dass die nachfolgend aufgeführten Bauteile aufgrund der Konzipierung und Bauart den Anforderungen der unten angeführten Europäischen Richtlinien entsprechen. |
| Bezeichnung des Bauteils: | AES1337 |
| Typ: | siehe Typenschlüssel |
| Beschreibung des Bauteils: | Relais-Sicherheitskombination für NOT-HALT-Schaltungen, Schutztürüberwachungen und Sicherheitsmagnetschalter |
| Einschlägige Richtlinien: | Maschinenrichtlinie | 2006/42/EG |
| EMV-Richtlinie | 2014/30/EU | |
| RoHS-Richtlinie | 2011/65/EU |
| Angewandte Normen: | EN 60947-5-1:2017 EN ISO 13849-1:2015 EN ISO 13849-2:2012 |
| Benannte Stelle für die Zertifizierung des QS-Systems nach Anhang X, 2006/42/EG: | TÜV Rheinland Industrie Service GmbH Am Grauen Stein, 51105 Köln Kenn-Nr.: 0035 |
| Bevollmächtigter für die Zusammenstellung der technischen Unterlagen: | Oliver Wacker Möddinghofe 30 42279 Wuppertal |
| Ort und Datum der Ausstellung: | Wuppertal, 12. Juli 2021 |
![]() |
| Rechtsverbindliche Unterschrift Philip Schmersal Geschäftsführer |
AVS Schmersal Vertriebs GmbH, Biróstraße 17, A-1230 Wien
Die genannten Daten und Angaben wurden sorgfältig geprüft. Abbildungen können vom Original abweichen. Weitere technische Daten finden Sie in der Betriebsanleitung. Technische Änderungen und Irrtümer vorbehalten.
Generiert am: 15.04.2026, 03:15

