AES 1156
- Überwachung von magnetischen Sicherheits-Sensoren der Reihe BNS
- 1 Sicherheitskontakt, STOP 0
Bestelldaten
| Hinweis (Lieferfähigkeit) |
Nicht mehr lieferbar! |
| Produkt-Typbezeichnung |
AES 1156 |
| Artikelnummer (Bestellnummer) |
101170042 |
| EAN (European Article Number) |
4030661296975 |
| eCl@ss Nummer, Version 12.0 |
27-37-18-19 |
| eCl@ss Nummer, Version 11.0 |
27-37-18-19 |
| eCl@ss Nummer, Version 9.0 |
27-37-18-19 |
| ETIM Nummer, Version 7.0 |
EC001449 |
| ETIM Nummer, Version 6.0 |
EC001449 |
Zulassungen - Vorschriften
| Zertifikate |
cULus |
Allgemeine Daten
| Vorschriften |
BG-GS-ET-14 BG-GS-ET-20 EN IEC 62061 EN ISO 13849-1 EN IEC 60947-5-1 EN IEC 60947-5-3 EN IEC 60947-5-5 EN IEC 60204-1 EN IEC 60947-1 |
| Klimabeanspruchung |
EN 60068-2-3 BG-GS-ET-14 |
| Werkstoff des Gehäuses |
Kunststoff, glasfaserverstärkter Thermoplast, belüftet |
| Bruttogewicht |
198 g |
Allgemeine Daten - Eigenschaften
| Drahtbrucherkennung |
Ja |
| Querschlusserkennung |
Ja |
| Automatische Reset-Funktion |
Ja |
| Anlauftestung |
Ja |
| Erdschlusserkennung |
Ja |
| Integrierte Anzeige, Status |
Ja |
| Anzahl der LEDs |
1 |
| Anzahl der Öffner |
2 |
| Anzahl der Schließer |
2 |
| Anzahl der unverzögerten Halbleiter-Ausgänge mit Meldefunktion |
2 |
| Anzahl der Sicherheitskontakte |
1 |
Sicherheitsbetrachtung
| Vorschriften |
EN ISO 13849-1 EN IEC 61508 |
| Stop-Kategorie |
0 |
Sicherheitsbetrachtung - Relaisausgänge
| Performance Level, bis |
d |
| Kategorie |
3 |
| PFH-Wert |
1,00 x 10⁻⁷ /h |
| Hinweis |
bis max. 50.000 Schaltzyklen/Jahr und bei max. 80% Kontaktlast |
| Safety Integrity Level (SIL), geeignet für Anwendungen in |
2 |
| Gebrauchsdauer |
20 Jahre |
Mechanische Daten
| Mechanische Lebensdauer, minimum |
20.000.000 Schaltspiele |
| Befestigung |
Schnellbefestigung für Normschienen nach DIN EN 60715 |
Mechanische Daten - Anschlusstechnik
| Anschlussbezeichnung |
IEC/EN 60947-1 |
| Anschlussquerschnitt, minimum |
0,25 mm² |
| Anschlussquerschnitt, maximum |
2,5 mm² |
| Anzugsdrehmoment der Klemmen |
0,6 Nm |
| Zulässige Art der Leitung |
Starr eindrähtig Flexibel |
| Anschluss (mechanisch) |
Schraubklemmen |
Mechanische Daten - Abmessungen
| Breite |
22,5 mm |
| Höhe |
100 mm |
| Tiefe |
121 mm |
Umgebungsbedingungen
| Schutzart des Gehäuses |
IP40 |
| Schutzart des Einbauraumes |
IP54 |
| Schutzart der Klemmen bzw. Anschlüsse |
IP20 |
| Umgebungstemperatur |
+0 ... +55 °C |
| Lager- und Transporttemperatur |
-25 ... +70 °C |
| Schwingfestigkeit |
10 ... 55 Hz, Amplitude 0,35 mm, ± 15 % |
| Schockfestigkeit |
30 g / 11 ms |
Umgebungsbedingungen - Isolationskennwerte
| Bemessungsstoßspannungsfestigkeit Uimp |
4 kV |
| Überspannungskategorie |
III |
| Verschmutzungsgrad |
2 |
Elektrische Daten
| Frequenzbereich |
50 Hz 60 Hz |
| Betriebsspannung |
24 VAC -15 % / +10 % |
| Restwelligkeit |
10 % |
| Thermischer Dauerstrom |
6 A |
| Bemessungsbetriebsspannung |
24 VAC |
| Bemessungsbetriebsspannung |
24 VDC |
| Bemessungssteuerspeisespannung bei AC 50 Hz, minimum |
20.4 VAC |
| Bemessungssteuerspeisespannung bei AC 50 Hz, maximum |
26.4 VAC |
| Bemessungssteuerspeisespannung bei AC 60 Hz, minimum |
20.4 VAC |
| Bemessungssteuerspeisespannung bei AC 60 Hz, maximum |
26.4 VAC |
| Bemessungssteuerspeisespannung bei DC, minimum |
20,4 VDC |
| Bemessungssteuerspeisespannung bei DC, maximum |
28,8 VDC |
| Elektrische Leistungsaufnahme |
5 W |
| Kontaktwiderstand, maximum |
0,1 Ω |
| Hinweis (Kontaktwiderstand) |
in Neuzustand |
| Abfallverzögerung bei Netzausfall, typisch |
80 ms |
| Abfallverzögerung bei NOT-HALT, typisch |
20 ms |
| Anzugsverzögerung bei automatischen Start, typisch |
100 ms |
| Anzugsverzögerung bei RESET, typisch |
20 ms |
| Werkstoff der Kontakte, elektrisch |
Ag-Ni 10 und 0,2 µm vergoldet |
Elektrische Daten - Sichere Relaisausgänge
| Spannung, Gebrauchskategorie AC-15 |
230 VAC |
| Strom, Gebrauchskategorie AC-15 |
6 A |
| Spannung, Gebrauchskategorie DC-13 |
24 VDC |
| Strom, Gebrauchskategorie DC-13 |
6 A |
| Schaltvermögen, minimum |
10 VDC |
| Schaltvermögen, minimum |
10 mA |
| Schaltvermögen, maximum |
250 VAC |
| Schaltvermögen, maximum |
8 A |
Elektrische Daten - Digitale Eingänge
| Eingangspegel, HIGH-Signal "1" |
10 … 30 VDC |
| Eingangspegel, LOW-Signal "0" |
0 … 2 VDC |
| Leitungswiderstand, maximum |
40 Ω |
Elektrische Daten - Digitale Ausgänge
| Spannung, Gebrauchskategorie DC-12 |
24 VDC |
| Strom, Gebrauchskategorie DC-12 |
0,1 A |
Elektrische Daten - Relaisausgänge (Hilfskontakte)
| Schaltvermögen, maximum |
24 VDC |
| Schaltvermögen, maximum |
2 A |
Elektrische Daten - Elektromagnetische Verträglichkeit (EMV)
| Störfestigkeit |
EMV-Richtlinie |
Integrierte Systemdiagnose (ISD)
| Hinweis (ISD-Fehler) |
Folgende Fehler werden von dem Sicherheitsbaustein erkannt und durch ISD angezeigt. |
| Fehler |
Nicht-Anziehen oder Nicht-Abfallen der Sicherheitsrelais Nicht-Öffnen oder Nicht-Schließen der Türkontakte Quer- oder Kurzschlüsse an den Schalterleitungen Unterbrechung der Schalterleitungen Fehler an den Eingangsschaltungen oder an den Relaisansteuerungen des Sicherheitsbausteins |
Sonstige Daten
| Hinweis (Applikationsanwendungen) |
Sicherheits-Sensor Schutzeinrichtung |
Hinweis
| Hinweis (Allgemein) |
Induktive Verbraucher (Schütze, Relais etc.) sind durch eine geeignete Beschaltung zu entstören. |
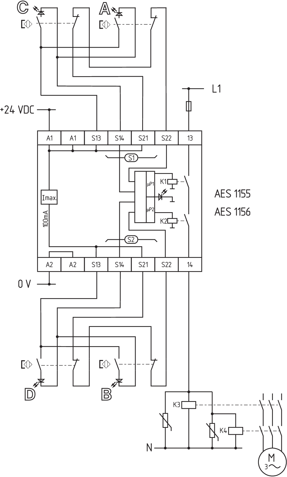
Schaltungsbeispiel
| Hinweis (Schaltungsbeispiel) |
Überwachung mehrerer Schutzeinrichtungen mit magnetischen Sicherheits-Sensoren der Reihe BNS Das Schaltungsbeispiel ist bei geschlossenen Schutzeinrichtungen und im spannungslosen Zustand dargestellt. Werden ein oder zwei externe Relais oder Schütze zum Schalten der Last verwendet, kann das System nur dann in Kategorie 3 gem. EN ISO 13849-1 eingestuft werden, wenn der Fehlerausschluss „Versagen des oder der externen Schütze“ begründet und dokumentiert werden kann, z.B. bei Verwendung zuverlässiger, überdimensionierter Schütze. Ein zweites Schütz führt zur Erhöhung der Sicherheit durch redundante Abschaltung der Last. Die ISD-Tabellen (Integrierte System-Diagnose) zur Analyse der Fehlermeldungen und ihrer Ursachen sind im Anhang aufgeführt. Zur Absicherung von einer oder mehreren Schutzeinrichtungen bis zu PL d und Kategorie 3 Der Öffnerkontakt muss beim Öffnen der Schutzeinrichtung zwangsöffnend ausgelegt sein. Verlängerung der Freigabeverzugszeit: Durch Umstecken einer Brücke unter dem Gehäusedeckel kann die Freigabeverzugszeit von 0,1 s auf 1 s eingestellt werden. |
Sprachfilter
Datenblatt
Betriebsanleitung (EU)
UL-Zertifikat
Schaltungsbeispiel (elektr. Verdrahtung)
Download der aktuellen Version von Adobe Reader
Produktbild (Katalogeinzelphoto )
ID: kaes1f24
| 702,8 kB | .jpg | 265.642 x 529.167 mm - 753 x 1500 Pixel - 72 dpi
| 83,8 kB | .png | 74.083 x 147.461 mm - 210 x 418 Pixel - 72 dpi
| 45,4 kB | .jpg | 62.089000000000006 x 123.47200000000001 mm - 176 x 350 Pixel - 72 dpi
| 33,0 kB | .png | 74.083 x 74.083 mm - 210 x 210 Pixel - 72 dpi
| 6,8 MB | .png | 169.333 x 337.312 mm - 2000 x 3984 Pixel - 300 dpi
Schaltungsbeispiel
103008070 SRB-E-204PE
- Steckbare Schraubklemmen mit Codierung
- Eingangserweiterung
- 1 oder 2-kanalige Ansteuerung
- Überwachung von 4 Sensoren
- 2 Sicherheitsausgänge
- 4 Meldeausgänge
103009973 SRB-E-204ST
- Steckbare Schraubklemmen mit Codierung
- STOP 0 Funktion
- Überwachung von 4 Sensoren
- Starttaster / Auto-Start
- 2 Sicherheitsausgänge
- 4 Meldeausgänge
| EU-Konformitätserklärung | ![]() |
| Original | K.A. Schmersal GmbH & Co. KG Möddinghofe 30 42279 Wuppertal Germany Internet: www.schmersal.com |
| Erklärung: | Hiermit erklären wir, dass die nachfolgend aufgeführten Bauteile aufgrund der Konzipierung und Bauart den Anforderungen der unten angeführten Europäischen Richtlinien entsprechen. |
| Bezeichnung des Bauteils: | AES 1135/1136 AES 1165/1165-2250 AES 1235/1236 AES 1265/1265-2250 AES 2135 AES 2335/2365 AES 2535 |
| Typ: | siehe Typenschlüssel |
| Beschreibung des Bauteils: | Sicherheitsauswertung |
| Einschlägige Richtlinien: | Maschinenrichtlinie | 2006/42/EG |
| EMV-Richtlinie | 2014/30/EU | |
| RoHS-Richtlinie | 2011/65/EU |
| Angewandte Normen: | DIN EN 60947-5-1:2018 DIN EN ISO 13849-1:2016 DIN EN ISO 13849-2:2013 |
| Benannte Stelle für die Zertifizierung des QS-Systems nach Anhang X, 2006/42/EG: | TÜV Rheinland Industrie Service GmbH Am Grauen Stein, 51105 Köln Kenn-Nr.: 0035 |
| Bevollmächtigter für die Zusammenstellung der technischen Unterlagen: | Oliver Wacker Möddinghofe 30 42279 Wuppertal |
| Ort und Datum der Ausstellung: | Wuppertal, 31. Januar 2024 |
![]() |
| Rechtsverbindliche Unterschrift Philip Schmersal Geschäftsführer |
AVS Schmersal Vertriebs GmbH, Biróstraße 17, A-1230 Wien
Die genannten Daten und Angaben wurden sorgfältig geprüft. Abbildungen können vom Original abweichen. Weitere technische Daten finden Sie in der Betriebsanleitung. Technische Änderungen und Irrtümer vorbehalten.
Generiert am: 15.04.2026, 01:43

