SRB-E-204PE
- Steckbare Schraubklemmen mit Codierung
- Eingangserweiterung
- 1 oder 2-kanalige Ansteuerung
- Überwachung von 4 Sensoren
- 2 Sicherheitsausgänge
- 4 Meldeausgänge
Bestelldaten
| Produkt-Typbezeichnung |
SRB-E-204PE |
| Artikelnummer (Bestellnummer) |
103008070 |
| EAN (European Article Number) |
4030661478494 |
| eCl@ss Nummer, Version 12.0 |
27-37-18-19 |
| eCl@ss Nummer, Version 11.0 |
27-37-18-19 |
| eCl@ss Nummer, Version 9.0 |
27-37-18-19 |
| ETIM Nummer, Version 7.0 |
EC001449 |
| ETIM Nummer, Version 6.0 |
EC001449 |
Zulassungen - Vorschriften
| Zertifikate |
TÜV cULus CCC |
Allgemeine Daten
| Vorschriften |
EN IEC 62061 EN ISO 13849-1 EN IEC 60947-5-1 EN IEC 60947-5-3 EN IEC 60947-5-5 EN IEC 61508 EN IEC 60204-1 EN IEC 60947-1 |
| Klimabeanspruchung |
EN 60068-2-78 |
| Werkstoff des Gehäuses |
Kunststoff, glasfaserverstärkter Thermoplast, belüftet |
| Bruttogewicht |
150 g |
Allgemeine Daten - Eigenschaften
| elektronische Sicherung |
Ja |
| Drahtbrucherkennung |
Ja |
| Querschlusserkennung |
Ja |
| Abnehmbare Klemmen |
Ja |
| Automatische Reset-Funktion |
Ja |
| Erdschlusserkennung |
Ja |
| Integrierte Anzeige, Status |
Ja |
| Integrierte Anzeige, Fehler-Code |
Ja |
| Anzahl der LEDs |
7 |
| Anzahl der Öffner |
8 |
| Anzahl der Schließer |
4 |
| Anzahl der sicheren digitalen Ausgänge, STOP 0 |
2 |
| Anzahl der Meldeausgänge |
4 |
Sicherheitsbetrachtung
| Vorschriften |
EN ISO 13849-1 EN IEC 62061 EN IEC 61508 |
| Stop-Kategorie |
0 |
Sicherheitsbetrachtung - Sichere digitale Ausgänge
| Performance Level, bis |
e |
| Kategorie |
4 |
| PFH-Wert |
2,66 x 10⁻⁹ /h |
| PFD-Wert |
2,42 x 10⁻⁵ |
| Safety Integrity Level (SIL), geeignet für Anwendungen in |
3 |
| Gebrauchsdauer |
20 Jahre |
Mechanische Daten
| Befestigung |
Schnellbefestigung für Normschienen nach DIN EN 60715 |
Mechanische Daten - Anschlusstechnik
| Anschlussbezeichnung |
IEC/EN 60947-1 |
| Anschlussquerschnitt, minimum |
0,25 mm² |
| Anschlussquerschnitt, maximum |
2,5 mm² |
| Anzugsdrehmoment der Klemmen |
0,5 Nm |
| Zulässige Art der Leitung |
Starr eindrähtig Flexibel |
| Anschluss (mechanisch) |
abnehmbare Schraubklemmen |
Mechanische Daten - Abmessungen
| Breite |
22,5 mm |
| Höhe |
98 mm |
| Tiefe |
115 mm |
Umgebungsbedingungen
| Schutzart des Gehäuses |
IP40 |
| Schutzart des Einbauraumes |
IP54 |
| Schutzart der Klemmen bzw. Anschlüsse |
IP20 |
| Umgebungstemperatur |
-25 ... +60 °C |
| Lager- und Transporttemperatur |
-40 ... +85 °C |
| Schwingfestigkeit |
10 ... 55 Hz, Amplitude 0,35 mm |
| Schockfestigkeit |
30 g / 11 ms |
Umgebungsbedingungen - Isolationskennwerte
| Bemessungsstoßspannungsfestigkeit Uimp |
0,8 kV |
| Überspannungskategorie |
III |
| Verschmutzungsgrad |
2 |
Elektrische Daten
| Betriebsspannung |
24 VDC -20 % / +20 % |
| Restwelligkeit |
10 % |
| Bemessungsbetriebsspannung |
24 VDC |
| Bemessungsbetriebsstrom |
125 mA |
| Bemessungssteuerspeisespannung bei DC, minimum |
19,2 VDC |
| Bemessungssteuerspeisespannung bei DC, maximum |
28,8 VDC |
| Elektrische Leistungsaufnahme |
3 W |
| Abfallverzögerung bei Netzausfall, typisch |
10 ms |
| Abfallverzögerung bei NOT-HALT, typisch |
10 ms |
| Anzugsverzögerung bei automatischen Start, typisch |
150 ms |
| Schaltfrequenz, maximum |
1 Hz |
Elektrische Daten - Sichere digitale Ausgänge
| Spannungsfall Ud, maximum |
0,5 V |
| Reststrom Ir, maximum |
1 mA |
| Spannung, Gebrauchskategorie DC-12 |
24 VDC |
| Strom, Gebrauchskategorie DC-12 |
2 A |
| Spannung, Gebrauchskategorie DC-13 |
24 VDC |
| Strom, Gebrauchskategorie DC-13 |
2 A |
Elektrische Daten - Digitale Eingänge
| Leitungswiderstand, maximum |
40 Ω |
Elektrische Daten - Digitale Ausgänge
| Spannung, Gebrauchskategorie DC-12 |
24 VDC |
| Strom, Gebrauchskategorie DC-12 |
0,1 A |
Elektrische Daten - Elektromagnetische Verträglichkeit (EMV)
| Störfestigkeit |
EMV-Richtlinie |
Zustandsanzeige
| Angezeigte Funktionszustände |
Interne Betriebsspannung Ui Baustein-Status Fehler-Codes |
Sonstige Daten
| Hinweis (Applikationsanwendungen) |
Sicherheits-Sensor drehbare Schutzeinrichtung NOT-HALT-Taster Seilzug-Notschalter Sicherheits-Lichtvorhang |
Sprachfilter
Datenblatt
Betriebsanleitung (EU)
UL-Zertifikat
CCC-Zertifikat
TÜV-Zertifikat
Broschüre
SISTEMA-VDMA Bibliothek/Library
Download der aktuellen Version von Adobe Reader
Produktbild (Katalogeinzelphoto )
ID: ksrb2f35
| 1,0 MB | .jpg | 281.869 x 655.8140000000001 mm - 799 x 1859 Pixel - 72 dpi
| 125,4 kB | .png | 74.083 x 172.156 mm - 210 x 488 Pixel - 72 dpi
| 46,3 kB | .jpg | 52.917 x 123.47200000000001 mm - 150 x 350 Pixel - 72 dpi
| 36,8 kB | .png | 74.083 x 74.083 mm - 210 x 210 Pixel - 72 dpi
| 12,4 MB | .png | 169.333 x 393.954 mm - 2000 x 4653 Pixel - 300 dpi
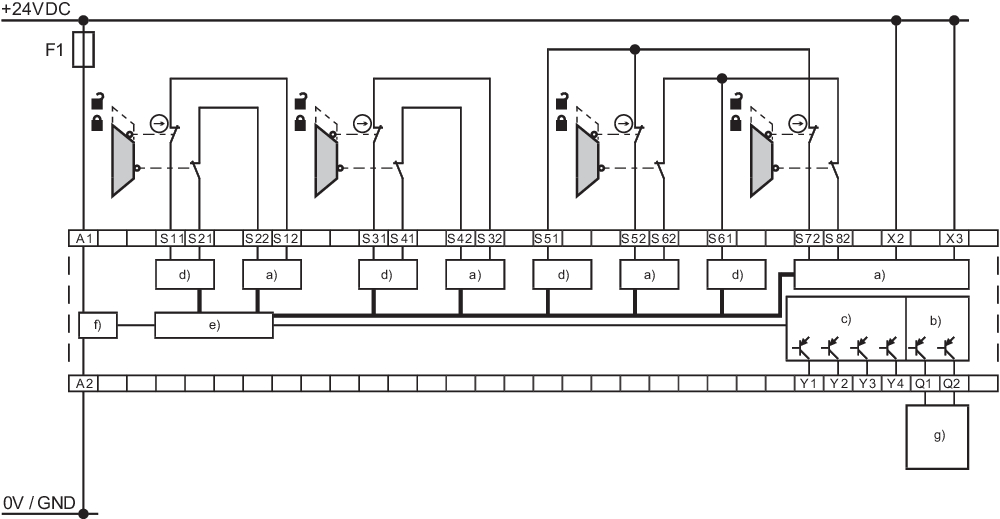
Schaltungsbeispiel
| EU-Konformitätserklärung | ![]() |
| Original | K.A. Schmersal GmbH & Co. KG Möddinghofe 30 42279 Wuppertal Germany Internet: www.schmersal.com |
| Erklärung: | Hiermit erklären wir, dass die nachfolgend aufgeführten Bauteile aufgrund der Konzipierung und Bauart den Anforderungen der unten angeführten Europäischen Richtlinien entsprechen. |
| Bezeichnung des Bauteils: | SRB-E-204ST SRB-E-204PE |
| Typ: | siehe Typenschlüssel |
| Beschreibung des Bauteils: | Relais-Sicherheitskombination für NOT-HALT-Schaltungen, Schutztürüberwachungen, Sicherheitsmagnetschalter und AOPD’s |
| Einschlägige Richtlinien: | Maschinenrichtlinie | 2006/42/EG |
| EMV-Richtlinie | 2014/30/EU | |
| RoHS-Richtlinie | 2011/65/EU |
| Angewandte Normen: | EN ISO 13849-1:2023 EN ISO 13849-2:2012 IEC 61508 Teile 1-7:2010 |
| Benannte Stelle der Baumusterprüfung: | TÜV Rheinland Industrie Service GmbH Am Grauen Stein, 51105 Köln Kenn-Nr.: 0035 |
| EG-Baumusterprüfbescheinigung: | 01/205/5635.01/25 |
| Bevollmächtigter für die Zusammenstellung der technischen Unterlagen: | Oliver Wacker Möddinghofe 30 42279 Wuppertal |
| Ort und Datum der Ausstellung: | Wuppertal, 23. September 2025 |
![]() |
| Rechtsverbindliche Unterschrift Philip Schmersal Geschäftsführer |
| UK Declaration of Conformity | ![]() |
| Company: | K.A. Schmersal GmbH & Co. KG Möddinghofe 30 42279 Wuppertal Germany Internet: www.schmersal.com |
| Declaration: | We hereby, under sole responsibility, certify that the hereafter described components both in their basic design and construction conform to the relevant statutory requirements, regulations and designated standards of the United Kingdom. |
| Name of the component: | SRB-E-204ST SRB-E-204PE |
| Type: | See ordering code |
| Description of the component: | Relay-safety combination for emergency stop circuits, guard door monitoring, solenoid safety switches and AOPD’s |
| Relevant legislation: | Supply of Machinery (Safety) Regulations | 2008 |
| Electromagnetic Compatibility Regulations | 2016 | |
| The Restriction of the Use of Certain Hazardous Substances in Electrical and Electronic Equipment Regulations | 2012 |
| Designated standards: | EN ISO 13849-1:2015 EN ISO 13849-2:2012 IEC 61508 parts 1-7:2010 |
| Notified body, which approved the full quality assurance system, referred to in Appendix X, 2006/42/EC: | TÜV Rheinland Industrie Service GmbH Am Grauen Stein 51105 Köln ID n°: 0035 |
| UK-Importer / Person authorised for the compilation of the technical documentation: | Schmersal UK Ltd. Paul Kenney Unit 1, Sparrowhawk Close Enigma Business Park Malvern, Worcestershire, WR14 1GL |
| Place and date of issue: | Wuppertal, July 27, 2023 |
![]() |
| Authorised signature Philip Schmersal Managing Director |
AVS Schmersal Vertriebs GmbH, Biróstraße 17, A-1230 Wien
Die genannten Daten und Angaben wurden sorgfältig geprüft. Abbildungen können vom Original abweichen. Weitere technische Daten finden Sie in der Betriebsanleitung. Technische Änderungen und Irrtümer vorbehalten.
Generiert am: 15.04.2026, 06:53


