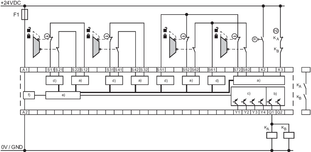
SRB-E-204ST
- Plug-in-skrueklemmer kodet
- STOP 0 Funktion
- Overvågning af 4-sensorer
- Startknap / Automatisk
- 2 Sikkerhedsudgange
- 4 Signaludgange
Bestillings data
| Produkttypebetegnelse |
SRB-E-204ST |
| Artikenummer (Bestillingsnummer) |
103009973 |
| EAN (European Article Number) |
4030661478500 |
| eCl@ss number, version 12.0 |
27-37-18-19 |
| eCl@ss number, version 11.0 |
27-37-18-19 |
| eCl@ss Nummer, Version 9.0 |
27-37-18-19 |
| ETIM number, version 7.0 |
EC001449 |
| ETIM number, version 6.0 |
EC001449 |
Godkendelser - Forskrifter
| Godkendelser |
TÜV cULus CCC |
Globale egenskaber
| Forskrifter |
EN IEC 62061 EN ISO 13849-1 EN IEC 60947-5-1 EN IEC 60947-5-3 EN IEC 60947-5-5 EN IEC 61508 EN IEC 60204-1 EN IEC 60947-1 |
| Klimastress |
EN 60068-2-78 |
| Materiale til kapsling |
Plastik, glass-fibre reinforced thermoplastic, ventileret |
| Bruttovægt |
150 g |
Generelle data - egenskaber
| Elektronisk sikring |
Ja |
| Registrering af ledningsbrud |
Ja |
| Kortslutningsregistrering |
Ja |
| Aftagelige terminaler |
Ja |
| Startindgang |
Ja |
| Tilbagekoblingssløjfe |
Ja |
| Automatisk reset-funktion |
Ja |
| Reset, kantregistrering |
Ja |
| Registrering af jordforbindelse |
Ja |
| Integreret display, status |
Ja |
| Integreret display, fejlkode |
Ja |
| Antal LEDs |
7 |
| Antal bryderkontakter |
8 |
| Antal blænder |
4 |
| Antal sikkerhedsudgange, STOP 0 |
2 |
| Antal signaludgange |
4 |
Klassifikation
| At standardisere, Forskrifter |
EN ISO 13849-1 EN IEC 62061 EN IEC 61508 |
| STOP kategori |
0 |
Klassifikation - sikre digitale udgange
| Performance Level, til |
e |
| Kategori iht. EN ISO 13849 |
4 |
| PFH-værdi |
2,66 x 10⁻⁹ /h |
| PFD-værdi |
2,42 x 10⁻⁵ |
| Safety Integrity Level (SIL), egnet i |
3 |
| Brugstid |
20 År |
Mekaniske data
| Fastgørelse |
Hurtig montage på standard DIN-skinne iht. DIN EN 60715 |
Mekaniske data - Tilslutning
| Terminalbetegnelser |
IEC/EN 60947-1 |
| Tilslutningskvadrat, minimum |
0,25 mm² |
| Tilslutningskvadrat , maksimum |
2,5 mm² |
| Tilspændingsmoment af Klemmer |
0,5 Nm |
| Allowed type of cable |
solid single-wire flexible |
| Forbindelse (mekanisk) |
aftagelige skrue terminaler |
Mekaniske data - afmåling
| Bredde |
22,5 mm |
| Højde |
98 mm |
| Dybde |
115 mm |
Omgivende forhold
| Beskyttelsesklasse på huset |
IP40 |
| Beskyttelsesmåde konstruktionsdesign |
IP54 |
| Beskyttelsesklasse af klemmer eller terminaler |
IP20 |
| Ambient temperature |
-25 ... +60 °C |
| Storage and transport temperature |
-40 ... +85 °C |
| Bemærk (relativ fugtighed) |
ikke kondenserende |
| Vibrationsstabilitet iht. EN 60068-2-6 |
10 - 55 Hz, amplitude 0,35 mm |
| Modstand over for slag |
30 g / 11 ms |
Omgivende forhold - Isolationsparametre
| Fastsat impulsmodstandsspænding |
0,8 kV |
| Overspændingskategori |
III |
| Grad af forurening iht. IEC/EN 60664-1 |
2 |
Elektrisk data
| Operating voltage |
24 VDC -20 % / +20 % |
| Ripple voltage |
10 % |
| Rated operating voltage |
24 VDC |
| Forsyningsstrøm |
125 mA |
| Fastsat vekselstrømsspænding for kontroller DC, minimum |
19,2 VDC |
| Fastsat vekselstrømsspænding nær DC, maksimum |
28,8 VDC |
| Elektrisk effektforbrug |
3 W |
| Forsinket udkobling ved strømsvigt, typisk |
10 ms |
| Forsinkelse af frafald ved NØDSTOP, typisk |
10 ms |
| TIL-forsinkelse ved automatisk start, typisk {ms} |
150 ms |
| TIL-forsinkelse ved automatisk start, typisk {ms} |
150 ms |
| Afbryderfrekvens, maksimum |
1 Hz |
Elektrisk data - sikre digitale udgange
| Spændingsfald Ud, maksimum |
0,5 V |
| Reststrøm |
1 mA |
| Spænding, brugskategori DC-12 |
24 VDC |
| Strøm, brugskategori DC-12 |
2 A |
| Spænding, brugskategori DC-13 |
24 VDC |
| Strøm, brugskategori DC-13 |
2 A |
Elektrisk data - digitale indgange
| Ledningsmodstand, maksimum |
40 Ω |
Elektriske data - Digital udgang
| Spænding, brugskategori DC-12 |
24 VDC |
| Strøm, brugskategori DC-12 |
0,1 A |
Elektrisk data - Elektromagnetisk kompatibilitet (EMV)
| EMC klassificering |
EMC-direktivet |
Tilstandsvisning
| Viste funktionstilstande |
Intern driftsspænding Ui Komponentstatus Fejlkoder |
Forskellige data
| Tip (applikationsanvendelsesformål) |
Sikkerhedsføler hængslet sikkerhedskontakt Nødstopsknap Trækwire nødstopsafbrydere Sikkerhedslysbom |
Sprog filter
Datablad
Driftsvejledning og Erklæring om konformitet
UL-certifikat
CCC-certificering
TÜV-certifikation
Brochure
SISTEMA-VDMA bibliotek/library
Hent sidste version af Adobe Reader
Produktbillede (katalogenkeltfoto)
ID: ksrb2f34
| 1,0 MB | .jpg | 281.869 x 655.8140000000001 mm - 799 x 1859 px - 72 dpi
| 125,4 kB | .png | 74.083 x 172.156 mm - 210 x 488 px - 72 dpi
| 46,4 kB | .jpg | 52.917 x 123.47200000000001 mm - 150 x 350 px - 72 dpi
| 36,8 kB | .png | 74.083 x 74.083 mm - 210 x 210 px - 72 dpi
| 12,4 MB | .png | 169.333 x 393.954 mm - 2000 x 4653 px - 300 dpi
| EU Declaration of Conformity | ![]() |
| Original | K.A. Schmersal GmbH & Co. KG Möddinghofe 30 42279 Wuppertal Germany Internet: www.schmersal.com |
| Declaration: | We hereby certify that the hereafter described components both in their basic design and construction conform to the applicable European Directives. |
| Name of the component: | SRB-E-204ST SRB-E-204PE |
| Type: | See ordering code |
| Description of the component: | Relay-safety combination for emergency stop circuits, guard door monitoring, solenoid safety switches and AOPDs |
| Relevant Directives: | Machinery Directive | 2006/42/EC |
| EMC-Directive | 2014/30/EU | |
| RoHS-Directive | 2011/65/EU |
| Applied standards: | EN ISO 13849-1:2023 EN ISO 13849-2:2012 IEC 61508 parts 1-7:2010 |
| Notified body for Type Examination: | TÜV Rheinland Industrie Service GmbH Am Grauen Stein, 51105 Köln ID n°: 0035 |
| EC-Type Examination Certificate: | 01/205/5635.01/25 |
| Person authorised for the compilation of the technical documentation: | Oliver Wacker Möddinghofe 30 42279 Wuppertal |
| Place and date of issue: | Wuppertal, September 23, 2025 |
![]() |
| Authorised signature Philip Schmersal Managing Director |
| UK Declaration of Conformity | ![]() |
| Company: | K.A. Schmersal GmbH & Co. KG Möddinghofe 30 42279 Wuppertal Germany Internet: www.schmersal.com |
| Declaration: | We hereby, under sole responsibility, certify that the hereafter described components both in their basic design and construction conform to the relevant statutory requirements, regulations and designated standards of the United Kingdom. |
| Name of the component: | SRB-E-204ST SRB-E-204PE |
| Type: | See ordering code |
| Description of the component: | Relay-safety combination for emergency stop circuits, guard door monitoring, solenoid safety switches and AOPD’s |
| Relevant legislation: | Supply of Machinery (Safety) Regulations | 2008 |
| Electromagnetic Compatibility Regulations | 2016 | |
| The Restriction of the Use of Certain Hazardous Substances in Electrical and Electronic Equipment Regulations | 2012 |
| Designated standards: | EN ISO 13849-1:2015 EN ISO 13849-2:2012 IEC 61508 parts 1-7:2010 |
| Notified body, which approved the full quality assurance system, referred to in Appendix X, 2006/42/EC: | TÜV Rheinland Industrie Service GmbH Am Grauen Stein 51105 Köln ID n°: 0035 |
| UK-Importer / Person authorised for the compilation of the technical documentation: | Schmersal UK Ltd. Paul Kenney Unit 1, Sparrowhawk Close Enigma Business Park Malvern, Worcestershire, WR14 1GL |
| Place and date of issue: | Wuppertal, July 27, 2023 |
![]() |
| Authorised signature Philip Schmersal Managing Director |
Schmersal Danmark A/S, Arnold Nielsens Boulevard 72-74, 2650 Hvidovre
De nævnte data og angivelser er blevet checket omhyggeligt. Billeder kan afvige fra originalen. Der kan findes flere tekniske data i manualen. Der tages forbehold for tekniske ændringer og fejl.
Generated at: 15.04.2026 07.11


