SE-304 C ANALYSEAPPARAT
- For at overvåge 1 ... 4 sikkerhedskant(e)
- 1 sikkerhedskontakter, STOP 0
- 1 Signal udgang
Bestillings data
| Produkttypebetegnelse |
SE-304 C ANALYSEAPPARAT |
| Artikenummer (Bestillingsnummer) |
101165883 |
| EAN (European Article Number) |
4030661293622 |
| eCl@ss number, version 12.0 |
27-37-18-19 |
| eCl@ss number, version 11.0 |
27-37-18-19 |
| eCl@ss Nummer, Version 9.0 |
27-37-18-19 |
| ETIM number, version 7.0 |
EC001449 |
| ETIM number, version 6.0 |
EC001449 |
Godkendelser - Forskrifter
| Godkendelser |
TÜV |
Globale egenskaber
| Forskrifter |
EN ISO 13849-1 EN ISO 13850 |
| Klimastress |
EN ISO 13856-2 |
| Materiale til kapsling |
Plastik, Thermoplastik |
| Reaktionstid, maksimum |
17 ms |
| Bruttovægt |
175 g |
Generelle data - egenskaber
| Elektronisk sikring |
Ja |
| Registrering af ledningsbrud |
Ja |
| Kortslutningsregistrering |
Ja |
| Startindgang |
Ja |
| Tilbagekoblingssløjfe |
Ja |
| Automatisk reset-funktion |
Ja |
| Reset, kantregistrering |
Ja |
| Reset efter afbrudt strømforsyning |
Ja |
| Registrering af jordforbindelse |
Ja |
| Integreret display, status |
Ja |
| Antal LEDs |
5 |
| Antal uforsinkede halvlederudgange med signalfunktioner. |
1 |
| Antal sikkerhedskontakter |
1 |
| Antal signaludgange |
1 |
Klassifikation
| Performance Level, til |
d |
| Kategori iht. EN ISO 13849 |
3 |
| Kategori iht. EN 954 |
3 |
| PFH-værdi |
1,01 x 10⁻⁷ /h |
| Bemærk (PFH-værdi) |
op til maks. 5.000 skiftecykluser/år |
| Brugstid |
20 År |
| STOP kategori |
0 |
Mekaniske data
| Mekanisk levetid, minimum |
10.000.000 koblinger |
| Fastgørelse |
Hurtig montage på standard DIN-skinne iht. DIN EN 60715 |
Mekaniske data - Tilslutning
| Længde på kabel |
200 m |
| Tilslutningskvadrat , maksimum |
2 x 1,5 mm² |
| Bemærk (tilslutningstværsnit) |
Alle oplysninger om tilslutningskabler er inkluderet kabelmuffer. |
| Forbindelse (mekanisk) |
Screw terminals |
Mekaniske data - afmåling
| Bredde |
22,5 mm |
| Højde |
100 mm |
| Dybde |
121 mm |
Omgivende forhold
| Beskyttelsesklasse på huset |
IP40 |
| Beskyttelsesmåde konstruktionsdesign |
IP54 |
| Beskyttelsesklasse af klemmer eller terminaler |
IP20 |
| Ambient temperature |
+5 ... +55 °C |
| Vibrationsstabilitet iht. EN 60068-2-6 |
10 … 55 Hz, amplitude 0,15 mm |
Omgivende forhold - Isolationsparametre
| Fastsat impulsmodstandsspænding |
4 kV |
| Overspændingskategori |
III |
| Grad af forurening iht. VDE 0110 |
2 |
Elektrisk data
| Frekvensrækkevidde |
50 Hz |
| Operating voltage |
24 VAC -10 % / +10 % |
| Rated operating voltage |
24 VAC |
| Rated operating voltage |
24 VDC |
| Forsyningsstrøm |
500 mA |
| Fastsat vekselstrømsspænding for kontroller, 50 Hz, minimum |
21.6 VAC |
| Fastsat vekselstrømsspænding for kontroller, AC 50 Hz, maksimum |
28.8 VAC |
| Fastsat vekselstrømsspænding for kontroller DC, minimum |
21,6 VDC |
| Fastsat vekselstrømsspænding nær DC, maksimum |
28,8 VDC |
| Brugskategori AC-15 |
230 VAC |
| Brugskategori AC-15 |
2 A |
| Brugskategori DC-13 |
24 VDC |
| Brugskategori DC-13 |
2 A |
| Elektrisk effektforbrug, maksimum |
4 W |
| Fra-forsinkelse ved RESET |
100 ms - 2000 ms |
Elektrisk data - Elektromagnetisk kompatibilitet (EMV)
| EMC klassificering |
EMC-direktivet |
Tilstandsvisning
| Viste funktionstilstande |
Frigivelse fejlindikering |
Forskellige data
| Tip (applikationsanvendelsesformål) |
Safety edgesSikkerheds kant liste |
Bemærk
| Bemærk (generelt) |
Den overordnede maskinsikkerhed afhænger af den professionelle montering og installation af sikkerhedsovervågningsmodulet og signalafsenderen, såvel som den korrekt og professionelle elektriske forbindelse af komponenterne. Ved eventuel risiko må maskinen ikke genstartes. |
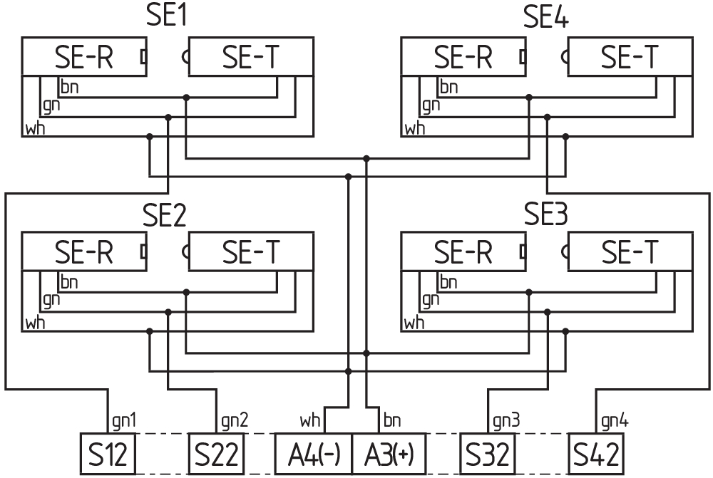
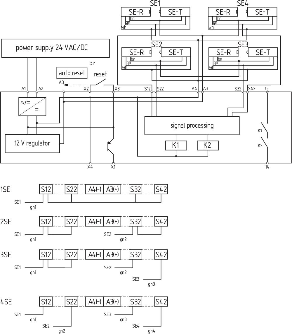
Koblingseksempel
| Bemærk (koblingseksempel) |
Både genstart og automatisk nulstilling skal overholde betingelserne i EN 1760-2 (diagram A2, A3). Ledningsdiagrammet vises for den deaktiverede tilstand. Overvågning af feedback-kredsløbene SE 40 / SE 70 vha. et sikkerhedsrelæ SE-304C op til PL d og kategori 3. Manuel reset-funktion eller automatisk reset: Den manuelle reset-funktion aktiveres med et kantfølsomt signal (kantforbindelse “0-1-0” indenfor 100 ms op til 2 s) (X2/X3). Den automatiske reset-funktion kan også aktiveres med en forbindelse (A3/X2). Hvis der er forbundet mindre end 4 sikkerhedskanter, skal det følgende diagram observeres. |
Sprog filter
Datablad
Driftsvejledning og Erklæring om konformitet
TÜV-certifikation
SISTEMA-VDMA bibliotek/library
Hent sidste version af Adobe Reader
Produktbillede (katalogenkeltfoto)
ID: ksec3f02
| 1,7 MB | .jpg | 352.778 x 855.486 mm - 1000 x 2425 px - 72 dpi
| 110,2 kB | .png | 74.083 x 179.56400000000002 mm - 210 x 509 px - 72 dpi
| 35,8 kB | .jpg | 50.800000000000004 x 123.47200000000001 mm - 144 x 350 px - 72 dpi
| 28,8 kB | .png | 74.083 x 74.083 mm - 210 x 210 px - 72 dpi
| 12,4 MB | .png | 166.55700000000002 x 403.985 mm - 2000 x 4851 px - 305 dpi
Ledningseksempel
Ledningseksempel
| EU-overensstemmelseserklæring | ![]() |
| Original | K.A. Schmersal GmbH & Co. KG Möddinghofe 30 42279 Wuppertal Germany Internet: www.schmersal.com |
| Forklaring: | Hermed erklærer vi, at de nedenfor anførte komponenter svarer til de nedenfor anførte europæiske direktiver på basis af deres udførelse og konstruktionstype. |
| Komponentens betegnelse: | SE-304 C |
| Type: | se typenøgle |
| Komponentens beskrivelse: | Sikkerhedsanalyseapparat til overvågning af optoelektriske sikkerhedskantlister i serierne SE 40/70 med sensor-sæt SE-SET |
| Relevante direktiver: | Maskindirektivet | 2006/42/EG |
| EMC-direktivet | 2014/30/EU | |
| RoHS-direktivet | 2011/65/EU |
| Anvendte standarder: | EN ISO 13856-2:2013 EN ISO 13849-1:2023 EN 12978:2003 + A1:2009 |
| Typegodkendelsesinstitut: | TÜV Rheinland Industrie Service GmbH Am Grauen Stein, 51105 Köln Identifikations-nr.: 0035 |
| EF-typegodkendelsescertifikat: | 01/205/5007.03/25 |
| Befuldmægtiget til sammenstilling af den tekniske dokumentation: | Oliver Wacker Möddinghofe 30 42279 Wuppertal |
| Sted og dato for udstedelsen: | Wuppertal, 12. maj 2025 |
![]() |
| Forpligtende underskrift Philip Schmersal Direktør |
Schmersal Danmark A/S, Arnold Nielsens Boulevard 72-74, 2650 Hvidovre
De nævnte data og angivelser er blevet checket omhyggeligt. Billeder kan afvige fra originalen. Der kan findes flere tekniske data i manualen. Der tages forbehold for tekniske ændringer og fejl.
Generated at: 17.04.2026 18.29

