SRB301HC/R-24V
| Produktbeteckning: SRB 301HC/R(1) |
| (1) | |
| 24V | 24 VAC/DC |
| 230V | 48 ... 240 VAC |
- 3 säkerhetskontakter, STOP 0
- 1 Signalutgång
- Lämplig för signalbehandling av potentialfria utgångar, t.ex. nödstopp, positionsbrytare och säkerhetsbrytare med lås. och Tvåhandsmanöverdon och Säkerhetsmatta
Beställningsinformation
| Reserv-artikelnummer |
101193476 |
| Produktbeteckning |
SRB301HC/R-24V |
| Artikelnummer (beställningsnummer) |
101190594 |
| EAN (European Article Number) |
4250116202317 |
| eCl@ss nummer, version 12.0 |
27-37-18-19 |
| eCl@ss nummer, version 11.0 |
27-37-18-19 |
| eCl@ss nummer, version 9.0 |
27-37-18-19 |
| ETIM-nummer, version 7.0 |
EC001449 |
| ETIM-nummer, version 6.0 |
EC001449 |
| Notera |
Utgående produkt |
Certifieringar - Föreskrifter
| Certifikat |
TÜV cULus CCC TILVA |
Globala egenskaper
| Föreskrifter |
EN IEC 62061 EN ISO 13849-1 EN IEC 60947-5-1 EN IEC 60947-5-3 EN IEC 60947-5-5 EN IEC 61508 EN IEC 60204-1 EN IEC 60947-1 |
| Klimattålighet |
EN 60068-2-78 |
| Kapslingens material |
Plast, glasfiberarmerad termoplast, ventilerad |
| Bruttovikt |
290 g |
Allmänna data - Egenskaper
| Elektronisk säkring |
Ja |
| Upptäckt av ledningsbrott |
Ja |
| Korslutningsidentifiering |
Ja |
| Avtagbara anslutningssplintar |
Ja |
| Resetingång |
Ja |
| Returkrets |
Ja |
| Reset hjälp av flankdetektering |
Ja |
| Upptäckt av jordanslutning |
Ja |
| Integrerad indikering, status |
Ja |
| Antal extra kontakter |
1 |
| LED:ernas antal |
4 |
| Antal öppnare |
2 |
| Antal säkerhetskontakter |
3 |
Klassificering
| Föreskrifter |
EN IEC 60947-5-1 EN IEC 61508 |
| Stopp-kategori |
0 |
Säkerhetsklassificering - Reläutgångar
| Performance Level, stop 0, up to |
e |
| Kategori, Stopp 0 |
4 |
| Diagnostic Coverage (DC) Level, Stopp 0 |
≥ 99 % |
| PFH värde, stopp 0 |
2,00 x 10⁻⁸ /h |
| Safety Integrity Level (SIL), stopp 0 |
3 |
| Mission time |
20 År |
| Common Cause Failure (CCF), minimum |
65 |
Mekaniska data
| Mekanisk livslängd, minimum |
10.000.000 kopplingar |
| Montering |
snäpps på standard-DIN-skena enligt EN 60715 |
Mechanical data - Connection technique
| Polbeteckningar |
IEC/EN 60947-1 |
| Anslutningsarea, minimum |
0,25 mm² |
| Anslutningsarea, maximum |
2,5 mm² |
| Åtdragningsmoment klämmor |
0,6 Nm |
| Tillåten typ av kabel |
solid single-wire flexible |
| Stickkontakt (mekanisk) |
Screw terminals |
Mekaniska data - mått
| Bredd |
45 mm |
| Höjd |
100 mm |
| Djup |
121 mm |
Omgivningsförhållanden
| Kapslingens skyddsklass |
IP40 |
| Monteringsutrymmets skyddsklass |
IP54 |
| Plintarnas resp. anslutningarnas skyddsklass |
IP20 |
| Omgivningstemperatur |
-25 ... +60 °C |
| lager och transporttemperatur |
-40 ... +85 °C |
| Vibrationstålig enligt EN 60068-2-6 |
10 ... 55 Hz, amplitud 0,35 mm |
| tålighet mot chock |
30 g / 11 ms |
Ambient conditions - Insulation values
| Märkstötspänning |
4 kV |
| Overvoltage category |
III |
| Föroreningsgrad |
2 |
Elektriska data
| Frekvensområde |
50 Hz 60 Hz |
| Driftspänning |
24 VAC -15 % / +10 % |
| max rippel |
10 % |
| Märkspänning |
24 VAC |
| Märkspänning |
24 VDC |
| Nominell AC-spänning för styrningar, 50 Hz, minimum |
20.4 VAC |
| Nominell AC-spänning för styrningar, 50 Hz, maximum |
26.4 VAC |
| Nominell AC-spänning för styrningar, 60 Hz, minimum |
20.4 VAC |
| Nominell AC-spänning för styrningar, 60 Hz, maximum |
26.4 VAC |
| Nominell DC-spänning för styrningar, minimum |
20,4 VDC |
| Nominell DC-spänning för styrningar, maximum |
28,8 VDC |
| Elektrisk märkeffekt |
1,4 W |
| Elektrisk märkeffekt |
3,3 VA |
| Kontaktresistans, maximum |
0,1 Ω |
| Notera (kontaktresistans) |
i nyskick |
| Frånslagsfördröjning vid strömavbrott, typisk |
80 ms |
| Frånslagsfördröjning vid NÖDSTOPP, typisk |
20 ms |
| Tillslagsfördröjning vid automatisk start, typisk |
100 ms |
| Tillslagsfördröjning med reset-knapp, typisk |
20 ms |
| Kontakternas material, elektriskt |
AgSn0. självrengörande, tvångsstyrd |
Elektriska data - Säkra reläutgångar
| Voltage, Utilisation category AC-15 |
230 VAC |
| Current, Utilisation category AC-15 |
6 A |
| Voltage, Utilisation category DC-13 |
24 VDC |
| Current, Utilisation category DC-13 |
6 A |
| Switching capacity, minimum |
10 VDC |
| Switching capacity, minimum |
10 mA |
| Switching capacity, maximum |
250 VAC |
| Switching capacity, maximum |
8 A |
Elektriska data - Digitala ingångar
| Ledningsmotstånd, maximum |
40 Ω |
Elektriska data - Digital utgång
| Voltage, Utilisation category DC-12 |
24 VDC |
| Current, Utilisation category DC-12 |
0,1 A |
Elektriska data - Reläutgångar (extra kontakter)
| Switching capacity, maximum |
24 VDC |
| Switching capacity, maximum |
2 A |
Elektriska data - elektromagnetisk kompatibilitet
| EMC rating |
EMC-Directive |
Statusindikering
| Indicated operating states |
Positionsrelä K2 Positionsrelä K1 |
Diverse data
| Notera (applikationstillämpningar) |
Skyddsanordning Nödstoppsknapp Linnödstopp Tvåhandsmanöverdon Säkerhetsmatta |
Note
| Note (General) |
Induktiva laster (t.ex. kontaktorer, reläer etc.) måste dämpas med hjälp av en lämplig krets. |
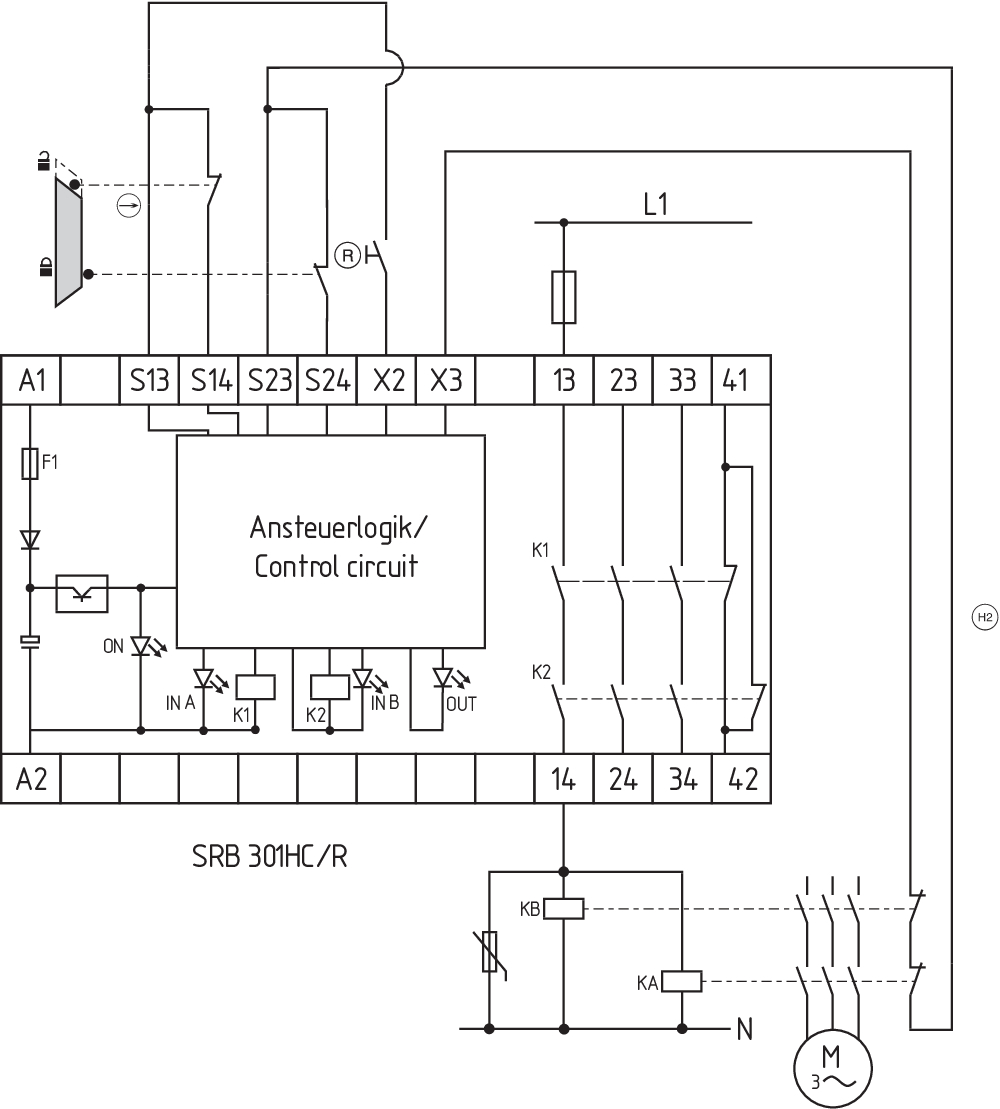
Kopplingsexempel
| Note (Wiring diagram) |
Kopplingsdiagrammet visas med skyddsdörrarna stängda och i strömlöst tillstånd. Reläutgångar: Lämpliga för 2 kanalstyrning, för utökning av antalet kontakter med hjälp av kontaktorer eller reläer med positivt styrda kontakter. Styrenheten identifierar kortslutning, kabelbrott och jordfel i övervakningskretsen. Tvåkanalig övervakning för en skyddsdörr med två brytare varav minst en kontakt har tvångsbrytning, med extern reset (R). (H2) = återkopplingskrets |
Språk filter
Datablad
Driftsinstruktion och EU-försäkran om överensstämmelse
UKCA Declaration of Conformity
TÜV-certifiering
UL-certifikat
TILVA-certifiering
CCC-certifiering
Kopplingsexempel (elektr. trådning)
SISTEMA-VDMA Bibliotek/Library
Ladda ned senaste versionen av Adobe reader
Produktbild (singelfoto i katalog)
ID: ksrb3f16
| 1,4 MB | .jpg | 342.547 x 625.1220000000001 mm - 971 x 1772 px - 72 dpi
| 94,8 kB | .png | 74.083 x 135.114 mm - 210 x 383 px - 72 dpi
| 60,6 kB | .jpg | 67.733 x 123.47200000000001 mm - 192 x 350 px - 72 dpi
| 43,1 kB | .png | 74.083 x 74.083 mm - 210 x 210 px - 72 dpi
| 9,5 MB | .png | 169.333 x 308.949 mm - 2000 x 3649 px - 300 dpi
Symbol (teknisk standard)
Kopplingsexempel
103008067 SRB-E-201ST
- STOP 0 Funktion
- För 1 oder 2-kanalsstyrning ansluts
- Resetknapp / Auto-Start
- 2 Säkerhetsutgångar 5,5 A
- 1 Signalutgång
- Övervakning av tvåhandsmanöverdon enligt EN ISO 13851
103007672 SRB-E-301ST
- STOP 0 Funktion
- För 1 oder 2-kanalsstyrning ansluts
- Resetknapp / Auto-Start
- 1
- 3 säkerhetskontakter
| UK Declaration of Conformity | ![]() |
| Company: | K.A. Schmersal GmbH & Co. KG Möddinghofe 30 42279 Wuppertal Germany Internet: www.schmersal.com |
| Declaration: | We hereby, under sole responsibility, certify that the hereafter described components both in their basic design and construction conform to the relevant statutory requirements, regulations and designated standards of the United Kingdom. |
| Name of the component: | SRB301HC/R-24V, SRB301HC/R-230V |
| Type: | See ordering code |
| Description of the component: | Safety-monitoring module for emergency stop circuits, guard door monitoring, safety mats, and two-hand controls |
| Relevant legislation: | Supply of Machinery (Safety) Regulations | 2008 |
| Electromagnetic Compatibility Regulations | 2016 | |
| The Restriction of the Use of Certain Hazardous Substances in Electrical and Electronic Equipment Regulations | 2012 |
| Designated standards: | EN 60947-5-1:2017 + AC:2020 EN ISO 13851:2019 EN ISO 13849-1:2015 EN ISO 13849-2:2012 |
| Approved body for Type Examination: | TÜV Rheinland Industrie Service GmbH Am Grauen Stein, 51105 Köln ID n°: 0035 |
| Type examination certificate: | 01/205/5157.02/22 |
| UK-Importer / Person authorised for the compilation of the technical documentation: | Schmersal UK Ltd. Paul Kenney Unit 1, Sparrowhawk Close Enigma Business Park Malvern, Worcestershire, WR14 1GL |
| Place and date of issue: | Wuppertal, October 5, 2022 |
![]() |
| Authorised signature Philip Schmersal Managing Director |
| EU Declaration of Conformity | ![]() |
| Original | K.A. Schmersal GmbH & Co. KG Möddinghofe 30 42279 Wuppertal Germany Internet: www.schmersal.com |
| Declaration: | We hereby certify that the hereafter described components both in their basic design and construction conform to the applicable European Directives. |
| Name of the component: | SRB301HC/R-24V SRB301HC/R-230V |
| Description of the component: | Safety-monitoring module for emergency stop circuits, guard door monitoring, safety mats and two-hand controls |
| Relevant Directives: | Machinery Directive | 2006/42/EC |
| EMC-Directive | 2014/30/EU | |
| RoHS-Directive | 2011/65/EU |
| Applied standards: | EN 60947-5-1:2017 + AC:2020 EN ISO 13851:2019 EN ISO 13849-1:2015 EN ISO 13849-2:2012 |
| Notified body for Type Examination: | TÜV Rheinland Industrie Service GmbH Am Grauen Stein, 51105 Köln ID n°: 0035 |
| EC-Type Examination Certificate: | 01/205/5157.02/22 |
| Person authorised for the compilation of the technical documentation: | Oliver Wacker Möddinghofe 30 42279 Wuppertal |
| Place and date of issue: | Wuppertal, October 5, 2022 |
![]() |
| Authorised signature Philip Schmersal Managing Director |
Schmersal Nordiska AB, F O Petersons gata 28, S-421 31 Västra Frölunda
Alla data och värden har kontrollerats noga. Bilder kan avvika från originalet. Ytterligare tekniska data finns i manualen. Tekniska ändringar och fel förbehålles.
Generated at: 2026-04-17 15:02

