AZM 170-02ZRKA-ST8 24VAC/DC
AZM 170-02ZRKA-ST8 24VAC/DC
| Produkt-typebetegnelse: AZM 170(1)-(2)Z(3)K(4)-(5)-(6)-(7)-(8) |
| (1) | |
| uten | IDC-avslutningsmetode |
| SK | Skrueforbindelse |
| (2) | |
| 11 | 1 NO-kontakt / 1 NC-kontakt |
| 02 | 2 NC-kontakter |
| (3) | |
| uten | Holdekraft 5 N |
| R | Holdekraft 30 N |
| (4) | |
| uten | åpner med spenning |
| A | driftsspenning |
| (5) | |
| uten | Kabelinngang M20 |
| ST | Stik M12 x 1, individuell solenoidovervåking |
| (6) | |
| 24VAC/DC | Us 24 VAC/DC |
| 110VAC | Us 110 VAC |
| 230VAC | Us 230 VAC |
| (7) | |
| 1637 | gullbelagte kontakter |
| (8) | |
| uten | Manuell tvangsåpning |
| 2197 | Manuell utløsing fra siden (åpner med spenning) |
- konnektorplugg M12, 8-polet
- driftsspenning
- Plast bryterhus
- dobbel isolering
- Kompakt konstruksjon
- Sperring med beskyttelse mot feilaktig låsing.
- Lang levetid
- Høy holdekraft
Bestillingsinformasjon
| Produkt-typebetegnelse |
AZM 170-02ZRKA-ST8 24VAC/DC |
| Artikkelnummer (bestillingsnummer) |
101183762 |
| EAN (European Article Number) |
4030661350325 |
| eCl@ss-nummer, versjon 12.0 |
27-27-26-03 |
| eCl@ss-nummer, versjon 11.0 |
27-27-26-03 |
| eCl@ss-nummer, versjon 9.0 |
27-27-26-03 |
| ETIM-nummer, versjon 7.0 |
EC002593 |
| ETIM-nummer, versjon 6.0 |
EC002593 |
Tillatelser - Standard
| Data |
cULus |
Gobale egenskaper
| Standard |
EN ISO 13849-1 EN ISO 14119 EN IEC 60947-5-1 |
| Kodenivå i henhold til ISO 14119 |
lav |
| Aktivt prinsipp |
elektromekanisk |
| Kapslingsmateriale |
Plast, glassfiber forsterket termoplast, selvslukkende |
| Bruttovekt |
278 g |
Gobale egenskaper - Karakteristikker
| driftsspenning |
Ja |
| Holdekraft |
Ja |
| Manuell tvangsåpning |
Ja |
| Antall aktiveringsretninger |
2 |
| Antall eksterne kontakter |
1 |
| Antall sikkerhetskontakter |
2 |
| Integrated connection, M12 |
Yes |
Klassifisering
| Standard |
EN ISO 13849-1 |
| Performance Level, up to |
c |
| Kontrollkategori |
1 |
| B10D Åpner (NC) |
2.000.000 bevegelser |
| Merk |
Electrical life on request. |
| B10D Normalt åpen kontakt (NO) |
1.000.000 bevegelser |
| Merk |
at 10% Ie and ohmic load |
| Mission time |
20 år |
Klassifisering - sikkerhetsutganger
| Note (B10D Normally open contact (NO)) |
På 10% Ie og ohmsk last |
Klassifisering - Feilutelukkelse
| Please note: |
Can be used when fault exclusion for dangerous damage to the 1-channel mechanism is permissible and sufficient protection against manipulation is guaranteed. |
| Performance Level, up to |
d |
| Kontrollkategori |
3 |
| Merk |
for 2-channel use and with suitable logic unit. |
| Mission time |
20 år |
Mekaniske data
| Mekanisk levetid, minimum |
1.000.000 bevegelser |
| Klemmekraft iht. EN ISO 14119 |
1.000 N |
| Klemmekraft, maksimum |
1.300 N |
| Holdekraft |
30 N |
| tvangsbrytende vandring |
11 mm |
| Positiv åpningskraft per NC-kontakt, minimum |
8,5 N |
| Tvangsbrytende kraft, minimum |
17 N |
| Aktueringshastighet, maksikum |
2 m/s |
| Montering |
Skruer |
| Type of the fixing screws |
2x M4 |
| Tiltrekkingsmoment for festeskruene til husdekselet, minimum |
0,7 Nm |
| Tiltrekkingsmoment for festeskruene til husdekselet, maks |
1 Nm |
| Merk |
Torx T10 |
Mechanical data - Connection technique
| Konnektor (mekanisk) |
Konnektorplugg M12, 8-polet, A-kodet |
Mekaniske data - mål
| Lengde på sensor |
30 mm |
| Bredde på sensor |
90 mm |
| Høyde på sensor |
79 mm |
Omgivelsesbetingelser
| Tetthetsgrad |
IP67 |
| Arbeidstempratur |
-25 ... +60 °C |
| Lagrings- og transporttemparatur |
-25 ... +85 °C |
| Note (Relative humidity) |
ikke kondenserende ikke-ising |
| Protection class |
II |
| Permissible installation altitude above sea level, maximum |
2.000 m |
Ambient conditions - Insulation values
| Isolasjonsspenning |
60 V |
| Nominell impulsmotstandsspenning |
4 kV |
| Overvoltage category |
III |
| Forurensningsgrad |
3 |
| Nominell impulsmotstandsspenning, stikker 8-polet |
0.8 kV |
Elektriske data
| Termisk teststrøm |
2 A |
| Rated control voltage |
24 VAC/DC |
| Nødvendig nominell kortslutningsstrøm |
1.000 A |
| Elektriske strømforbruk, maksimum |
12 W |
| Koblingselement |
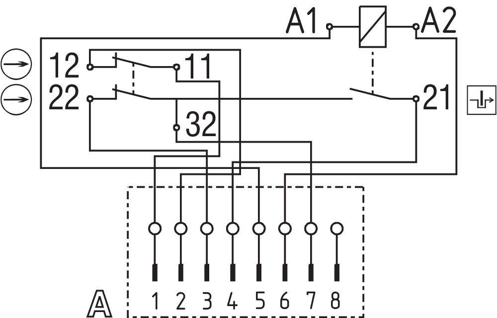
2 NC-kontakter |
| Note (Switching element) |
Vekselkontakt med dobbelt brytning, type Zb eller 2 NC-kontakter med galvanisk atskilte kontaktbroer |
| Bryteprinsipp |
slow action, positive break NC contact |
| Maksimal koblingsfrekvens |
1.000 /h |
| Materiale for kontakter, elekrisk |
Sølv |
Elektriske data - Solenoidkontroll INN
| Arbeidssyklus magnet |
100 % |
| Testpulsens varighet, maksimum |
5 ms |
| Testpulsintervall, minimum |
50 ms |
Elektriske data - Sikkerhetskontakter
| Voltage, Utilisation category DC-13 |
24 VDC |
| Current, Utilisation category DC-13 |
2 A |
| Note, Utilisation category DC-13 |
Connector 8-pole |
Elektriske data - Hjelpekontaktene
| Voltage, Utilisation category DC-13 |
24 VDC |
| Current, Utilisation category DC-13 |
2 A |
| Note, Utilisation category DC-13 |
Connector 8-pin |
Diverse data
| Merknad (app-applikasjoner) |
skyvbar sikkerhetsvern avtakbare vern hengslet beskyttelsesanordning |
inkludert ved levering
| inkludert ved levering |
Actuator must be ordered separately. Slissetetning |
Note
| Note (General) |
Denne termineringsmetoden (IDC) muliggjør enkel tilkobling av fleksible ledere uten behov for bruk av ledende bøssinger |
| Note (Manual release) |
bunn |
Språk filter
Datablad
Bruksanvisning og konformitetserklæring
UL sertifikat
SISTEMA-VDMA Bibliotek/Library
Last ned den nyeste versjonen av Adobe Reader
Produktbilde (enkelt katalogbilde)
Dimensjonsriktig tegning grunnenhet
Brytervandringsdiagram
Diagram
Funksjonsprinsipp
Kontaktplassering
| UK Declaration of Conformity | ![]() |
| Company: | K.A. Schmersal GmbH & Co. KG Möddinghofe 30 42279 Wuppertal Germany Internet: www.schmersal.com |
| Declaration: | We hereby, under sole responsibility, certify that the hereafter described components both in their basic design and construction conform to the relevant statutory requirements, regulations and designated standards of the United Kingdom. |
| Name of the component: | AZM 170 |
| Type: | See ordering code |
| Description of the component: | Interlocking device with electromagnetic interlock for safety functions |
| Relevant legislation: | Supply of Machinery (Safety) Regulations | 2008 |
| Electromagnetic Compatibility Regulations | 2016 | |
| The Restriction of the Use of Certain Hazardous Substances in Electrical and Electronic Equipment Regulations | 2012 |
| Designated standards: | EN 60947-5-1:2017 EN ISO 14119:2013 |
| UK-Importer / Person authorised for the compilation of the technical documentation: | Schmersal UK Ltd. Paul Kenney Unit 1, Sparrowhawk Close Enigma Business Park Malvern, Worcestershire, WR14 1GL |
| Place and date of issue: | Wuppertal, March 30, 2023 |
![]() |
| Authorised signature Philip Schmersal Managing Director |
| EU Declaration of Conformity | ![]() |
| Original | K.A. Schmersal GmbH & Co. KG Möddinghofe 30 42279 Wuppertal Germany Internet: www.schmersal.com |
| Declaration: | We hereby certify that the hereafter described components both in their basic design and construction conform to the applicable European Directives. |
| Name of the component: | AZM 170 |
| Type: | See ordering code |
| Description of the component: | Interlocking device with electromagnetic interlock for safety functions |
| Relevant Directives: | Machinery Directive | 2006/42/EC |
| EMC-Directive | 2014/30/EU | |
| RoHS-Directive | 2011/65/EU |
| Applied standards: | DIN EN 60947-5-1:2018 EN ISO 14119:2013 |
| Person authorised for the compilation of the technical documentation: | Oliver Wacker Möddinghofe 30 42279 Wuppertal |
| Place and date of issue: | Wuppertal, May 4, 2022 |
![]() |
| Authorised signature Philip Schmersal Managing Director |
Schmersal Nordiska AB, F O Petersons gata 28, S-421 31 Västra Frölunda
Data og verdier er kontrollert omhyggelig. Bilder kan avvike fra originalen. Ytterligere tekniske data finner du i manualen. Tekniske modifiseringer og feil kan forkomme.
Generated at: 23.04.2026, 17:55

