SRB211AN (V.2)
SRB211AN (V.2)
- STOP 0 / 1 Functie
- 1 oder 2-kanalige aansturing
- Startknop / Autostart
- Afvalvertraging 0 … 30 s
Bestelvoorbeeld
| Nummer vervangartikel |
101211935 |
| Typebenaming van het product |
SRB211AN (V.2) |
| Artikelnummer (bestelnummer) |
101209242 |
| EAN (Europees Artikel Nummer) |
4030661446530 |
| eCl@ss nummer, versie 12.0 |
27-37-18-19 |
| eCl@ss nummer, versie 11.0 |
27-37-18-19 |
| eCl@ss nummer, versie 9.0 |
27-37-18-19 |
| ETIM-nummer, versie 7.0 |
EC001449 |
| ETIM-nummer, versie 6.0 |
EC001449 |
| Opmerking |
Niet langer bestaand artikel |
Certificeringen - Voorschriften
| Certificaten |
IFA cULus |
Algemene gegevens
| Voorschriften |
EN IEC 62061 EN ISO 13849-1 EN IEC 60947-5-1 EN IEC 60947-5-3 EN IEC 60947-5-5 EN IEC 61508 EN IEC 60204-1 EN IEC 60947-1 |
| Klimaatbelasting |
EN 60068-2-78 |
| Materiaal van de behuizing |
Kunststof, glasvezelversterkte thermoplast, geventileerd |
| Brutogewicht |
250 g |
Algemene gegevens - Eigenschappen
| Elektronische beveiliging |
Ja |
| Draadbreukdetectie |
Ja |
| Dwarssluitingsherkenning |
Ja |
| Afneembare klemmen |
Ja |
| Startingang |
Ja |
| Terugkoppeling |
Ja |
| Met automatische resetfunctie |
Ja |
| Reset flankendetectie |
Ja |
| Aardlekdetectie |
Ja |
| Geïntegreerde weergave, status |
Ja |
| Aantal LED's |
6 |
| Aantal verbreekcontacten |
1 |
| Aantal maakcontacten |
1 |
| Aantal veiligheidscontacten |
3 |
| Aantal veiligheidscontacten, STOP 0 |
3 |
| Aantal, veiligheidscontacten, STOP 1 |
2 |
| Aantal signaaluitgangen |
1 |
Classificatie
| Voorschriften |
EN IEC 60947-5-1 EN IEC 61508 |
| Stop-categorie |
0 1 |
Classificatie - Relaisuitgangen
| Performance Level, Stop 0, tot |
e |
| Performance Level, Stop 1, tot |
d |
| Categorie, Stop 0 |
4 |
| Categorie, Stop 1 |
3 |
| Diagnostic Coverage (DC) Level, Stop 0 |
≥ 99 % |
| Diagnostic Coverage (DC) Level, Stop 1 |
> 60 % |
| PFH-waarde, Stop 0 |
2,00 x 10⁻⁸ /h |
| PFH-waarde, Stop 1 |
2,00 x 10⁻⁷ /h |
| Safety Integrity Level (SIL), Stop 0, Geschikt voor toepassingen in |
3 |
| Safety Integrity Level (SIL), Stop 1, Geschikt voor toepassingen in |
2 |
| Gebruiksduur |
20 Jaar (Jaren) |
| Common Cause Failure (CCF), minimum |
65 |
| PFD waarde |
5,30 x 10⁻⁵ |
| PFD waarde |
5,30 x 10⁻⁵ |
Mechanische gegevens
| Mechanische levensduurduur, minimum |
10.000.000 schakelingen |
| Bevestiging |
Snelbevestiging voor DIN-rail volgens DIN EN 60715 |
Mechanische gegevens - Aansluittechniek
| Klembenaming |
IEC/EN 60947-1 |
| Draaddoorsnede, minimum |
0,25 mm² |
| Kabeldoorsnede, maximum |
2,5 mm² |
| Aandraaimoment van de klemmen |
0,6 Nm |
| Toegelaten kabeltype |
Stijve massieve draad Flexibel |
| Aansluitingen (mechanisch) |
Schroefaansluitklemmen |
Mechanische gegevens - Afmetingen
| Breedte |
22,5 mm |
| Hoogte |
100 mm |
| Diepte |
121 mm |
Omgevingsvoorwaarden
| Beschermingsgraad van de behuizing |
IP40 |
| Beschermingsgraad van de inbouwruimte |
IP54 |
| Beschermingsgraad van de klemmen of aansluitingen |
IP20 |
| Omgevingstemperatuur |
-25 ... +60 °C |
| Opslag- en transporttemperatuur |
-40 ... +85 °C |
| Trillingsvastheid |
10...55 Hz, Amplitude 0,35 mm, ± 15 % |
| schokbestendig |
30 g / 11 ms |
Omgevingsvoorwaarden - Isolatieparameters
| Nominale impulsspanningsvastheid Uimp |
4 kV |
| Overspanningscategorie |
III |
| Vervuilingsgraad |
2 |
Elektrische gegevens
| Frequentiebereik |
50 Hz 60 Hz |
| Bedrijfsspanning |
24 VAC -15 % / +10 % |
| restspanning |
10 % |
| Nominale bedrijfsspanning |
24 VAC |
| Nominale bedrijfsspanning |
24 VDC |
| Nominale voedingsspanning bij AC 50 Hz, minimum |
20.4 VAC |
| Nominale voedingsspanning bij AC 50 Hz, maximum |
26.4 VAC |
| Nominale voedingsspanning bij AC 60 Hz, minimum |
20.4 VAC |
| Nominale voedingsspanning bij AC 60 Hz, maximum |
26.4 VAC |
| Nominale voedingsspanning bij DC, minimum |
20,4 VDC |
| Nominale voedingsspanning bij DC, maximum |
28,8 VDC |
| Stroomverbruik |
2,4 W |
| Stroomverbruik |
5,9 VA |
| Contactweerstand, maximum |
0,1 Ω |
| Opmerking (contactweerstand) |
In nieuwe toestand |
| Afvalvertraging bij stroomuitval, typisch |
80 ms |
| Afvalvertraging bij noodstop, typisch |
30 ms |
| Opkomvertraging bij automatische start, typisch |
250 ms |
| Opkomvertraging bij RESET, typisch |
20 ms |
| Materiaal van de contacten, elektrisch |
AgSn0, Ag-Ni, zelfreinigend, gedwongen uitgevoerd |
Elektrische gegevens - Veilige relaisuitgangen
| Spanning, gebruikscategorie AC-15 |
230 VAC |
| Stroom, gebruikscategorie AC-15 |
6 A |
| Spanning, gebruikscategorie DC-13 |
24 VDC |
| Stroom, gebruikscategorie DC-13 |
6 A |
| Schakelvermogen, minimum |
10 VDC |
| Schakelvermogen, minimum |
10 mA |
| Schakelvermogen, maximum |
250 VAC |
| Schakelvermogen, maximum |
8 A |
Elektrische gegevens - Veilige relaisuitgangen
| Spanning, gebruikscategorie AC-15 |
230 VAC |
| Stroom, gebruikscategorie AC-15 |
3 A |
| Spanning, gebruikscategorie DC-13 |
24 VDC |
| Stroom, gebruikscategorie DC-13 |
2 A |
| Schakelvermogen, minimum |
10 VDC |
| Schakelvermogen, minimum |
10 mA |
| Schakelvermogen, maximum |
250 VAC |
| Schakelvermogen, maximum |
6 A |
Elektrische gegevens - Digitale ingangen
| Leidingweerstand, maximum |
40 Ω |
Elektrische gegevens - Digitale uitgang
| Spanning, gebruikscategorie DC-12 |
24 VDC |
| Stroom, gebruikscategorie DC-12 |
0,1 A |
Elektrische gegevens - Relaisuitgangen (hulpcontacten)
| Schakelvermogen, maximum |
24 VDC |
| Schakelvermogen, maximum |
2 A |
Elektrische gegevens - Elektromagnetische compatibiliteit (EMV)
| EMC bestendigheid |
EMC-Richtlijn |
Statusindicatie
| Weergegeven functietoestanden |
Positie relais K2 Positie relais K1 Interne bedrijfsspanning Ui Positie relais K3/K4 |
Andere gegevens
| Opmerking (toepassingen) |
Veiligheidssensor Beschermvoorziening Noodstopknop Noodstop-trekkoordschakelaars |
Opmerking
| Opmerking (algemeen) |
Inductieve verbruikers (externe relais, enz.) zijn via een aangepaste bedrading te ontstoren. |
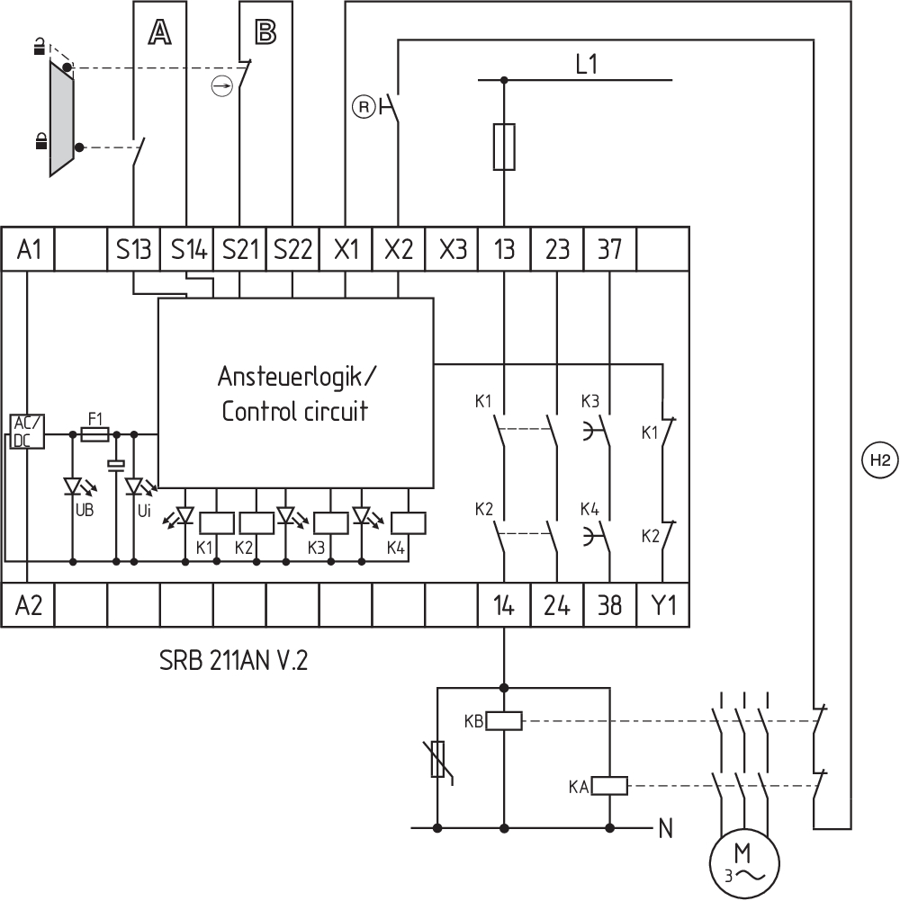
Schakelvoorbeeld
| Opmerking (schakelvoorbeeld) |
Het schakelvoorbeeld is afgebeeld bij gesloten beschermvoorzieningen en in spanningsloze toestand. Ingangsniveau: Het voorbeeld toont een 2-kanalige aansturing van een veiligheidsdeurbewaking met twee positieschakelaars, waarvan een met gedwongen verbreking, externe resetknop (R) en terugkoppeling (H2). De sturing herkent dwarssluitingen, kabelbreuken en aardlekken in het bewakingscircuit. Het vrijgavecontact 37/38 voldoet volgens EN 60204-1 aan stopcategorie 1. De vrijgavecontacten 13/14 en 23/24 voldoen volgens EN 60204-1 aan stopcategorie 0. |
Taalfilter
Datasheet
Bedieningshandleiding en conformiteitsverklaring
UL-certificaat
Goedkeuringscertificaat
Schakelvoorbeeld (elektrische kabels)
SISTEMA-VDMA-bibliotheek/library
Download de nieuwste versie van Adobe Reader
Foto van het product (individuele catalogusfoto)
ID: ksrb2f07
| 821,5 kB | .jpg | 265.994 x 625.1220000000001 mm - 754 x 1772 px - 72 dpi
| 102,1 kB | .png | 74.083 x 173.919 mm - 210 x 493 px - 72 dpi
| 41,6 kB | .jpg | 52.564 x 123.47200000000001 mm - 149 x 350 px - 72 dpi
| 30,0 kB | .png | 74.083 x 74.083 mm - 210 x 210 px - 72 dpi
| 8,7 MB | .png | 169.333 x 397.933 mm - 2000 x 4700 px - 300 dpi
Schakelvoorbeeld
Symbool (technische standaard)
103007222 SRB-E-212ST
- Steekbare schroefklemmen met codering
- STOP 0 / 1 Functie
- 1 oder 2-kanalige aansturing
- 2 veiligheidscontacten STOP 0
- 1 Veiligheidsuitgang STOP 1
- Afvalvertraging 0 … 30 s
| EU-conformiteitsverklaring | ![]() |
| Original | K.A. Schmersal GmbH & Co. KG Möddinghofe 30 42279 Wuppertal Germany Internet: www.schmersal.com |
| Verklaring: | Hiermee verklaren wij dat de hieronder beschreven producten op grond van hun ontwerp en constructie beantwoorden aan de relevante Europese Richtlijnen. |
| Benaming van de component: | SRB 211AN V.2 SRB 211AN/CC V.2 SRB 211AN/PC V.2 |
| Beschrijving van de component: | Veiligheidsmodule voor noodstopcircuits, veiligheidsdeurbewakingen en veiligheidsmagneetschakelaars |
| Geharmoniseerde Richtlijnen: | Machinerichtlijn | 2006/42/EG |
| EMC-Richtlijn | 2014/30/EU | |
| RoHS-Richtlijn | 2011/65/EU |
| Toegepaste normen: | DIN EN 60947-5-1:2018 DIN EN ISO 13849-1:2023 |
| Bevoegde installatie voor de typekeuring: | DGUV Test Prüf- und Zertifizierungsstelle Elektrotechnik Gustav-Heinemann-Ufer 130 50968 Keulen Kenn Nr.: 0340 |
| EG-Goedkeuringscertificaat: | ET 24017 |
| Gemachtigde voor het samenstellen van de technische documentatie: | Oliver Wacker Möddinghofe 30 42279 Wuppertal |
| Plaats en datum van opstelling: | Wuppertal, 27 september 2024 |
![]() |
| Rechtsgeldige handtekening Philip Schmersal Directeur |
Schmersal Belgium, Nieuwlandlaan 73, 3200 Aarschot
De genoemde gegevens en informatie zijn zorgvuldig gecontroleerd. Afbeeldingen kunnen afwijken van het origineel. Verdere technische gegevens zijn te vinden in de handleiding. Technische wijzigingen en fouten voorbehouden.
Generated at: 17/04/2026 12:27

