MZM 100 ST2-1P2PW-A
| 製品タイプの説明: MZM 100 (1) (2)-(3)(4)(5)-A |
| (1) | |
| なし | ロック監視 > |
| B | アクチュエーター監視 |
| (2) | |
| ST | コネクターM12, 8芯 |
| (3) | |
| 1P2P | シリアル診断出力及び2 PNP安全出力 |
| (4) | |
| なし | ラッチなし (「電磁ロック付きインターロック監視」の時のみ) |
| R | 電気的ラッチ力、通常 30 N |
| (5) | |
| M | 永久磁石、通常 15 N |
- ロック監視
- コネクタ M12, 8芯
- マグネットロック
- セーフティインターロックの新たな・比類の無い作用
- 40 mm x 179 mm x 40 mm
- 非接触・コード化された電子システム
- 熱可塑性樹脂性ケース
- センサチェーンの最大長さ200m
- 動作状態表示用3個のLED
- センサ技術によりアクチュエータとスイッチは垂直方向± 5 mm、水平方向± 1,5 mmのズレが可能
- インテリジェント診断機能
- 自己診断機能付の31個のセンサ直列接続
注文データ
| 製品タイプの説明 |
MZM 100 ST2-1P2PW-A |
| 部品番号(注文番号) |
101199623 |
| EAN(欧州部品番号) |
4030661388816 |
| eCl@ss番号、バージョン12.0 |
27-27-26-03 |
| eCl@ss番号、バージョン11.0 |
27-27-26-03 |
| eCl@ss番号、バージョン9.0 |
27-27-26-03 |
| ETIM番号、バージョン7.0 |
EC002593 |
| ETIM番号、バージョン6.0 |
EC002593 |
認証
| 証明書 |
cULus |
一般データ
| 規格 |
EN ISO 13849-1 EN ISO 14119 EN IEC 60947-5-3 EN IEC 61508 |
| 一般情報 |
ユニバーサルコード化 |
| EN ISO 14119に準拠したコーディングレベル |
Low |
| アクティブ原理 |
誘導型 |
| ハウジング 材質 |
樹脂、グラスファイバー強化熱可塑性樹脂、自己消火性 |
| 応答時間、最大 |
150 ms |
| リスク持続時間、最大 |
150 ms |
| 総重量 |
618 g |
一般データ - 仕様
| マグネットロック |
Yes |
| ガードロック監視 |
Yes |
| 短絡検出 |
Yes |
| 短絡監視 |
Yes |
| 直列接続 |
Yes |
| 安全機能 |
Yes |
| 一体型システム診断、状態 |
Yes |
| 安全接点数 |
2 |
安全性評価
| 規定 |
EN ISO 13849-1 EN IEC 61508 |
安全性評価 - インターロック
| パフォーマンスレベル、最大 |
e |
| カテゴリー |
4 |
| PFH値 |
3.54 x 10⁻⁹ /h |
| 安全インテグリティレベル (SIL), 安全度水準に適合 |
3 |
| ミッションタイム |
20 年 |
機械的データ
| 機械的寿命、最小 |
1,000,000 操作 |
| 注記(機械的寿命) |
Actuating speed ≤ 0.5 m/s Operations for door weights ≤ 5 kg |
| ロック時ロック時引抜き強度、通常 |
750 N |
| ロック時引抜強度、保証された |
500 N |
| 固定ネジの種類 |
2x M6 |
| 取り付けネジの締め付けトルク |
8 Nm |
Mechanical data - Switching distances
| 安定動作距離 "ON" Sao |
0 mm |
| 安定動作距離 "OFF" Sar |
1 mm |
| 注記 (動作距離) |
All switching distances in accordance EN IEC 60947-5-3 |
機械的データ - 電気機械式
| センサーチェーンの長さ、最大 |
200 m |
| 注意(センサーチェーンの長) |
ケーブル長とケーブル径により、出力電流による電圧降下が変化します。 |
| 注意 (直列接続) |
無制限のデバイス数,外部ラインヒューズオーバーサーブ、シリアル診断SDの場合、最大31デバイス。 |
| 接続 |
M12コネクター, 8芯 |
機械的データ - 寸法
| センサー長 |
40 mm |
| センサーの幅 |
40 mm |
| センサーの高さ |
177.5 mm |
環境条件
| 保護等級 |
IP65 IP67 |
| 使用周囲温度 |
-25 ... +55 °C |
| 保管および輸送温度 |
-25 ... +70 °C |
| 相対湿度, 最小 |
30 % |
| 相対湿度, 最大 |
95 % |
| 注記 (相対湿度) |
non-condensing non-icing |
| 耐振動 |
10 ~ 150 Hz, 振幅 0.35 mm / 5 g |
| 耐衝撃 |
30 g / 11 ms |
| 保護等級 |
III |
| 許容される設置高度/標高(海抜), 最大 |
2,000 m |
環境条件 - 絶縁値
| 定格絶縁電圧 Ui |
32 VDC |
| 定格インパルス耐電圧 Uimp |
0.8 kV |
| 過電圧カテゴリー |
III |
| 汚染度 |
3 |
電気的データ
| 動作電圧 |
24 VDC -15 % / +10 % |
| 無負荷供給電流 I0, 典型的 |
100 mA |
| マグネットON時の消費電流(平均 |
350 mA |
| マグネットON時の消費電流、ピーク |
550 mA / 10 ms |
| 定格動作電圧 |
24 VDC |
| 動作電流 |
1,100 mA |
| 要求定格短絡電流 |
100 A |
| 外部ワイヤとデバイスのヒューズ定格 |
2 A gG |
| 準備時間、最大 |
4,000 ms |
| 開閉頻度、最大 |
1 Hz |
電気的データ - ソレノイド制御
| 指定、ソレノイド |
IN |
| スイッチングのしきい値 |
-3 V … 5 V (Low) 15 V … 30 V (High) |
| 24Vの時の消費電流 |
10 mA |
| マグネット起動時間 |
100 % |
| テストパルス幅、最大 |
5 ms |
| テストパルス間隔、最小 |
40 ms |
| 分類 ZVEI CB24I、シンク |
C0 |
| 分類 ZVEI CB24I、ソース |
C1 C2 C3 |
Electrical data - Safety digital inputs
| 指定、安全入力 |
X1 and X2 |
| スイッチングのしきい値 |
−3 V … 5 V (Low) 15 V … 30 V (High) |
| 24Vの時の消費電流 |
5 mA |
| テストパルス幅、最大 |
1 ms |
| テストパルス間隔、最小 |
100 ms |
| 分類 ZVEI CB24I、シンク |
C1 |
| 分類 ZVEI CB24I、ソース |
C1 C2 C3 |
Electrical data - Safety digital outputs
| 指定、安全出力 |
Y1 and Y2 |
| 定格動作電流(安全出力) |
250 mA |
| 制御エレメントのデザイン |
short-circuit proof, p-type |
| 電圧降下 Ud、最大 |
1 V |
| 残留電流 lr, 最大 |
0.5 mA |
| 電圧, 使用カテゴリー DC-13 |
24 VDC |
| 電流、使用カテゴリーDC-13 |
0.25 A |
| テストパルス間隔、標準 |
1000 ms |
| テストパルス幅、最大 |
1 ms |
| 分類 ZVEI CB24I、ソース |
C1 |
| 分類 ZVEI CB24I、シンク |
C1 |
電気的データ - 診断出力
| 指定、診断出力 |
OUT |
| 制御エレメントのデザイン |
short-circuit proof, p-type |
| 電圧降下 Ud、最大 |
2 V |
| 電圧, 使用カテゴリー DC-13 |
24 VDC |
| 電流、使用カテゴリーDC-13 |
0.05 A |
状態表示
| 注記 (LED切り替え状態表示) |
Operating condition: LED green Error / functional defect: LED red Supply voltage UB: LED green |
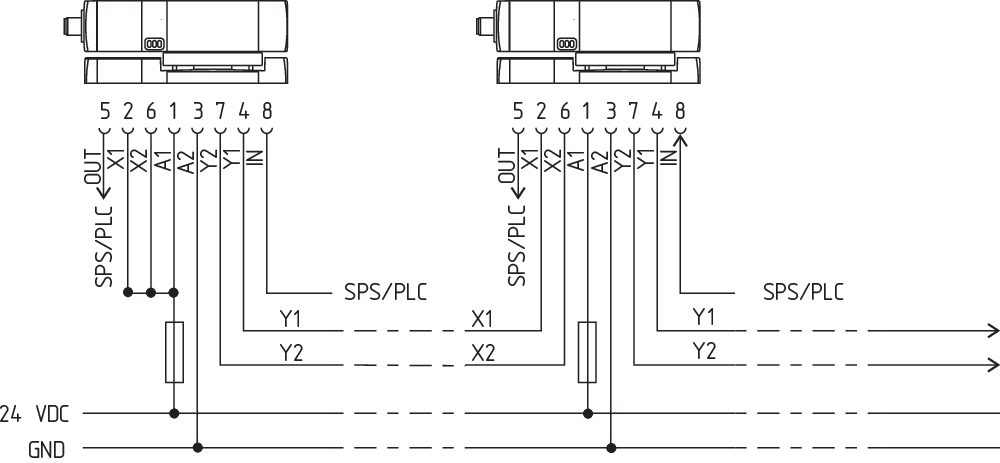
ピン配列
| ピン 1 |
A1 Supply voltage UB |
| ピン 2 |
X1 Safety input 1 |
| ピン 3 |
A2 GND |
| ピン 4 |
Y1 Safety output 1 |
| ピン 5 |
OUT Diagnostic output |
| ピン 6 |
X2 Safety input 2 |
| ピン 7 |
Y2 Safety output 2 |
| ピン 8 |
IN Solenoid control |
納入品目
| 納入時同梱 |
Actuator must be ordered separately. |
アクセサリー
| 推奨(アクチュエーター) |
MZM 100-B1.1 |
Note
| 注記 (一般) |
As long as the actuating unit is applied to the solenoid interlock, the unlocked safety guard can be relocked. In this case, the safety outputs are re-enabled, so that the safety guard must not be opened. |
言語フィルター
データシート
Operating instructions and Declaration of conformity
UL Certificate
SISTEMA-VDMA library
Adobe Readerの最新版をダウンロードしてください
Product picture (catalogue individual photo)
ID: kmzm1f25
| 1,8 MB | .jpg | 352.778 x 1222.375 mm - 1000 x 3465 px - 72 dpi
| 188,9 kB | .png | 74.083 x 256.469 mm - 210 x 727 px - 72 dpi
| 21,0 kB | .png | 74.083 x 74.083 mm - 210 x 210 px - 72 dpi
| 20,5 MB | .png | 169.333 x 586.74 mm - 2000 x 6930 px - 300 dpi
| 20,5 kB | .jpg | 35.631 x 123.47200000000001 mm - 101 x 350 px - 72 dpi
Dimensional drawing basic component
Dimensional drawing miscellaneous
Contact arrangement
| UK Declaration of Conformity | ![]() |
| Company: | K.A. Schmersal GmbH & Co. KG Möddinghofe 30 42279 Wuppertal Germany Internet: www.schmersal.com |
| Declaration: | We hereby, under sole responsibility, certify that the hereafter described components both in their basic design and construction conform to the relevant statutory requirements, regulations and designated standards of the United Kingdom. |
| Name of the component: | MZM 100 MZM 100 B |
| Type: | See ordering code |
| Description of the component: | Interlocking device with electromagnetic interlock for safety functions (MZM 100) and safety switch with interlocking functions (MZM 100 B) |
| Relevant legislation: | Supply of Machinery (Safety) Regulations | 2008 |
| Electromagnetic Compatibility Regulations | 2016 | |
| The Restriction of the Use of Certain Hazardous Substances in Electrical and Electronic Equipment Regulations | 2012 |
| Designated standards: | EN 60947-5-3:2013 EN ISO 14119:2013 EN ISO 13849-1:2015 IEC 61508 parts 1-7:2010 |
| Approved body for Type Examination: | TÜV Rheinland UK Ltd. 1011 Stratford Road Solihull, B90 4BN ID: 2571 |
| Type examination certificate: | 01/205U/5778.00/23 |
| UK-Importer / Person authorised for the compilation of the technical documentation: | Schmersal UK Ltd. Paul Kenney Unit 1, Sparrowhawk Close Enigma Business Park Malvern, Worcestershire, WR14 1GL |
| Place and date of issue: | Wuppertal, April 18, 2023 |
![]() |
| Authorised signature Philip Schmersal Managing Director |
| EU Declaration of Conformity | ![]() |
| Original | K.A. Schmersal GmbH & Co. KG Möddinghofe 30 42279 Wuppertal Germany Internet: www.schmersal.com |
| Declaration: | We hereby certify that the hereafter described components both in their basic design and construction conform to the applicable European Directives. |
| Name of the component: | MZM 100 MZM 100 B |
| Type: | See ordering code |
| Description of the component: | Interlocking device with electromagnetic interlock for safety functions (MZM 100) and safety switch with interlocking functions (MZM 100 B) |
| Relevant Directives: | Machinery Directive | 2006/42/EC |
| EMC-Directive | 2014/30/EU | |
| RoHS-Directive | 2011/65/EU |
| Applied standards: | EN 60947-5-3:2013 EN ISO 14119:2013 EN ISO 13849-1:2015 IEC 61508 parts 1-7:2010 |
| Notified body for Type Examination: | TÜV Rheinland Industrie Service GmbH Am Grauen Stein, 51105 Köln ID n°: 0035 |
| EC-Type Examination Certificate: | 01/205/5778.00/20 |
| Person authorised for the compilation of the technical documentation: | Oliver Wacker Möddinghofe 30 42279 Wuppertal |
| Place and date of issue: | Wuppertal, November 18, 2020 |
![]() |
| Authorised signature Philip Schmersal Managing Director |
シュメアザー株式会社, 〒222-0033 横浜市港北区新横浜3-9-5, 新横浜第3東昇ビル
データと詳細は完全にチェックされました。画像は元の画像と異なる場合があります。技術的なデータはマニュアルで見られます。技術的に変更されたり、エラーの可能性があります。
Generated at: 2026/04/17 18:40

