AZ 07 KT 08106
- Versione unipolare con boccola
- Custodia in plastica
- Perni di contatto nei ponticelli dell'azionatore
- 1 Piano di azionamento
- Grado di protezione IP20
- Custodia trasparente
- viti di fissaggio M4 Non staccabile / prigioniero
- Dimensioni di fissaggio adatte a AZ 06x
- Autopulizia mediante il movimento a frizione dei ponticelli contatti
- Custodie con asole allungate
Dati per l'ordine
| Codice |
AZ 07 KT 08106 |
| Codice articolo (codice d'ordine) |
101195820 |
| EAN (European Article Number) |
4030661362854 |
| Numero eCl@ss, versione 12.0 |
27-27-06-10 |
| Numero eCl@ss, versione 11.0 |
27-27-06-10 |
| Numero eCl@ss, versione 9.0 |
27-27-06-10 |
| Numero ETIM, versione 7.0 |
EC002592 |
| Numero ETIM, versione 6.0 |
EC002592 |
Omologazioni - Prescrizioni
| Certificazioni |
TÜV |
Dati generali
| Prescrizioni |
EN 81-20 EN 81-50 |
| Materiale della custodia |
Plastica, termoplastica rinforzata con fibra di vetro, autoestinguente |
| Materiale dell'coperchio |
Termoplastica trasparente, autoestinguente |
| Peso lordo |
30 g |
Dati generali - Caratteristiche
| Utilizzabile con ascensori |
Sì |
| quantità di contatti di sicurezza |
1 |
Dati meccanici
| Piano di azionamento |
1 |
| Durata meccanica, minimo |
1.000.000 manovre |
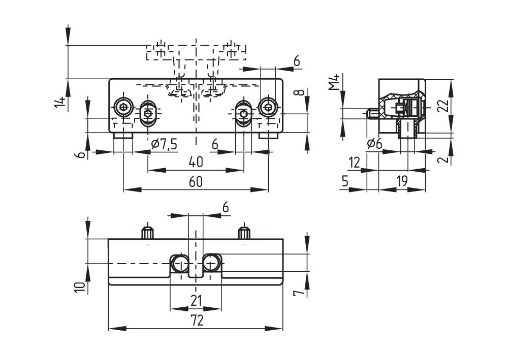
| Corsa di comando |
7 mm |
| Forza di azionamento, circa |
1,6 N |
| Montaggio |
Fori asolati per regolazione fine |
Dati meccanici - Tecnologia di collegamento
| Cablaggio |
Versione unipolare con boccola |
| Connettore di collegamento |
Collegamento a vite M20 x 1.5 |
Dati meccanici - Dimensioni
| larghezza |
72 mm |
| altezza |
22 mm |
| profondità |
19 mm |
Condizioni ambientali
| Grado di protezione |
IP20 |
| Temperatura ambiente |
-15 ... +70 °C |
| Umidità relativa, massima |
95 % |
| Osservazioni (umidità relativa) |
non condensante |
Condizioni ambientali - Valori di isolamento
| Tensione d'isolamento nominale |
500 V |
Dati elettrici
| Corrente termica continua |
4 A |
| Categoria d'utilizzo AC-15 |
230 VAC |
| Categoria d'utilizzo AC-15 |
2 A |
| Categoria d'utilizzo DC-13 |
200 VDC |
| Categoria d'utilizzo DC-13 |
2 A |
| Elemento di commutazione |
contatti d'apertura (NC) |
| principio di comando |
Contatti autopulenti |
| Materiale dei contatti, elettrici |
Rivetti in Cu con placcatura argento |
Fornitura
| Fornitura |
Actuator must be ordered separately. |
Osservazioni
| Nota (generale) |
Le vita di connessione possono essere fissate con plug. (2 prese per interruttore) |
Filtro lingua
Scheda Tecnica
Manuale d'istruzioni (Inserto/Guida rapida)
Dichiarazione di conformità UE
Certificazione TÜV
Download dell'ultima versione di Adobe Reader
Immagine del prodotto (foto singola per catalogo)
ID: kaz06f01
| 449,3 kB | .jpg | 303.389 x 240.59400000000002 mm - 860 x 682 px - 72 dpi
| 37,2 kB | .png | 74.083 x 58.914 mm - 210 x 167 px - 72 dpi
| 64,5 kB | .jpg | 123.47200000000001 x 98.072 mm - 350 x 278 px - 72 dpi
| 44,5 kB | .png | 74.083 x 74.083 mm - 210 x 210 px - 72 dpi
| 3,8 MB | .png | 166.55700000000002 x 132.08 mm - 2000 x 1586 px - 305 dpi
Disegno quotato disp. di base
Schmersal Italia S.r.l., Via Molino Vecchio, 206, 25010 Borgosatollo (BS)
I dettagli e i dati qui riportati sono stati attentamente verificati. Le immagini possono differire dagli originali. Altri dati tecnici possono essere trovati nei manuali. Salvo modifiche tecniche o errori.
Generated at: 17/04/2026, 18:22