SRB-E-402ST
SRB-E-402ST
- Module de sécurité combiné (double évaluation), 2 x STOP 0
- 2 x commande à 1 oder 2- canal
- 2 x Bouton de démarrage / Démarrage automatique
- 1 x Surveillance de commande bimanuelle selon ISO 13851
- 2 contacts de sécurité
- 2 Sorties de sécurité
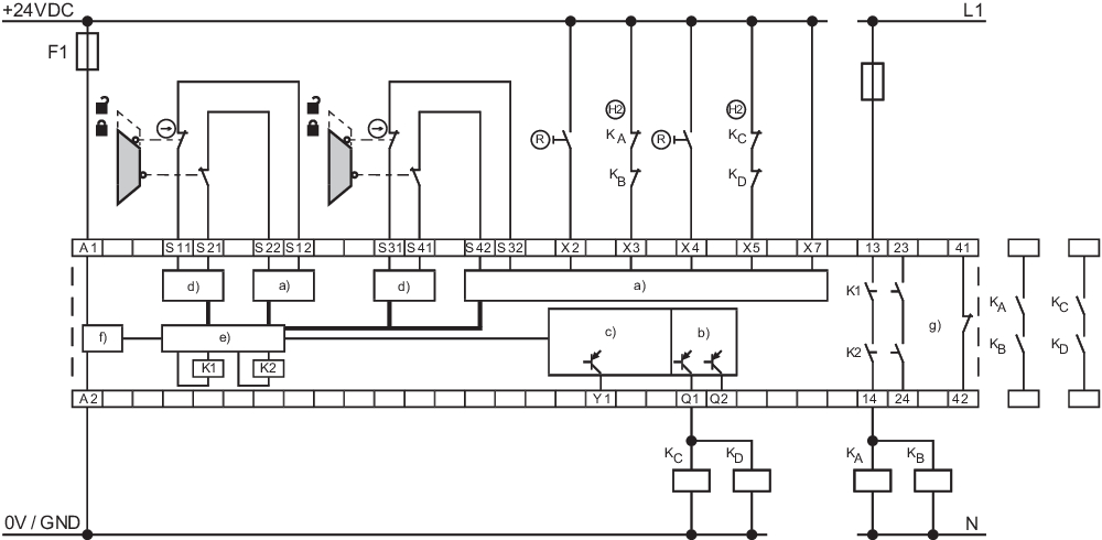
Exemple de commande
| Désignation de type du produit |
SRB-E-402ST |
| Référence d’article (n° de commande) |
103007221 |
| EAN (European Article Number) |
4030661478524 |
| eCl@ss number, version 12.0 |
27-37-18-19 |
| eCl@ss number, version 11.0 |
27-37-18-19 |
| Numéro eCl@ss, version 9.0 |
27-37-18-19 |
| ETIM number, version 7.0 |
EC001449 |
| ETIM number, version 6.0 |
EC001449 |
Homologations - Règlementations
| Certificats |
TÜV cULus CCC |
Caractéristiques globales
| Règlementations |
EN IEC 62061 EN ISO 13849-1 EN IEC 60947-5-1 EN IEC 60947-5-3 EN IEC 60947-5-5 EN IEC 61508 EN IEC 60204-1 EN IEC 60947-1 |
| Essais de résistance climatique |
EN 60068-2-78 |
| Matériau du boîtier |
Plastique, thermoplastique renforcée de fibres de verre, ventilée |
| Poids brut |
190 g |
Données générales - Caractéristiques
| Fusible électronique |
Oui |
| Détection des ruptures de fils |
Oui |
| Détection des courts-circuits transversaux |
Oui |
| Entrée de démarrage |
Oui |
| Boucle de retour |
Oui |
| Fonction de réarmement automatique |
Oui |
| Réarmement détection avec de front |
Oui |
| Détection des fuites à la terre |
Oui |
| Afficheur intégré, état |
Oui |
| Nombre de contacts auxiliaires |
1 |
| Nombre de LEDs |
6 |
| Nombre de contacts NF |
4 |
| Nombre de contacts NO |
2 |
| Nombre de contacts de sécurité, STOP 0 |
2 |
| Nombre de sorties de sécurité, STOP 0 |
2 |
| Nombre de sorties de signalisation, STOP 0 |
1 |
Classification
| Normes de référence |
EN ISO 13849-1 EN IEC 62061 EN IEC 61508 |
| Catégorie, STOP |
0 |
Classification - Sorties relais
| Performance Level, jusqu'à |
e |
| Catégorie selon EN ISO 13849 |
4 |
| Diagnostic Coverage (DC, niveau de couverture diagnostique) Level |
> 94 % |
| Valeur PFH |
1,25 x 10⁻⁸ /h |
| Valeur PFD |
5,30 x 10⁻⁵ |
| Safety Integrity Level (SIL), adapté pour |
3 |
| Durée d'utilisation |
20 année(s) |
| Common Cause Failure (CCF, défaut de cause commune), minmum |
65 |
Classification - Sorties numériques de sécurité
| Performance Level, jusqu'à |
e |
| Catégorie selon EN ISO 13849 |
4 |
| Valeur PFH |
2,66 x 10⁻⁹ /h |
| Valeur PFD |
2,42 x 10⁻⁵ |
| Safety Integrity Level (SIL), adapté pour |
3 |
| Durée d'utilisation |
20 année(s) |
Données mécaniques
| Durée de vie mécanique, min. |
10.000.000 manœuvres |
| Fixation |
Fixation rapide sur rails DIN standards selon DIN EN 60715 |
Données mécaniques – technique de connexion
| Dénomination des bornes |
IEC/EN 60947-1 |
| Section du câble, min. |
0,25 mm² |
| Section du câble, max. |
2,5 mm² |
| Couple de serrage des bornes |
0,5 Nm |
| Allowed type of cable |
solid single-wire flexible |
| Raccordement (mécanique) |
bornes à vis détachables |
Données mécaniques - Dimensions
| Largeur |
22,5 mm |
| Hauteur |
98 mm |
| Profondeur |
115 mm |
Conditions ambiantes
| Degré d'étanchéité du boîtier |
IP40 |
| Degré d'étanchéité de la chambre de raccordement |
IP54 |
| Degré d'étanchéité des bornes ou raccordements |
IP20 |
| Ambient temperature |
-25 ... +60 °C |
| Storage and transport temperature |
-40 ... +85 °C |
| Tenue aux vibrations selon EN 60068-2-6 |
10 ... 55 Hz, amplitude 0,35 mm |
| Tenue aux chocs mécaniques |
30 g / 11 ms |
Conditions ambiantes - Valeur d'isolation
| Tension assignée d'isolement |
250 V / 50 V |
| Tension assignée de tenue aux chocs, Sorties relais |
4 kV |
| Tension assignée de tenue aux chocs, sortie statique |
0,8 kV |
| Catégorie de surtension |
III |
| Degré d'encrassement selon IEC/EN 60664-1 |
2 |
Données électriques
| Operating voltage |
24 VDC -20 % / +20 % |
| Ripple voltage |
10 % |
| Rated operating voltage |
24 VDC |
| Courant permanent |
150 mA |
| Tension continue assignée d’alimentation de commande à, min. |
19,2 VDC |
| Tension continue assignée d’alimentation de commande à, max. |
28,8 VDC |
| Consommation électrique |
3,6 W |
| Résistance de contact, max. |
0,1 Ω |
| Remarque (résistance de contact) |
à l'état neuf |
| Temporisation au déclenchement en cas de panne de courant: typ. |
10 ms |
| Temporisation au déclenchement en cas d'arrêt d'urgence, typ. |
10 ms |
| Temporisation à l'enclenchement avec démarrage automatique, typ. |
150 ms |
| Temporisation à l'enclenchement avec réarmement, typ. |
150 ms |
| Fréquence de commutation, max. |
0,3 Hz |
| Matériau des contacts, électriques |
Ag-Ni, autonettoyant, à guidage forcé |
Données électriques - Sorties de sécurité
| Chute de tension Ud, max. |
0,5 V |
| Courant restant |
1 mA |
| Tension, catégorie d'utilisation DC-12 |
24 VDC |
| Courant, catégorie d'utilisation DC-12 |
2 A |
| Tension, catégorie d'utilisation DC-13 |
24 VDC |
| Courant, catégorie d'utilisation DC-13 |
2 A |
Données électriques - Sorties relais de sécurité
| Tension, catégorie d'utilisation AC-15 |
230 VAC |
| Courant, catégorie d'utilisation AC-15 |
4 A |
| Tension, catégorie d'utilisation DC-13 |
24 VDC |
| Courant, catégorie d'utilisation DC-13 |
4 A |
| Puissance commutable, min. |
10 VDC |
| Puissance commutable, min. |
10 mA |
| Puissance commutable, max. |
250 VAC |
| Puissance commutable, max. |
6 A |
Données électriques - Entrées numériques
| Résistance de ligne, max. |
40 Ω |
Données électriques - Sortie numérique
| Tension, catégorie d'utilisation DC-12 |
24 VDC |
| Courant, catégorie d'utilisation DC-12 |
0,1 A |
Données électriques - Sorties relais (contacts auxiliaires)
| Puissance commutable, max. |
24 VDC |
| Puissance commutable, max. |
1 A |
Données électriques - Compatibilité électromagnétique (CEM)
| Immunité contre des perturbations |
Directive CEM |
Indication d'état par
| Etats de fonctionnement visualisés |
Tension de service interne Ui Etat module de sécurité Codes d'erreur |
Données diverses
| Remarque (applications) |
Capteur de sécurité protecteur pivotant Bouton d'arrêt d'urgence Interrupteurs de sécurité à commande par câble Rideau lumineux de sécurité Barrières opto-électroniques de sécurité Commandes bimanuelles |
Filtre de langue
Fiches techniques
Mode d'emploi et déclaration de conformité
Certificat UL
Certification CCC
Homologation TÜV
Brochure
Bibliothèque/Library SISTEMA-VDMA
Télécharger la dernière version d'Adobe Reader
Photo du produit (photo individuelle de catalogue)
ID: ksrb4f16
| 1,0 MB | .jpg | 281.869 x 655.8140000000001 mm - 799 x 1859 px - 72 dpi
| 126,5 kB | .png | 74.083 x 172.156 mm - 210 x 488 px - 72 dpi
| 47,6 kB | .jpg | 52.917 x 123.47200000000001 mm - 150 x 350 px - 72 dpi
| 37,4 kB | .png | 74.083 x 74.083 mm - 210 x 210 px - 72 dpi
| 12,6 MB | .png | 169.333 x 393.954 mm - 2000 x 4653 px - 300 dpi
| Déclaration UE de conformité | ![]() |
| Original | K.A. Schmersal GmbH & Co. KG Möddinghofe 30 42279 Wuppertal Germany Internet: www.schmersal.com |
| Déclaration: | Par la présente, nous certifions que les composants identifiés ci-après répondent de par leur conception et leur construction aux exigences des Directives Européennes applicables. |
| Désignation du composant | SRB-E-402ST |
| Type: | voir exemple de commande |
| Description du composant: | Module de sécurité pour les circuits d'arrêt d'urgence, les surveillances de protecteur, les interrupteurs magnétiques de sécurité, surveillance de commandes bimanuelles et les AOPD |
| Directives pertinentes: | Directive Machines | 2006/42/CE |
| Directive CEM | 2014/30/EU | |
| Directive RoHS | 2011/65/EU |
| Normes appliquées: | EN ISO 13851:2019 EN ISO 13849-1:2023 EN ISO 13849-2:2012 IEC 61508 parties 1-7:2010 |
| Organisme notifié pour l' examen de type: | TÜV Rheinland Industrie Service GmbH Am Grauen Stein, 51105 Köln N° d'ident.: 0035 |
| Certificat CE de type: | 01/205/5635.01/25 |
| Représentant autorisé à préparer et composer la documentation technique: | Oliver Wacker Möddinghofe 30 42279 Wuppertal |
| Lieu et date de l'émission: | Wuppertal, le 23 septembre 2025 |
![]() |
| Signature à l'effet d'engager la société Philip Schmersal Président Directeur Général |
| UK Declaration of Conformity | ![]() |
| Company: | K.A. Schmersal GmbH & Co. KG Möddinghofe 30 42279 Wuppertal Germany Internet: www.schmersal.com |
| Declaration: | We hereby, under sole responsibility, certify that the hereafter described components both in their basic design and construction conform to the relevant statutory requirements, regulations and designated standards of the United Kingdom. |
| Name of the component: | SRB-E-402ST |
| Type: | See ordering code |
| Description of the component: | Safety-monitoring module for emergency stop circuits, guard door monitoring, magnetic safety switches, two-hand control panels and AOPD’s |
| Relevant legislation: | Supply of Machinery (Safety) Regulations | 2008 |
| Electromagnetic Compatibility Regulations | 2016 | |
| The Restriction of the Use of Certain Hazardous Substances in Electrical and Electronic Equipment Regulations | 2012 |
| Designated standards: | EN ISO 13851:2019 EN ISO 13849-1:2015 EN ISO 13849-2:2012 IEC 61508 parts 1-7:2010 EN 62061:2005 + AC:2010 + A1:2013 + A2:2015 |
| Notified body, which approved the full quality assurance system, referred to in Appendix X, 2006/42/EC: | TÜV Rheinland Industrie Service GmbH Am Grauen Stein 51105 Köln ID n°: 0035 |
| UK-Importer / Person authorised for the compilation of the technical documentation: | Schmersal UK Ltd. Paul Kenney Unit 1, Sparrowhawk Close Enigma Business Park Malvern, Worcestershire, WR14 1GL |
| Place and date of issue: | Wuppertal, March 14, 2023 |
![]() |
| Authorised signature Philip Schmersal Managing Director |
Schmersal Schweiz AG, Moosmattstraße 3, 8905 Arni
Les données et les valeurs ont été soigneusement vérifiées. Les illustrations peuvent être différentes de l'original. Vous trouverez d'avantage de caractéristiques techniques dans les manuels d’instructions. Sous réserve de modifications techniques et errata.
Generated at: 17.04.2026 18:23


