FWS 2106 C UE: 24...230V AC/DC
FWS 2106 C UE: 24...230V AC/DC
Téléchargements
- Détection d"arrêt avec 2 capteur(s) d"impulsion
- 1 contact de sécurité
- 2 Sorties de signalisation
Exemple de commande
| Note (disponibilité) |
Plus disponible! |
| Désignation de type du produit |
FWS 2106 C UE: 24...230V AC/DC |
| Référence d’article (n° de commande) |
101181692 |
| EAN (European Article Number) |
4030661327006 |
| eCl@ss number, version 12.0 |
27-37-18-19 |
| eCl@ss number, version 11.0 |
27-37-18-19 |
| Numéro eCl@ss, version 9.0 |
27-37-18-19 |
| ETIM number, version 7.0 |
EC001449 |
| ETIM number, version 6.0 |
EC001449 |
Homologations - Règlementations
| Certificats |
cULus |
Caractéristiques globales
| Règlementations |
BG-GS-ET-20 EN IEC 62061 EN ISO 13849-1 EN IEC 60947-5-1 EN IEC 60947-5-3 EN IEC 60947-5-5 EN IEC 60204-1 EN IEC 60947-1 |
| Essais de résistance climatique |
EN 60068-2-3 BG-GS-ET-14 |
| Matériau du boîtier |
Plastique, thermoplastique renforcée de fibres de verre, ventilée |
| Poids brut |
285 g |
Données générales - Caractéristiques
| Détection des ruptures de fils |
Oui |
| Boucle de retour |
Oui |
| Réarmement détection avec de front |
Oui |
| Afficheur intégré, état |
Oui |
| Nombre de LEDs |
1 |
| Nbre de sorties statiques non temporisées avec fonct. de signalisation |
2 |
| Nombre de contacts de sécurité |
1 |
| Nombre de sorties de signalisation |
2 |
Classification
| Normes de référence |
EN IEC 61508 |
| Performance Level, jusqu'à |
d |
| Catégorie selon EN ISO 13849 |
3 |
| Valeur PFH |
1,00 x 10⁻⁷ /h |
| Safety Integrity Level (SIL), adapté pour |
2 |
| Durée d'utilisation |
20 année(s) |
| Catégorie, STOP |
0 |
Données mécaniques
| Durée de vie mécanique, min. |
20.000.000 manœuvres |
| Fixation |
Fixation rapide sur rails DIN standards selon DIN EN 60715 |
Données mécaniques – technique de connexion
| Dénomination des bornes |
IEC/EN 60947-1 |
| Connecteur de raccordement |
rigide ou flexible Raccord fileté M20 x 1.5 |
| Section du câble, min. |
0,2 mm² |
| Section du câble, max. |
2,5 mm² |
| Couple de serrage des bornes |
0,6 Nm |
Données mécaniques - Dimensions
| Largeur |
45 mm |
| Hauteur |
100 mm |
| Profondeur |
121 mm |
Conditions ambiantes
| Degré d'étanchéité du boîtier |
IP40 |
| Degré d'étanchéité de la chambre de raccordement |
IP54 |
| Degré d'étanchéité des bornes ou raccordements |
IP20 |
| Ambient temperature |
+0 ... +55 °C |
| Storage and transport temperature |
-25 ... +70 °C |
| Tenue aux vibrations selon EN 60068-2-6 |
10 ... 55 Hz, amplitude 0,35 mm |
| Tenue aux chocs mécaniques |
30 g / 11 ms |
Conditions ambiantes - Valeur d'isolation
| Tension assignée de tenue aux chocs |
4,8 kV |
| Catégorie de surtension |
III |
| Degré d'encrassement selon VDE 0110 |
2 |
Données électriques
| Operating voltage |
24 ... 230 VAC |
| Type of voltage range |
AC DC |
| Rated operating voltage |
24 ... 230 VAC |
| Tension assignée d’alimentation de commande à 50 Hz AC, min. |
20.4 VAC |
| Tension assignée d’alimentation de commande à 50 Hz AC, max. |
253 VAC |
| Tension assignée d’alimentation de commande à 60 Hz AC, min. |
20.4 VAC |
| Tension assignée d’alimentation de commande à 60 Hz AC, max. |
253 VAC |
| Tension continue assignée d’alimentation de commande à, min. |
20,4 VDC |
| Tension continue assignée d’alimentation de commande à, max. |
253 VDC |
| Consommation électrique, max. |
5 W |
| Résistance de contact, max. |
0,1 Ω |
| Remarque (résistance de contact) |
à l'état neuf |
| Matériau des contacts, électriques |
Ag-Ni + Au |
Données électriques - Sorties relais de sécurité
| Tension, catégorie d'utilisation AC-15 |
230 VAC |
| Courant, catégorie d'utilisation AC-15 |
3 A |
| Tension, catégorie d'utilisation DC-13 |
24 VDC |
| Courant, catégorie d'utilisation DC-13 |
2 A |
| Puissance commutable, min. |
10 VDC |
| Puissance commutable, min. |
10 mA |
| Puissance commutable, max. |
250 VAC |
| Puissance commutable, max. |
6 A |
Données électriques - Entrées numériques
| Niveau d'entrée, signal HIGH "1" |
10 … 30 VDC |
| Niveau d'entrée, signal LOW "0" |
0 … 2 VDC |
| Résistance de ligne, max. |
40 Ω |
Système intégré de diagnostic (ISD)
| Remarque (erreur ISD) |
Les erreurs suivantes sont reconnues par le module de sécurité et affichées par l' ISD. |
| Erreur |
Non-enclenchement ou non-déclenchement des relais de sécurité Erreurs sur le câblage d'entrée ou sur la commande des relais du module de sécurité Défaut des détecteurs de proximité Défaut d'un canal du module de surveillance Interruption des câbles des détecteurs de proximité inductifs |
Données diverses
| Remarque (applications) |
safe contrôleur d'arrêt |
Remarque
| Remarque (en général) |
Des charges inductives (p.ex. relais externe, etc.) doivent être antiparasitées par un dispositif approprié. |
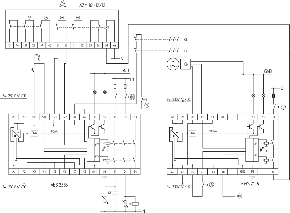
Exemple de câblage
| Remarque (exemple de câblage) |
L'exemple de câblage est représenté pour les protecteurs fermés et hors tension. Les tableaux ISD (système intégré de diagnostic) pour l'analyse des messages d'erreur et leurs causes sont repris en annexe. Pour la surveillance d'un protecteur sur des installations avec des mouvements inertiels dangereux jusqu'en max. PL d et catégorie 3 Surveillance de l'arrêt pour le déverrouillage d'interverrouillages de sécurité L'interverrouillage de sécurité peut être ouvert, quand le détecteur d'arrêt a détecté l'arrêt du mouvement inertiel à l'aide de deux interrupteurs de proximité inductifs. L'actionnement du bouton (E) permet d'activer la bobine de l'interverrouillage de sécurité. Vous trouverez des détecteurs de proximité inductifs à commutation p appropriés de la série IFL dans le catalogue Schmersal "Technique de l'automatisation". Si seulement un détecteur de proximité inductif est raccordé au contrôleur d'arrêt , les fréquences d'arrêt doivent être identiques et les entrées X2 et X4 doivent être pontées. |
Filtre de langue
Fiches techniques
Mode d'emploi et déclaration de conformité
Certificat UL
Exemple de câblage (câblage électrique)
Information
Télécharger la dernière version d'Adobe Reader
Photo du produit (photo individuelle de catalogue)
ID: kfws2f07
| 1,1 MB | .jpg | 342.194 x 529.167 mm - 970 x 1500 px - 72 dpi
| 77,1 kB | .png | 74.083 x 114.3 mm - 210 x 324 px - 72 dpi
| 67,5 kB | .jpg | 79.72800000000001 x 123.47200000000001 mm - 226 x 350 px - 72 dpi
| 46,7 kB | .png | 74.083 x 74.083 mm - 210 x 210 px - 72 dpi
| 7,1 MB | .png | 169.249 x 261.789 mm - 1999 x 3092 px - 300 dpi
Exemple de câblage
103014754 SRB-E-302FWS-TS
- 2 contacts de sécurité, 1 sortie de sécurité
- Bornes à vis enfichables avec codage
- 1 sortie de signalisation état du module
- 1 sortie de signalisation message d'erreur dynamique
- Détection d"arrêt possible avec 1 ou avec 2 capteurs d"impulsion
- Signal d'arrêt supplémentaire comme deuxième canal d'entrée
- surveillance du temps à 2 canaux
Schmersal Belgium, Nieuwlandlaan 73, 3200 Aarschot
Les données et les valeurs ont été soigneusement vérifiées. Les illustrations peuvent être différentes de l'original. Vous trouverez d'avantage de caractéristiques techniques dans les manuels d’instructions. Sous réserve de modifications techniques et errata.
Generated at: 18/04/2026 16:38