AZ 13 KD
- Single wire entry with Connecting funnel
- 1 cable per clamp
- Actuation cover-side
- Thermoplastic enclosure
- Contact pin in actuator bridge
- 2 actuating planes
- Protection class IP20
- Inseparable cover and enclosure
- Enclosure with mounting slots
- Self-cleaning through the frictional mouvement of the contact bridges
- Lateral and bottom-side cable entry
Ordering data
| Product type description |
AZ 13 KD |
| Article number (order number) |
101060277 |
| EAN (European Article Number) |
4030661040295 |
| eCl@ss number, version 12.0 |
27-27-06-10 |
| eCl@ss number, version 11.0 |
27-27-06-10 |
| eCl@ss number, version 9.0 |
27-27-06-10 |
| ETIM number, version 7.0 |
EC002592 |
| ETIM number, version 6.0 |
EC002592 |
General data
| Standards |
EN 81-20 EN 81-50 |
| Housing material |
Plastic, glass-fibre reinforced thermoplastic, self-extinguishing |
| Material of the housing cover |
thermoplastic, self-extinguishing |
| Gross weight |
33 g |
General data - Features
| Suitable for elevators |
Yes |
| Number of safety contacts |
1 |
Mechanical data
| Actuating panels |
cover-side |
| Mechanical lifetime, minimum |
1,000,000 Operations |
| Actuating stroke |
7 mm |
| Actuating force, approx. |
1.6 N |
| Positive break force, minimum |
10 N |
| Note (Positive break force) |
per NC |
| Mounting |
Enclosure with mounting slots |
Mechanical data - Connection technique
| Cable entry |
Single conductor version with connecting funnel |
| Termination |
Screw terminals M20 x 1.5 |
| Notes |
M4, with self-opening clamping plates |
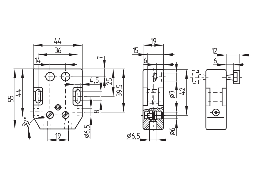
Mechanical data - Dimensions
| Width |
44 mm |
| Height |
55 mm |
| Depth |
19 mm |
Ambient conditions
| Degree of protection |
IP20 |
| Ambient temperature |
-30 ... +70 °C |
Ambient conditions - Insulation values
| Rated insulation voltage Ui |
500 V |
Electrical data
| Thermal test current |
4 A |
| Utilisation category AC-15 |
230 VAC |
| Utilisation category AC-15 |
2 A |
| Utilisation category DC-13 |
200 VDC |
| Utilisation category DC-13 |
2 A |
| Switching element |
Opener (NC) |
| Switching principle |
Self-cleaning pressure contact |
| Material of the contacts, electrical |
Silver-plated Cu rivets |
Scope of delivery
| Scope of delivery |
Actuator must be ordered separately. |
Language filter
Datasheet
Operating instructions (supplementary sheet/quick guide)
Declaration of conformity (EC)
Download the latest version of Adobe Reader
Product picture (catalogue individual photo)
ID: kaz13f01
| 636.1 kB | .jpg | 352.778 x 561.975 mm - 1000 x 1593 px - 72 dpi
| 100.1 kB | .png | 74.083 x 117.828 mm - 210 x 334 px - 72 dpi
| 39.8 kB | .png | 74.083 x 74.083 mm - 210 x 210 px - 72 dpi
| 7.5 MB | .png | 166.55700000000002 x 265.326 mm - 2000 x 3186 px - 305 dpi
| 47.9 kB | .jpg | 77.611 x 123.47200000000001 mm - 220 x 350 px - 72 dpi
Dimensional drawing basic component
| EU Declaration of Conformity | ![]() |
| Original | K.A. Schmersal GmbH & Co. KG Möddinghofe 30 42279 Wuppertal Germany Internet: www.schmersal.com |
| Declaration: | We hereby certify that the hereafter described components both in their basic design and construction conform to the applicable European Directives. |
| Name of the component: | AZ 01, AZ 02, AZ 03, AZ 13, AZ 14, AZ 19 |
| Type: | See ordering code |
| Year of construction: | See identification plate |
| Description of the component: | Door contact |
| Relevant Directives: | Low Voltage Directive | 2014/35/EU |
| RoHS-Directive | 2011/65/EU |
| Applied standards: | EN 81-20:2020 EN 81-50:2020 |
| Place and date of issue: | Wuppertal, September 7, 2022 |
![]() |
| Authorised signature Philip Schmersal Managing Director |
| UK Declaration of Conformity | ![]() |
| Company: | K.A. Schmersal GmbH & Co. KG Möddinghofe 30 42279 Wuppertal Germany Internet: www.schmersal.com |
| Declaration: | We hereby, under sole responsibility, certify that the hereafter described components both in their basic design and construction conform to the relevant statutory requirements, regulations and designated standards of the United Kingdom. |
| Name of the component: | AZ 01, AZ 02, AZ 03, AZ 13, AZ 14, AZ 19 |
| Type: | See ordering code |
| Year of construction: | See identification plate |
| Description of the component: | Door contact |
| Relevant legislation: | Electrical Equipment (Safety) Regulations | 2016 |
| The Restriction of the Use of Certain Hazardous Substances in Electrical and Electronic Equipment Regulations | 2012 |
| Designated standards: | EN 81-20:2020 EN 81-50:2020 |
| UK-Importer / Person authorised for the compilation of the technical documentation: | Schmersal UK Ltd. Paul Kenney Unit 1, Sparrowhawk Close Enigma Business Park Malvern, Worcestershire, WR14 1GL |
| Place and date of issue: | Wuppertal, September 7, 2022 |
![]() |
| Authorised signature Philip Schmersal Managing Director |
Schmersal Ltd., Sparrowhawk Close, WR14 1GL Malvern
The details and data referred to have been carefully checked. Images may diverge from original. Further technical data can be found in the manual. Technical amendments and errors possible.
Generated at: 17/04/2026, 17:11

