BNS 33-12ZG-ST
| Produkt-Typbezeichnung: BNS 33-(1)Z(2)-(3)-(4) |
| (1) | |
| 02 | 2 Öffner (NC) |
| 11 | 1 Schließer (NO) / 1 Öffner (NC) |
| 12 | 1 Schließer (NO) / 2 Öffner (NC) |
| (2) | |
| ohne | ohne LED-Zustandsanzeige |
| G | mit LED-Zustandsanzeige |
| (3) | |
| ohne | mit Leitung |
| ST | mit Stecker M8 |
| LST | Anschlussleitung mit Stecker M12 |
| (4) | |
| 2187 | Kontakte einzeln herausgeführt |
| 2187-10 | Kontakte einzeln herausgeführt, mit LED |
| 2237 | Betätigung aus leitungszugewandter Richtung |
- Steckverbinder M8 x 1, 4-polig
- LED-Ausführung
- Kunststoffgehäuse
- verdeckter Einbau möglich
- unempfindlich gegen seitlichen Versatz
- 88 mm x 25 mm x 13 mm
- hohe Lebensdauer
- kein mechanischer Verschleiß
- unempfindlich gegen Verschmutzung
Bestelldaten
| Produkt-Typbezeichnung |
BNS 33-12ZG-ST |
| Artikelnummer (Bestellnummer) |
101144401 |
| EAN (European Article Number) |
4030661133331 |
| eCl@ss Nummer, Version 12.0 |
27-27-44-01 |
| eCl@ss Nummer, Version 11.0 |
27-27-24-02 |
| eCl@ss Nummer, Version 9.0 |
27-27-24-02 |
| ETIM Nummer, Version 7.0 |
EC002544 |
| ETIM Nummer, Version 6.0 |
EC002544 |
Zulassungen - Vorschriften
| Zertifikate |
cULus |
Allgemeine Daten
| Vorschriften |
BG-GS-ET-14 EN IEC 60947-5-3 |
| Codierstufe gemäß EN ISO 14119 |
gering |
| Wirkprinzip |
magnetisch |
| Einbaubedingungen (mechanisch) |
nicht bündig |
| Werkstoff des Gehäuses |
Kunststoff, glasfaserverstärkter Thermoplast |
| Bruttogewicht |
26 g |
Allgemeine Daten - Eigenschaften
| Codierung |
Ja |
| Integrierte Anzeige, Status |
Ja |
| Voraussetzung Auswerteeinheit |
Ja |
| Anzahl der Öffner |
2 |
| Anzahl der Schließer |
1 |
Sicherheitsbetrachtung
| Vorschriften |
EN ISO 13849-1 |
| Gebrauchsdauer |
20 Jahre |
Sicherheitsbetrachtung - Sicherheitsausgänge
| B10D-Wert, Öffner/Schließer (NC/NO) |
25.000.000 Schaltspiele |
Mechanische Daten
| Aktive Fläche |
seitlich |
| Betätigungselement |
Magnet |
| Bewegungsrichtung |
Frontal zur aktiven Fläche |
Mechanische Daten - Schaltabstände
| Gesicherter Schaltabstand "EIN" Sao |
5 mm 8 mm |
| Gesicherter Schaltabstand "AUS" Sar |
15 mm 18 mm |
| Hinweis (Schaltabstand) |
Alle Angaben der Schaltabstände gemäß EN IEC 60947-5-3 |
| Hinweis (Wiederholgenauigkeit R) |
Wiederholgenauigkeit R ≤ 0,1 x Sao |
Mechanische Daten - Anschlusstechnik
| Länge der Leitung |
1 m |
| Anschlussart |
Steckverbinder M8 |
Mechanische Daten - Abmessungen
| Länge des Sensors |
13 mm |
| Breite des Sensors |
88 mm |
| Höhe des Sensors |
25 mm |
Umgebungsbedingungen
| Schutzart |
IP67 |
| Umgebungstemperatur |
-25 ... +70 °C |
| Lager- und Transporttemperatur |
-25 ... +70 °C |
| Schwingfestigkeit |
10 … 55 Hz, Amplitude 1 mm |
| Schockfestigkeit |
30 g / 11 ms |
Elektrische Daten
| Schaltspannung, maximum |
24 VDC |
| Schaltstrom, maximum |
0,01 A |
| Schaltleistung, maximum |
0,24 W |
| Schaltelement |
1 Schließer (NO), 2 Öffner (NC) |
| Schaltprinzip |
Reedkontakte, berührungslos wirkend |
| Schaltfrequenz, maximum |
5 Hz |
Zustandsanzeige
| Hinweis (Integrierte Anzeige, Status) |
LED leuchtet, wenn die Schutztür geöffnet ist. |
Lieferumfang
| Lieferumfang |
Der Betätiger ist nicht im Lieferumfang enthalten. |
Zubehör
| Empfehlung (Betätiger) |
BPS 33-2326 BPS 33 |
| Empfehlung Sicherheitsschaltgerät |
SRB-E-301ST SRB-E-201LC |
Hinweis
| Hinweis (Allgemein) |
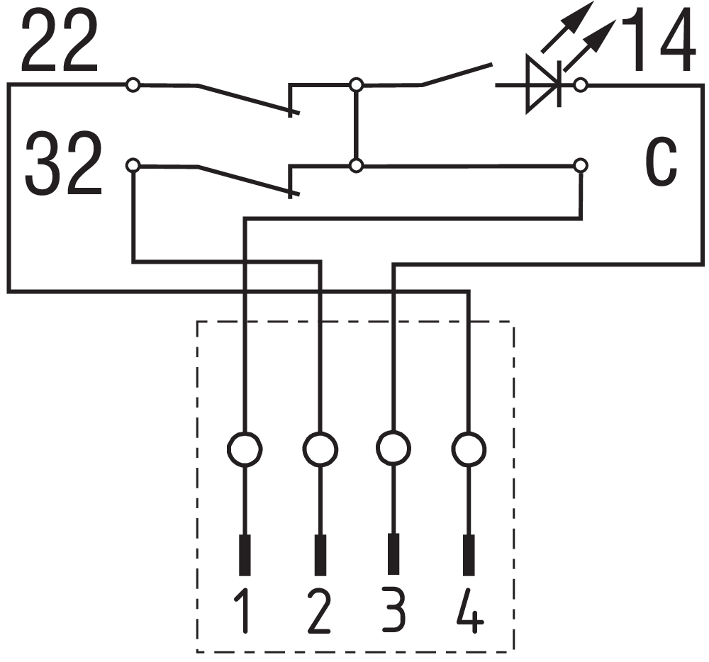
Darstellung der Kontaktsymbole bei geschlossener Schutzeinrichtung. Die Kontaktbelegungen bei den Ausführungen mit oder ohne LED sind identisch. |
Sprachfilter
Datenblatt
Betriebsanleitung (EU)
UL-Zertifikat
SISTEMA-VDMA Bibliothek/Library
Download der aktuellen Version von Adobe Reader
Produktbild (Katalogeinzelphoto )
ID: kbns3f21
| 187,7 kB | .jpg | 352.778 x 159.80800000000002 mm - 1000 x 453 Pixel - 72 dpi
| 24,2 kB | .png | 74.083 x 33.514 mm - 210 x 95 Pixel - 72 dpi
| 23,5 kB | .png | 74.083 x 74.083 mm - 210 x 210 Pixel - 72 dpi
| 1,8 MB | .png | 166.55700000000002 x 75.45 mm - 2000 x 906 Pixel - 305 dpi
| 27,4 kB | .jpg | 123.47200000000001 x 56.092000000000006 mm - 350 x 159 Pixel - 72 dpi
Maßzeichnung Grundgerät
Kontaktbild
Kennliniendiagramm
| EU-Konformitätserklärung | ![]() |
| Original | K.A. Schmersal GmbH & Co. KG Möddinghofe 30 42279 Wuppertal Germany Internet: www.schmersal.com |
| Erklärung: | Hiermit erklären wir, dass die nachfolgend aufgeführten Bauteile aufgrund der Konzipierung und Bauart den Anforderungen der unten angeführten Europäischen Richtlinien entsprechen. |
| Bezeichnung des Bauteils: | BNS 33 |
| Typ: | siehe Typenschlüssel |
| Beschreibung des Bauteils: | Codierter magnetisch wirkender Sicherheits-Sensor in Verbindung mit den Schmersal Auswerteinheiten SRB(-E) / PROTECT-SELECT / PSC1 oder einer vergleichbaren sicherheitsgerichteten Steuerung, die den Anforderungen der EN 60947-5-3 genügt. |
| Einschlägige Richtlinien: | Maschinenrichtlinie | 2006/42/EG |
| RoHS-Richtlinie | 2011/65/EU |
| Angewandte Normen: | EN 60947-5-3:2013 EN ISO 14119:2013 |
| Bevollmächtigter für die Zusammenstellung der technischen Unterlagen: | Oliver Wacker Möddinghofe 30 42279 Wuppertal |
| Ort und Datum der Ausstellung: | Wuppertal, 15. November 2022 |
![]() |
| Rechtsverbindliche Unterschrift Philip Schmersal Geschäftsführer |
| UK Declaration of Conformity | ![]() |
| Company: | K.A. Schmersal GmbH & Co. KG Möddinghofe 30 42279 Wuppertal Germany Internet: www.schmersal.com |
| Declaration: | We hereby, under sole responsibility, certify that the hereafter described components both in their basic design and construction conform to the relevant statutory requirements, regulations and designated standards of the United Kingdom. |
| Name of the component: | BNS 33 |
| Type: | See ordering code |
| Description of the component: | Coded safety-sensor with magnetic operating principle in combination with the SRB(-E) / PROTECT-SELECT / PSC1 safety-monitoring modules from Schmersal or an equivalent safety-oriented control system fulfilling the requirements of the EN 60947-5-3. |
| Relevant legislation: | Supply of Machinery (Safety) Regulations | 2008 |
| The Restriction of the Use of Certain Hazardous Substances in Electrical and Electronic Equipment Regulations | 2012 |
| Designated standards: | EN 60947-5-3:2013 EN ISO 14119:2013 |
| UK-Importer / Person authorised for the compilation of the technical documentation: | Schmersal UK Ltd. Paul Kenney Unit 1, Sparrowhawk Close Enigma Business Park Malvern, Worcestershire, WR14 1GL |
| Place and date of issue: | Wuppertal, November 15, 2022 |
![]() |
| Authorised signature Philip Schmersal Managing Director |
Schmersal Schweiz AG, Moosmattstraße 3, 8905 Arni
Die genannten Daten und Angaben wurden sorgfältig geprüft. Abbildungen können vom Original abweichen. Weitere technische Daten finden Sie in der Betriebsanleitung. Technische Änderungen und Irrtümer vorbehalten.
Generiert am: 18.04.2026, 17:06

