ZSD6/O.LTG
- 3 Stufen AUS-EIN-AUS
- Kunststoffgehäuse
- 1 Leitungseinführung M 20 x 1.5
- weitgehend öl- und benzinbeständig
- Insbesondere für Roboteranwendungen gemäß ANSI Robotics Standard geeignet
- Redundante Kontakt-Konfiguration ermöglicht Signalverarbeitung mit handelsüblichen Sicheheits-Relaisbausteinen
- Kontakte schließen nicht beim Rücksetzen ( Stufe 3 -> Stufe1)
Bestelldaten
| Produkt-Typbezeichnung |
ZSD6/O.LTG |
| Artikelnummer (Bestellnummer) |
101199480 |
| EAN (European Article Number) |
4030661590080 |
| eCl@ss Nummer, Version 12.0 |
27-37-12-38 |
| eCl@ss Nummer, Version 11.0 |
27-37-12-38 |
| eCl@ss Nummer, Version 9.0 |
27-37-12-38 |
| ETIM Nummer, Version 7.0 |
EC002571 |
| ETIM Nummer, Version 6.0 |
EC002571 |
Zulassungen - Vorschriften
| Zertifikate |
cULus |
Allgemeine Daten
| Vorschriften |
CSA C22.2 Nr.14 EN IEC 60947-5-1 EN IEC 60204-1 EN IEC 60947-1 EN ISO 11161 EN ISO 12100 JIS C8201-5-1 UL508 1 |
| Werkstoff des Gehäuses |
Kunststoff, Thermoplast, selbstverlöschend |
| Bruttogewicht |
180 g |
Allgemeine Daten - Eigenschaften
| Drucktaster, zusätzlich |
Ja |
| Anzahl der Öffner |
1 |
| Anzahl der Schließer |
3 |
Sicherheitsbetrachtung
| Vorschriften |
EN ISO 13849-1 EN IEC 61508 |
| B10D Öffner (NC) |
100.000 Schaltspiele |
| Gebrauchsdauer |
20 Jahre |
Mechanische Daten
| Hinweis (Mechanische Lebensdauer) |
Schließerkontakt: |
Mechanische Daten - Anschlusstechnik
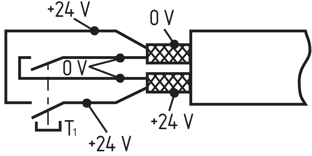
| Leitungseinführung |
1 x M20 x 1,5 |
| Anschlussart |
Schraubklemmen |
| Zulässiger Kabeldurchmesser, minimum |
7 mm |
| Zulässiger Kabeldurchmesser, maximum |
13 mm |
| Anschlussquerschnitt, minimum |
0,14 mm² |
| Anschlussquerschnitt, maximum |
1,5 mm² |
Umgebungsbedingungen
| Schutzart |
IP65 |
| Umgebungstemperatur |
-10 ... +60 °C |
| Lager- und Transporttemperatur |
-40 ... +80 °C |
| Schwingfestigkeit |
Betrieb: 5 … 55 Hz, Amplitude 0,5 mm min./ Zerstörung: 16,7 Hz, Amplitude 1,5 mm min. |
| Schockfestigkeit |
Betrieb: 100 m/s², Zerstörung: 1.000 m/s² |
Umgebungsbedingungen - Isolationskennwerte
| Bemessungsstoßspannungsfestigkeit Uimp |
1,5 kV |
Elektrische Daten
| Bemessungsbetriebsspannung |
250 VAC |
| Bemessungsbetriebsstrom |
3.000 mA |
| Externe Leitungs- und Geräteabsicherung |
10A f |
| Kontaktwiderstand, maximum |
0,1 Ω |
| Hinweis (Kontaktwiderstand) |
in Neuzustand |
| Schaltelement |
Schließer (NO), Öffner (NC) |
| Schaltprinzip |
Schleichschaltung |
| Maximale Schalthäufigkeit |
1.200 /h |
| Werkstoff der Kontakte, elektrisch |
Silber |
Elektrische Daten - Kontakte
| Spannung, Gebrauchskategorie AC-15 |
125 VAC |
| Strom, Gebrauchskategorie AC-15 |
1,5 A |
| Spannung, Gebrauchskategorie DC-13 |
125 VDC |
| Strom, Gebrauchskategorie DC-13 |
0,22 A |
Elektrische Daten - Hilfskontakte
| Spannung, Gebrauchskategorie AC-15 |
125 VAC |
| Strom, Gebrauchskategorie AC-15 |
1 A |
| Spannung, Gebrauchskategorie DC-13 |
125 VDC |
| Strom, Gebrauchskategorie DC-13 |
0,22 A |
Zubehör
| Empfehlung Sicherheitsschaltgerät |
SRB, 2-kanalig mit Querschlusserkennung |
Hinweis
| Hinweis (Allgemein) |
Kundenspezifische Ausführungen, mit Anschlusskabel, sind auf Anfrage möglich. Das Überwachungsgerät muss die Möglichkeit einer Querschlusserkennung besitzen. Als Zuleitung ist nur ein doppelt geschirmtes Kabel zulässig. 1) Wenn das Gerät in feuchten Räumen verwendet wird, muss eine entsprechend geeignete Anschlussleitung verwendet werden. 1) Dieses Gerät wurde nach Schlag- und Feuerfestigkeit gemäß UL508 untersucht. |
Sprachfilter
Datenblatt
UL-Zertifikat
SISTEMA-VDMA Bibliothek/Library
Download der aktuellen Version von Adobe Reader
Produktbild (Katalogeinzelphoto )
ID: kzsd6f02
| 1,9 MB | .jpg | 352.778 x 1438.6280000000002 mm - 1000 x 4078 Pixel - 72 dpi
| 155,6 kB | .png | 74.083 x 301.978 mm - 210 x 856 Pixel - 72 dpi
| 15,9 kB | .jpg | 30.339000000000002 x 123.47200000000001 mm - 86 x 350 Pixel - 72 dpi
| 17,9 kB | .png | 74.083 x 74.083 mm - 210 x 210 Pixel - 72 dpi
Maßzeichnung Grundgerät
103043704 ZSD6CC
- Kunststoffgehäuse
- 1 Leitungseinführung M 20 x 1.5
- weitgehend öl- und benzinbeständig
- Insbesondere für Roboteranwendungen gemäß ANSI Robotics Standard geeignet
- Redundante Kontakt-Konfiguration ermöglicht Signalverarbeitung mit handelsüblichen Sicheheits-Relaisbausteinen
- Kontakte schließen nicht beim Rücksetzen ( Stufe 3 -> Stufe1)
AVS Schmersal Vertriebs GmbH, Biróstraße 17, A-1230 Wien
Die genannten Daten und Angaben wurden sorgfältig geprüft. Abbildungen können vom Original abweichen. Weitere technische Daten finden Sie in der Betriebsanleitung. Technische Änderungen und Irrtümer vorbehalten.
Generiert am: 15.04.2026, 04:12