AES 1135-2185
- Überwachung von magnetischen Sicherheits-Sensoren der Reihe BNS
- 1 Sicherheitskontakt, STOP 0
- 2 Meldeausgänge
Bestelldaten
| Hinweis (Lieferfähigkeit) |
Nicht mehr lieferbar! |
| Produkt-Typbezeichnung |
AES 1135-2185 |
| Artikelnummer (Bestellnummer) |
101195947 |
| EAN (European Article Number) |
4030661363370 |
| eCl@ss Nummer, Version 12.0 |
27-37-18-19 |
| eCl@ss Nummer, Version 11.0 |
27-37-18-19 |
| eCl@ss Nummer, Version 9.0 |
27-37-18-19 |
| ETIM Nummer, Version 7.0 |
EC001449 |
| ETIM Nummer, Version 6.0 |
EC001449 |
| Hinweis |
Auslaufprodukt |
Zulassungen - Vorschriften
| Zertifikate |
cULus |
Allgemeine Daten
| Vorschriften |
BG-GS-ET-14 BG-GS-ET-20 EN IEC 62061 EN ISO 13849-1 EN IEC 60947-5-1 EN IEC 60947-5-3 EN IEC 60947-5-5 EN IEC 60204-1 EN IEC 60947-1 |
| Klimabeanspruchung |
EN 60068-2-3 BG-GS-ET-14 |
| Werkstoff des Gehäuses |
Kunststoff, glasfaserverstärkter Thermoplast, belüftet |
| Bruttogewicht |
195 g |
Allgemeine Daten - Eigenschaften
| Drahtbrucherkennung |
Ja |
| Querschlusserkennung |
Ja |
| Automatische Reset-Funktion |
Ja |
| Rücksetzung nach Unterbrechung der Versorgungsspannung |
Ja |
| Erdschlusserkennung |
Ja |
| Integrierte Anzeige, Status |
Ja |
| Anzahl der LEDs |
1 |
| Anzahl der Öffner |
2 |
| Anzahl der Schließer |
1 |
| Anzahl der unverzögerten Halbleiter-Ausgänge mit Meldefunktion |
2 |
| Anzahl der Sicherheitskontakte |
1 |
| Anzahl der Meldeausgänge |
2 |
Sicherheitsbetrachtung
| Vorschriften |
EN ISO 13849-1 EN IEC 61508 |
| Stop-Kategorie |
0 |
Sicherheitsbetrachtung - Relaisausgänge
| Performance Level, bis |
d |
| Kategorie |
3 |
| PFH-Wert |
1,00 x 10⁻⁷ /h |
| Safety Integrity Level (SIL), geeignet für Anwendungen in |
2 |
| Gebrauchsdauer |
20 Jahre |
Mechanische Daten
| Mechanische Lebensdauer, minimum |
20.000.000 Schaltspiele |
| Befestigung |
Schnellbefestigung für Normschienen nach DIN EN 60715 |
Mechanische Daten - Anschlusstechnik
| Anschlussbezeichnung |
IEC/EN 60947-1 |
| Anschlussquerschnitt, minimum |
0,25 mm² |
| Anschlussquerschnitt, maximum |
2,5 mm² |
| Anzugsdrehmoment der Klemmen |
0,6 Nm |
| Zulässige Art der Leitung |
Starr eindrähtig Flexibel |
| Anschluss (mechanisch) |
Schraubklemmen |
Mechanische Daten - Abmessungen
| Breite |
22,5 mm |
| Höhe |
100 mm |
| Tiefe |
121 mm |
Umgebungsbedingungen
| Schutzart des Gehäuses |
IP40 |
| Schutzart des Einbauraumes |
IP54 |
| Schutzart der Klemmen bzw. Anschlüsse |
IP20 |
| Umgebungstemperatur |
+0 ... +55 °C |
| Lager- und Transporttemperatur |
-25 ... +70 °C |
| Schwingfestigkeit |
10 ... 55 Hz, Amplitude 0,35 mm, ± 15 % |
| Schockfestigkeit |
30 g / 11 ms |
Umgebungsbedingungen - Isolationskennwerte
| Bemessungsstoßspannungsfestigkeit Uimp |
4 kV |
| Überspannungskategorie |
III |
| Verschmutzungsgrad |
2 |
Elektrische Daten
| Frequenzbereich |
50 Hz 60 Hz |
| Betriebsspannung |
24 VAC -15 % / +10 % |
| Restwelligkeit |
10 % |
| Thermischer Dauerstrom |
6 A |
| Bemessungsbetriebsspannung |
24 VAC |
| Bemessungsbetriebsspannung |
24 VDC |
| Bemessungssteuerspeisespannung bei AC 50 Hz, minimum |
20.4 VAC |
| Bemessungssteuerspeisespannung bei AC 50 Hz, maximum |
26.4 VAC |
| Bemessungssteuerspeisespannung bei AC 60 Hz, minimum |
20.4 VAC |
| Bemessungssteuerspeisespannung bei AC 60 Hz, maximum |
26.4 VAC |
| Bemessungssteuerspeisespannung bei DC, minimum |
20,4 VDC |
| Bemessungssteuerspeisespannung bei DC, maximum |
28,8 VDC |
| Elektrische Leistungsaufnahme |
5 W |
| Kontaktwiderstand, maximum |
0,1 Ω |
| Hinweis (Kontaktwiderstand) |
in Neuzustand |
| Abfallverzögerung bei Netzausfall, typisch |
80 ms |
| Abfallverzögerung bei NOT-HALT, typisch |
20 ms |
| Anzugsverzögerung bei automatischen Start, typisch |
100 ms |
| Anzugsverzögerung bei RESET, typisch |
20 ms |
| Werkstoff der Kontakte, elektrisch |
Ag-Ni 10 und 0,2 µm vergoldet |
Elektrische Daten - Sichere Relaisausgänge
| Spannung, Gebrauchskategorie AC-15 |
230 VAC |
| Strom, Gebrauchskategorie AC-15 |
6 A |
| Spannung, Gebrauchskategorie DC-13 |
24 VDC |
| Strom, Gebrauchskategorie DC-13 |
6 A |
| Schaltvermögen, minimum |
10 VDC |
| Schaltvermögen, minimum |
10 mA |
| Schaltvermögen, maximum |
250 VAC |
| Schaltvermögen, maximum |
8 A |
Elektrische Daten - Digitale Eingänge
| Eingangspegel, HIGH-Signal "1" |
10 … 30 VDC |
| Eingangspegel, LOW-Signal "0" |
0 … 2 VDC |
| Leitungswiderstand, maximum |
40 Ω |
Elektrische Daten - Digitale Ausgänge
| Spannung, Gebrauchskategorie DC-12 |
24 VDC |
| Strom, Gebrauchskategorie DC-12 |
0,1 A |
Elektrische Daten - Relaisausgänge (Hilfskontakte)
| Schaltvermögen, maximum |
24 VDC |
| Schaltvermögen, maximum |
2 A |
Elektrische Daten - Elektromagnetische Verträglichkeit (EMV)
| Störfestigkeit |
EMV-Richtlinie |
Integrierte Systemdiagnose (ISD)
| Hinweis (ISD-Fehler) |
Folgende Fehler werden von dem Sicherheitsbaustein erkannt und durch ISD angezeigt. |
| Fehler |
Nicht-Anziehen oder Nicht-Abfallen der Sicherheitsrelais Nicht-Öffnen oder Nicht-Schließen der Türkontakte Quer- oder Kurzschlüsse an den Schalterleitungen Unterbrechung der Schalterleitungen Fehler an den Eingangsschaltungen oder an den Relaisansteuerungen des Sicherheitsbausteins |
Sonstige Daten
| Hinweis (Applikationsanwendungen) |
Sicherheits-Sensor Schutzeinrichtung |
Hinweis
| Hinweis (Allgemein) |
Induktive Verbraucher (Schütze, Relais etc.) sind durch eine geeignete Beschaltung zu entstören. |
Schaltungsbeispiel
| Hinweis (Schaltungsbeispiel) |
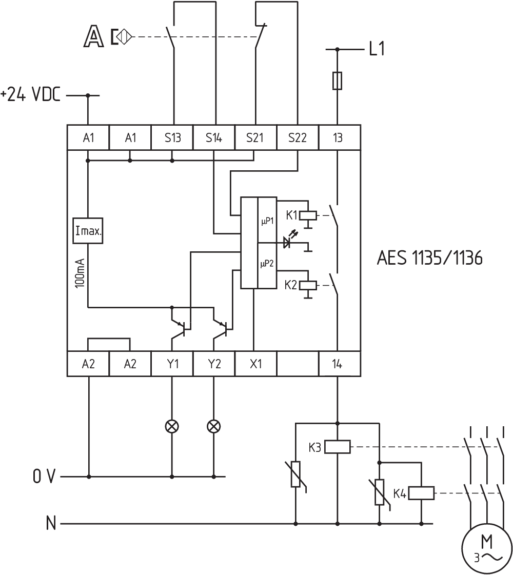
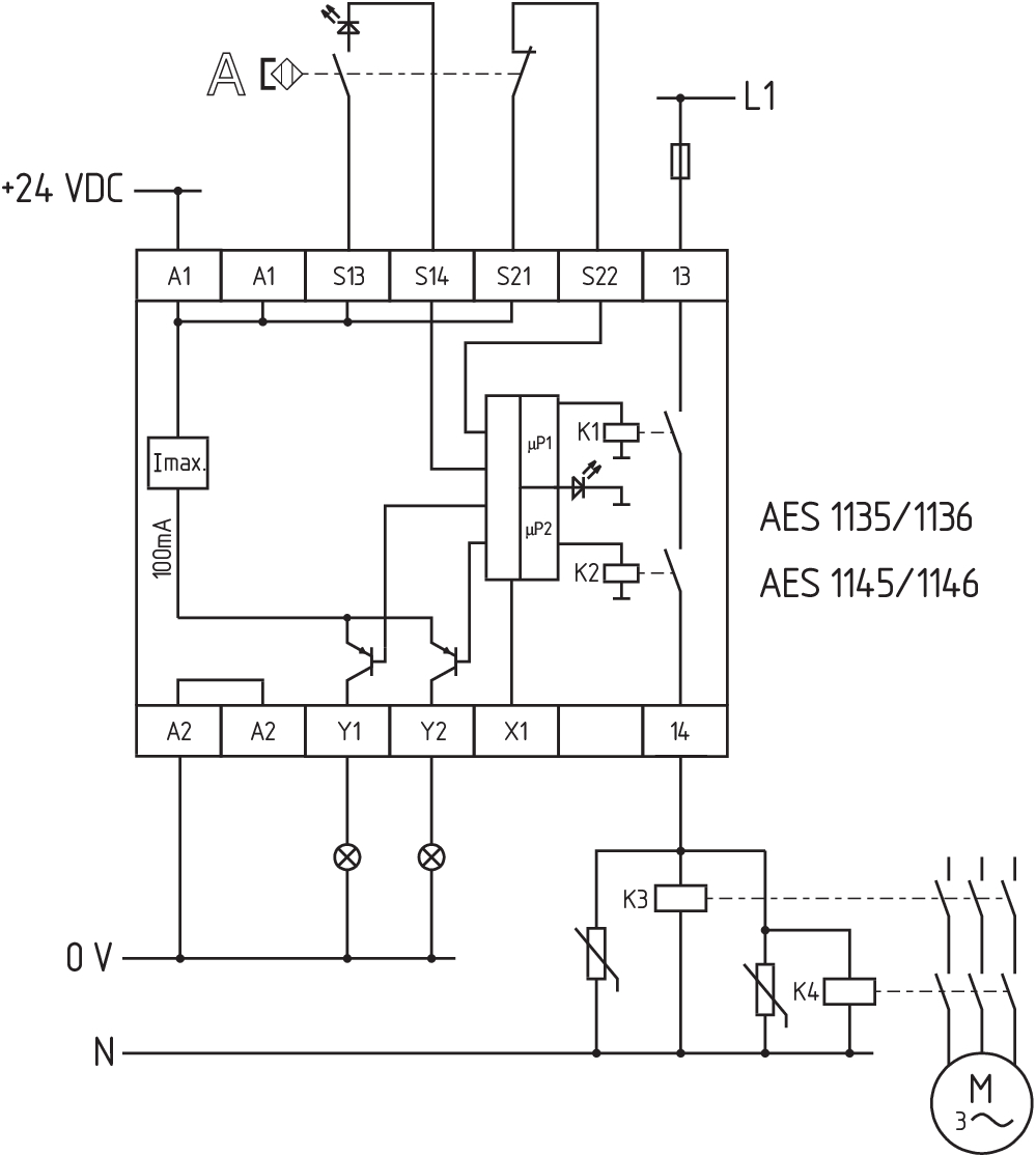
Das Schaltungsbeispiel ist bei geschlossenen Schutzeinrichtungen und im spannungslosen Zustand dargestellt. Zur Absicherung einer Schutzeinrichtung bis zu PL d und Kategorie 3 Überwachung von 1 Schutzeinrichtung(en) mit je einem magnetischen Sicherheits-Sensor der Reihe BNS Werden ein oder zwei externe Relais oder Schütze zum Schalten der Last verwendet, kann das System nur dann in Kategorie 3 gem. EN ISO 13849-1 eingestuft werden, wenn der Fehlerausschluss „Versagen des oder der externen Schütze“ begründet und dokumentiert werden kann, z.B. bei Verwendung zuverlässiger, überdimensionierter Schütze. Ein zweites Schütz führt zur Erhöhung der Sicherheit durch redundante Abschaltung der Last. Umschaltmöglichkeit auf zwei Öffnerkontakte: Durch Brücken der Klemmen A1 und X1 kann der Sicherheitsbaustein auf die Überwachung von zwei Öffnerkontakten umgestellt werden. Die Querschlusserkennung entfällt hierbei. Verlängerung der Freigabeverzugszeit: Durch Umstecken einer Brücke unter dem Gehäusedeckel kann die Freigabeverzugszeit von 0,1 s auf 1,0 s eingestellt werden. Die ISD-Tabellen (Integrierte System-Diagnose) zur Analyse der Fehlermeldungen und ihrer Ursachen sind im Anhang aufgeführt. |
Sprachfilter
Datenblatt
Betriebsanleitung (EU)
UL-Zertifikat
Info
Schaltungsbeispiel (elektr. Verdrahtung)
SISTEMA-VDMA Bibliothek/Library
Download der aktuellen Version von Adobe Reader
Produktbild (Katalogeinzelphoto )
ID: kaes1f27
| 702,1 kB | .jpg | 265.642 x 529.167 mm - 753 x 1500 Pixel - 72 dpi
| 83,8 kB | .png | 74.083 x 147.461 mm - 210 x 418 Pixel - 72 dpi
| 45,8 kB | .jpg | 62.089000000000006 x 123.47200000000001 mm - 176 x 350 Pixel - 72 dpi
| 33,1 kB | .png | 74.083 x 74.083 mm - 210 x 210 Pixel - 72 dpi
| 6,8 MB | .png | 169.333 x 337.312 mm - 2000 x 3984 Pixel - 300 dpi
Maßzeichnung Grundgerät
Schaltungsbeispiel
Schaltungsbeispiel
103009970 SRB-E-201LC
- Steckbare Schraubklemmen mit Codierung
- STOP 0 Funktion
- 1 oder 2-kanalige Ansteuerung
- Starttaster / Auto-Start
- 2 Sicherheitsausgänge 2 A
- 1 Meldeausgang
103007672 SRB-E-301ST
- Steckbare Schraubklemmen mit Codierung
- STOP 0 Funktion
- 1 oder 2-kanalige Ansteuerung
- Starttaster / Auto-Start
- 1 Hilfskontakt
- 3 Sicherheitskontakte
AVS Schmersal Vertriebs GmbH, Biróstraße 17, A-1230 Wien
Die genannten Daten und Angaben wurden sorgfältig geprüft. Abbildungen können vom Original abweichen. Weitere technische Daten finden Sie in der Betriebsanleitung. Technische Änderungen und Irrtümer vorbehalten.
Generiert am: 15.04.2026, 01:59