FWS 2505 C UE: 24...230V AC/DC
FWS 2505 C UE: 24...230V AC/DC
- 2 darbe sensörlerini / sensörünü kullanarak duraklamayı algılar
- 4 emniyet kontaktları
- 1 Sinyal çıkışı
- 2 ek transistör çıkışları
- 2 ek transistör çıkışları
Sipariş ayrıntıları
| Bilgi (teslim edilebilirlik) |
Elde mevcut değil! |
| Ürün tip tanımı |
FWS 2505 C UE: 24...230V AC/DC |
| Ürün numarası (sipariş numarası) |
101181697 |
| EAN (European Article Number) |
4030661323244 |
| eCl@ass Numara, Sürümü 12.0 |
27-37-18-19 |
| eCl@ass Numara, Sürümü 11.0 |
27-37-18-19 |
| eCl@ass Numara, Sürümü 9.0 |
27-37-18-19 |
| ETIM numarası, sürüm 7.0 |
EC001449 |
| ETIM numarası, sürüm 6.0 |
EC001449 |
Onaylar
| Verileri |
cULus |
Genel veriler
| Normlar, talimatlar |
BG-GS-ET-20 EN IEC 62061 EN ISO 13849-1 EN IEC 60947-5-1 EN IEC 60947-5-3 EN IEC 60947-5-5 EN IEC 60204-1 EN IEC 60947-1 |
| İklime ilişkin zorlama |
EN 60068-2-3 BG-GS-ET-14 |
| Gövdelerin malzemesi |
Plastik, fiber cam takviyeli termoplastik, havalandırılmış |
| Brüt ağırlık |
321 g |
Genel veriler - Özellikler
| Kopuk tel algılaması |
Evet |
| Otomatik reset fonksiyonu |
Evet |
| Güç kaynağının devre dışı bırakılmasından sonra resetleme |
Evet |
| Entegre gösterge, durum |
Evet |
| Yardımcı kontaktların sayısı |
1 |
| LED sayısı |
1 |
| Sinyal verme fonksiyonlu gecikmesiz yarı iletken çıkışların sayısı |
2 |
| Emniyet kontaktlarının sayısı |
4 |
| Sinyal çıkışlarının sayısı |
2 |
Güvenlik sınıflandırması
| Standartlar |
EN IEC 61508 |
| Performans seviyesi, en fazla |
d |
| Kontrol kategorisi |
3 |
| PFH değeri |
1,00 x 10⁻⁷ /h |
| Safety Integrity Level (SIL), uygulamaları için uygun |
2 |
| Görev süresi |
20 Yıl(lar) |
| Durdurma kategorisi |
0 |
Mekanik veriler
| Mekanik ömür, minimum |
20.000.000 operasyon sayısı |
| Montaj |
EN 60715 e uygun standart DIN rayının üzerine kilitlenir |
Mekanik veriler - Boyutlar
| Terminal tanımlamaları |
IEC/EN 60947-1 |
| kesme |
Sabit ya da esnek Vida bağlantısı M20 x 1.5 |
| Kablo kesiti, minimum |
0,2 mm² |
| Kablo kesiti, maximum |
2,5 mm² |
| Klemenslerin sıkma torku |
0,6 Nm |
Mekanik veriler - Boyutlar
| Genişlik |
45 mm |
| Yükseklik |
100 mm |
| Derinlik |
121 mm |
Ortam koşulları
| Mahfaza koruma türü |
IP40 |
| Montaj alanının koruma türü |
IP54 |
| Klemenslerin veya bağlantıların koruma türü |
IP20 |
| Ortam sıcaklığı |
+0 ... +55 °C |
| Depolama ve taşıma sıcaklığı |
-25 ... +70 °C |
| Titreşim direnci |
10 ... 55 Hz, Genlik 0.35 mm |
| şoka karşı direnç |
30 g / 11 ms |
Ortam koşulları
| Nominal darbeye dayanma gerilimi Uimp |
4,8 kV |
| Aşırı gerilim kategorisi |
III |
| Kirlilik derecesi |
2 |
Elektriksel veriler
| İşletim voltajı |
24 ... 230 VAC |
| Gerilim aralığı tipi |
AC DC |
| Nominal çalışma gerilimi |
24 ... 230 VAC |
| Kontrol seçenekleri için nominal AC gerilimi, 50 Hz, minimum |
20.4 VAC |
| Kontrol seçenekleri için nominal AC gerilimi, 50 Hz, maximum |
253 VAC |
| Kontrol seçenekleri için nominal AC gerilimi, 60 Hz, minimum |
20.4 VAC |
| Kontrol seçenekleri için nominal AC gerilimi, 60 Hz, maximum |
253 VAC |
| Kontrol seçenekleri için nominal DC gerilimi, minimum |
20,4 VDC |
| Kontrol seçenekleri için nominal DC gerilimi, maximum |
253 VDC |
| Elektriksel güç sarfiyatı, maksimum |
5 W |
| Kontak direnci, maksimum |
0,1 Ω |
| Bilgi (kontak direnci) |
yeni durumda |
| Malzeme, kontaklar, elektrikli |
Ag-Ni 10 ve 0.2 µm altın kaplama |
Elektriksel veriler - emniyet röle çıkışı
| Gerilim, kullanım kategorisi AC-15 |
230 VAC |
| Akım, kullanım kategorisi AC-15 |
3 A |
| Gerilim, kullanım kategorisi DC-13 |
24 VDC |
| Akım, kullanım kategorisi DC-13 |
2 A |
| Anahtarlama kapasitesi, minimum |
10 VDC |
| Anahtarlama kapasitesi, minimum |
10 mA |
| Anahtarlama kapasitesi, maksimum |
250 VAC |
| Anahtarlama kapasitesi, maksimum |
6 A |
Elektriksel veriler - dijital girişler
| Giriş seviyesi, YÜKSEK sinyal "1" |
10 … 30 VDC |
| Giriş seviyesi, DÜŞÜK sinyal "0" |
0 … 2 VDC |
| İletim direnci, maximum |
40 Ω |
Elektriksel veriler - röle çıkışlar (Yardımcı kontak)
| Anahtarlama kapasitesi, maksimum |
24 VDC |
| Anahtarlama kapasitesi, maksimum |
2 A |
Integral system diagnosis (ISD)
| Not (ISD hatası) |
Aşağıdaki hatalar emniyetli kontrol modülleri tarafından kaydedilmiştir ve ISD ile belirtilir. |
| Hata |
Emniyet rölesi devreye girmede veya devre dışı kalmada başarısız Emniyetli kontrol modülünün giriş devreleri veya röle kontrol devreleri üzerinde arıza Yaklaşım anahtarları başarısız Bir kanal değerlendirmede başarısız İndüktif yaklaşım anahtarları bağlantılarının kesintisi |
Muhtelif veriler
| Bilgi (uygulama kullanımları) |
emniyetli duraklama kontrolu |
Note
| Not (genel) |
Inductive loads (e.g. contactors, relays, etc.) are to be suppressed by means of a suitable circuit. |
Notlar - Devre örneği
| Not (Kablo döşeme örneği) |
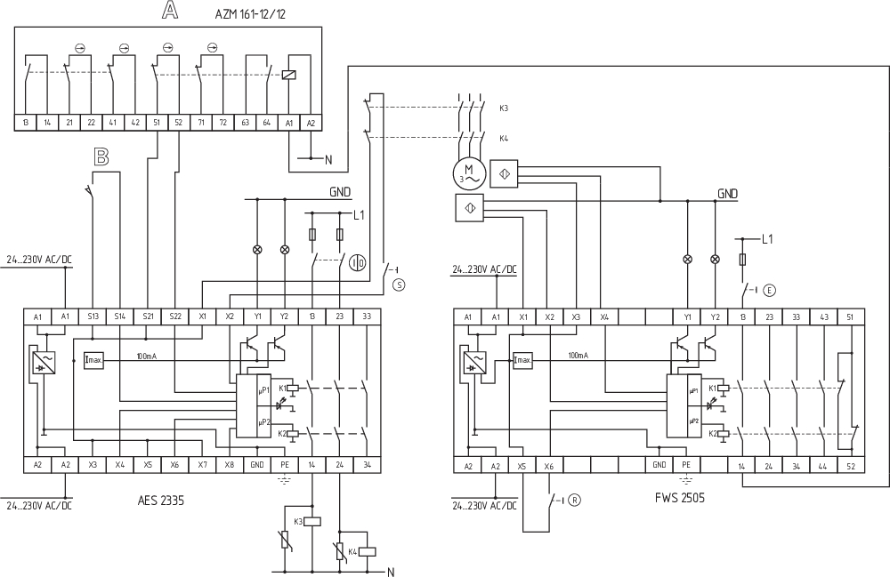
The wiring diagram is shown with guard doors closed and in de-energised condition. The ISD tables (Intergral System Diagnostics) for analysis of the fault indications and their causes are shown in the appendix. To monitor one guard door at plants with dangerous run-on movements up to PL d and Category 3 Standstill monitoring for unlocking solenoid interlocks The solenoid interlock can be opened, when the fail-safe standstill monitor has detected the end of the run-on movement by means of two inductive proximity switches. When the button (E) is actuated, the coil of the solenoid interlock is energised. For suitable IFL range p-type inductive proximity switches, refer to "Schmersal Catalogue Automatisierungstechnik". |
Dil filtresi
Veri sayfası
UL Sertifikası
Bilgi
Kablo döşeme örneği (elektr. kablolama)
SISTEMA-VDMA kütüphanesi
Adobe Reader’ın son sürümünü indirin
Ürün resmi (katalog özel fotoğraf)
ID: kfws2f04
| 1,2 MB | .jpg | 342.194 x 529.167 mm - 970 x 1500 px - 72 dpi
| 80,7 kB | .png | 74.083 x 114.3 mm - 210 x 324 px - 72 dpi
| 73,9 kB | .jpg | 79.72800000000001 x 123.47200000000001 mm - 226 x 350 px - 72 dpi
| 49,0 kB | .png | 74.083 x 74.083 mm - 210 x 210 px - 72 dpi
| 7,2 MB | .png | 169.249 x 261.789 mm - 1999 x 3092 px - 300 dpi
Kablo döşeme örneği
103014754 SRB-E-302FWS-TS
- 2 Emniyet kontaktları, 1 Emniyetli çıkış
- 1 veya 2 darbe sensörü kullanarak duraklamayı algılar
- İkinci kanal olarak ek durma sinyali
- 2 kanallı zaman denetimi
Schmersal Turkey Otomasyon Ürünleri ve Hizmetleri Ltd. Şti., Atatürk Mah. Ataşehir Bulvarı No:5, 34758 Ataşehir
Veriler ve ayrıntılar dikkatli bir şekilde kontrol edilmişlerdir. Görüntüler orijinalden farklı olabilir. Daha fazla teknik veri kılavuzda bulunabilir. Teknik değişiklikler ve hatalar olabilir.
Generated at: 17.04.2026 18:51