SRB301AN 24VAC/DC
- Egnet for signalevaluering av utganger fra sikkerhetsmagnetbrytere
- 3 sikkerhetskontakter, STOP 0
- 1 Signalutganger
Bestillingsinformasjon
| Reserve-artikkelnummer |
101165473 |
| Produkt-typebetegnelse |
SRB301AN 24VAC/DC |
| Artikkelnummer (bestillingsnummer) |
101162240 |
| EAN (European Article Number) |
4250116201693 |
| eCl@ss-nummer, versjon 12.0 |
27-37-18-19 |
| eCl@ss-nummer, versjon 11.0 |
27-37-18-19 |
| eCl@ss-nummer, versjon 9.0 |
27-37-18-19 |
| ETIM-nummer, versjon 7.0 |
EC001449 |
| ETIM-nummer, versjon 6.0 |
EC001449 |
| Merk |
Utgått produkt |
Tillatelser - Standard
| Data |
cULus CCC |
Gobale egenskaper
| Standard |
EN IEC 62061 EN ISO 13849-1 EN IEC 60947-5-1 EN IEC 60947-5-3 EN IEC 60947-5-5 EN IEC 61508 EN IEC 60204-1 EN IEC 60947-1 |
| Klimatisk stress |
EN 60068-2-78 |
| Kapslingsmateriale |
Plast, glassfiber forsterket termoplast, ventilert |
| Bruttovekt |
285 g |
Gobale egenskaper - Karakteristikker
| Elektronisk beskyttelse |
Ja |
| Ledningsbrudddeteksjon |
Ja |
| Kortslutningsgjenkjenning |
Ja |
| Avtagbare terminaler |
Ja |
| Startinngang |
Ja |
| Tilbakemeldingskrets |
Ja |
| Automatisk tilbakestillingsfunksjon |
Ja |
| Tilbakestill kantdeteksjon |
Ja |
| Jordingsdeteksjon |
Ja |
| Integrert indikator, status |
Ja |
| Antall eksterne kontakter |
1 |
| Antall lysdioder |
3 |
| Antall åpnere |
1 |
| Antall lukkere |
1 |
| Antall sikkerhetskontakter |
3 |
| Antal signalutganger |
1 |
Klassifisering
| Standard |
EN IEC 60947-1 EN IEC 61508 |
| Stopp-kategori |
0 |
Klassifisering - Reléutganger
| Performance Level, stop 0, up to |
e |
| Kontrollkategori, stopp 0 |
4 |
| Diagnostic Coverage (DC) Level, Stop 0 |
≥ 99 % |
| PFH-verdi, Stop 0 |
2,00 x 10⁻⁸ /h |
| Safety Integrity Level (SIL), Stop 0 |
3 |
| Mission time |
20 år |
| Common Cause Failure (CCF), minimum |
65 |
Mekaniske data
| Mekanisk levetid, minimum |
10.000.000 bevegelser |
| Montering |
kneppes inn på standard DIN-skinne iht. EN 60715 |
Mechanical data - Connection technique
| Terminaltilordninger |
IEC/EN 60947-1 |
| Kabeldimensjon, minimum |
0,25 mm² |
| Kabeldimensjon, maksimum |
2,5 mm² |
| Tiltrekkingsmoment for klemmer |
0,6 Nm |
| Tillatt kabeltype |
solid single-wire flexible |
| Konnektor (mekanisk) |
Screw terminals |
Mekaniske data - mål
| Bredde |
22,5 mm |
| Høyde |
100 mm |
| Dybde |
121 mm |
Omgivelsesbetingelser
| Beskyttelsesklasse for huset |
IP40 |
| Beskyttelsesklasse for installasjonsplassen |
IP54 |
| Beskyttelsesklasse for klemmer eller tilkoblinger |
IP20 |
| Arbeidstempratur |
-25 ... +60 °C |
| Lagrings- og transporttemparatur |
-40 ... +85 °C |
| Resistent mot vibrasjoner iht. EN 60068-2-6 |
10...55 Hz, Amplitude 0,35 mm, ± 15 % |
| sjokkresitanse |
30 g / 11 ms |
Ambient conditions - Insulation values
| Nominell impulsmotstandsspenning |
4 kV |
| Overvoltage category |
III |
| Forurensningsgrad |
2 |
Elektriske data
| Frekvensområde |
50 Hz 60 Hz |
| Driftsspenning |
24 VAC -15 % / +10 % |
| max rippel |
10 % |
| Merkespenning |
24 VAC |
| Merkespenning |
24 VDC |
| Nominell vekselstrømspenning for kontroller, 50 Hz, minimum |
20.4 VAC |
| Nominell vekselstrømspenning for kontroller, 50 Hz, maksimum |
26.4 VAC |
| Nominell vekselstrømspenning for kontroller, 60 Hz, minimum |
20.4 VAC |
| Nominell vekselstrømspenning for kontroller 60 Hz, maksimum |
26.4 VAC |
| Nominell likestrømspenning for kontroller, minimum |
20,4 VDC |
| Nominell likestrømspenning for kontroller, maksimum |
28,8 VDC |
| Elektriske strømforbruk |
2,1 W |
| Elektriske strømforbruk |
3,5 VA |
| Kontaktmotstand, maksimum |
0,1 Ω |
| Merknad (kontaktmotstand) |
I ny tilstand |
| Drop-out-forsinkelse ved strømbrudd, typisk |
80 ms |
| Drop-out-forsinkelse ved nødstopp, typisk |
20 ms |
| Forsinkelse ved automatisk start, typisk |
100 ms |
| Forsinkelse ved tilbakestilling, typisk |
20 ms |
| Materiale for kontakter, elekrisk |
AgSn0, Ag-Ni, selvrensende, positiv handling |
Elektriske data - sikre reléutganger
| Voltage, Utilisation category AC-15 |
230 VAC |
| Current, Utilisation category AC-15 |
6 A |
| Voltage, Utilisation category DC-13 |
24 VDC |
| Current, Utilisation category DC-13 |
6 A |
| Switching capacity, minimum |
10 VDC |
| Switching capacity, minimum |
10 mA |
| Switching capacity, maximum |
250 VAC |
| Switching capacity, maximum |
8 A |
Elektriske data - digitale innganger
| Ledemotstand, maksimum |
40 Ω |
Elektriske data - Digital utgang
| Voltage, Utilisation category DC-12 |
24 VDC |
| Current, Utilisation category DC-12 |
0,1 A |
Elektriske data - Reléutganger (hjelpekontaktene)
| Switching capacity, maximum |
24 VDC |
| Switching capacity, maximum |
2 A |
Elektriske data - elektromagnetisk kompatibilitet (EMV)
| EMC rating |
EMC-Directive |
Statusvisning
| Indicated operating states |
Posisjon relé K2 Posisjon relé K1 Intern driftsspenning Ui |
Diverse data
| Merknad (app-applikasjoner) |
Sikkerhetssensor sikkerhetsinnretning Nødstoppknapp Trekkwire-nødstoppbrytere |
Note
| Note (General) |
Induktive belastninger (f.eks. kontaktorer, reléer, etc.) må undertrykkes ved hjelp av en egnet krets. |
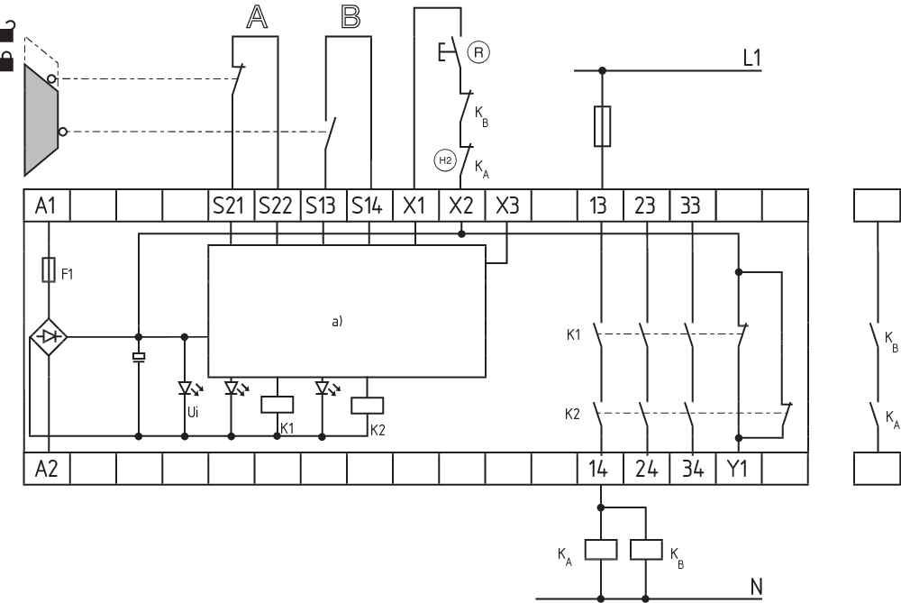
Kablingseksempel
| Note (Wiring diagram) |
Kablingsskjemaet vises med vernedørene lukket og i de-energisert tilstand. Overvåking av 1 vernedør(er), hver med en magnetisk sikkerhetssensor i BNS-serien Tilbakemeldingskretsen overvåker posisjonen for kontaktorene K3 og K4. For å sikre en vaktdør opp til PL e og kategori 4 Automatisk start: Automatisk start programmeres ved å koble tilbakemeldingskretsen til terminalene X1/X3 Dersom tilbakemeldingskrets ikke er nødvendig, etabler en bro Startknapp (S) med kantdetektering |
Språk filter
Datablad
Bruksanvisning og konformitetserklæring
UL sertifikat
CCC-sertifisering
kablingseksempel (elektr. kabling)
SISTEMA-VDMA Bibliotek/Library
Last ned den nyeste versjonen av Adobe Reader
Produktbilde (enkelt katalogbilde)
ID: ksrb3f02
| 795,9 kB | .jpg | 265.994 x 625.1220000000001 mm - 754 x 1772 px - 72 dpi
| 99,9 kB | .png | 74.083 x 173.919 mm - 210 x 493 px - 72 dpi
| 38,6 kB | .jpg | 52.564 x 123.47200000000001 mm - 149 x 350 px - 72 dpi
| 29,0 kB | .png | 74.083 x 74.083 mm - 210 x 210 px - 72 dpi
| 8,6 MB | .png | 169.333 x 397.933 mm - 2000 x 4700 px - 300 dpi
kablingseksempel
Symbol (teknisk standard)
103007672 SRB-E-301ST
- STOP 0 Funksjon
- 1 oder 2- kanalkontroll
- Startknapp / autostart
- 1 Hjelpekontakt
- 3 sikkerhetskontakter
| EU Declaration of Conformity | ![]() |
| Original | K.A. Schmersal GmbH & Co. KG Möddinghofe 30 42279 Wuppertal Germany Internet: www.schmersal.com |
| Declaration: | We hereby certify that the hereafter described components both in their basic design and construction conform to the applicable European Directives. |
| Name of the component: | SRB301AN |
| Description of the component: | Safety-monitoring module for emergency stop circuits, guard door monitoring and magnetic safety switches |
| Relevant Directives: | Machinery Directive | 2006/42/EC |
| EMC-Directive | 2014/30/EU | |
| RoHS-Directive | 2011/65/EU |
| Applied standards: | EN 60947-5-1:2017 + AC:2020 EN 60947-5-3:2013 ISO 13849-1:2023 ISO 13849-2:2012 |
| Notified body, which approved the full quality assurance system, referred to in Appendix X, 2006/42/EC: | TÜV Rheinland Industrie Service GmbH Am Grauen Stein, 51105 Köln ID n°: 0035 |
| Person authorised for the compilation of the technical documentation: | Oliver Wacker Möddinghofe 30 42279 Wuppertal |
| Place and date of issue: | Wuppertal, November 20, 2024 |
![]() |
| Authorised signature Philip Schmersal Managing Director |
Schmersal Nordiska AB, F O Petersons gata 28, S-421 31 Västra Frölunda
Data og verdier er kontrollert omhyggelig. Bilder kan avvike fra originalen. Ytterligere tekniske data finner du i manualen. Tekniske modifiseringer og feil kan forkomme.
Generated at: 20.04.2026, 07:27

