FWS 2105 C UE: 24...230V AC/DC
FWS 2105 C UE: 24...230V AC/DC
- Rilevamento della condizione di arresto con 2 generatore/i di impulsi
- 1 contatto di sicurezza
- 2 Uscite di segnalazione
Dati per l'ordine
| Nota (possibilità di fornitura) |
Prodotto fuori produzione |
| Codice |
FWS 2105 C UE: 24...230V AC/DC |
| Codice articolo (codice d'ordine) |
101181696 |
| EAN (European Article Number) |
4030661323220 |
| Numero eCl@ss, versione 12.0 |
27-37-18-19 |
| Numero eCl@ss, versione 11.0 |
27-37-18-19 |
| Numero eCl@ss, versione 9.0 |
27-37-18-19 |
| Numero ETIM, versione 7.0 |
EC001449 |
| Numero ETIM, versione 6.0 |
EC001449 |
| Disponibile fino a: |
31.12.2024 |
Omologazioni - Prescrizioni
| Certificazioni |
cULus |
Dati generali
| Prescrizioni |
BG-GS-ET-20 EN IEC 62061 EN ISO 13849-1 EN IEC 60947-5-1 EN IEC 60947-5-3 EN IEC 60947-5-5 EN IEC 60204-1 EN IEC 60947-1 |
| Fattori climatici |
EN 60068-2-3 BG-GS-ET-14 |
| Materiale della custodia |
materiale sintetico, termoplastica rinforzata con fibra di vetro, ventilata |
| Peso lordo |
282 g |
Dati generali - Caratteristiche
| Riconoscimento rottura filo |
Sì |
| Funzione di reset automatico |
Sì |
| Reset dopo l'interruzione della tensione di alimentazione |
Sì |
| Display integrato, stato |
Sì |
| Numero di LED |
1 |
| Numero di uscite a semiconduttore con funzione di segnalazione non ritardate con funzione di segnalazione |
2 |
| quantità di contatti di sicurezza |
1 |
| Numero delle uscite di segnalazione |
2 |
Osservazioni per la sicurezza
| Prescrizioni |
EN IEC 61508 |
| Performance Level, fino a |
d |
| Categoria di comando |
3 |
| Valore PFH |
1,00 x 10⁻⁷ /h |
| Safety Integrity Level (SIL), idoneo per applicazioni in |
2 |
| Durata di utilizzo |
20 Anno(i) |
| Categoria Stop |
0 |
Dati meccanici
| Durata meccanica, minimo |
20.000.000 manovre |
| Montaggio |
fissaggio rapido per guide DIN secondo DIN EN 60715 |
Dati meccanici - Tecnologia di collegamento
| Identificazione dei collegamenti |
IEC/EN 60947-1 |
| Connettore di collegamento |
rigido o flessibile Collegamento a vite M20 x 1.5 |
| Sezione di collegamento, minima |
0,2 mm² |
| Sezione di collegamento, massimo |
2,5 mm² |
| Coppia di serraggio dei morsetti |
0,6 Nm |
Dati meccanici - Dimensioni
| larghezza |
45 mm |
| altezza |
100 mm |
| profondità |
121 mm |
Condizioni ambientali
| Grado di protezione della custodia |
IP40 |
| Grado di protezione del vano di installazione |
IP54 |
| Grado di protezione di morsetti o collegamenti |
IP20 |
| Temperatura ambiente |
+0 ... +55 °C |
| Temperatura di stoccaggio e trasporto |
-25 ... +70 °C |
| Resistenza alle vibrazioni |
10 ... 55 Hz, ampiezza 0,35 mm |
| resistenza a urti |
30 g / 11 ms |
Condizioni ambientali - Valori di isolamento
| Resistenza alla tensione impulsiva nominale |
4,8 kV |
| Categoria di sovratensione |
III |
| Grado di sporco |
2 |
Dati elettrici
| Tensione d'esercizio |
24 ... 230 VAC |
| Tipo di gamma di tensione |
AC DC |
| tensione d'esercizio nominale |
24 ... 230 VAC |
| Tensione nominale di alimentazione di comando in AC a 50 Hz, minima |
20.4 VAC |
| Tensione nominale di alimentazione di comando in AC a 50 Hz, massima |
253 VAC |
| Tensione nominale di alimentazione di comando in AC a 60 Hz, minimo |
20.4 VAC |
| Tensione nominale di alimentazione di comando in AC a 60 Hz, massima |
253 VAC |
| Tensione nominale di alimentazione di comando in DC, minima |
20,4 VDC |
| Tensione nominale di alimentazione di comando in DC, massima |
253 VDC |
| Potenza elettrica assorbita, massima |
5 W |
| Resistenza contatti, massimo |
0,1 Ω |
| Nota (Resistenza contatti) |
in perfette condizioni |
| Materiale dei contatti, elettrici |
Ag-Ni + Au |
Dati elettrici - Uscite relè sicure
| Tensione, Categoria d'utilizzo AC-15 |
230 VAC |
| Corrente, categoria d'utilizzo AC-15 |
3 A |
| Tensione, Categoria d'utilizzo DC-13 |
24 VDC |
| Corrente, categoria d'utilizzo DC-13 |
2 A |
| Capacità di commutazione, minimo |
10 VDC |
| Capacità di commutazione, minimo |
10 mA |
| Capacità di commutazione, massimo |
250 VAC |
| Capacità di commutazione, massimo |
6 A |
Dati elettrici - Ingressi digitali
| Segnale d'ingresso, segnale HIGH "1" |
10 … 30 VDC |
| Segnale d'ingresso, segnale LOW "0" |
0 … 2 VDC |
| Resistenza del cavo, massimo |
40 Ω |
ISD (diagnostica di sistema integrata)
| Osservazioni (Errore ISD) |
I seguenti guasti vengono riconosciuti dal modulo di sicurezza e segnalati mediante ISD. |
| Errore |
Mancata eccitazione o diseccitazione del relè di sicurezza Guasti a circuiti d'ingresso oppure sui relè del modulo di sicurezza Fuori uso dell'interruttori di prossimità Fuori uso di un canale della valorizzazione Interruzione dei conduttori degli interruttori di prossimità induttive |
Altri dati
| Nota (applicazioni) |
safe controllo di arresto |
Osservazioni
| Nota (generale) |
Soppresori induttivi (contattore, relè ecc.) vanno ripristinati con una commutazione idonea. |
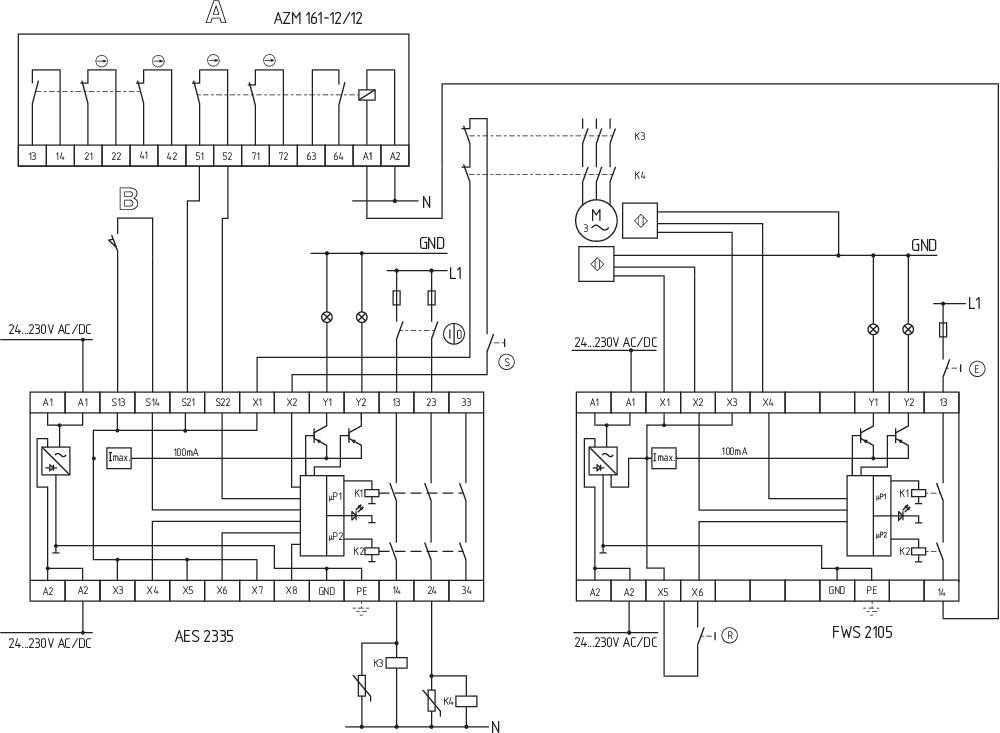
Esempio di azionamento
| Osservazioni (Esempio di azionamento) |
L'esempio di commutazione è rappresentato con dispositivi di sicurezza chiusi e in condizione senza tensione. Le tabelle ISD (diagnosi integrata nel sistema) per l'analisi delle segnalazioni di errore e le loro cause, sono riportate nell'appendice. Per la protezione di un dispositivo di sicurezza su impianti con oltrecorsa pericoloso fino a PL "d" e categoria 3 Controllo di arresto per lo sblocco di elettroserrature. L'elettroserratura di sicurezza può essere aperta quando il modulo di controllo albero fermo ha registrato la conclusione del movimento di oltrecorsa mediante i due interruttori di prossimità induttivi. Azionando il tasto (E) si comanda la bobina dell'elettroserratura di sicurezza. Interruttori di prossimità induttivi della serie IFL con commutazione p si trovano nel catalogo Schmersal "Tecnica di automazione". |
Filtro lingua
Scheda Tecnica
Manuale d'istruzioni e dichiarazione UE di conformità
Certificazione UL
Informazioni
Esempio di collegamento (cablaggio elettrico)
Libreria SISTEMA-VDMA
Download dell'ultima versione di Adobe Reader
Immagine del prodotto (foto singola per catalogo)
ID: kfws2f03
| 1,1 MB | .jpg | 342.194 x 529.167 mm - 970 x 1500 px - 72 dpi
| 76,8 kB | .png | 74.083 x 114.3 mm - 210 x 324 px - 72 dpi
| 67,3 kB | .jpg | 79.72800000000001 x 123.47200000000001 mm - 226 x 350 px - 72 dpi
| 46,5 kB | .png | 74.083 x 74.083 mm - 210 x 210 px - 72 dpi
| 7,1 MB | .png | 169.249 x 261.789 mm - 1999 x 3092 px - 300 dpi
Esempio di azionamento
103014754 SRB-E-302FWS-TS
- 2 contatti di sicurezza; 1 uscita di sicurezza
- Morsetti a vite ad innesto con codifica
- 1 uscita di segnalazione stato modulo
- 1 uscita di segnalazione di errore dinamica
- Rilevamento della condizione di arresto con 1 oppure 2 generatori di impulsi
- segnale di arresto aggiuntivo come secondo canale d'ingresso
- Monitoraggio temporale a 2 canali
| Dichiarazione di conformità UE | ![]() |
| Original | K.A. Schmersal GmbH & Co. KG Möddinghofe 30 42279 Wuppertal Germany Internet: www.schmersal.com |
| Dichiarazione: | Si dichiara con la presente che i seguenti componenti, sulla base della loro progettazione e costruzione, sono conformi ai requisiti delle direttive europee sotto elencate. |
| Denominaz. del componente: | FWS 2105 |
| Tipo: | vedere codice prodotto |
| Descrizione del componente: | Apparecchio di controllo albero fermo |
| Direttive rilevanti: | Direttiva Macchine | 2006/42/CE |
| Direttiva EMC | 2014/30/UE | |
| Direttiva RoHS | 2011/65/UE |
| Norme armonizzate correlate: | EN 60947-5-1:2017 + AC:2020 EN ISO 13849-1: 2015 EN ISO 13849-2: 2012 |
| Ente notificato per la certificazione del sistema di qualità secondo l'Allegato X, 2006/42/CE: | TÜV Rheinland Industrie Service GmbH Am Grauen Stein, 51105 Köln Organismo notificato N.: 0035 |
| Responsabile per la documentazione tecnica: | Oliver Wacker Möddinghofe 30 42279 Wuppertal |
| Luogo e data di emissione: | Wuppertal, 4 agosto 2023 |
![]() |
| Firma del legale rappresentante Philip Schmersal Amministratore delegato |
Schmersal Italia S.r.l., Via Molino Vecchio, 206, 25010 Borgosatollo (BS)
I dettagli e i dati qui riportati sono stati attentamente verificati. Le immagini possono differire dagli originali. Altri dati tecnici possono essere trovati nei manuali. Salvo modifiche tecniche o errori.
Generated at: 15/04/2026, 07:34

