EX-BNS 120-11Z-3G/D 10,0M
| Product type description: EX-BNS 120-(1)Z-3G/D |
| (1) | |
| 11 | 1 NO contact/1 NC contact |
| 12 | 1 NO contact/2 NC contacts |
| 02 | 2 NC contact |
- Explosion protection for ATEX Zones 2 and 22
- Thermoplastic enclosure
- Ø M12
- Particularly large switching distance
- Insensitive to transverse misalignment
- Suitable for food processing industry only in combination with BP 15 SS
- no mechanical wear
Ordering data
| Product type description |
EX-BNS 120-11Z-3G/D 10,0M |
| Article number (order number) |
101194300 |
| EAN (European Article Number) |
4030661358567 |
| eCl@ss number, version 12.0 |
27-27-44-01 |
| eCl@ss number, version 11.0 |
27-27-24-02 |
| eCl@ss number, version 9.0 |
27-27-24-02 |
| ETIM number, version 7.0 |
EC002544 |
| ETIM number, version 6.0 |
EC002544 |
Approvals - Standards
| Certificates |
ATEX (Konformitätserklärung) |
Explosion protection
| Explosion protection: regulations |
EN IEC 60079-0 EN IEC 60079-15 EN 60079-31 |
| Explosion protection zones |
2 22 |
| Explosion protection category |
3G 3D |
| Explosion protection designation |
D II 3G Ex nC IIC T6 Gc X D II 3D Ex tc IIIC T80°C Dc X |
| Manufacturer declaration |
ATEX Zone 2 and 22 |
General data
| Standards |
EN IEC 60947-5-3 |
| Housing construction form |
Cylinder, thread |
| Installation conditions (mechanical) |
quasi-flush |
| Housing material |
Glass-fibre, reinforced thermoplastic |
| Gross weight |
360 g |
General data - Features
| Coding |
Yes |
| Short circuit detection |
Yes |
| Cross-circuit detection |
Yes |
| Number of normally closed (NC) |
1 |
| Number of normally open (NO) |
1 |
| Number of safety contacts |
2 |
Safety classification
| Standards |
EN ISO 13849-1 |
| Mission time |
20 Year(s) |
Safety classification - Safety outputs
| B10D- Value Normally-closed contact/Normally open contact (NC/NO) |
25,000,000 Operations |
Mechanical data
| Active area |
front side |
| Actuating element |
Magnet |
| Switching distance actuator |
Actuating magnet BP 6, Sao: 10 mm Actuating magnet BP 8, Sao: 10 mm Actuating magnet BP 8, Sar: 22 mm Actuating magnet BP 10, Sao: 20 mm Actuating magnet BP 10, Sar: 32 mm Actuating magnet BP 15 SS, Sao: 20 mm Actuating magnet BP 15 SS, Sar: 32 mm |
| Impact energy, maximum |
2 J |
| Direction of motion |
Head-on to the active surface |
Mechanical data - Switching distances
| Assured switching distance "ON" Sao |
10 mm 20 mm |
| Assured switching distance "OFF" Sar |
22 mm 32 mm |
| Note (switching distance) |
All switching distances in accordance EN IEC 60947-5-3 |
Mechanical data - Connection technique
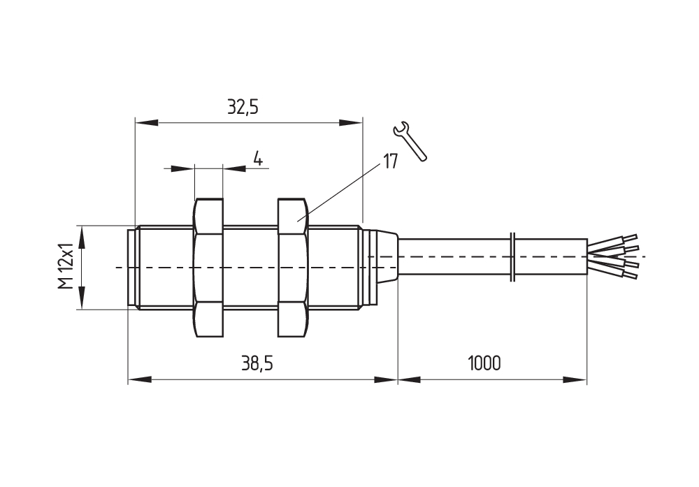
| Length of cable |
10 m |
| Termination |
cable |
| Number of cable wires |
4 |
| Wire cross-section |
0.25 mm2 |
| Wire cross-section |
23 AWG |
| Material of the Cable mantle |
PVC |
Mechanical data - Dimensions
| ISO thread of the sensor |
M12 |
| Length of sensor |
38.5 mm |
Ambient conditions
| Degree of protection |
IP67 |
| Ambient temperature |
-25 ... +70 °C |
| Storage and transport temperature |
-25 ... +70 °C |
| Resistance to vibrations |
10 … 55 Hz, amplitude 1 mm |
| Restistance to shock |
30 g / 11 ms |
Electrical data
| Switching voltage, maximum |
100 VAC |
| Switching voltage, maximum |
100 VDC |
| Switching current, maximum |
0.25 A |
| Switching capacity, maximum |
5 W |
| Switching element |
1 NO contact, 1 NC contacts |
| Switching frequency, maximum |
5 Hz |
Scope of delivery
| Scope of delivery |
Actuator must be ordered separately. |
Accessory
| Recommendation (actuator) |
BP 10 BP 8 BP 6 BP 15 SS |
| Recommended safety switchgear |
SRB-E-301ST SRB-E-201LC |
Note
| Note (General) |
Contact symbols shown for the closed condition of the guard device. The safety sensor must be mounted in such a way that actuation with another magnet is impossible (concealed mounting according to EN ISO 14119) |
Language filter
Datasheet
Operating instructions and Declaration of conformity
SISTEMA-VDMA library
Download the latest version of Adobe Reader
Product picture (catalogue individual photo)
ID: kbns1f01
| 183.5 kB | .jpg | 104.069 x 382.058 mm - 295 x 1083 px - 72 dpi
| 113.8 kB | .png | 74.083 x 271.639 mm - 210 x 770 px - 72 dpi
| 16.8 kB | .jpg | 33.514 x 123.47200000000001 mm - 95 x 350 px - 72 dpi
| 14.2 kB | .png | 74.083 x 74.083 mm - 210 x 210 px - 72 dpi
| 8.9 MB | .png | 166.55700000000002 x 611.432 mm - 2000 x 7342 px - 305 dpi
Dimensional drawing basic component
Diagram
Characteristic curve
| UK Declaration of Conformity | ![]() |
| Company: | K.A. Schmersal GmbH & Co. KG Möddinghofe 30 42279 Wuppertal Germany Internet: www.schmersal.com |
| Declaration: | We hereby, under sole responsibility, certify that the hereafter described components both in their basic design and construction conform to the relevant statutory requirements, regulations and designated standards of the United Kingdom. |
| Name of the component: | EX-BNS 120 |
| Type: | See ordering code |
| Marking: | D II 3G Ex nC IIC T6 Gc X D II 3D Ex tc IIIC T80°C Dc X |
| Description of the component: | Safety sensor with magnetic operating principle in combination with the AES and SRB safety-monitoring modules from Schmersal |
| Relevant legislation: | Supply of Machinery (Safety) Regulations | 2008 |
| Equipment and Protective Systems intended for use in Potentially Explosive Atmospheres Regulations | 2016 | |
| The Restriction of the Use of Certain Hazardous Substances in Electrical and Electronic Equipment Regulations | 2012 |
| Designated standards: | EN 60947-5-3:2013 EN ISO 14119:2013 EN IEC 60079-0:2018 EN IEC 60079-15:2019 EN 60079-31:2014 |
| Conformity with SI 2016/1107 (Equipment and Protective Systems intended for use in Potentially Explosive Atmospheres Regulations) is declared by the manufacturer without involving a conformity assessment center. |
| UK-Importer / Person authorised for the compilation of the technical documentation: | Schmersal UK Ltd. Paul Kenney Unit 1, Sparrowhawk Close Enigma Business Park Malvern, Worcestershire, WR14 1GL |
| Place and date of issue: | Wuppertal, November 10, 2022 |
![]() |
| Authorised signature Philip Schmersal Managing Director |
| EU Declaration of Conformity | ![]() |
| Original | K.A. Schmersal GmbH & Co. KG Möddinghofe 30 42279 Wuppertal Germany Internet: www.schmersal.com |
| Declaration: | We hereby certify that the hereafter described components both in their basic design and construction conform to the applicable European Directives. |
| Name of the component: | EX-BNS 120 |
| Type: | See ordering code |
| Marking: | D II 3G Ex nC IIC T6 Gc X D II 3D Ex tc IIIC T80°C Dc X |
| Description of the component: | Safety sensor with magnetic operating principle in combination with the AES and SRB safety-monitoring modules from Schmersal |
| Relevant Directives: | Machinery Directive | 2006/42/EC |
| Explosion Protection Directive (ATEX) | 2014/34/EU | |
| RoHS-Directive | 2011/65/EU |
| Applied standards: | EN 60947-5-3:2013 EN ISO 14119:2013 EN IEC 60079-0:2018 EN IEC 60079-15:2019 EN 60079-31:2014 |
| Person authorised for the compilation of the technical documentation: | Oliver Wacker Möddinghofe 30 42279 Wuppertal |
| Place and date of issue: | Wuppertal, October 26, 2022 |
![]() |
| Authorised signature Philip Schmersal Managing Director |
Schmersal, Inc., 15 Skyline Drive, NY 10532 Hawthorne
The details and data referred to have been carefully checked. Images may diverge from original. Further technical data can be found in the manual. Technical amendments and errors possible.
Generated at: 4/15/2026, 6:24 AM

